LEMON Manuals: Even more car manuals for everyone: 1960-2025
Home >> Cadillac >> 2006 >> CTS V6-2.8L >> Repair and Diagnosis >> Powertrain Management >> Computers and Control Systems >> Transmission Position Sensor/Switch >> Service and Repair
April 5, 2026: LEMON Manuals is launched! Read the announcement.

Transmission Position Sensor/Switch: Service and Repair



Manual Shaft Shift Position Switch Replacement

Tools Required
^ J44767 Seal Installer.

Removal Procedure
1. Raise and support the vehicle. Refer to Vehicle Lifting.





2. Remove the transmission manual shift shaft nut.
3. Disconnect the shift linkage from the transmission manual shift shaft.
4. Remove the exhaust system.





5. Disconnect the propeller shaft coupler (1) from the transmission flange.
6. Push the front propeller shaft toward the rear of the vehicle in order to release the propeller shaft coupler (1) from the transmission flange.





7. Secure the front propeller shaft (1) to the shift control lever (3) with a piece of mechanics wire (2).





8. Important: Replace the shaft seal only if leaking.

Using a small screwdriver, remove and discard the shaft seal.





9. Important: Replace the cup plug only if leaking.

Using a small screwdriver, remove and discard the cup plug.





10. Important: Removal of the transmission from the vehicle is NOT required for removal or replacement of the shift shaft position switch. Remove the transmission from the vehicle and refer to Unit Repair for replacement of the manual shift shaft ONLY if replacement of the manual shift shaft (3) is necessary.

Remove the transmission fluid pan and filter.
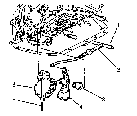
11. Disconnect the electrical connector from the manual shift shaft position switch.





12. Using a suitable pin punch (1). Remove the manual shift shaft position switch retaining pin (2).





13. Remove the manual shift shaft detent spring (1) and bolts (2).
14. Position a suitable transmission jack under the transmission support.
15. Remove the transmission support from the body ONLY.





16. Using the transmission jack, lower the rear of the transmission only enough to allow the manual shift shaft (1) to clear the vehicle floor pan.
17. Extract the manual shift shaft (1) from the transmission case only far enough to allow removal of the manual shift shaft position switch (6).
18. Remove the manual shift shaft position switch (6), the manual shift shaft detent lever (4), the manual shift shaft assembly spacer (3), and the park pawl actuator (2) as an assembly.

Installation Procedure





1. Install the manual shift shaft position switch (6), the manual shift shaft detent lever (4), the manual shift shaft assembly spacer (3), and the park pawl actuator (2) as an assembly. It may be necessary to push up on the park pawl in order to fully insert the park pawl actuator (2).
2. Fully insert the manual shift shaft (1) into the transmission case.
3. Raise the transmission to its original position.
4. Install the transmission support.
5. Remove the transmission jack.





6. Install the manual shift shaft detent spring (1).
7. Install the control valve body bolts (2) retaining the manual shift shaft detent spring. Do not tighten at this time.





8. Confirm that the manual shift shaft detent lever locating pin (2) is properly engaged with the manual valve link (1).
9. Confirm that the detent spring roller (4) is properly engaged with the manual shift shaft switch (3).





10. Using a suitable pin punch (1). Install the manual shift shaft position switch retaining pin (2).
11. Connect the electrical connector to the manual shift shaft position switch.





12. Install a 0.8 mm spacer (2) between the manual shaft detent lever (1) and the manual shaft detent spring (3).

13. Notice: Refer to Fastener Notice in Service Precautions.

tighten the detent spring bolts.

Tighten the bolts to 11 Nm (97 inch lbs.).

14. Remove the spacer (2).
15. Install the transmission fluid pan and filter.





16. If previously removed, install a new shaft seal using J44767.
17. Position the seal onto the J44767 before installing the seal into the transmission case.
18. Carefully slide the seal and tool over the manual shift shaft and Insert the seal into the transmission until fully seated





19. If previously removed, install a new cup plug. Lubricate the cup plug with transmission fluid before installation.
20. Insert the cup plug into the transmission until flush with the transmission case.





21. Remove the mechanics wire (2) securing front propeller shaft (1) to the shift control lever (3).





22. Install the propeller shaft coupler (1) to the transmission flange.
23. Install the exhaust system.





24. Connect the shift linkage to the transmission manual shift shaft.
25. Install the transmission manual shift shaft nut.

Tighten the nut to 15 Nm (11 ft. lbs.).

26. Adjust the shift control linkage. Refer to Shift Control Linkage Adjustment.
27. Lower the vehicle.