LEMON Manuals: Even more car manuals for everyone: 1960-2025
Home >> Cadillac >> 2006 >> Escalade EXT >> Repair and Diagnosis (Single Page) >> Brakes >> Antilock Brake System With Traction Control System & Stability Control System >> Component Locator >> ABS Component Views
April 5, 2026: LEMON Manuals is launched! Read the announcement.

ABS Component Views

Fig 1: Stop Lamp Switch Components
GM349997Courtesy of GENERAL MOTORS CORP.
Callout Component Name
1 Vacuum Booster
2 Brake Pedal
3 Stoplamp Switch
4 Accelerator Pedal
5 Stoplamp Switch Retainer
6 Dash Panel
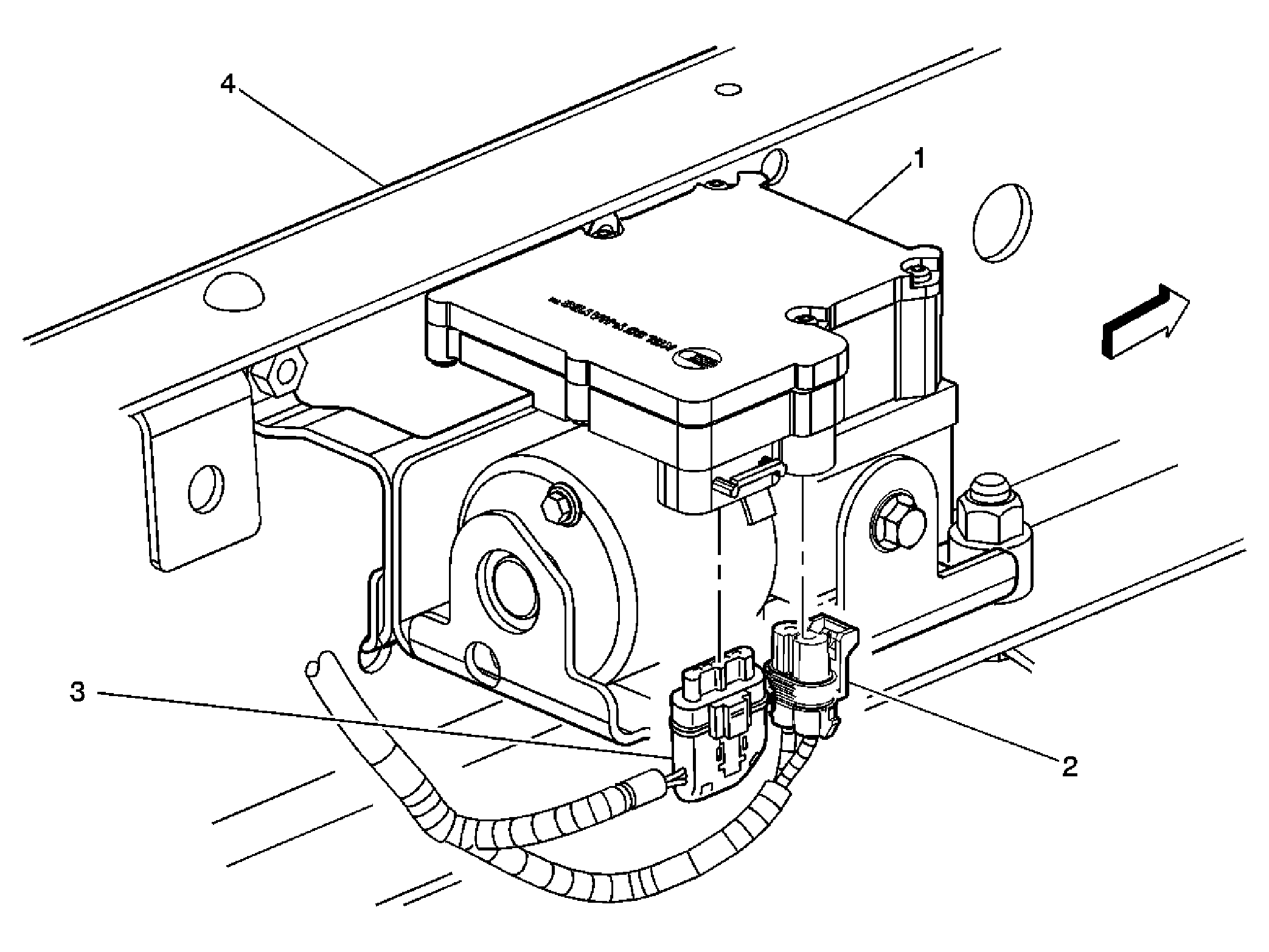
Fig 2: Electronic Brake Control Module (EBCM) Component View
GM599037Courtesy of GENERAL MOTORS CORP.
Callout Component Name
1 Electronic Brake Control Module (EBCM)
2 Electronic Brake Control Module (EBCM) Electrical Connector - C1
3 Electronic Brake Control Module (EBCM) Electrical Connector - C2
4 Frame
Fig 3: Left Side Of Frame Rail Component View - w/JL4
GM1408908Courtesy of GENERAL MOTORS CORP.
Callout Component Name
1 Electronic Brake Control Module (EBCM) - w/JL4
2 Left Side Frame Rail
Fig 4: Precharge Pump Component View (JL4)
GM1222437Courtesy of GENERAL MOTORS CORP.
Callout Component Name
1 Brake Pressure Differential Switch Connector
2 Master Cylinder Fluid Reservoir
3 Brake Pressure Differential Switch
4 Precharge Pump Connector
5 Precharge Pump
6 Frame
Fig 5: Traction Control Switch Component View
GM764910Courtesy of GENERAL MOTORS CORP.
Callout Component Name
1 Traction Control Switch
2 Instrument Panel Outer Air Outlet Housing
Fig 6: Wheel Speed Sensor - RF Component View (2WD)
GM774478Courtesy of GENERAL MOTORS CORP.
Callout Component Name
1 Rotor
2 Wheel Speed Sensor (WSS)
Fig 7: Wheel Speed Sensor - RF Component View (4WD)
GM774480Courtesy of GENERAL MOTORS CORP.
Callout Component Name
1 Rotor
2 Wheel Speed Sensor (WSS)
Fig 8: YAW & Lateral Acceleration Sensor Component View (Escalade)
GM803454Courtesy of GENERAL MOTORS CORP.
Callout Component Name
1 Center Console
2 YAW and Lateral Acceleration Sensor
3 C306
Fig 9: YAW & Lateral Acceleration Sensor Component View (Escalade EXT)
GM764902Courtesy of GENERAL MOTORS CORP.
Callout Component Name
1 Body Harness
2 YAW and Lateral Acceleration Sensor
3 YAW and Lateral Acceleration Sensor Connector
4 HVAC Duct - Passenger Side
5 Front Floor Panel - Passenger Side