LEMON Manuals: Even more car manuals for everyone: 1960-2025
Home >> Cadillac >> 2006 >> Escalade EXT >> Repair and Diagnosis (Single Page) >> Brakes >> Antilock Brake System With Traction Control System & Stability Control System >> Repair Instructions >> Electronic Brake Control Module Replacement (w/JL4) >> Removal Procedure
April 5, 2026: LEMON Manuals is launched! Read the announcement.

Removal Procedure

CAUTION: Refer to BATTERY DISCONNECT CAUTION in Cautions and Notices.
IMPORTANT: After installation, calibrate the new electronic brake control module (EBCM) to the tire size that is appropriate to the vehicle.
  1. Disconnect the negative battery cable. Refer to Battery Negative Cable Disconnect/Connect Procedure .
  2. Raise and suitably support the vehicle. Refer to Lifting and Jacking the Vehicle .
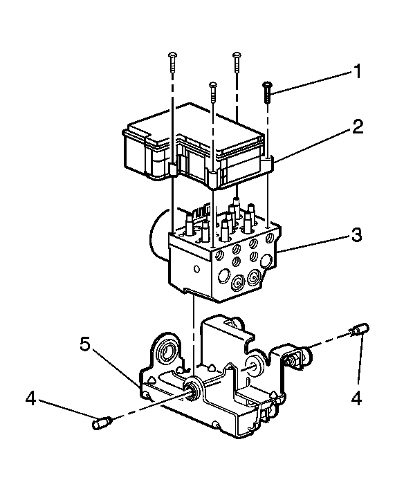
  3. Fig 1: Exploded View Of EBCM & BPMV Components (w/ JL4)
    GM925574Courtesy of GENERAL MOTORS CORP.
    IMPORTANT: The area around the electronic hydraulic control unit (EHCU) MUST be free from loose dirt to prevent contamination of disassembled ABS components.
  4. Thoroughly wash all contaminants from around the EHCU.
  5. Remove the mounting screws (1) that fasten the EBCM (2) to the brake pressure modulator valve (BPMV) (3).
  6. Fig 2: Removing/Installing EBCM (w/ JL4)
    GM925878Courtesy of GENERAL MOTORS CORP.
  7. Remove the EBCM from the BPMV. Removal may require a light amount of force.
  8. Remove the EBCM from the vehicle.
  9. Clean the BPMV to EBCM mounting surfaces with a clean cloth.