LEMON Manuals: Even more car manuals for everyone: 1960-2025
Home >> Cadillac >> 2006 >> Escalade EXT >> Repair and Diagnosis >> Body & Frame >> Windows >> Door System, Mirror System & Window System >> Schematic and Routing Diagrams >> Power Window Schematics
April 5, 2026: LEMON Manuals is launched! Read the announcement.

Power Window Schematics

Fig 1: Left Doors
GM1608108Courtesy of GENERAL MOTORS CORP.
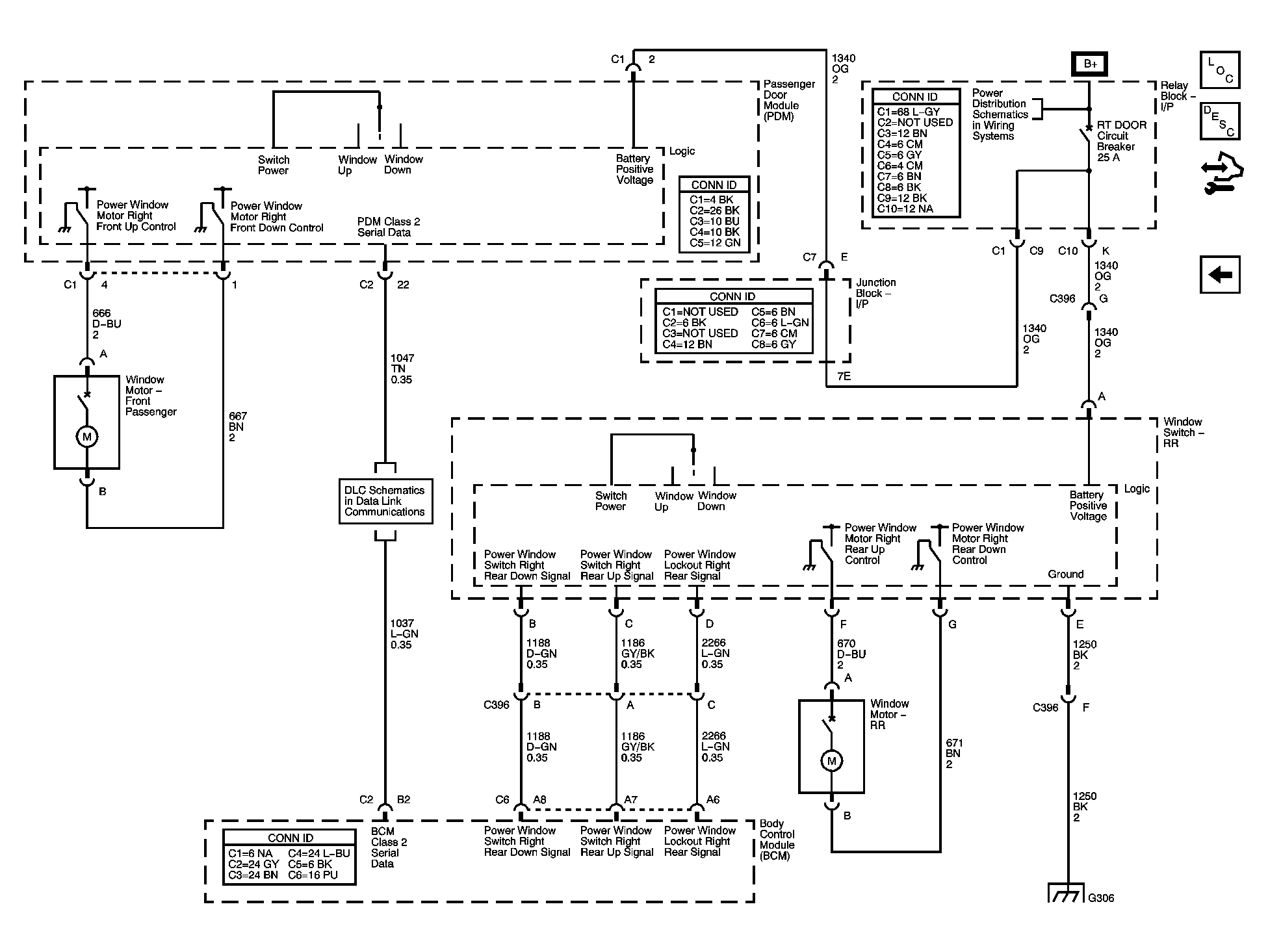
Fig 2: Right Doors
GM1608109Courtesy of GENERAL MOTORS CORP.