LEMON Manuals: Even more car manuals for everyone: 1960-2025
Home >> Cadillac >> 2006 >> Escalade EXT >> Repair and Diagnosis >> External Pages >> Different car >> Section 1013 (Cellular System, Entertainment System, And Navigation System) >> Schematic and Routing Diagrams >> OnStar Schematics
April 5, 2026: LEMON Manuals is launched! Read the announcement.

OnStar Schematics

WARNING: This page is about a different car, the 2007 GMC Sierra and 2007 Chevrolet Silverado. However, it is still accessible from the selected car via links, so may be relevant.
Fig 1: Module Power, Ground and Serial Data
GM1847654Courtesy of GENERAL MOTORS CORP.
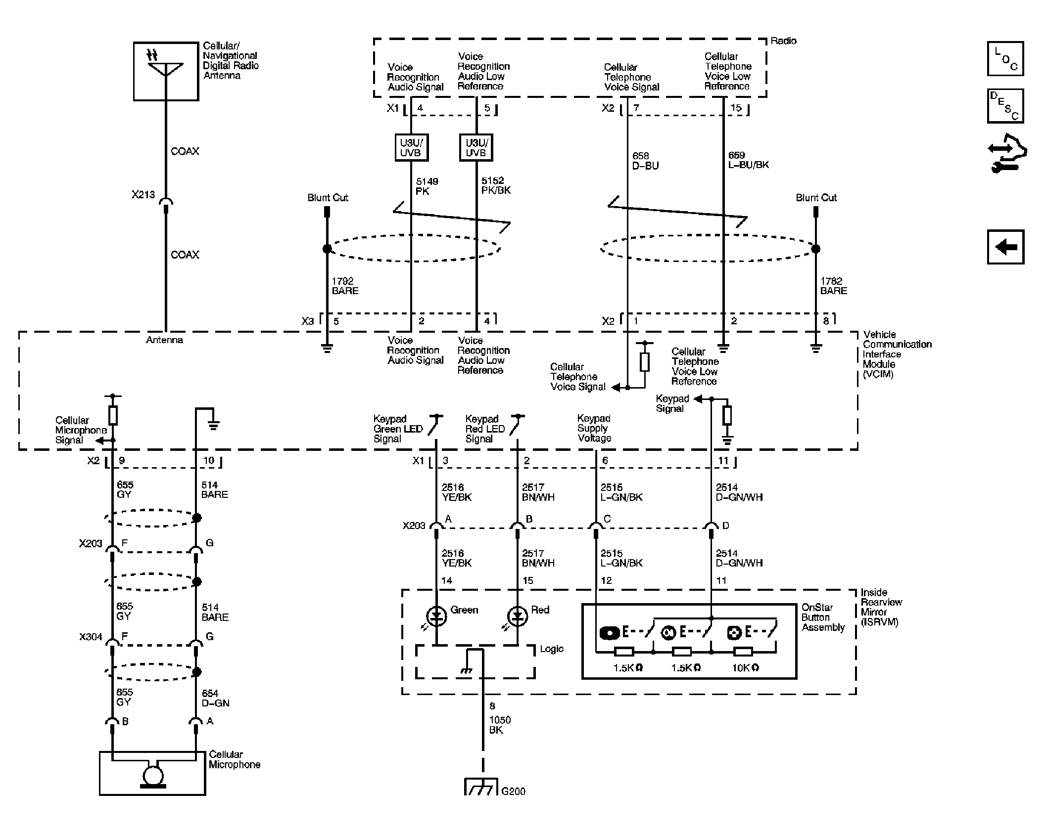
Fig 2: Communication Signals and Controls
GM1847655Courtesy of GENERAL MOTORS CORP.