LEMON Manuals: Even more car manuals for everyone: 1960-2025
Home >> Cadillac >> 2006 >> STS AWD V6-3.6L VIN 7 >> Repair and Diagnosis >> Accessories and Optional Equipment >> Navigation System >> Navigation Module >> Locations
April 5, 2026: LEMON Manuals is launched! Read the announcement.

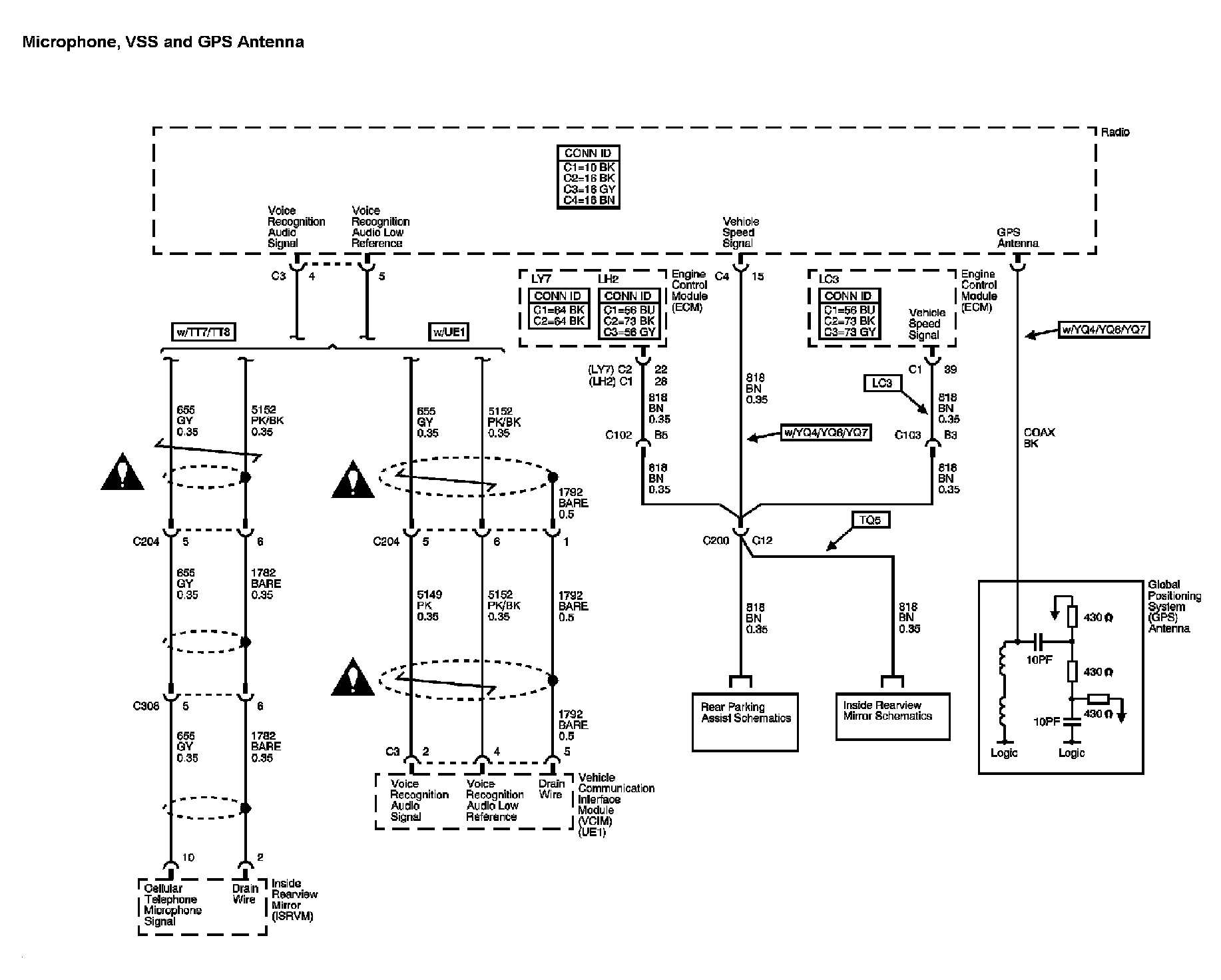
Navigation Module: Locations

Navigation System Diagram 4:



TV Antenna Module (Export With RPO Code YQ6/YQ7):