LEMON Manuals: Even more car manuals for everyone: 1960-2025
Home >> Cadillac >> 2006 >> STS Base, 3.6 7, AWD >> Repair and Diagnosis >> Engine Performance >> System >> Engine Control System - 3.6L - Introduction (2 Of 2) >> Schematic and Routing Diagrams >> Engine Controls Schematics
April 5, 2026: LEMON Manuals is launched! Read the announcement.

Engine Controls Schematics

Fig 1: ECM Power, Ground, Serial Data, and MIL
GM1619723Courtesy of GENERAL MOTORS CORP.
Fig 2: Engine Data Sensors - 5-Volt Reference Bus
GM1619724Courtesy of GENERAL MOTORS CORP.
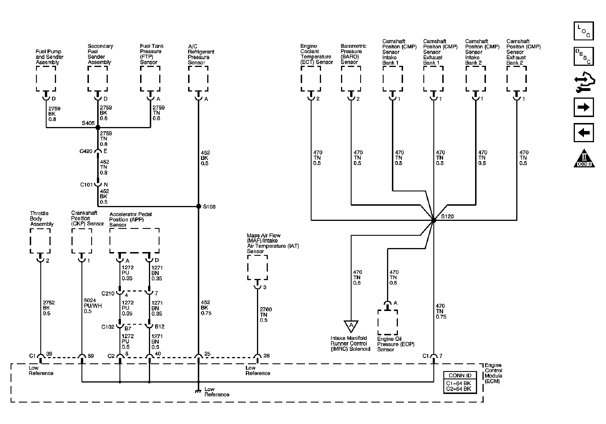
Fig 3: Engine Data Sensors - Low Reference Bus
GM1619725Courtesy of GENERAL MOTORS CORP.
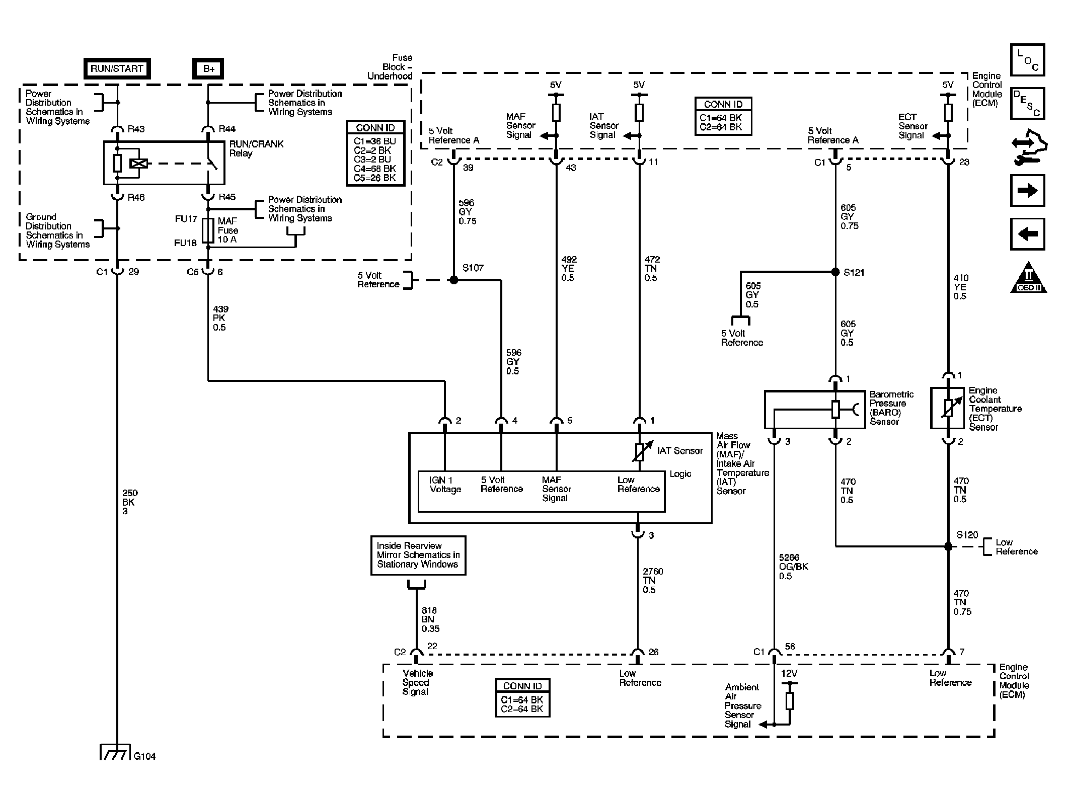
Fig 4: Engine Data Sensors - Pressure, Temperature, MAF, VSS
GM1619726Courtesy of GENERAL MOTORS CORP.
Fig 5: Engine Data Sensors - Oxygen Sensors
GM1619727Courtesy of GENERAL MOTORS CORP.
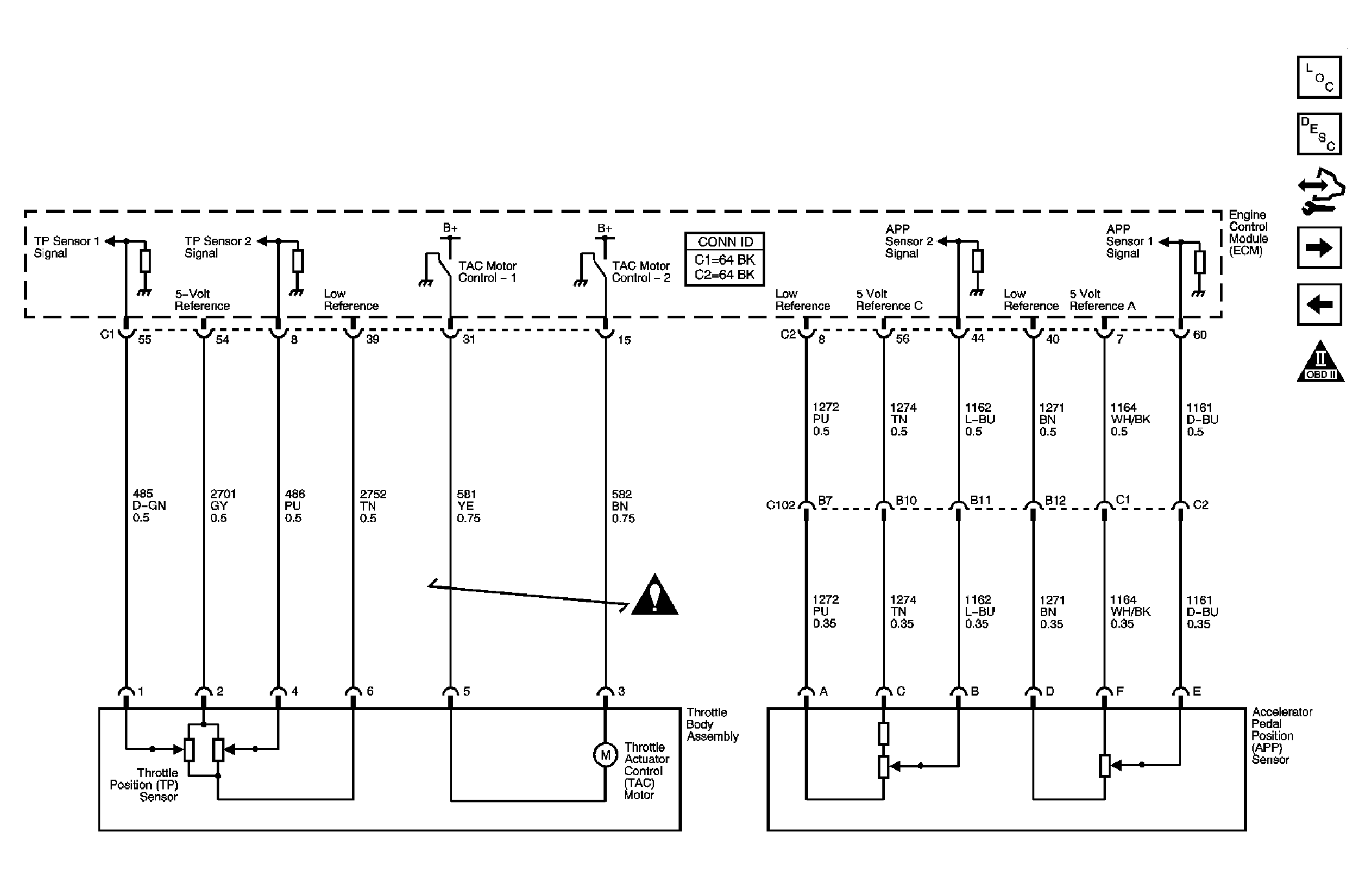
Fig 6: Engine Data Sensors - Electronic Throttle Controls
GM1619730Courtesy of GENERAL MOTORS CORP.
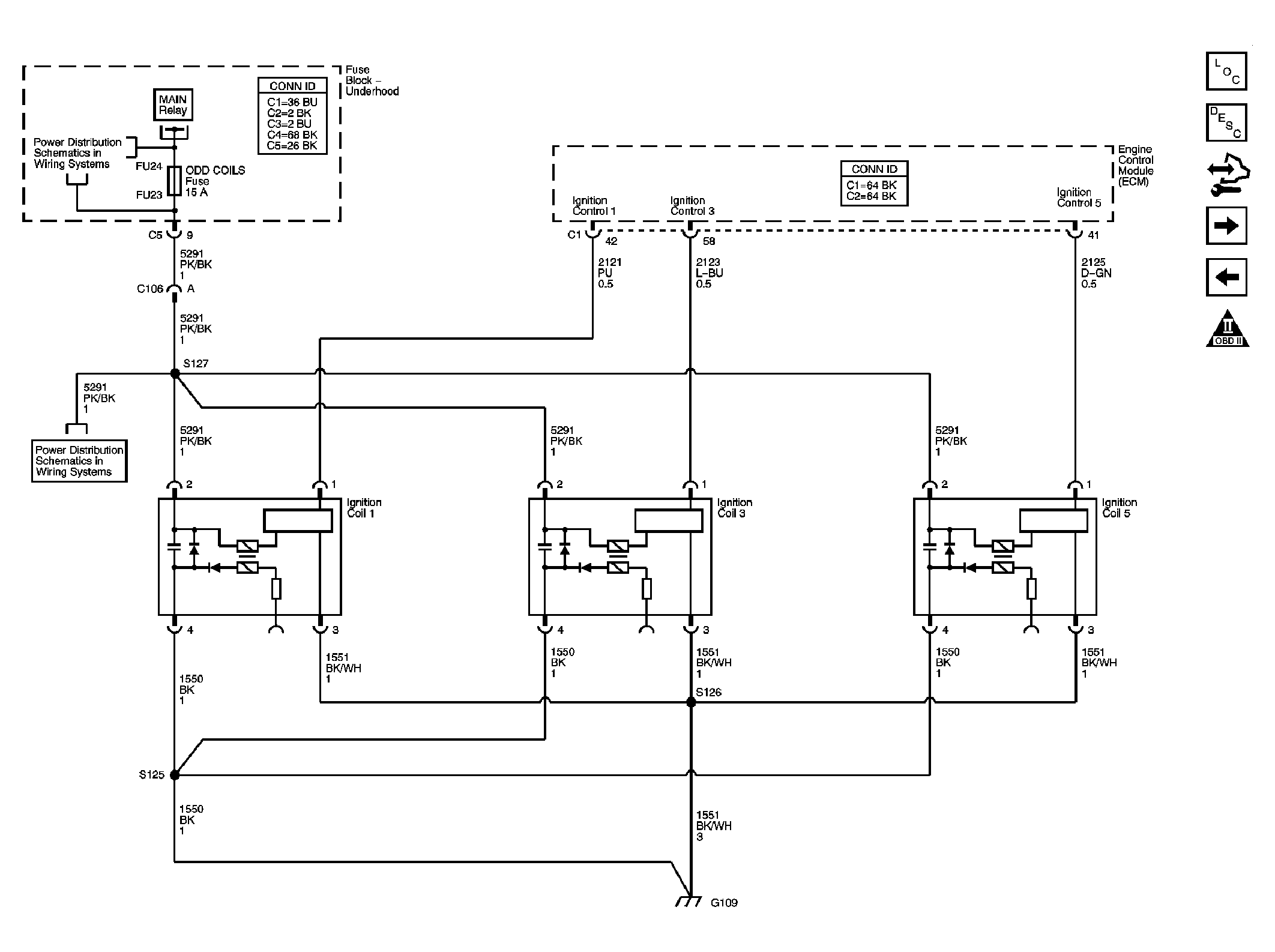
Fig 7: Ignition Controls - Bank 1 Ignition Coils
GM1619732Courtesy of GENERAL MOTORS CORP.
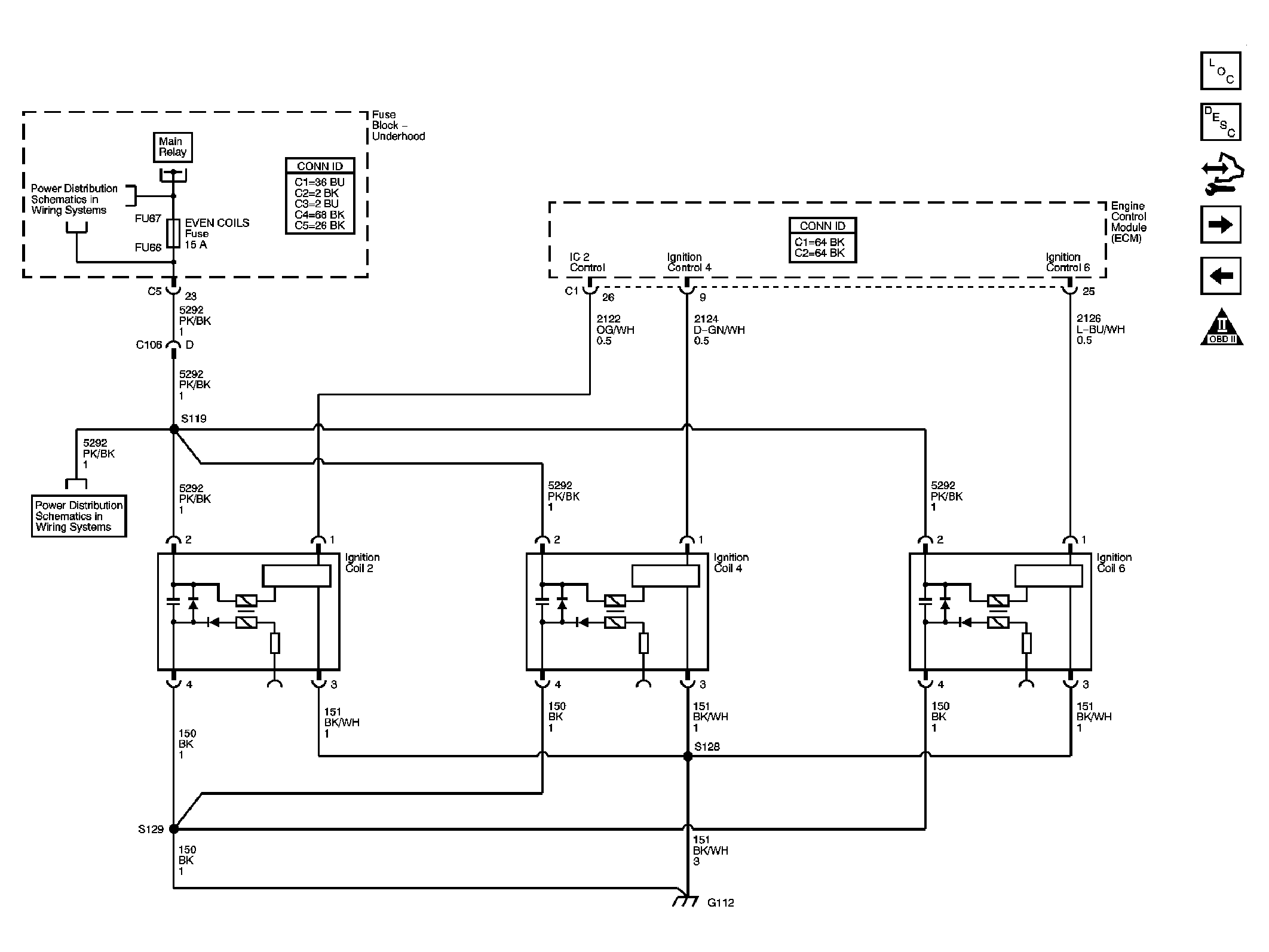
Fig 8: Ignition Controls - Bank 2 Ignition Coils
GM1619734Courtesy of GENERAL MOTORS CORP.
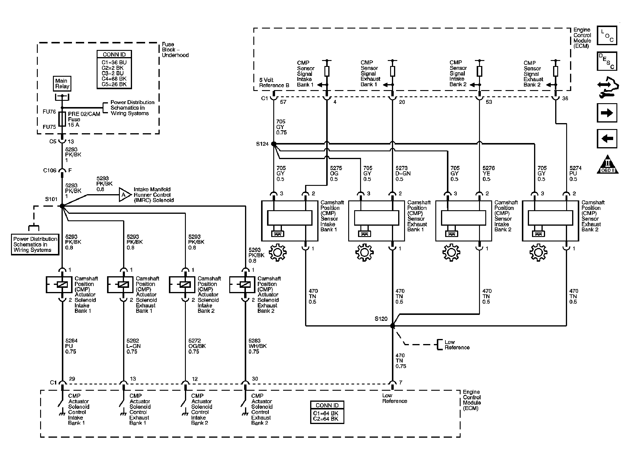
Fig 9: Ignition Controls - CMP Sensors and Solenoids
GM1619735Courtesy of GENERAL MOTORS CORP.
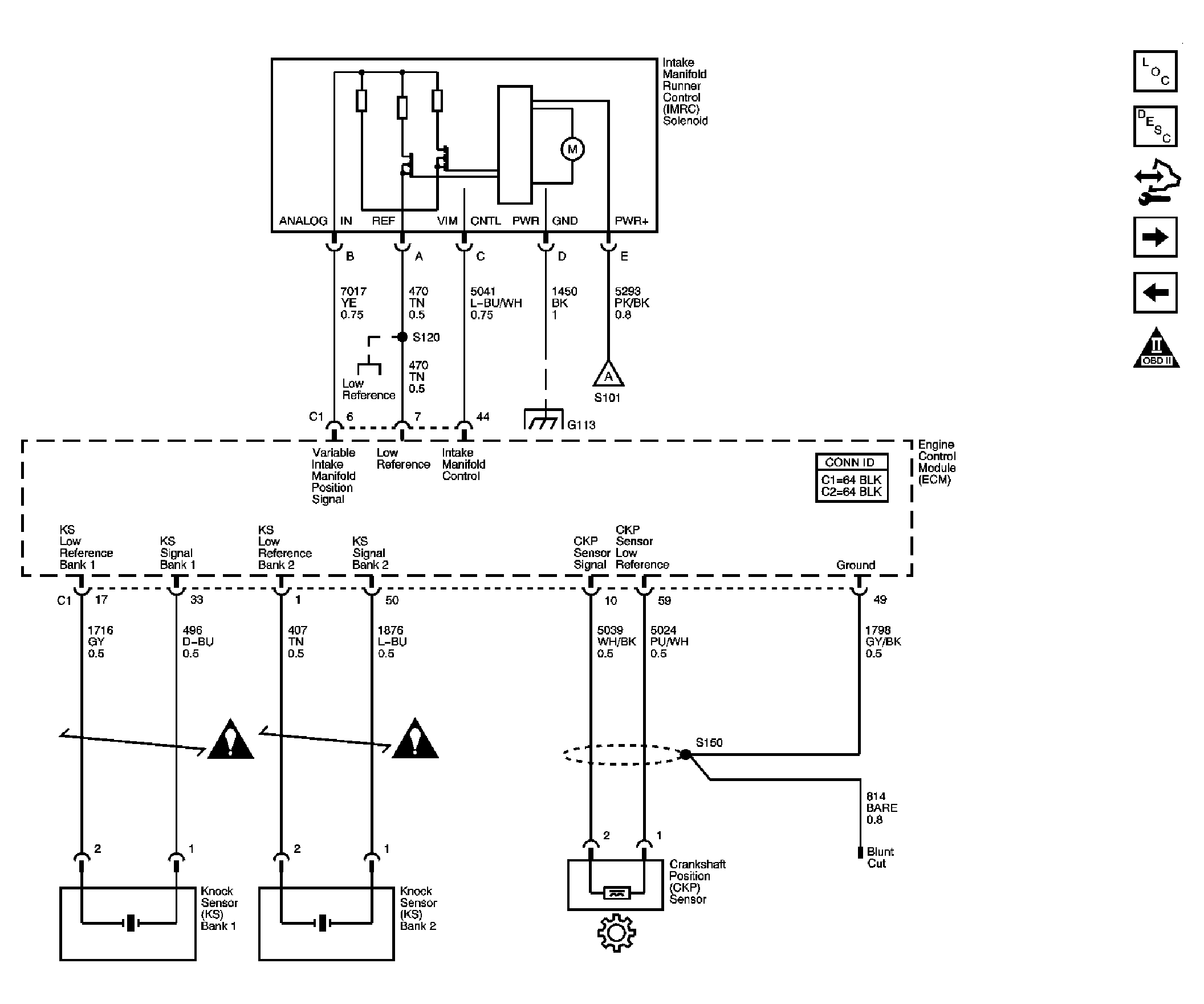
Fig 10: Ignition Controls - CKP, Knock Sensors and IMRC Solenoid
GM1619741Courtesy of GENERAL MOTORS CORP.
Fig 11: Fuel Controls - Fuel Pump and Injectors
GM1619742Courtesy of GENERAL MOTORS CORP.
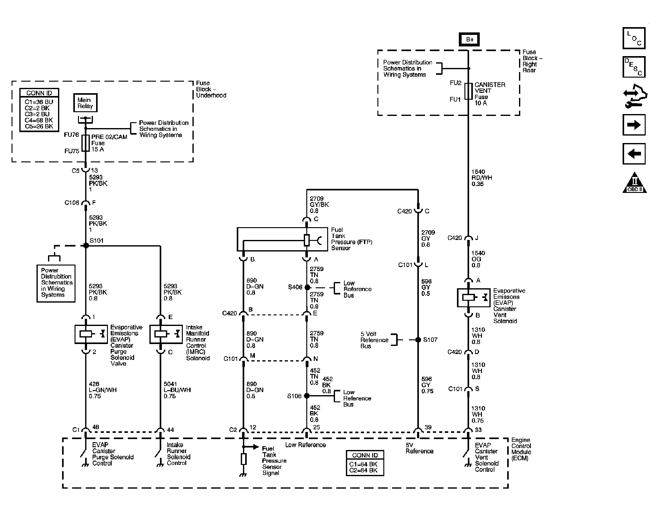
Fig 12: Fuel Controls - EVAP Controls
GM1619743Courtesy of GENERAL MOTORS CORP.
Fig 13: Controlled/Monitored Subsystem References
GM1619744Courtesy of GENERAL MOTORS CORP.