LEMON Manuals: Even more car manuals for everyone: 1960-2025
Home >> Cadillac >> 2006 >> STS Base, 3.6 7, AWD >> Repair and Diagnosis >> External Pages >> Different variant/trim >> Section 2 (Engine Control System - 4.6L (LH2) - Introduction (2 Of 2)) >> Schematic and Routing Diagrams >> Engine Controls Schematics
April 5, 2026: LEMON Manuals is launched! Read the announcement.

Engine Controls Schematics

WARNING: This page is about a different variant/trim than selected.
Fig 1: ECM Power, Ground, Serial Data, and MIL
GM1618694Courtesy of GENERAL MOTORS CORP.
Fig 2: Engine Data Sensors - 5-Volt and Low Reference
GM1618692Courtesy of GENERAL MOTORS CORP.
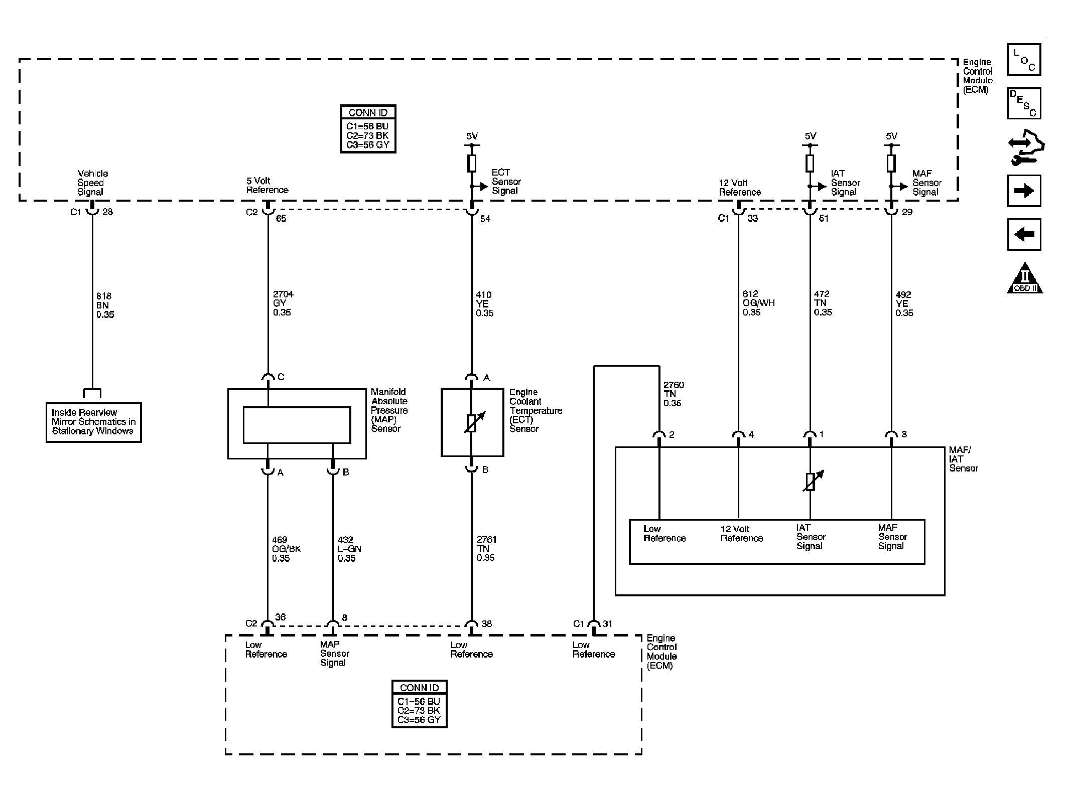
Fig 3: Engine Data Sensors - Pressure, Temperature, MAF, VSS
GM1618691Courtesy of GENERAL MOTORS CORP.
Fig 4: Engine Data Sensors - Oxygen Sensors
GM1618689Courtesy of GENERAL MOTORS CORP.
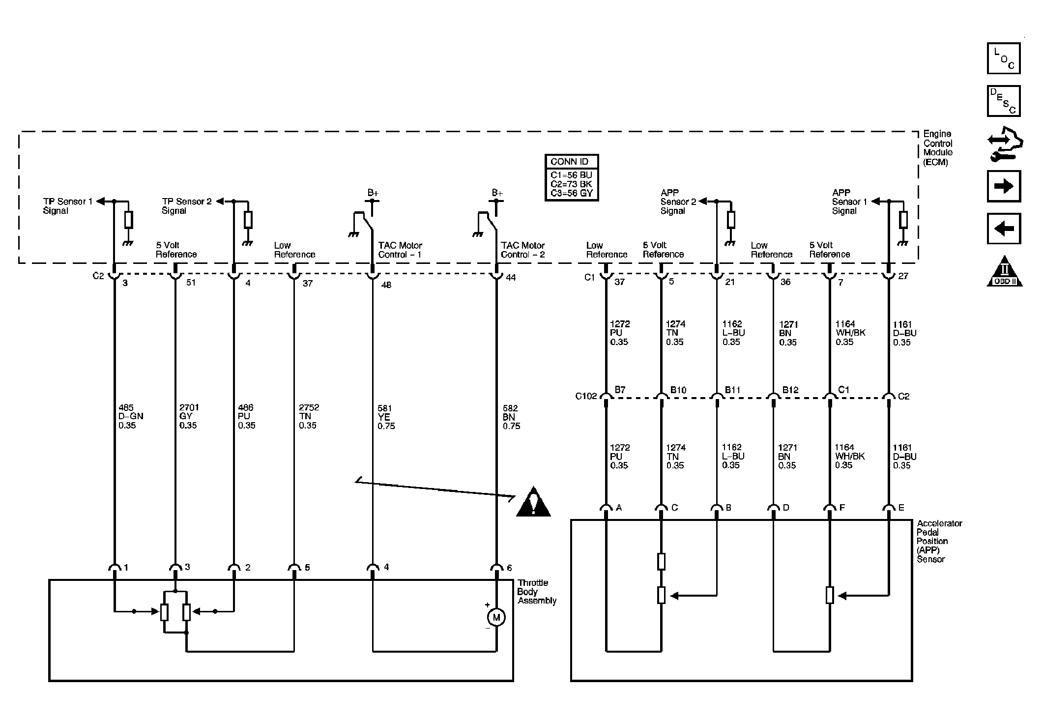
Fig 5: Engine Data Sensors - Electronic Throttle Controls
GM1618688Courtesy of GENERAL MOTORS CORP.
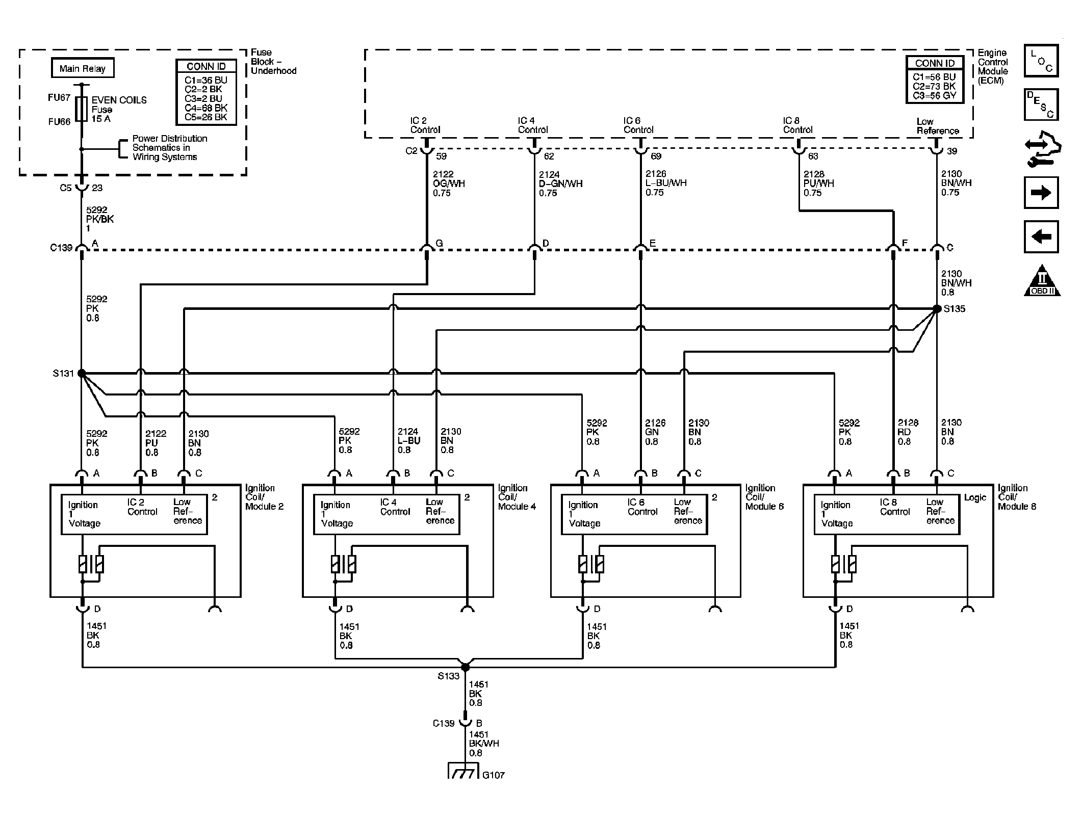
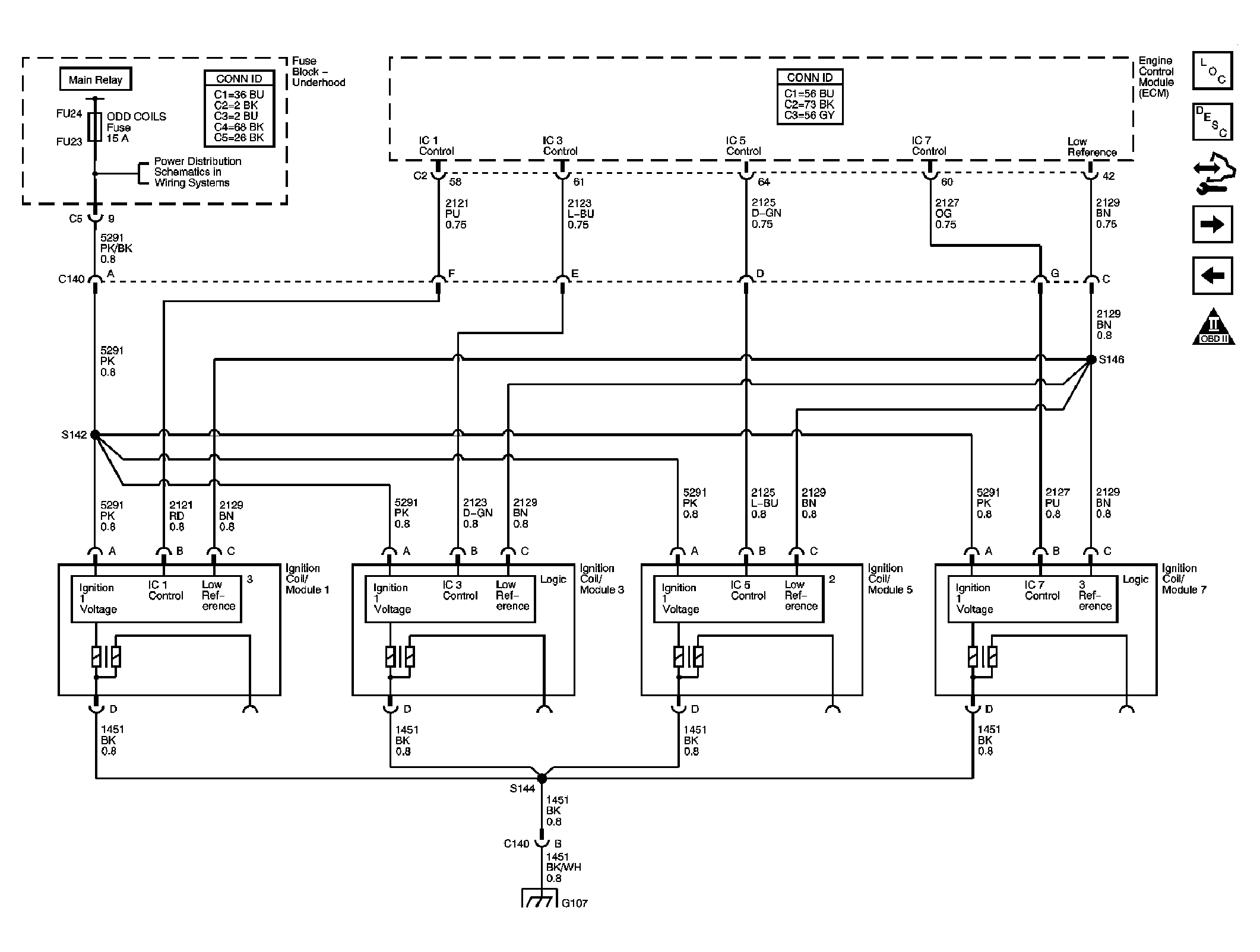
Fig 6: Ignition Controls - Ignition System Bank 1
GM1618686Courtesy of GENERAL MOTORS CORP.
Fig 7: Ignition Controls - Ignition System Bank 2
GM1618685Courtesy of GENERAL MOTORS CORP.
Fig 8: Ignition Controls - CMP Sensors and Solenoids
GM1618682Courtesy of GENERAL MOTORS CORP.
Fig 9: Crankshaft Position (CKP) Sensor and Knock Sensors
GM1618679Courtesy of GENERAL MOTORS CORP.
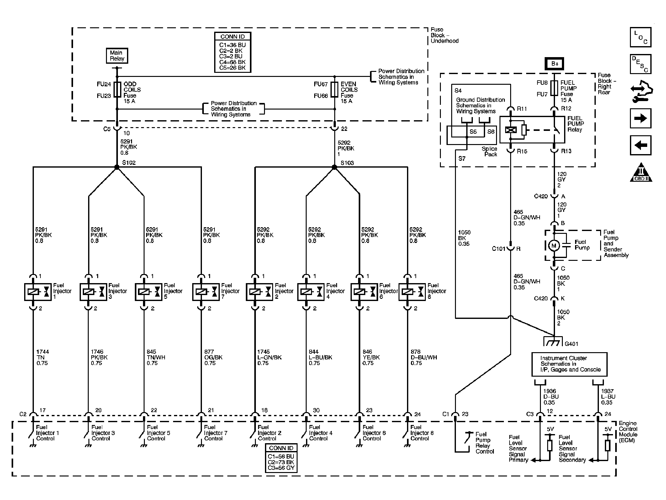
Fig 10: Fuel Controls - Injectors and Pump
GM1618677Courtesy of GENERAL MOTORS CORP.
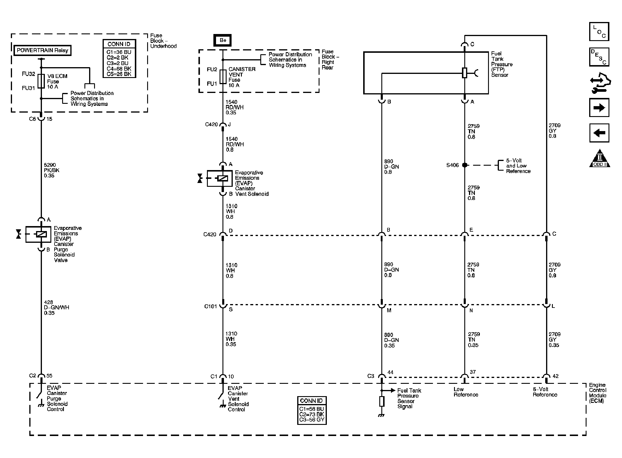
Fig 11: Fuel Controls - EVAP and Fuel Tank Pressure (FTP) Sensor
GM1618676Courtesy of GENERAL MOTORS CORP.
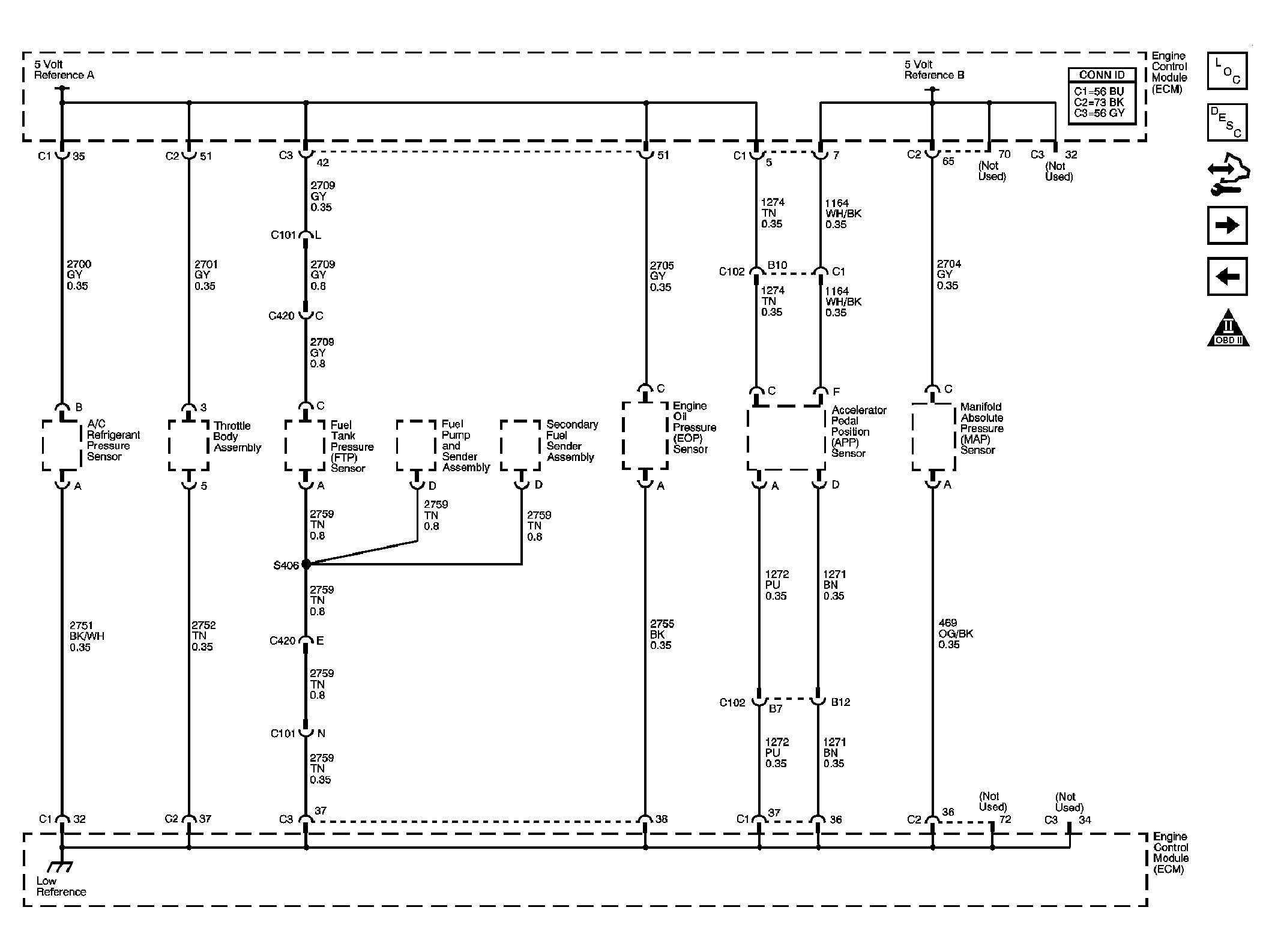
Fig 12: Controlled/Monitored Subsystem References
GM1618675Courtesy of GENERAL MOTORS CORP.