LEMON Manuals: Even more car manuals for everyone: 1960-2025
Home >> Cadillac >> 2006 >> STS Base, 4.6 A, AWD >> Repair and Diagnosis >> External Pages >> Different car >> Section 2 (Data Link Communication System) >> Schematic and Routing Diagrams >> Data Link Connector (DLC) Schematics
April 5, 2026: LEMON Manuals is launched! Read the announcement.

Data Link Connector (DLC) Schematics

WARNING: This page is about a different car, the 2004 Cadillac SRX. However, it is still accessible from the selected car via links, so may be relevant.
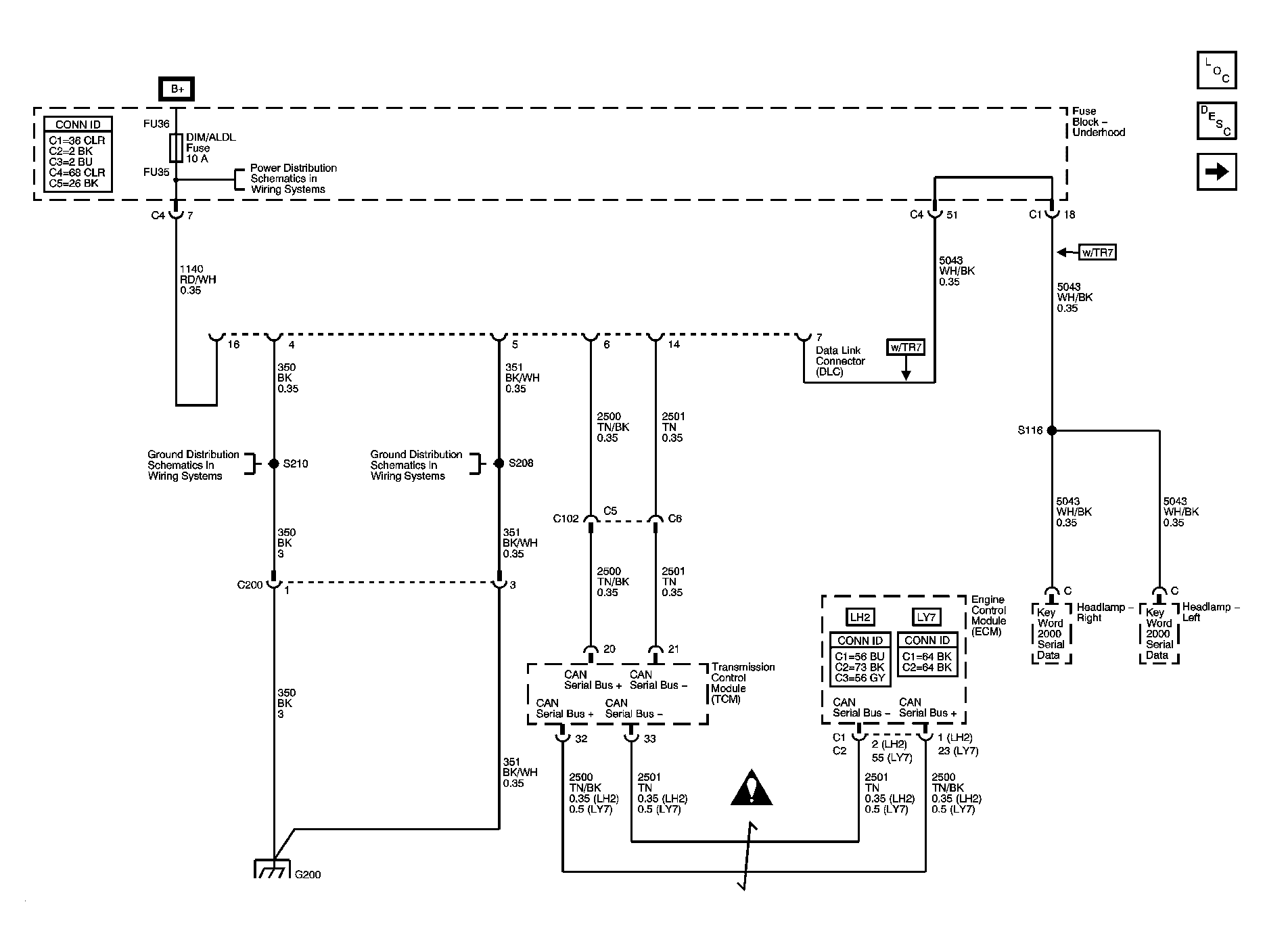
Fig 1: Power, Ground, GMLAN, & Key Word 2000 Serial Data Schematic
GM1131556Courtesy of GENERAL MOTORS CORP.
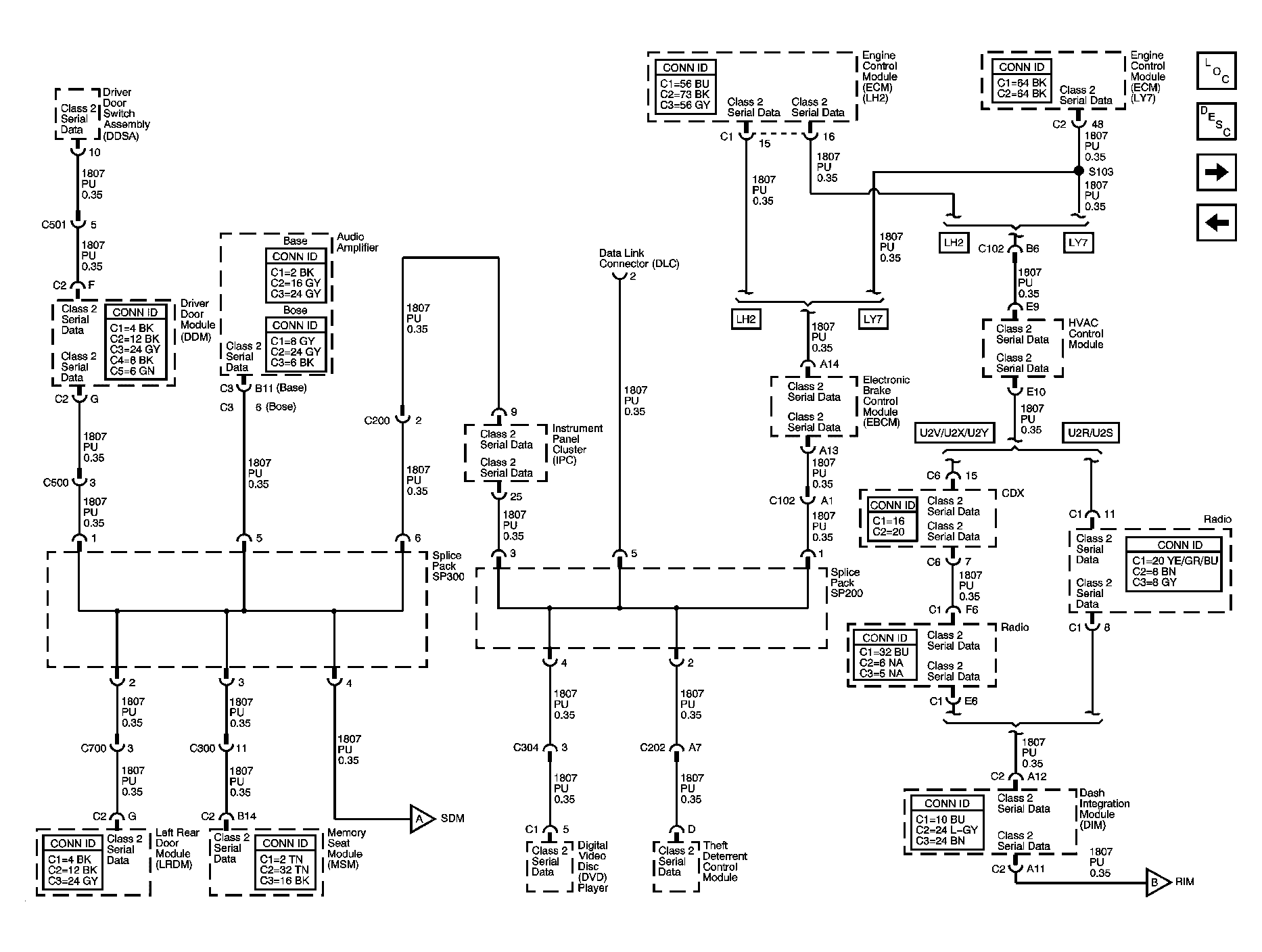
Fig 2: Class 2 Serial Data Schematic - 1 Of 2
GM1131732Courtesy of GENERAL MOTORS CORP.
Fig 3: Class 2 Serial Data Schematic - 2 Of 2
GM1131819Courtesy of GENERAL MOTORS CORP.