LEMON Manuals: Even more car manuals for everyone: 1960-2025
Home >> Cadillac >> 2006 >> STS Base, 4.6 A, AWD >> Repair and Diagnosis >> External Pages >> Different car >> Section 22 (Antilock Brake System, Traction Control System & Stability Control System) >> Schematic and Routing Diagrams >> ABS Schematics
April 5, 2026: LEMON Manuals is launched! Read the announcement.

ABS Schematics

WARNING: This page is about a different car, the 2004 Cadillac SRX. However, it is still accessible from the selected car via links, so may be relevant.
Fig 1: Module Power, Ground & Serial Data
GM1220116Courtesy of GENERAL MOTORS CORP.
Fig 2: Wheel Speed Sensors
GM1220122Courtesy of GENERAL MOTORS CORP.
Fig 3: Indicator, Traction Control, & Brake Pedal Position
GM1220125Courtesy of GENERAL MOTORS CORP.
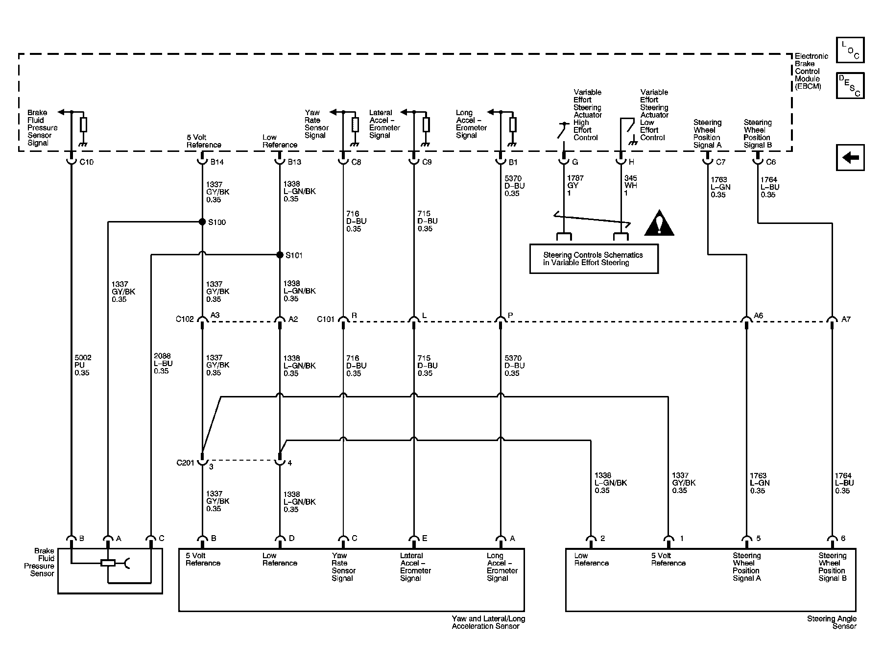
Fig 4: Stability Control System & Brake Fluid Pressure Sensor
GM1220129Courtesy of GENERAL MOTORS CORP.