LEMON Manuals: Even more car manuals for everyone: 1960-2025
Home >> Cadillac >> 2006 >> STS Base, 4.6 A, AWD >> Repair and Diagnosis >> External Pages >> Different car >> Section 334 (Data Communication System) >> Schematic and Routing Diagrams >> Data Communication Schematics
April 5, 2026: LEMON Manuals is launched! Read the announcement.

Data Communication Schematics

WARNING: This page is about a different car, the 2007 Cadillac STS. However, it is still accessible from the selected car via links, so may be relevant.
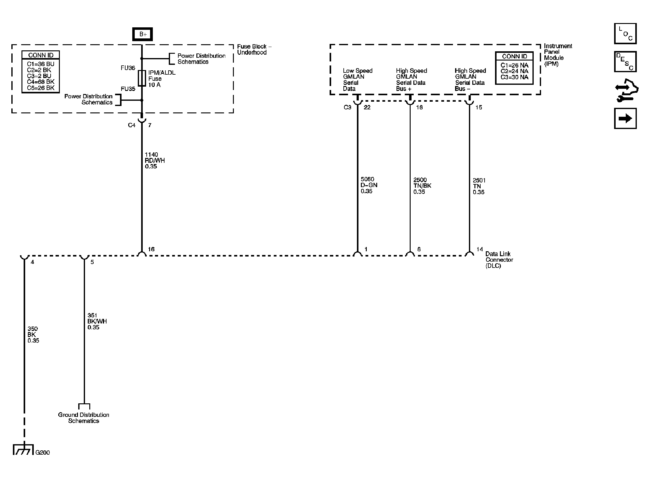
Fig 1: DLC Power, Ground and IPM Schematic
GM1823244Courtesy of GENERAL MOTORS CORP.
Fig 2: GMLAN - High Speed, Domestic w/UE1, F55 w/o F55 Schematic
GM1823257Courtesy of GENERAL MOTORS CORP.
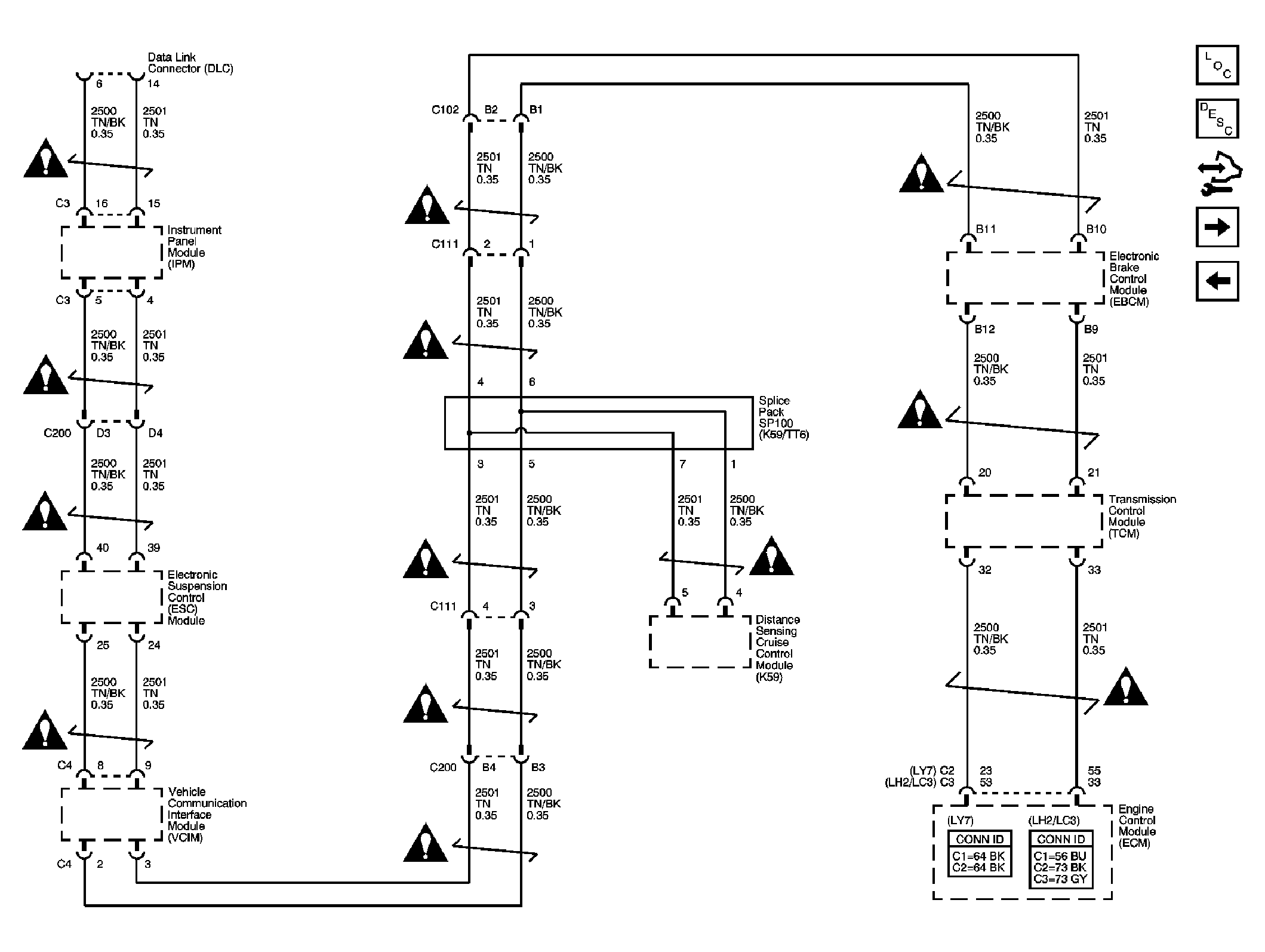
Fig 3: GMLAN - High Speed, Domestic W/UE1, K59, F55 Schematic
GM1823261Courtesy of GENERAL MOTORS CORP.
Fig 4: GMLAN - High Speed, Export w/ TR7/LC3 w/o UE1 Schematic
GM1823264Courtesy of GENERAL MOTORS CORP.
Fig 5: GMLAN - High Speed, Export w/ TR7/F55/LC3 w/o UE1 Schematic
GM1823268Courtesy of GENERAL MOTORS CORP.
Fig 6: GMLAN - High Speed, Export w/ TT7/ TT8, F55, K59 w/o UE1 Schematic
GM1823272Courtesy of GENERAL MOTORS CORP.
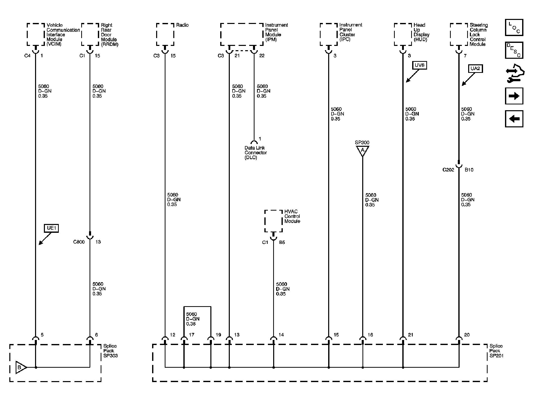
Fig 7: GMLAN - Low Speed 1 of 2 Schematic
GM1823278Courtesy of GENERAL MOTORS CORP.
Fig 8: GMLAN - Low Speed 2 of 2 Schematic
GM1823283Courtesy of GENERAL MOTORS CORP.
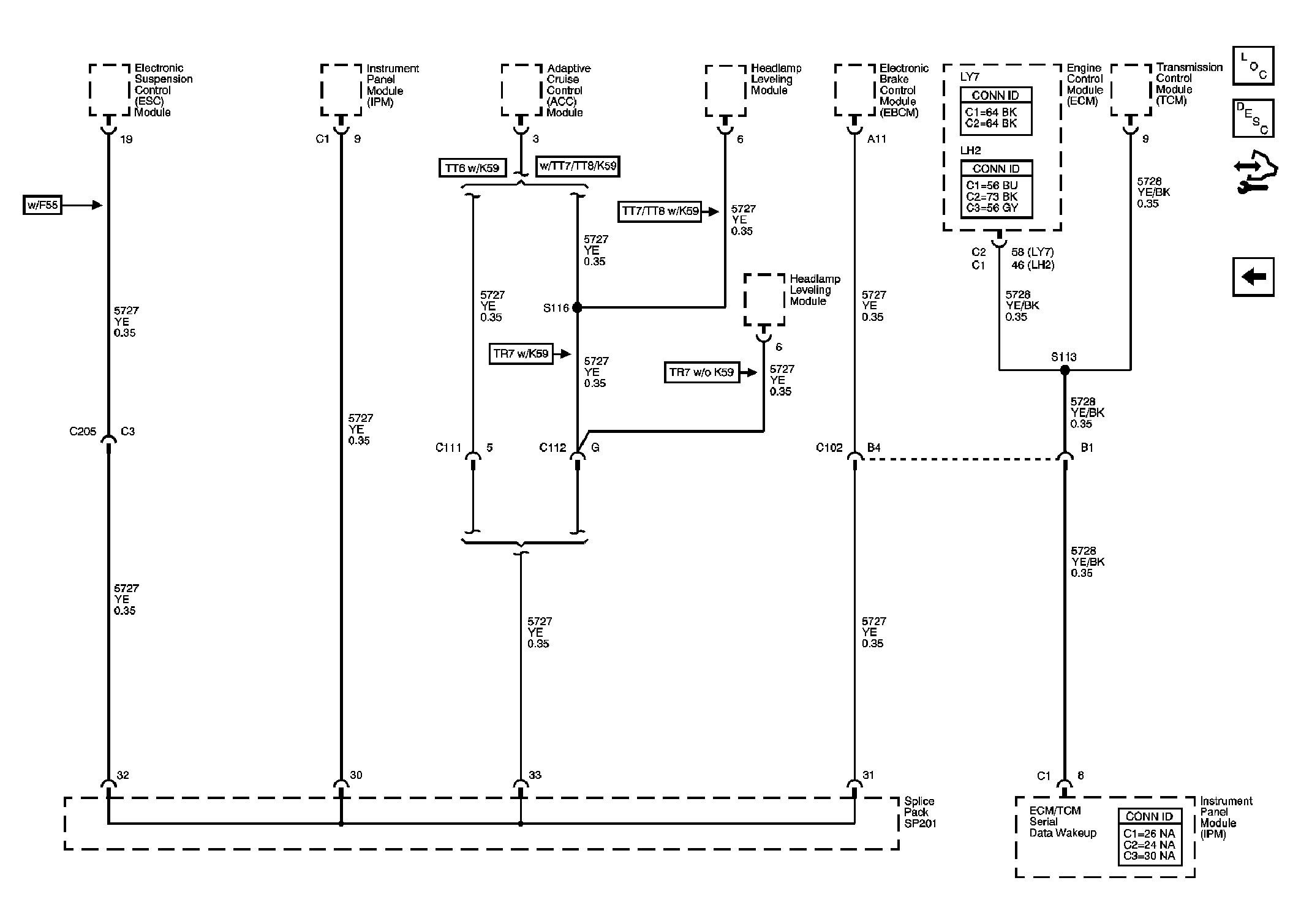
Fig 9: GMLAN - High Speed Serial Data Wake Up Schematic
GM1823286Courtesy of GENERAL MOTORS CORP.