LEMON Manuals: Even more car manuals for everyone: 1960-2025
Home >> Cadillac >> 2006 >> STS V >> Repair and Diagnosis >> Engine Performance >> System >> Engine Control System - 4.4L - Introduction (2 Of 2) >> Schematic and Routing Diagrams >> Engine Controls Schematics
April 5, 2026: LEMON Manuals is launched! Read the announcement.

Engine Controls Schematics

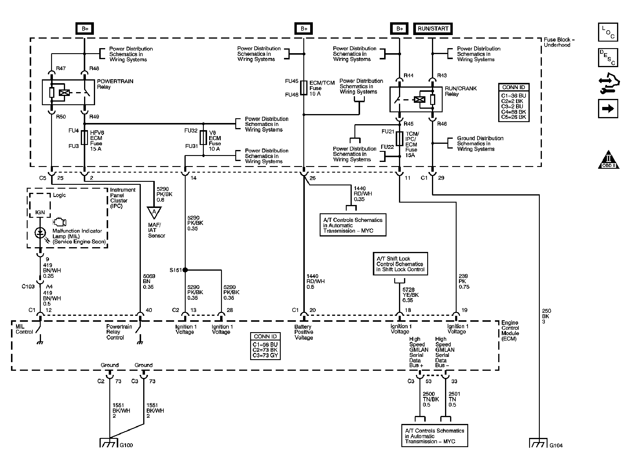
Fig 1: ECM Power, Ground, Serial Data, and MIL
GM1688958Courtesy of GENERAL MOTORS CORP.
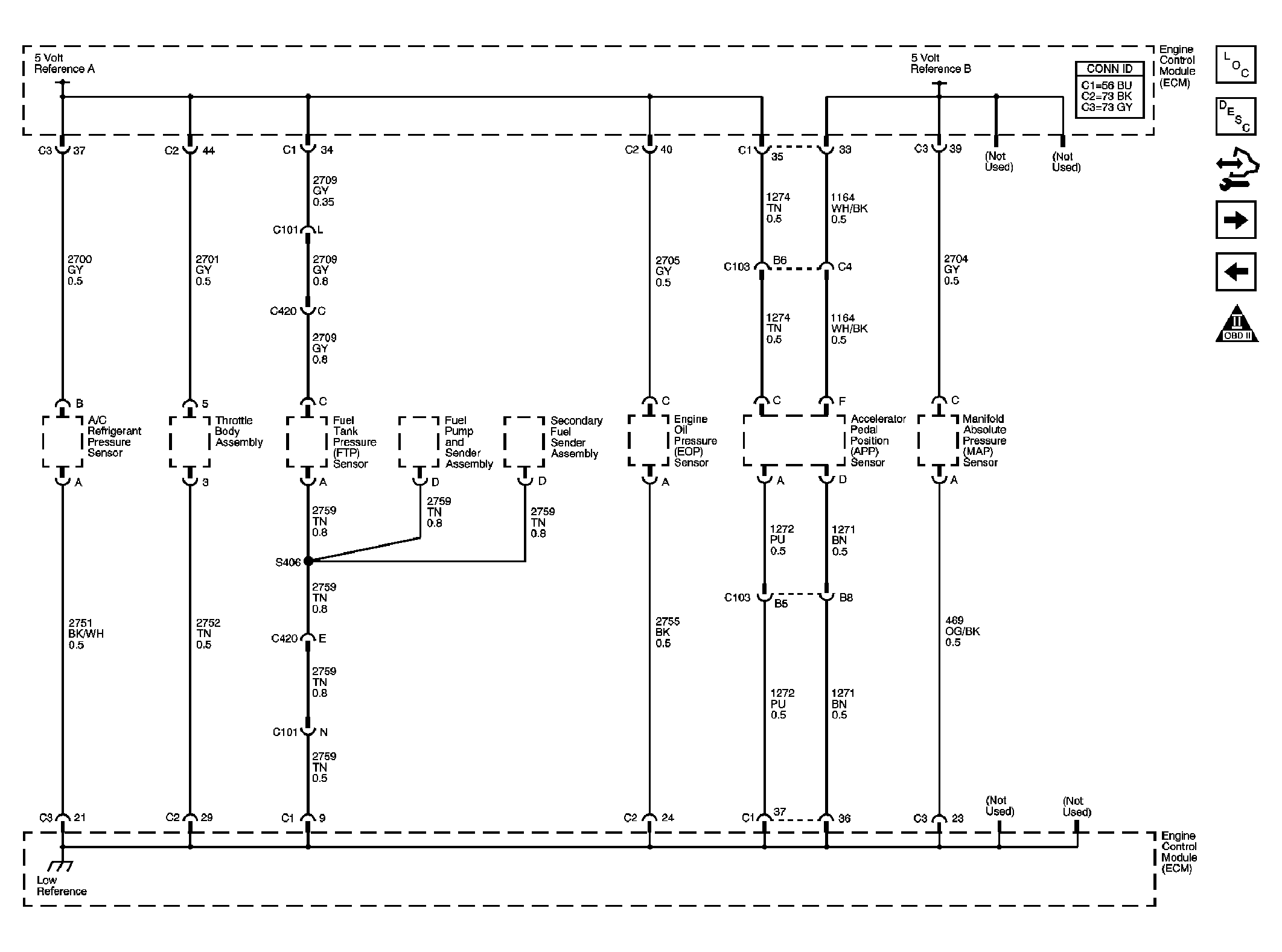
Fig 2: Engine Data Sensors - 5-Volt and Low Reference
GM1688960Courtesy of GENERAL MOTORS CORP.
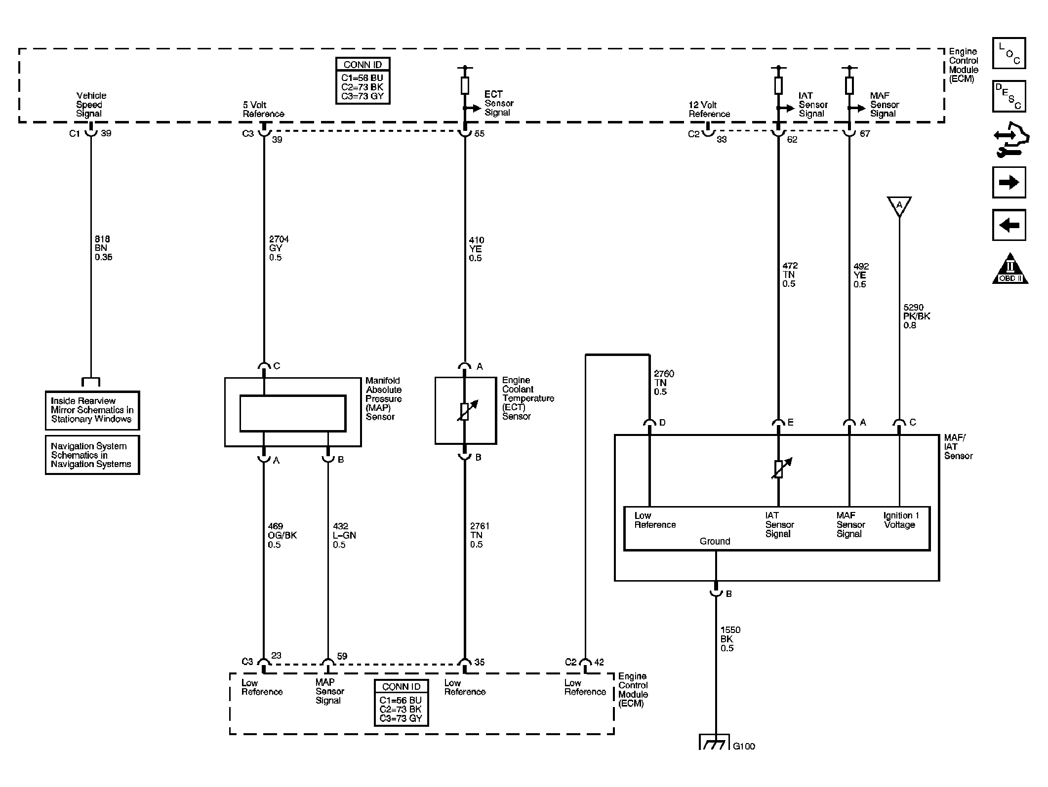
Fig 3: Engine Data Sensors - Pressure, Temperature, MAF, VSS
GM1688961Courtesy of GENERAL MOTORS CORP.
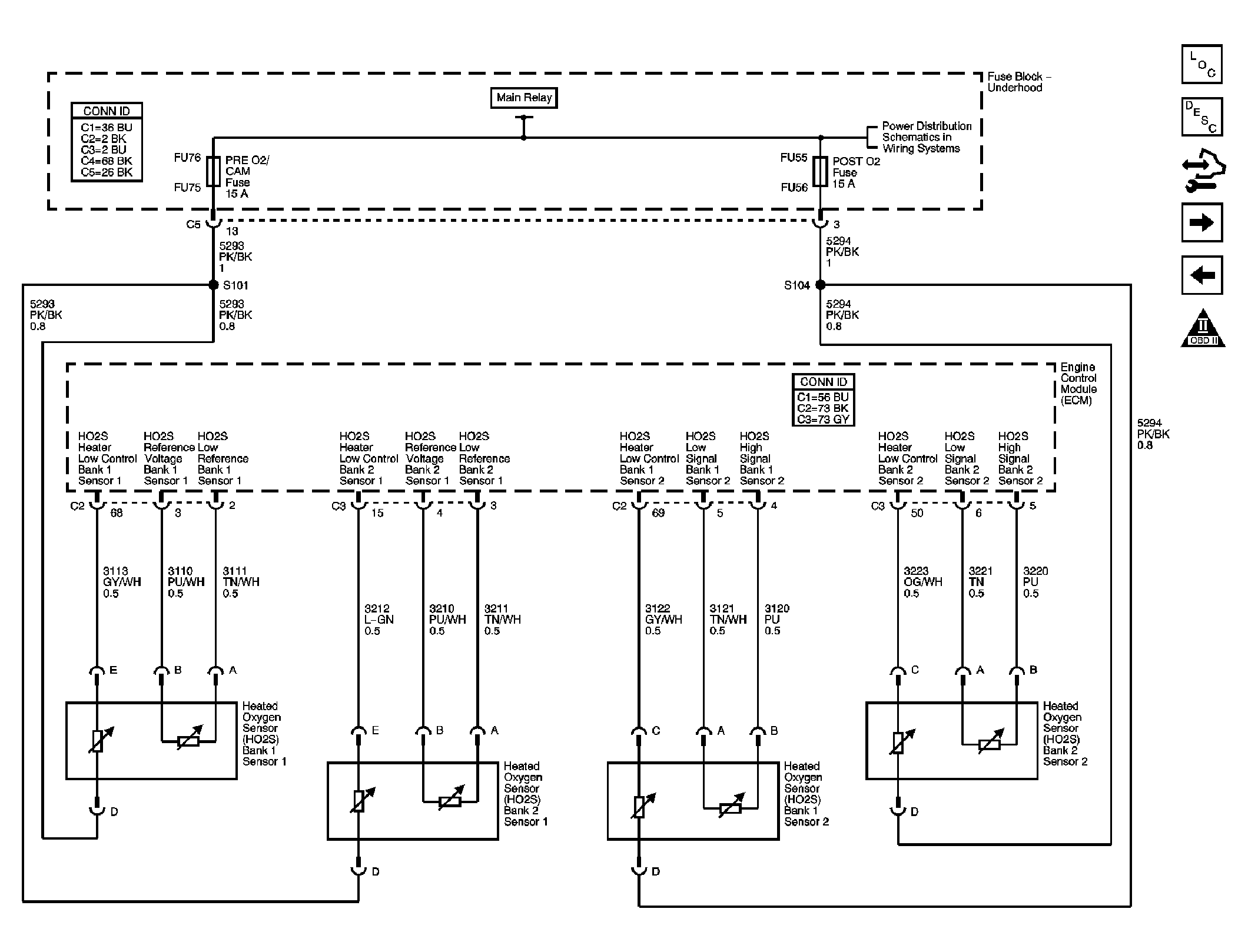
Fig 4: Engine Data Sensors - Oxygen Sensors
GM1688963Courtesy of GENERAL MOTORS CORP.
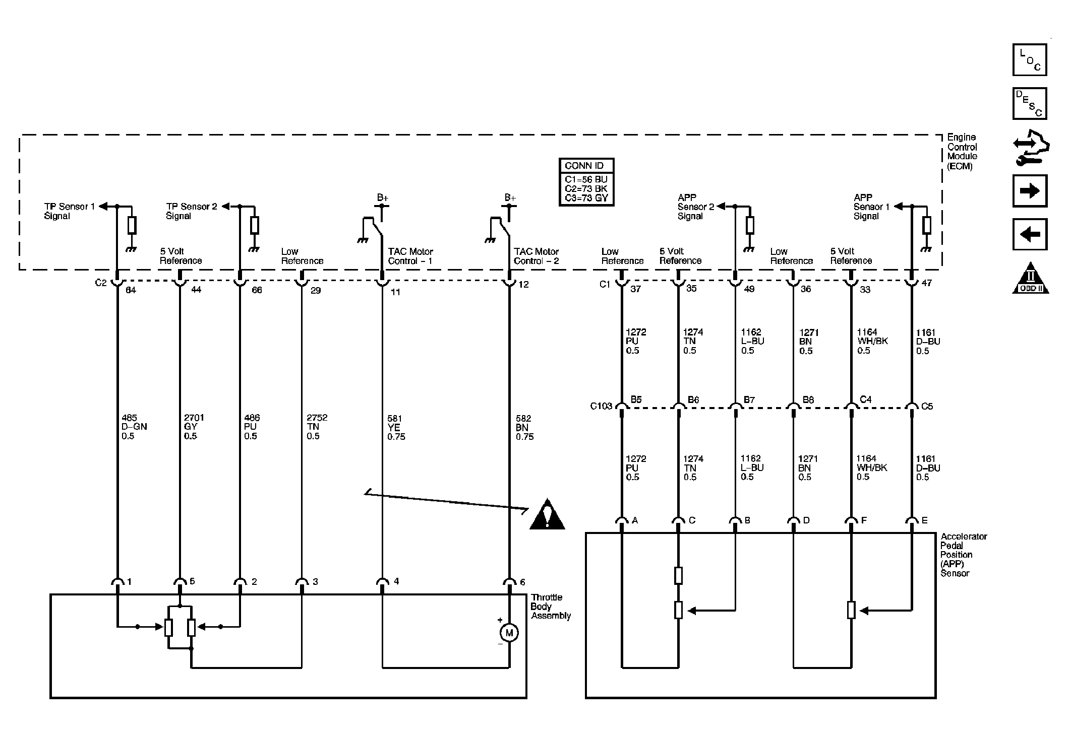
Fig 5: Engine Data Sensors - Electronic Throttle Controls
GM1689149Courtesy of GENERAL MOTORS CORP.
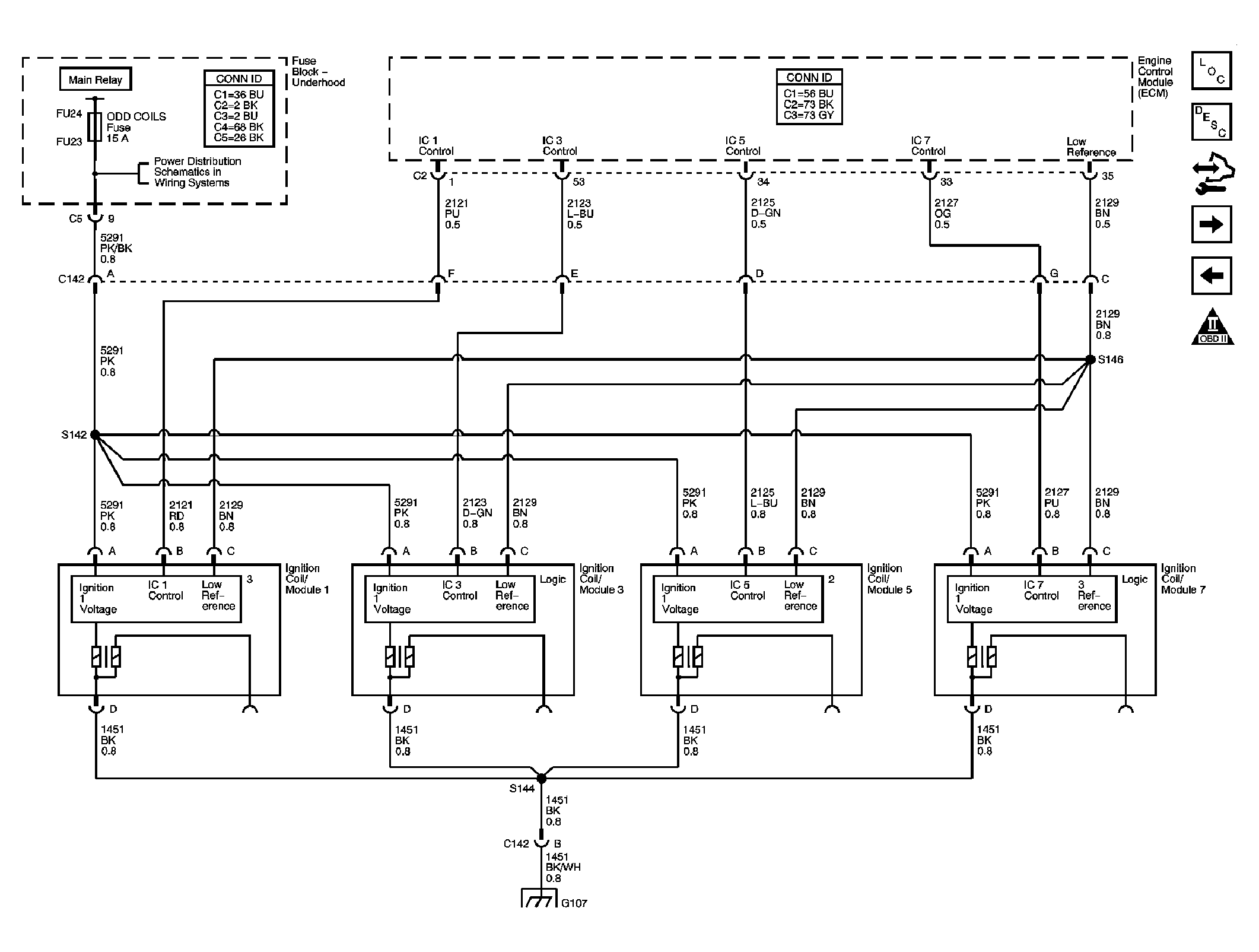
Fig 6: Ignition Controls - Ignition System Bank 1
GM1688964Courtesy of GENERAL MOTORS CORP.
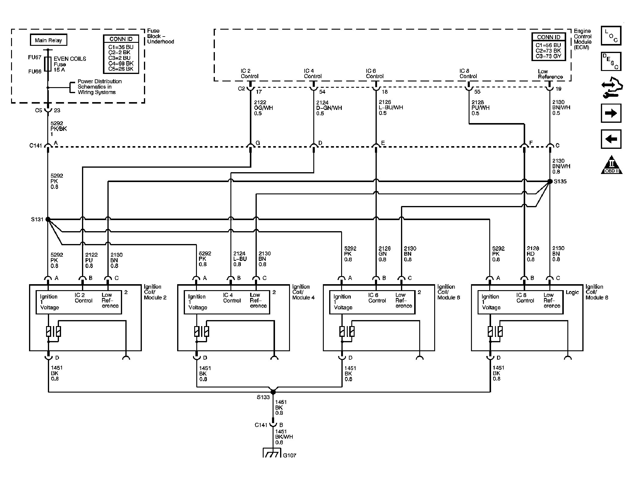
Fig 7: Ignition Controls - Ignition System Bank 2
GM1688965Courtesy of GENERAL MOTORS CORP.
Fig 8: Ignition Controls - CMP Sensors and Solenoids
GM1689151Courtesy of GENERAL MOTORS CORP.
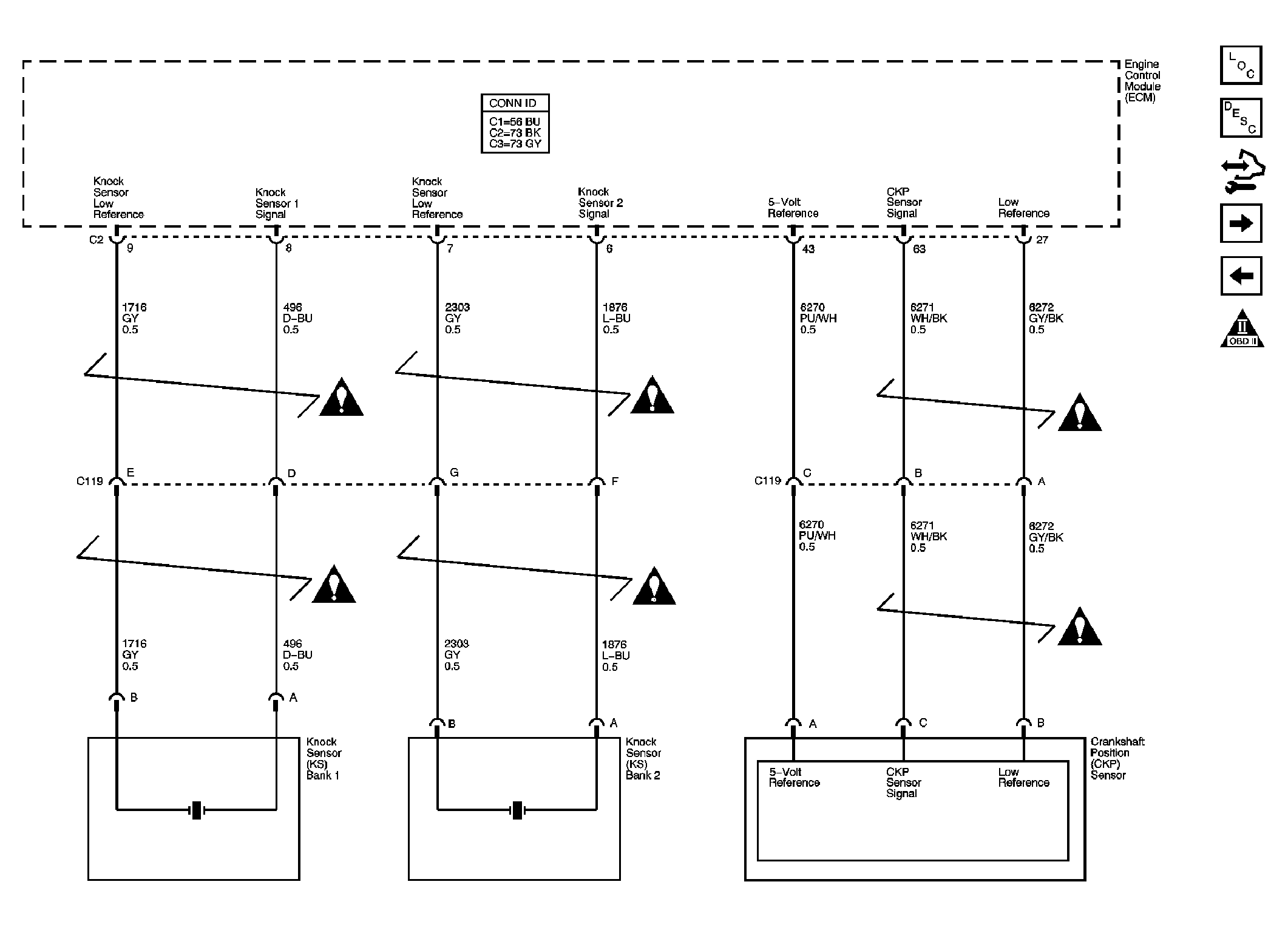
Fig 9: Crankshaft Position (CKP) Sensor and Knock Sensors
GM1689153Courtesy of GENERAL MOTORS CORP.
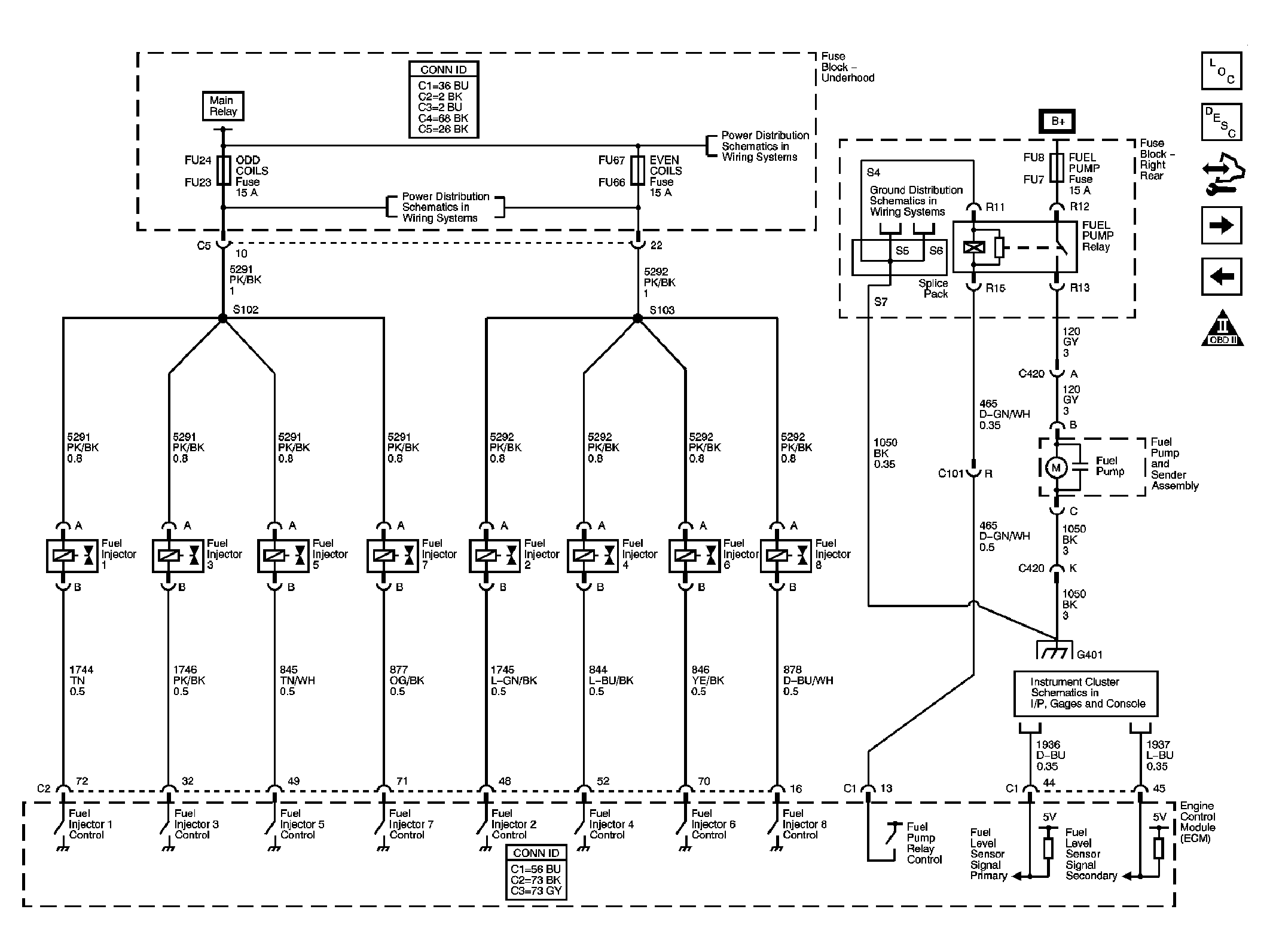
Fig 10: Fuel Controls - Injectors and Pump
GM1689155Courtesy of GENERAL MOTORS CORP.
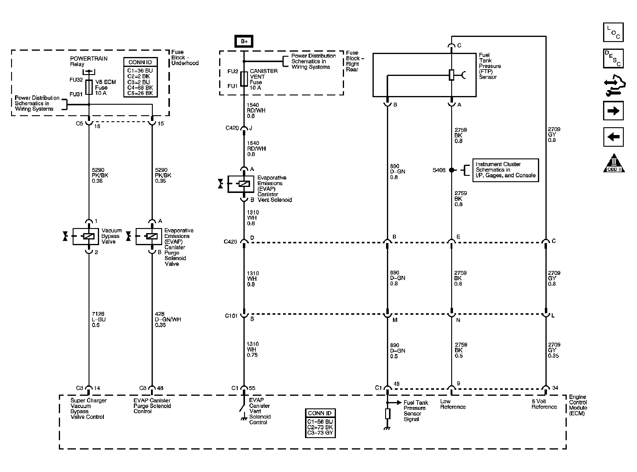
Fig 11: Fuel Controls - EVAP, Fuel Tank Pressure (FTP) Sensor, Vacuum Bypass Valve
GM1689156Courtesy of GENERAL MOTORS CORP.
Fig 12: Controlled/Monitored Subsystem References
GM1689158Courtesy of GENERAL MOTORS CORP.
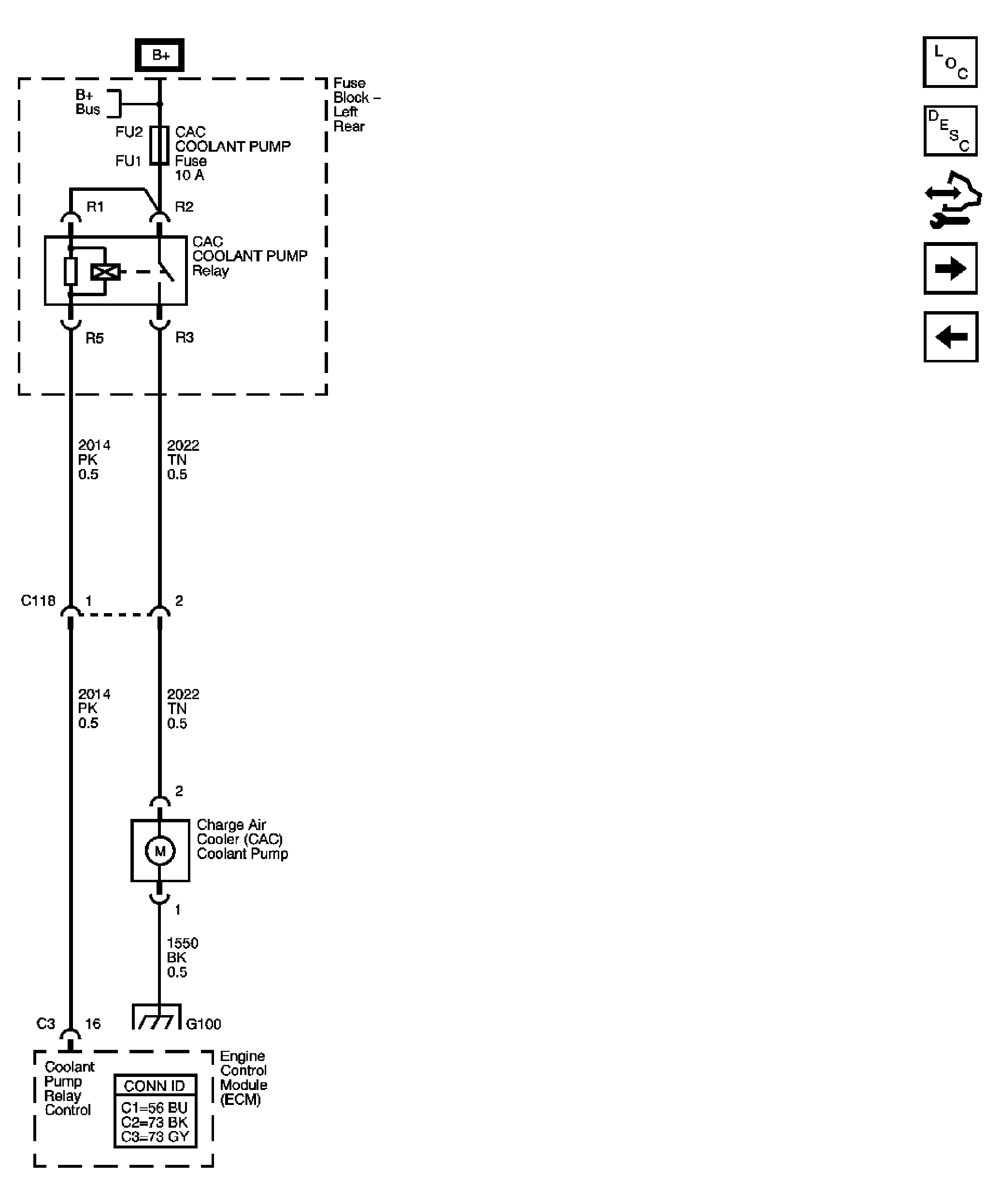
Fig 13: Charge Air Cooler (CAC) Coolant Pump
GM1689159Courtesy of GENERAL MOTORS CORP.
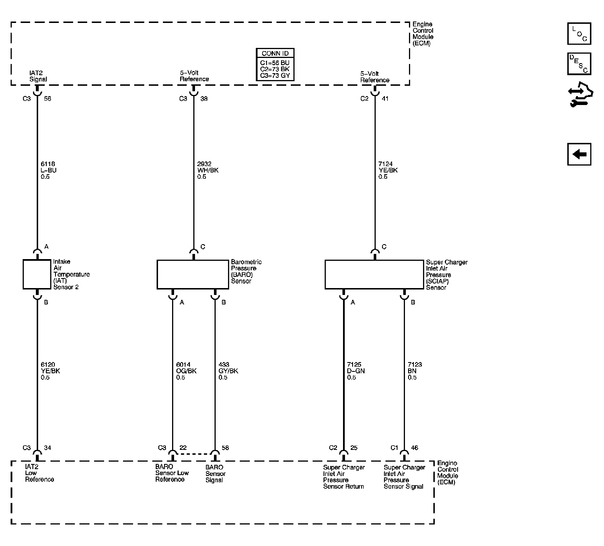
Fig 14: Engine Data Sensors - IAT 2, BARO, SCIAP
GM1689160Courtesy of GENERAL MOTORS CORP.