LEMON Manuals: Even more car manuals for everyone: 1960-2025
Home >> Cadillac >> 2006 >> STS V >> Repair and Diagnosis >> External Pages >> Different car >> Section 161 (Data Communication System) >> Schematic and Routing Diagrams >> Data Communication Schematics
April 5, 2026: LEMON Manuals is launched! Read the announcement.

Data Communication Schematics

WARNING: This page is about a different car, the 2007 Cadillac SRX. However, it is still accessible from the selected car via links, so may be relevant.
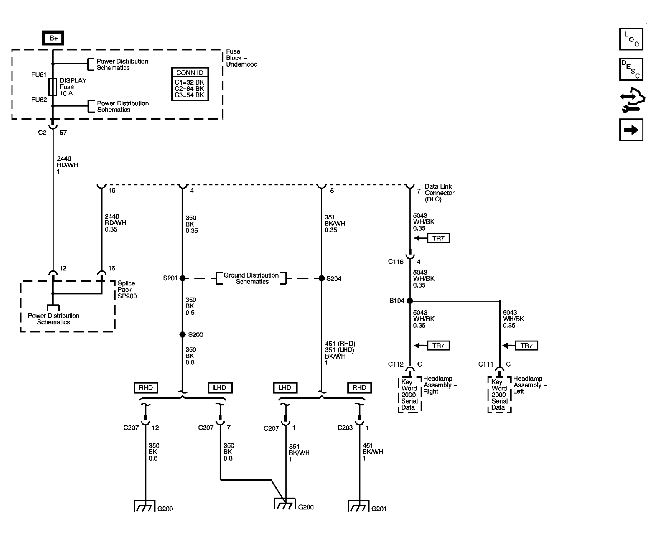
Fig 1: Power, Ground, And Key Word 2000 Serial Data Schematic
GM1750112Courtesy of GENERAL MOTORS CORP.
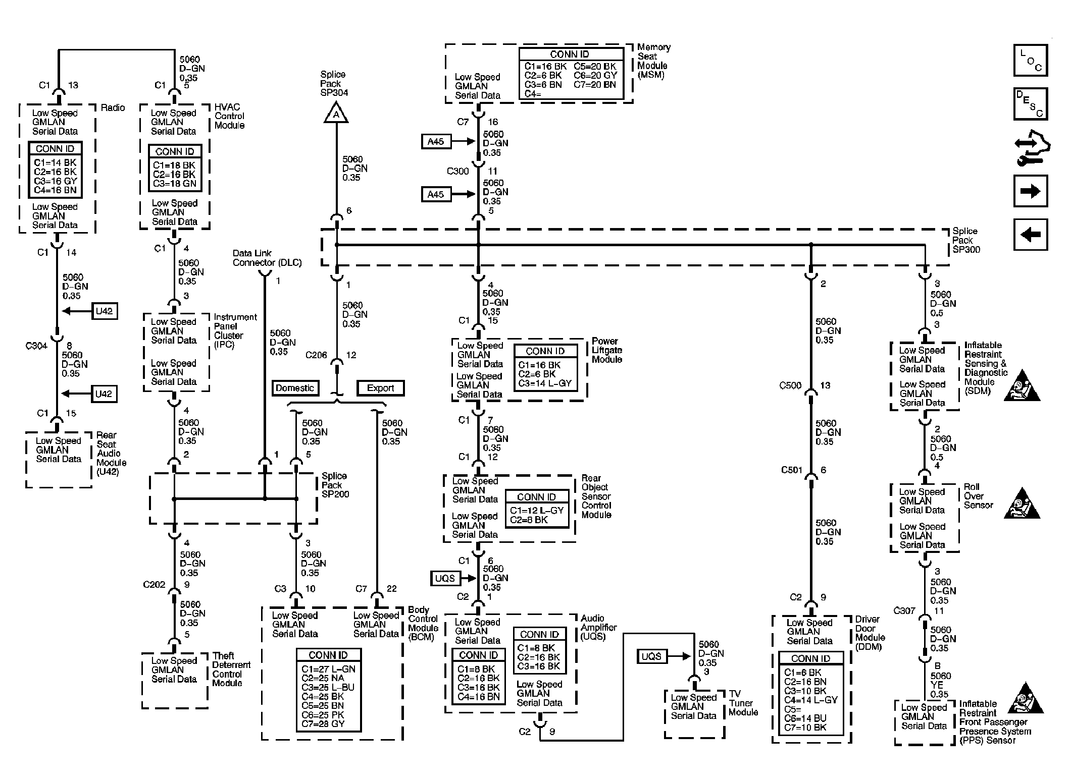
Fig 2: Low Speed GMLAN Serial Data (1 Of 2) Schematic
GM1750113Courtesy of GENERAL MOTORS CORP.
Fig 3: Low Speed GMLAN Serial Data (2 Of 2) Schematic
GM1750114Courtesy of GENERAL MOTORS CORP.
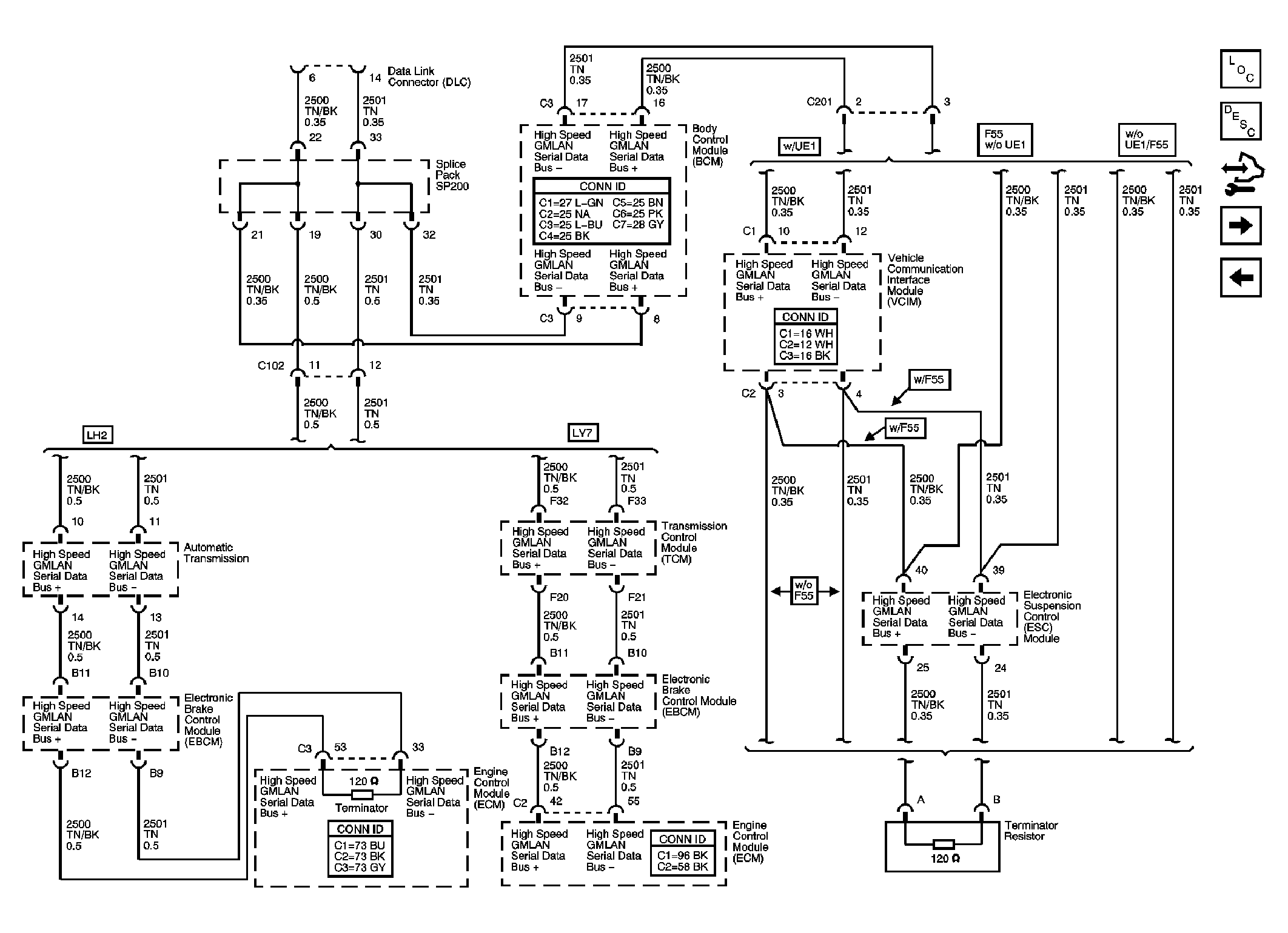
Fig 4: High Speed GMLAN Schematic
GM1826103Courtesy of GENERAL MOTORS CORP.
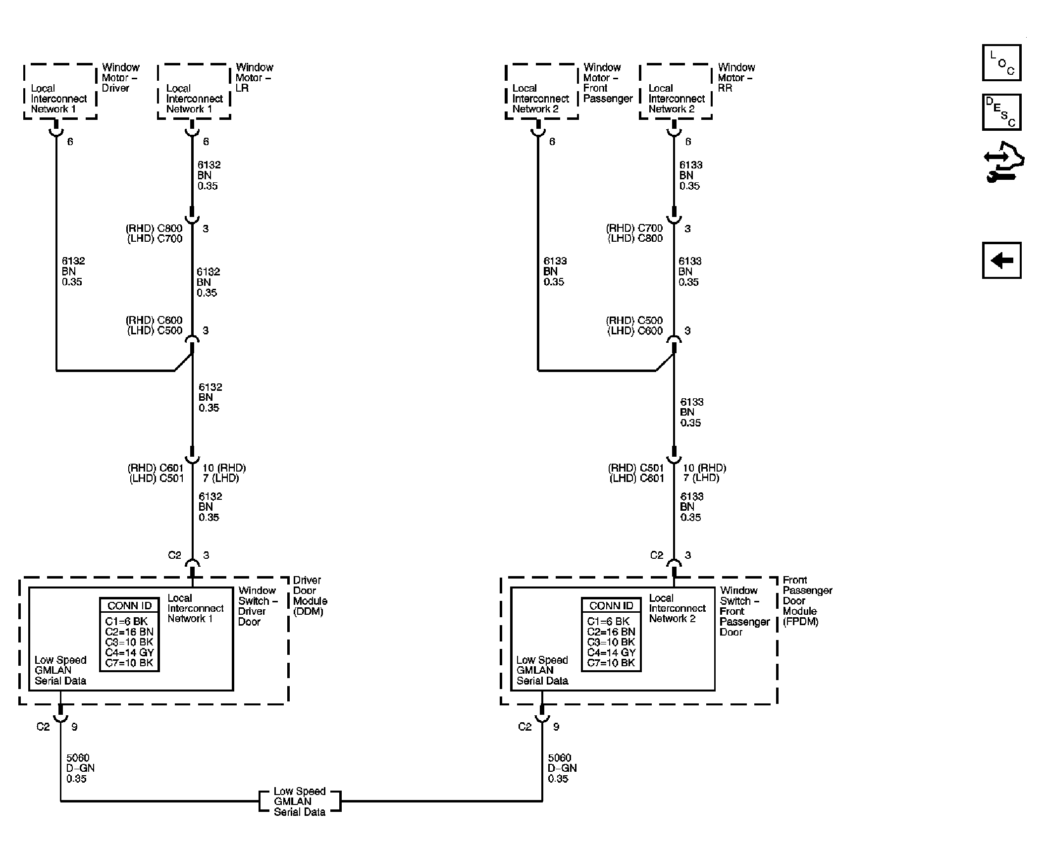
Fig 5: Local Interconnect Network (LIN) Schematic
GM1857392Courtesy of GENERAL MOTORS CORP.