LEMON Manuals: Even more car manuals for everyone: 1960-2025
Home >> Cadillac >> 2006 >> STS V >> Repair and Diagnosis >> External Pages >> Different car >> Section 555 (Keyless Entry System And Remote Functions) >> Schematic and Routing Diagrams >> Remote Function Schematics
April 5, 2026: LEMON Manuals is launched! Read the announcement.

Remote Function Schematics

WARNING: This page is about a different car, the 2010 Cadillac STS. However, it is still accessible from the selected car via links, so may be relevant.
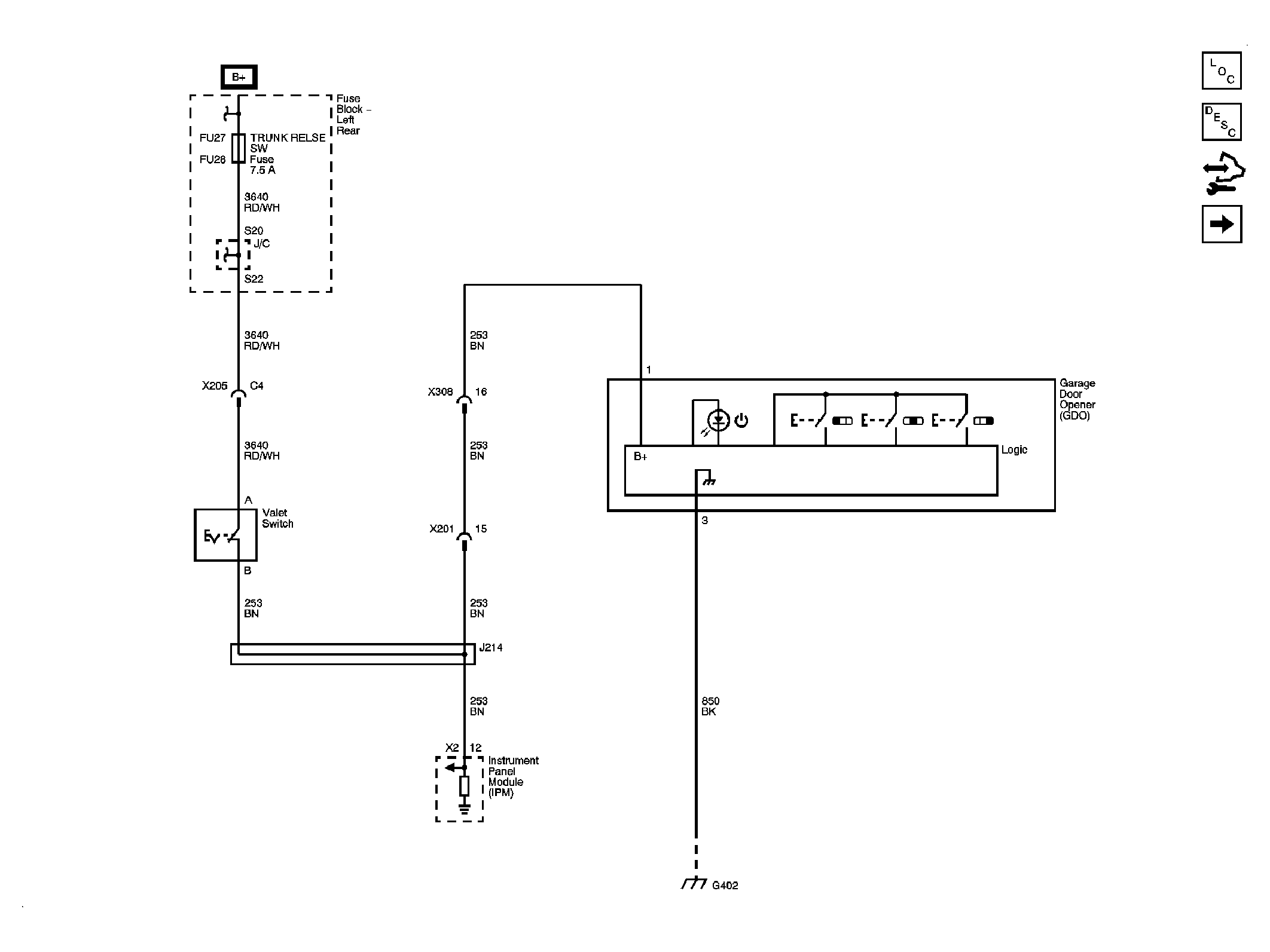
Fig 1: Garage Door Opener
GM2285202Courtesy of GENERAL MOTORS CORP.
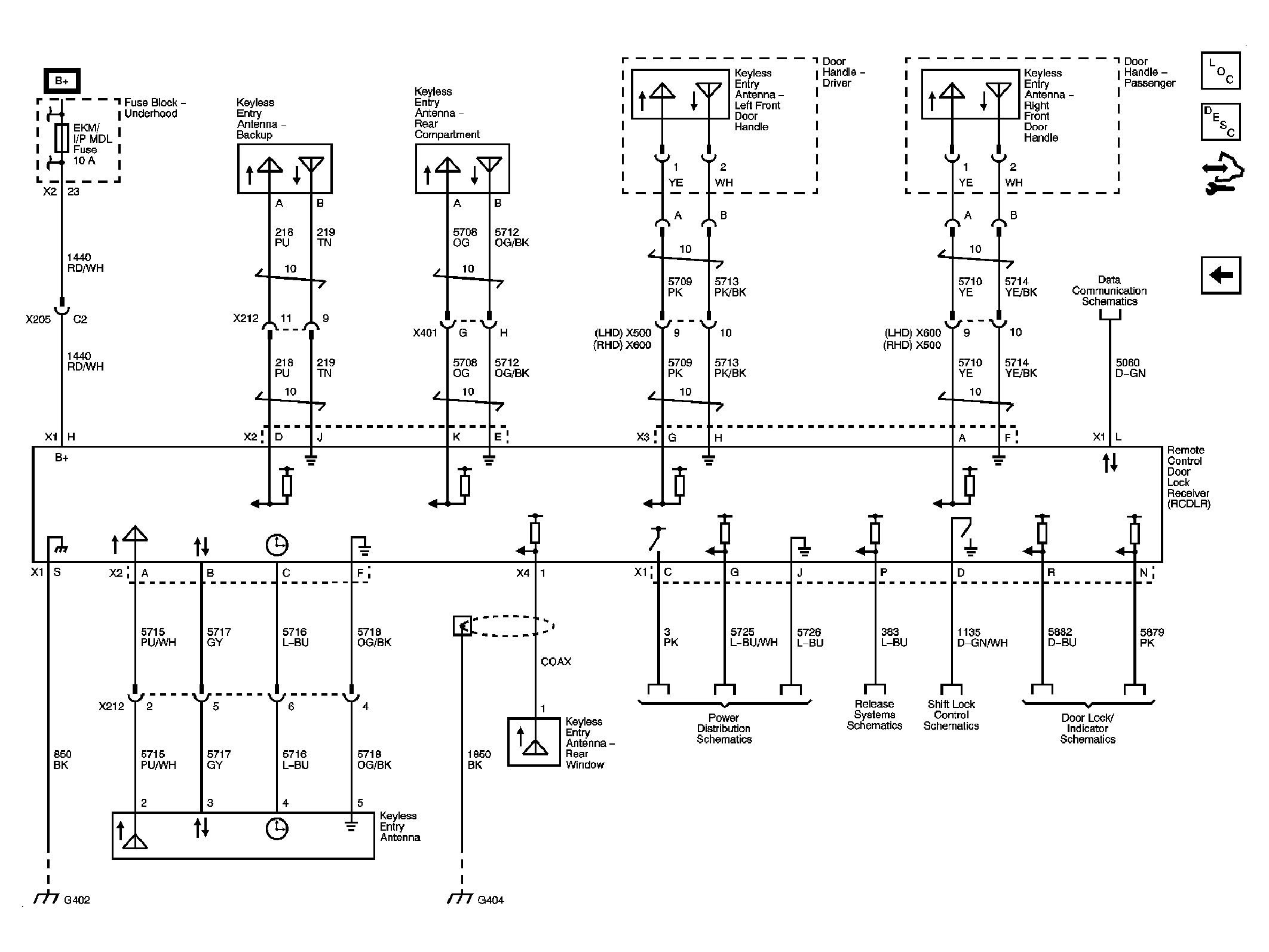
Fig 2: Keyless Entry
GM2285203Courtesy of GENERAL MOTORS CORP.