LEMON Manuals: Even more car manuals for everyone: 1960-2025
Home >> Cadillac >> 2006 >> XLR Base >> Repair and Diagnosis >> Accessories & Equipment >> Collision/Avoidance >> Object Detection System >> Schematic and Routing Diagrams >> Object Detection Schematics
April 5, 2026: LEMON Manuals is launched! Read the announcement.

Object Detection Schematics

Fig 1: DLC, Ground, Power, and Non-Sensor Signals
GM1480912Courtesy of GENERAL MOTORS CORP.
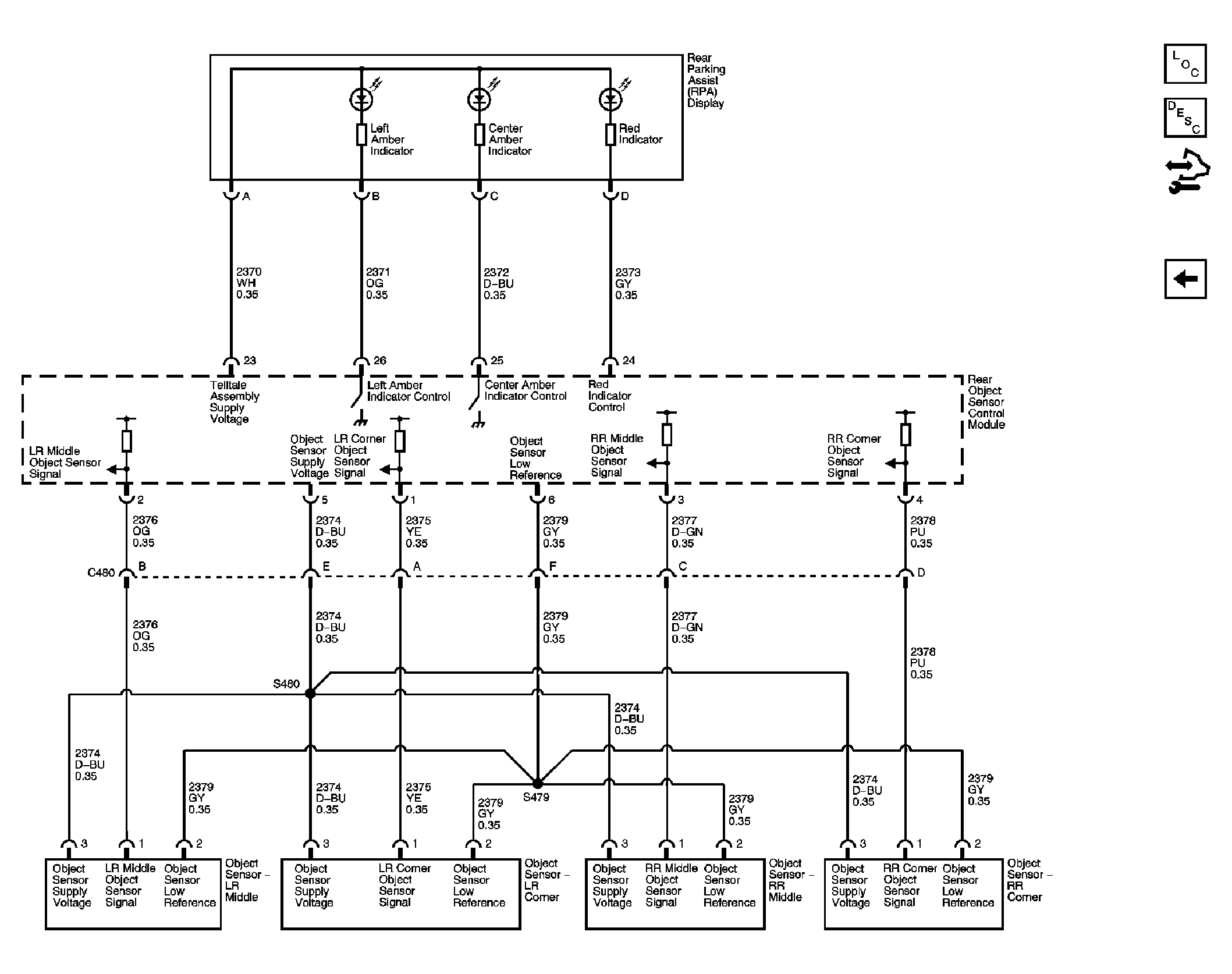
Fig 2: Display and Sensors
GM1480914Courtesy of GENERAL MOTORS CORP.