LEMON Manuals: Even more car manuals for everyone: 1960-2025
Home >> Cadillac >> 2006 >> XLR Base >> Repair and Diagnosis >> External Pages >> Different car >> Section 3 (Body Control System) >> Schematic and Routing Diagrams >> Body Control System Schematics
April 5, 2026: LEMON Manuals is launched! Read the announcement.

Body Control System Schematics

WARNING: This page is about a different car, the 2004 Cadillac SRX. However, it is still accessible from the selected car via links, so may be relevant.
Fig 1: DIM Power, Ground, & Serial Data Schematic
GM1202687Courtesy of GENERAL MOTORS CORP.
Fig 2: DIM Inputs & Outputs Schematic - 1 Of 2
GM1202692Courtesy of GENERAL MOTORS CORP.
Fig 3: DIM Inputs & Outputs Schematic - 2 Of 2
GM1202693Courtesy of GENERAL MOTORS CORP.
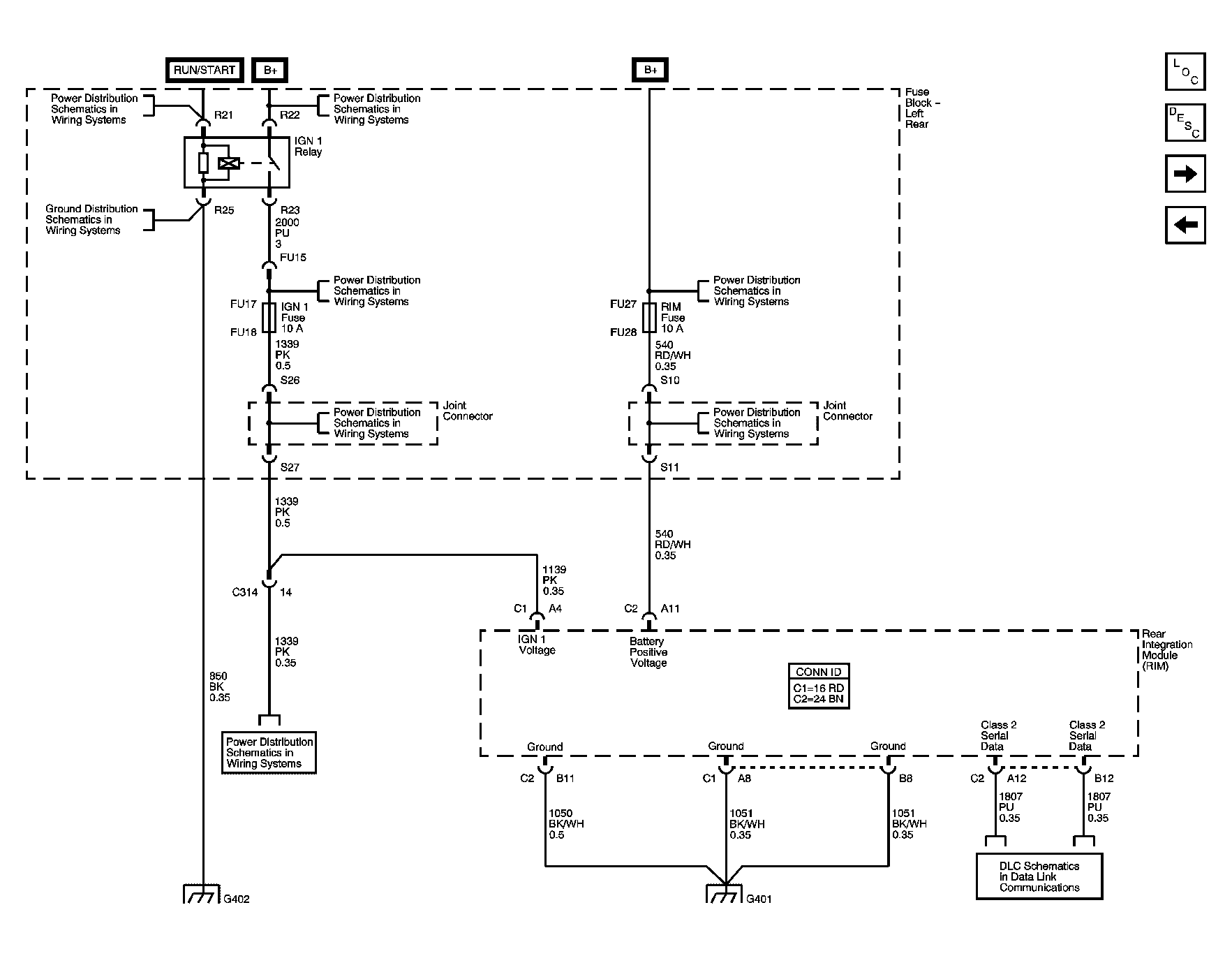
Fig 4: RIM Power, Ground, & Serial Data Schematic
GM1202694Courtesy of GENERAL MOTORS CORP.
Fig 5: RIM Inputs & Outputs Schematic
GM1202695Courtesy of GENERAL MOTORS CORP.