LEMON Manuals: Even more car manuals for everyone: 1960-2025
Home >> Cadillac >> 2006 >> XLR Base >> Repair and Diagnosis >> External Pages >> Different car >> Section 32 (Navigation Systems) >> Schematic and Routing Diagrams >> Navigation System Schematics
April 5, 2026: LEMON Manuals is launched! Read the announcement.

Navigation System Schematics

WARNING: This page is about a different car, the 2004 Cadillac SRX. However, it is still accessible from the selected car via links, so may be relevant.
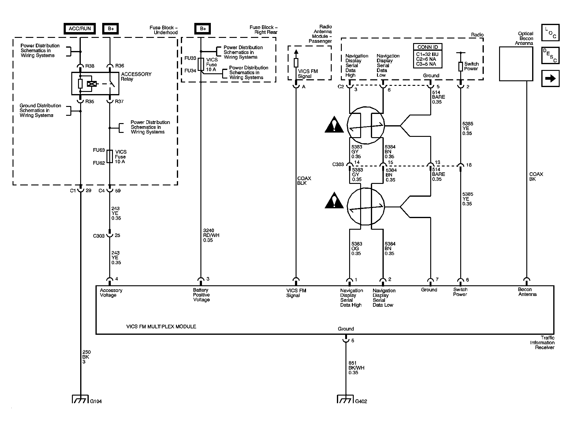
Fig 1: Traffic Information Receiver (U2X)
GM1242233Courtesy of GENERAL MOTORS CORP.
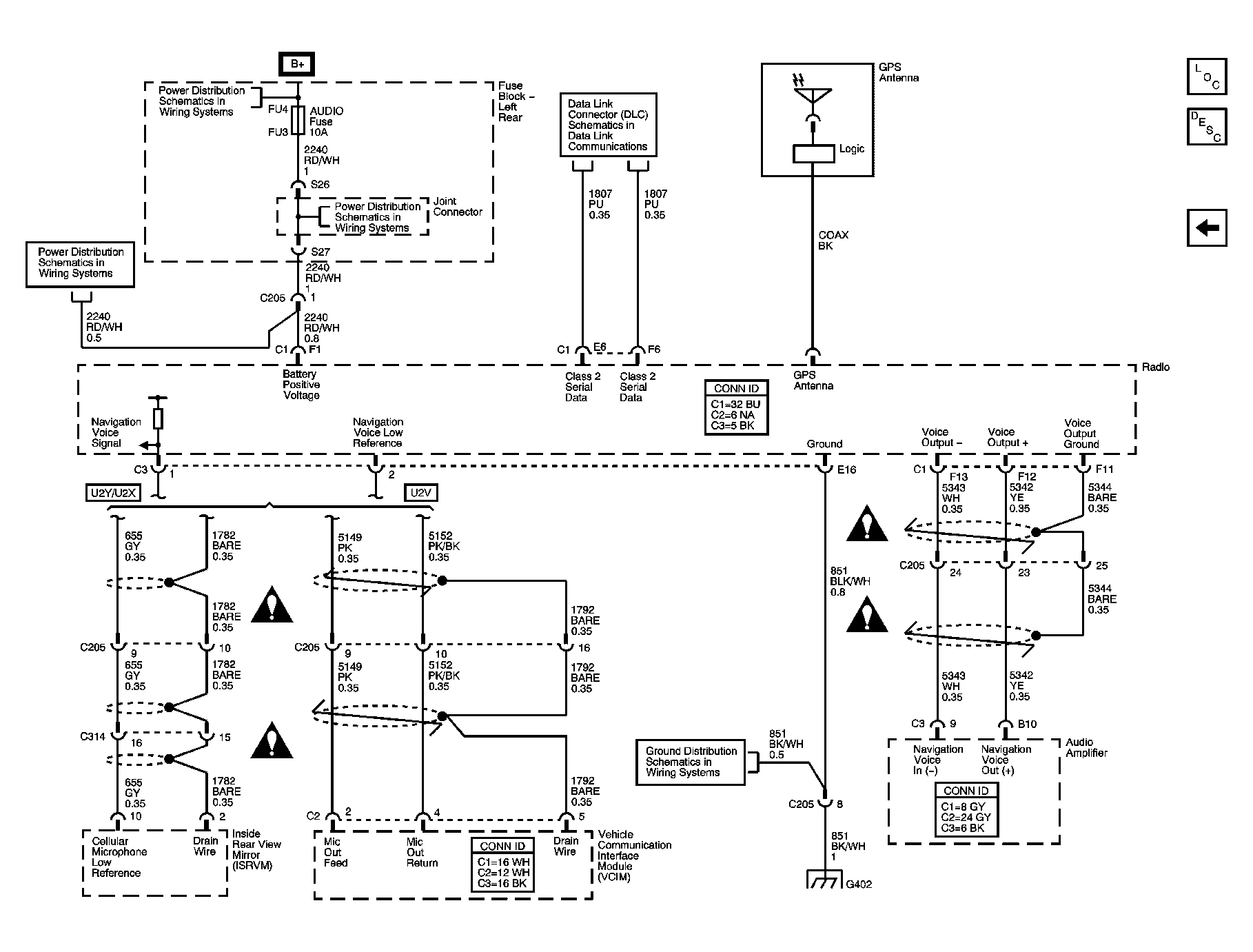
Fig 2: Navigation Controls (U2V/U2X/U2Y)
GM1242237Courtesy of GENERAL MOTORS CORP.