LEMON Manuals: Even more car manuals for everyone: 1960-2025
Home >> Cadillac >> 2007 >> CTS Base, 2.8 T, Standard >> Repair and Diagnosis >> External Pages >> Different car >> Section 747 (Cellular System, Entertainment System, And Navigation System) >> Schematic Wiring Diagrams >> Radio/Navigation System Wiring Schematics >> Antenna Signals
April 5, 2026: LEMON Manuals is launched! Read the announcement.

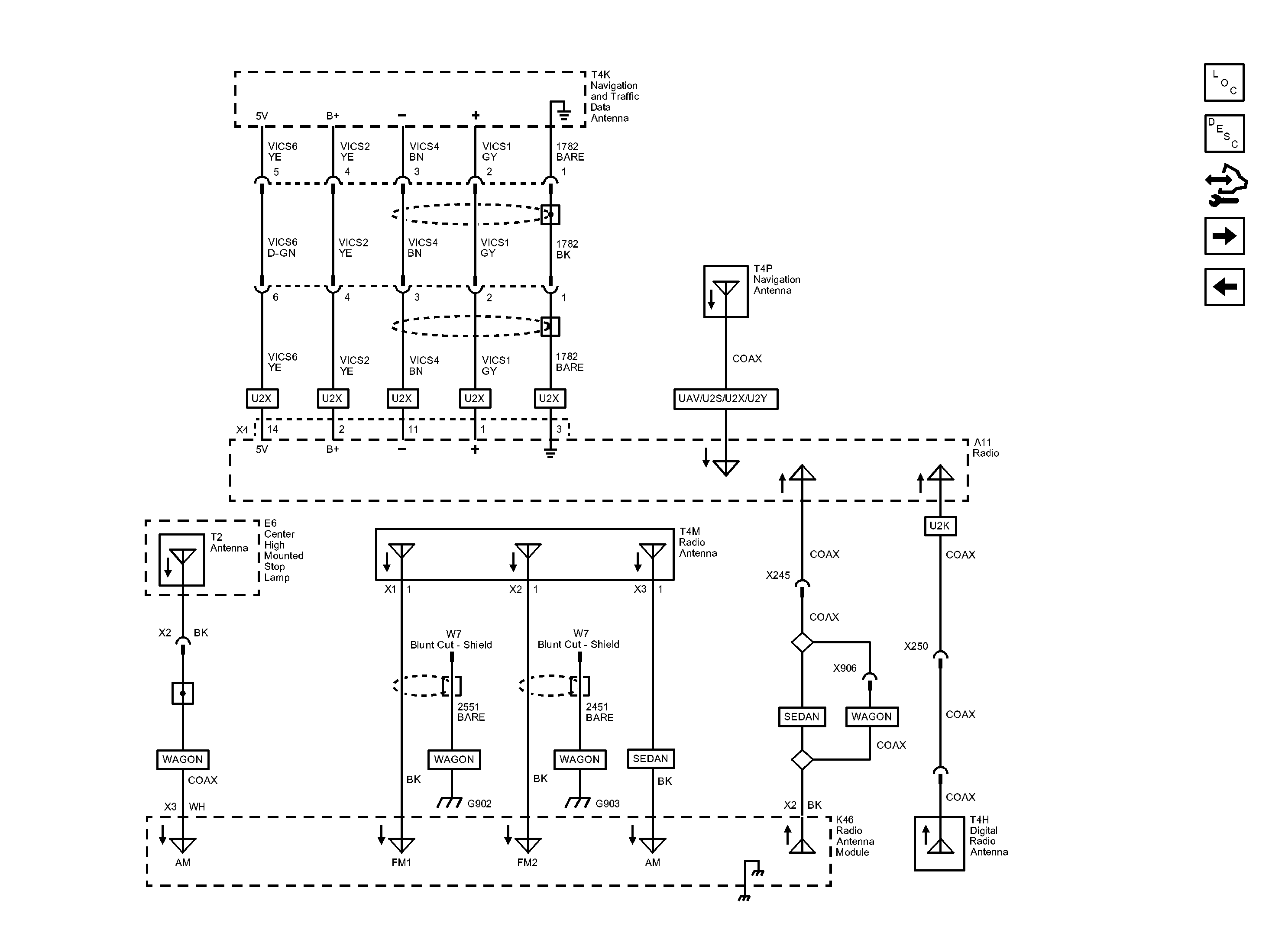
Antenna Signals

WARNING: This page is about a different car, the 2013 Cadillac CTS. However, it is still accessible from the selected car via links, so may be relevant.
Fig 1: Antenna Signals Wiring Schematic
GM2779015Courtesy of GENERAL MOTORS COMPANY