LEMON Manuals: Even more car manuals for everyone: 1960-2025
Home >> Cadillac >> 2007 >> CTS Base, 3.6 7, Automatic >> Repair and Diagnosis >> External Pages >> Different car >> Section 129 (Engine Control System & Fuel System - 4.6L - Introduction (2 Of 2)) >> Schematic and Routing Diagrams >> Engine Controls Schematics
April 5, 2026: LEMON Manuals is launched! Read the announcement.

Engine Controls Schematics

WARNING: This page is about a different car, the 2007 Cadillac SRX. However, it is still accessible from the selected car via links, so may be relevant.
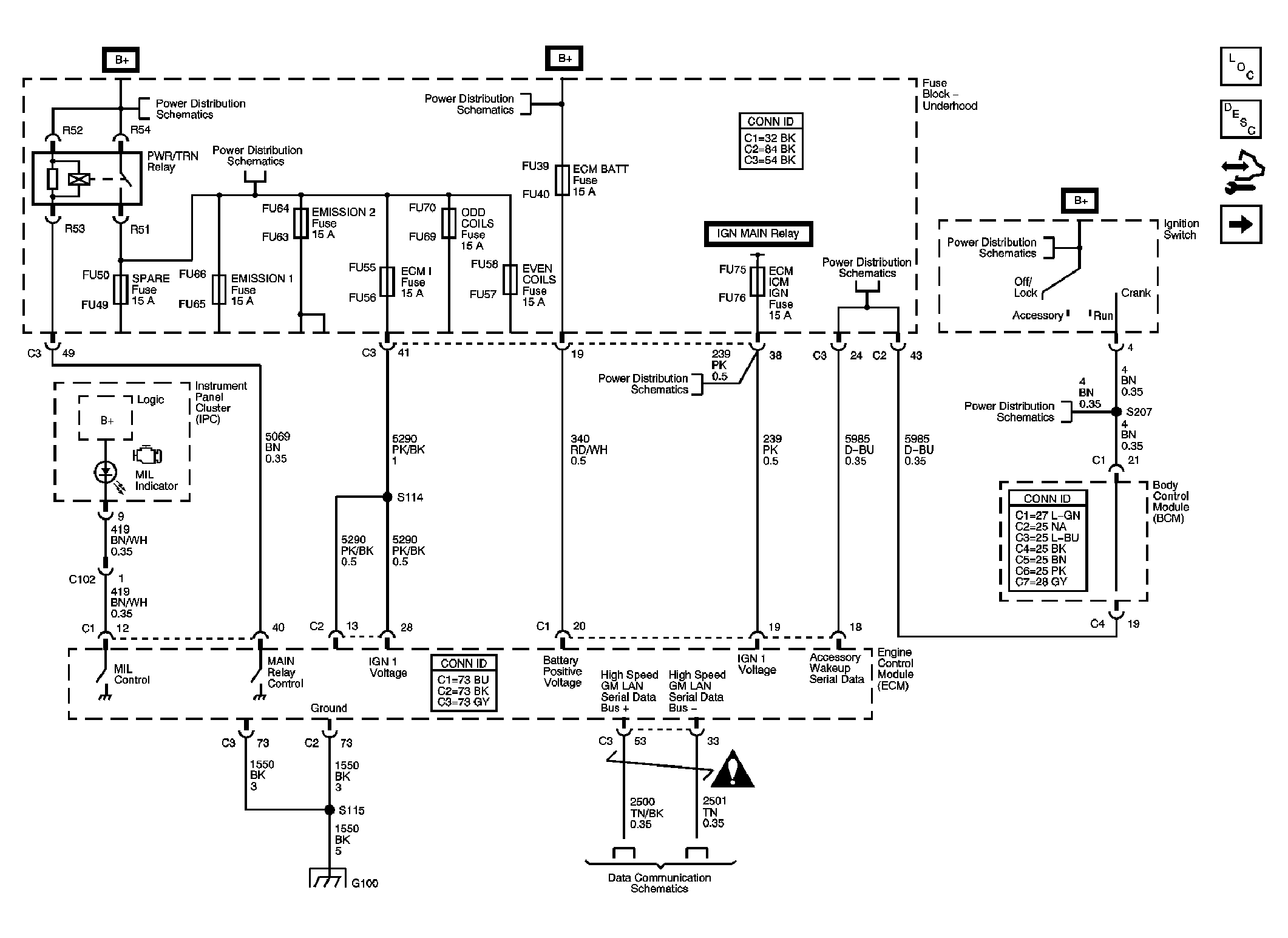
Fig 1: Power, Ground, Serial Data & MIL
GM1749337Courtesy of GENERAL MOTORS CORP.
Fig 2: Engine Data Sensors - 5-Volt & Low References
GM1749338Courtesy of GENERAL MOTORS CORP.
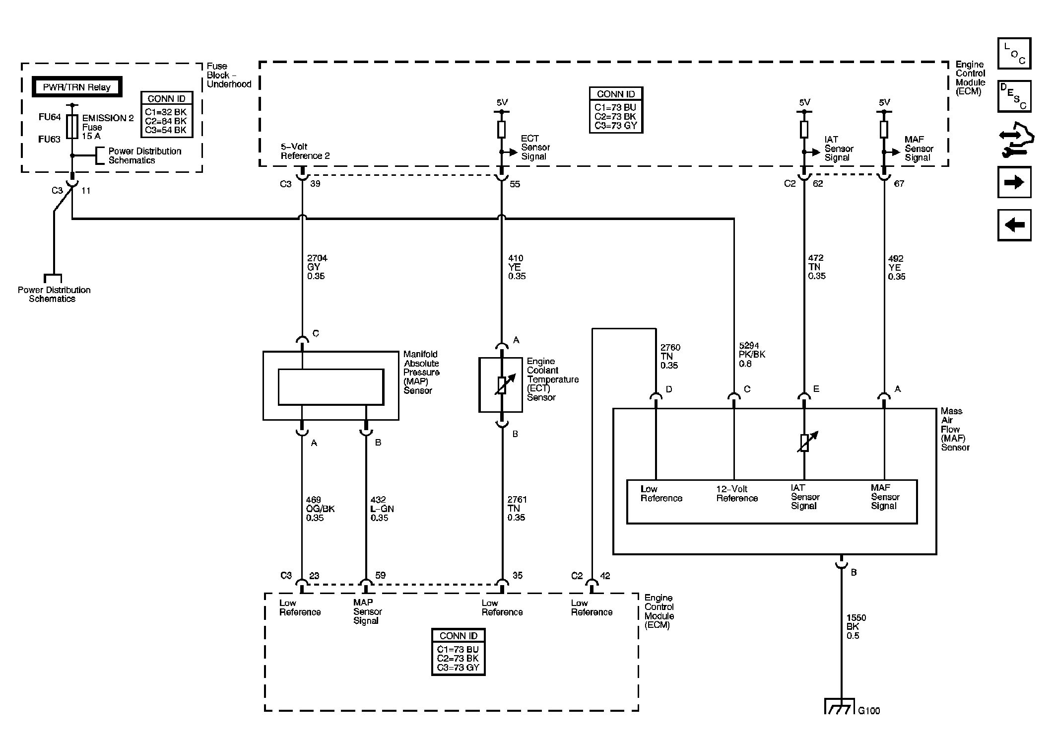
Fig 3: Engine Data Sensors - MAF, MAP & ECT Sensor
GM1749340Courtesy of GENERAL MOTORS CORP.
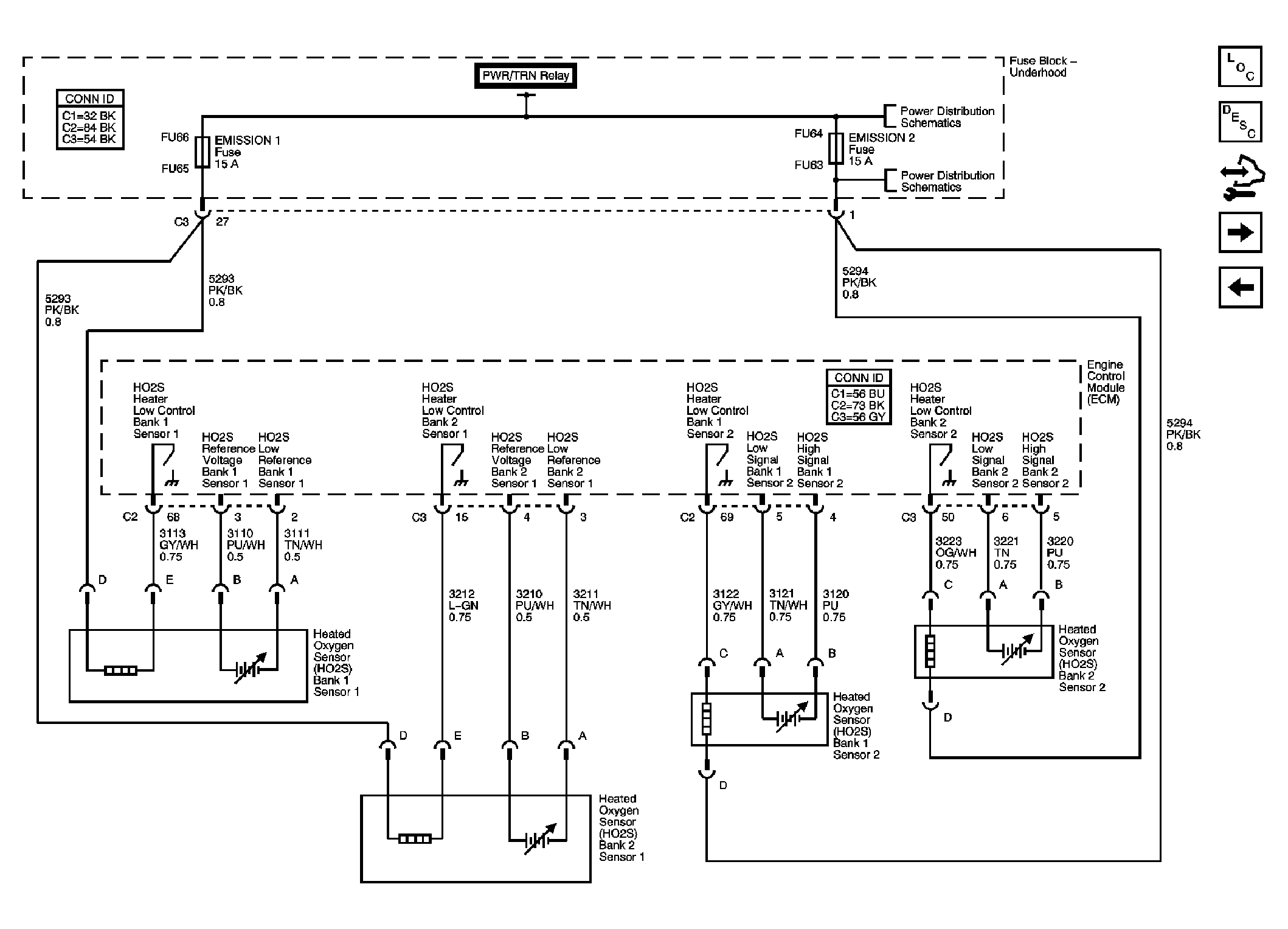
Fig 4: Engine Data Sensors - Oxygen Sensors
GM1749341Courtesy of GENERAL MOTORS CORP.
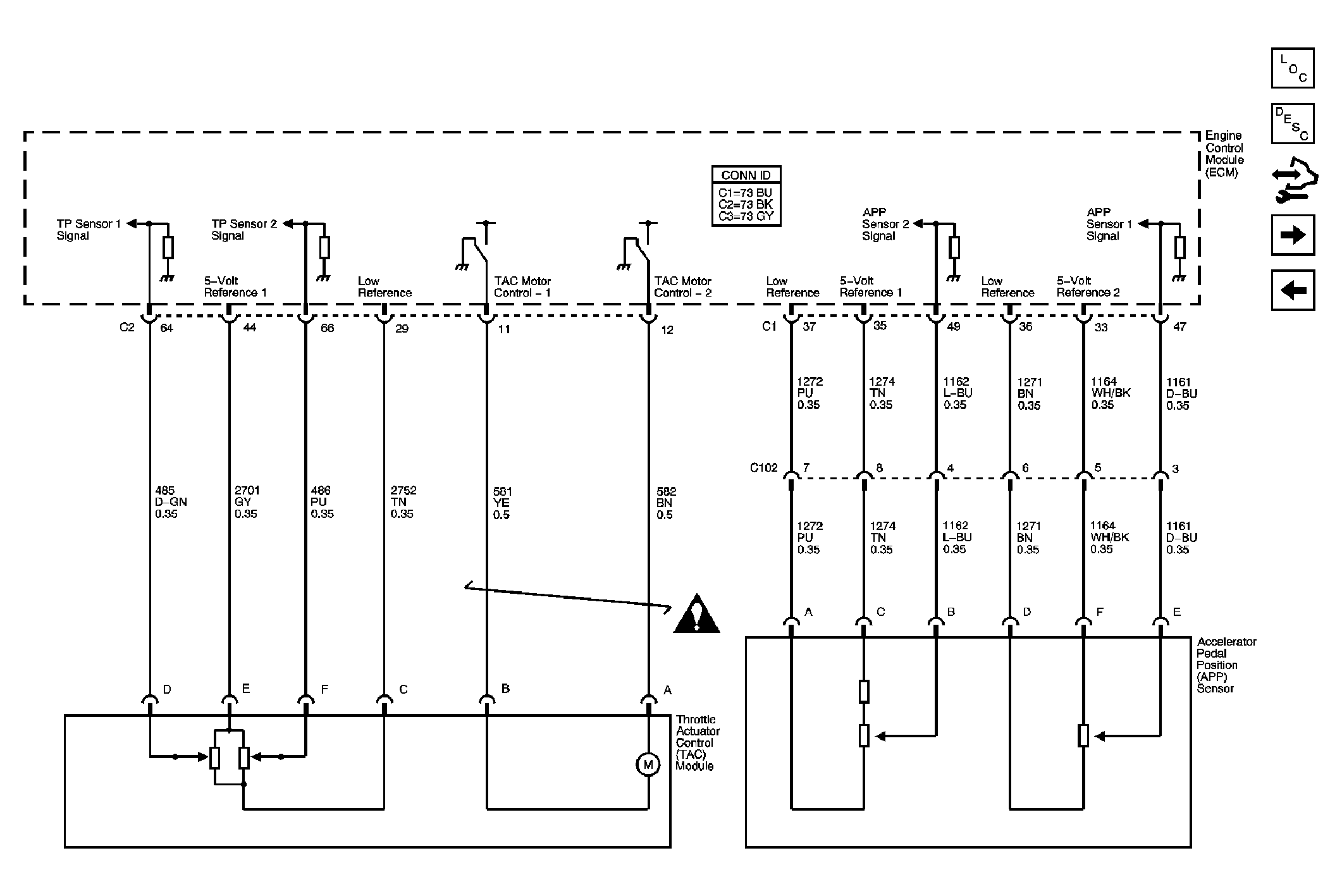
Fig 5: Engine Data Sensors - Electronic Throttle Controls
GM1749342Courtesy of GENERAL MOTORS CORP.
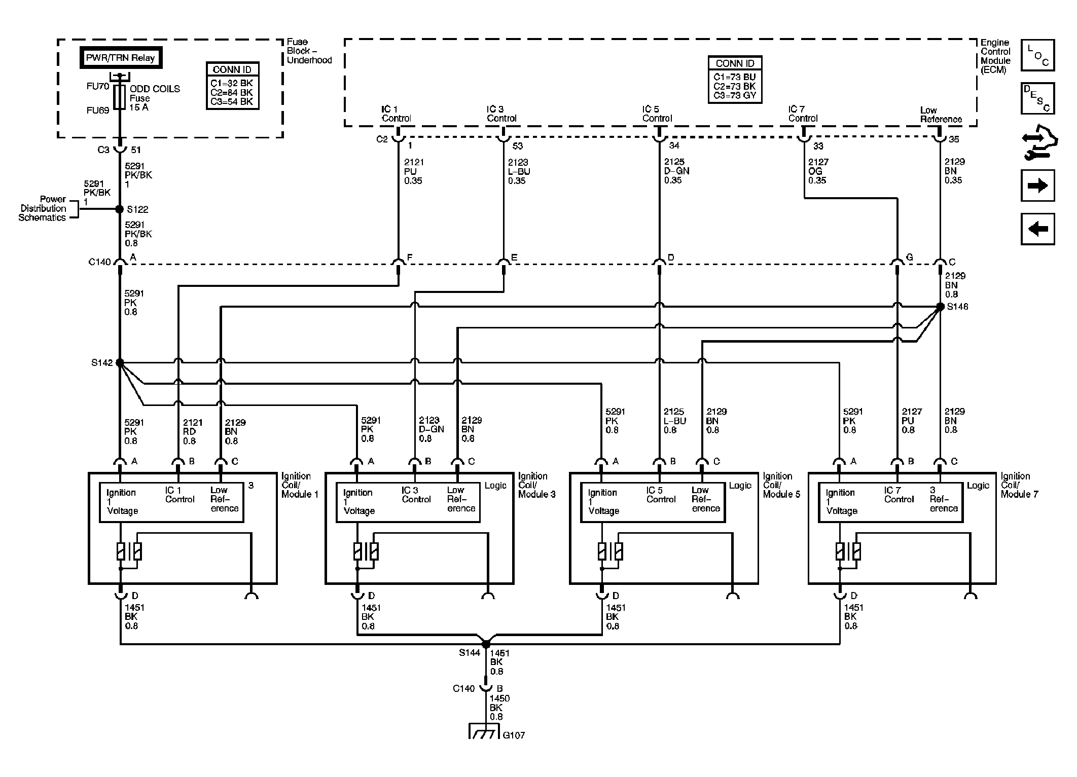
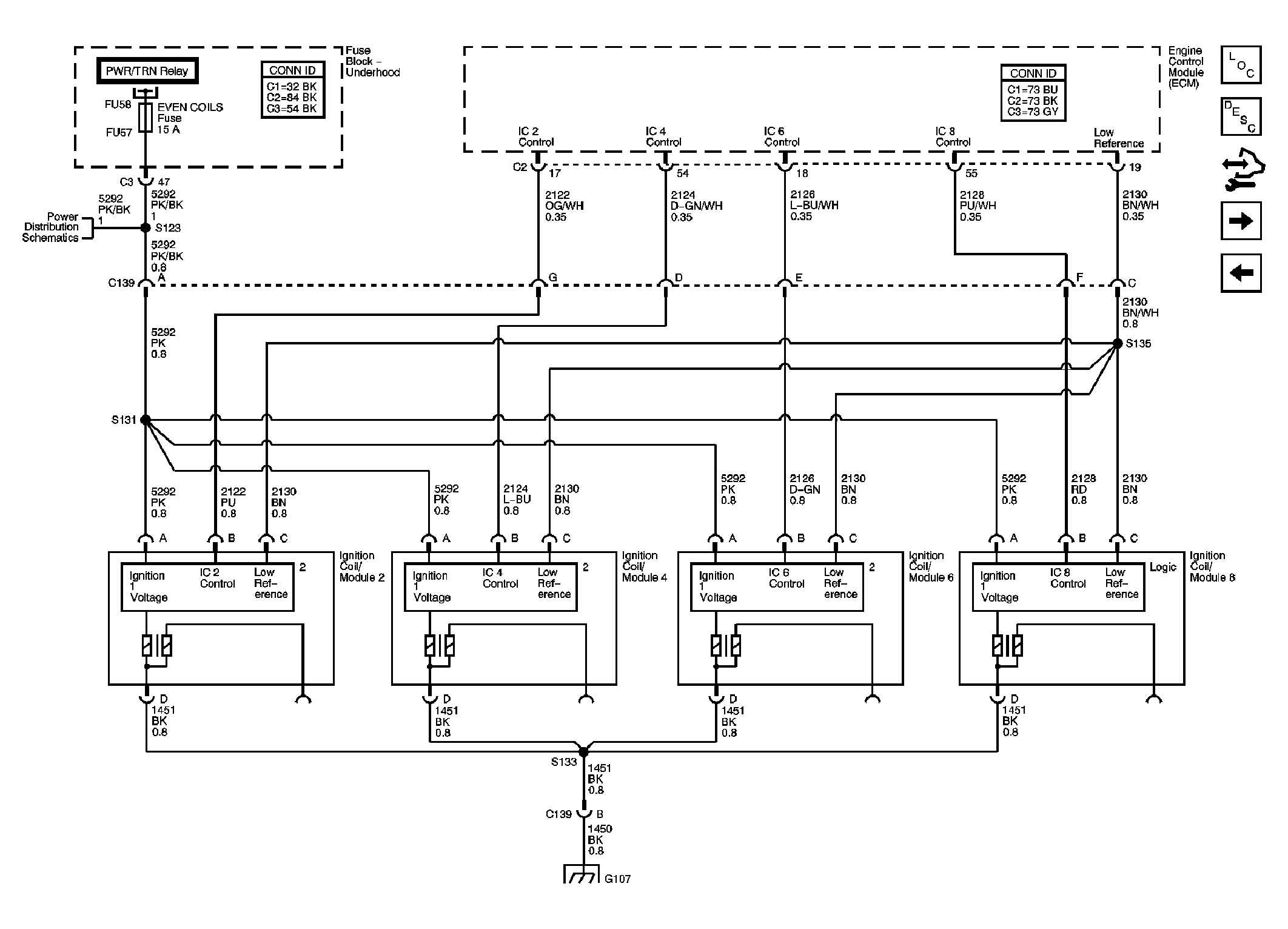
Fig 6: Ignition Controls - Bank 1 Ignition Coils
GM1749343Courtesy of GENERAL MOTORS CORP.
Fig 7: Ignition Controls - Bank 2 Ignition Coils
GM1749344Courtesy of GENERAL MOTORS CORP.
Fig 8: Ignition Controls - CMP Sensors & Solenoids
GM1749345Courtesy of GENERAL MOTORS CORP.
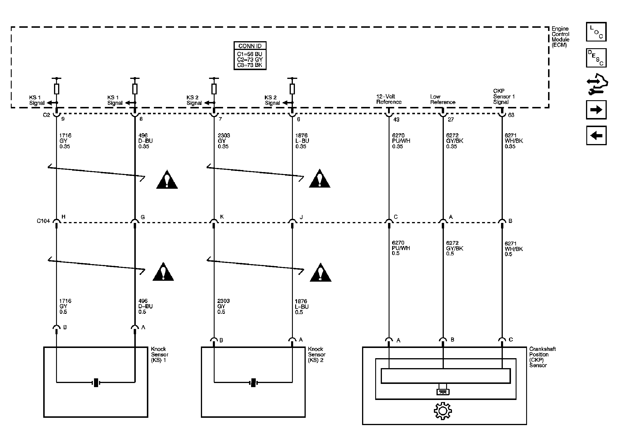
Fig 9: Ignition Controls - CKP & Knock Sensors
GM1749346Courtesy of GENERAL MOTORS CORP.
Fig 10: Fuel Controls - Fuel Pump & Injectors
GM1749347Courtesy of GENERAL MOTORS CORP.
Fig 11: Fuel Controls - EVAP Controls
GM1749348Courtesy of GENERAL MOTORS CORP.
Fig 12: Controlled/Monitored Subsystem References
GM1749349Courtesy of GENERAL MOTORS CORP.