LEMON Manuals: Even more car manuals for everyone: 1960-2025
Home >> Cadillac >> 2007 >> CTS V >> Repair and Diagnosis (Single Page) >> Steering >> Electronic Steering >> Variable Effort Steering System >> Component Locator >> Steering Assist Component Views
April 5, 2026: LEMON Manuals is launched! Read the announcement.

Steering Assist Component Views

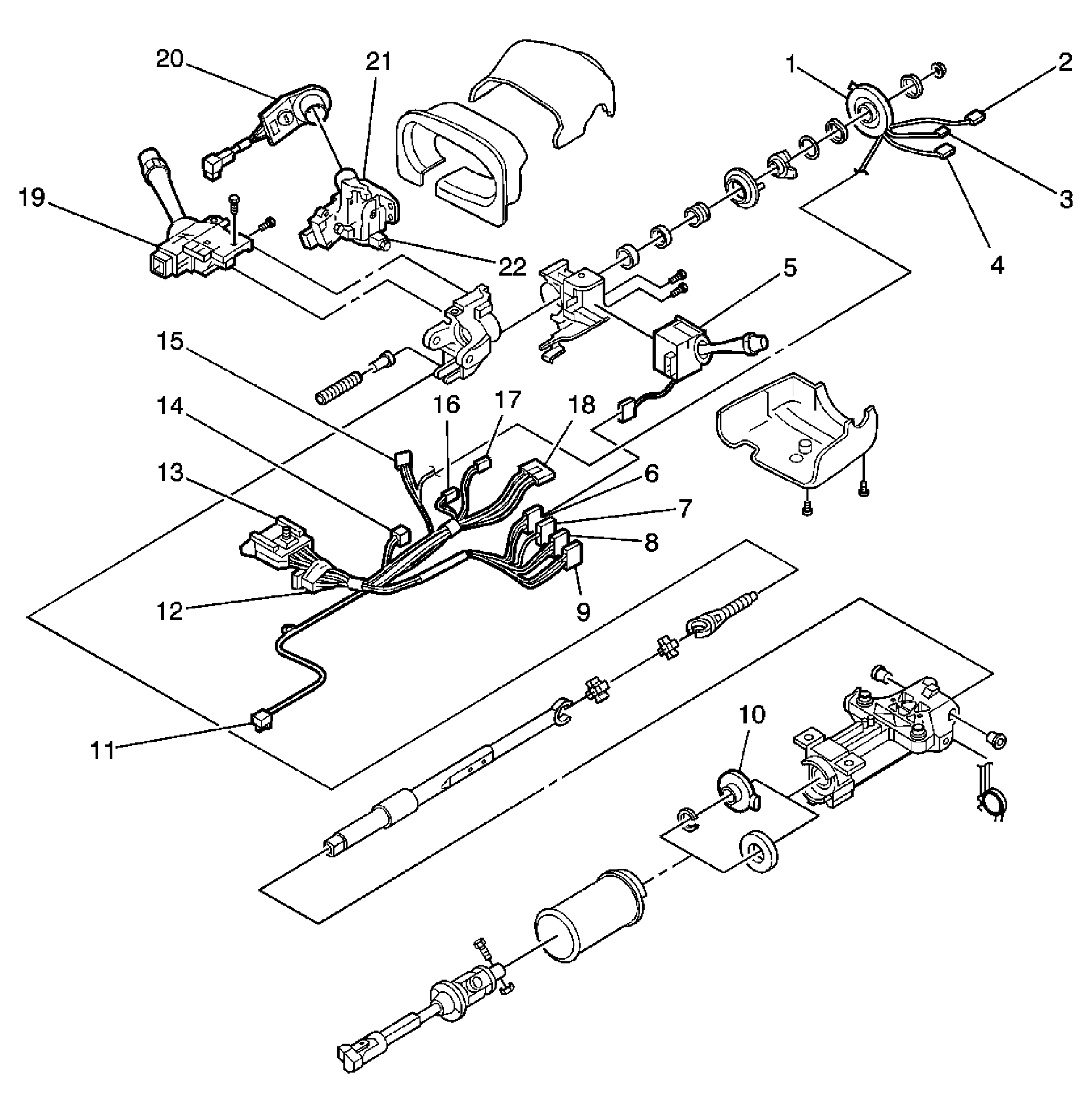
Fig 1: Steering Column Components
GM1373991Courtesy of GENERAL MOTORS CORP.
Callout Component Name
1 Inflatable Restraint Steering Wheel Module Coil
2 C208
3 Inflatable Restraint Steering Wheel Module Connector C1
4 Inflatable Restraint Steering Wheel Module Connector C2
5 Turn Signal/Multifunction Switch
6 Turn Signal/Multifunction Switch Connector C4 (LP1/LY7)
7 Turn Signal/Multifunction Switch Connector C3
8 Turn Signal/Multifunction Switch Connector C2
9 Turn Signal/Multifunction Switch Connector C1
10 Steering Wheel Position Sensor
11 C203
12 Fuse Block - Steering Column
13 C202
14 Theft Deterrent Control Module Connector
15 Ignition Lock Cylinder Control Actuator Connector
16 Ignition Switch Connector
17 Ignition Key Alarm Switch (Part of steering column harness)
18 Windshield Wiper/Washer Switch Connector
19 Windshield Wiper/Washer Switch
20 Theft Deterrent Control Module
21 Ignition Switch (Hidden) and Ignition Lock Cylinder Case
22 Ignition Lock Cylinder Control Actuator (M82)
Fig 2: Steering Wheel Position Sensor (JL4)
GM1348857Courtesy of GENERAL MOTORS CORP.
Callout Component Name
1 Accelerator Pedal Position (APP) Sensor Connector
2 Accelerator Pedal Position (APP) Sensor
3 Steering Wheel Position Sensor
Fig 3: Lower Left Side Of Engine Compartment Component View
GM1348883Courtesy of GENERAL MOTORS CORP.
Callout Component Name
1 Power Steering Rack (LHD)
2 Variable Effort Steering Actuator (LHD)
3 Variable Effort Steering Actuator Wiring Harness
Fig 4: Variable Effort Steering Actuator (RHD w/FE3) Component View
GM1348881Courtesy of GENERAL MOTORS CORP.
Callout Component Name
1 Power Steering Rack (RHD)
2 Variable Effort Steering Actuator (RHD)