LEMON Manuals: Even more car manuals for everyone: 1960-2025
Home >> Cadillac >> 2007 >> CTS V >> Repair and Diagnosis >> External Pages >> Different car >> Section 403 (Cellular System, Entertainment System, And Navigation System) >> Schematic and Routing Diagrams >> Radio/Navigation System Schematics
April 5, 2026: LEMON Manuals is launched! Read the announcement.

Radio/Navigation System Schematics

WARNING: This page is about a different car, the 2007 Chevrolet Corvette. However, it is still accessible from the selected car via links, so may be relevant.
Fig 1: Power, Ground, DLC, Audio Amplifier, Radio and Audio Signals (US8&U66) Schematic
GM1458789Courtesy of GENERAL MOTORS CORP.
Fig 2: Speakers (U66) Schematic
GM1455022Courtesy of GENERAL MOTORS CORP.
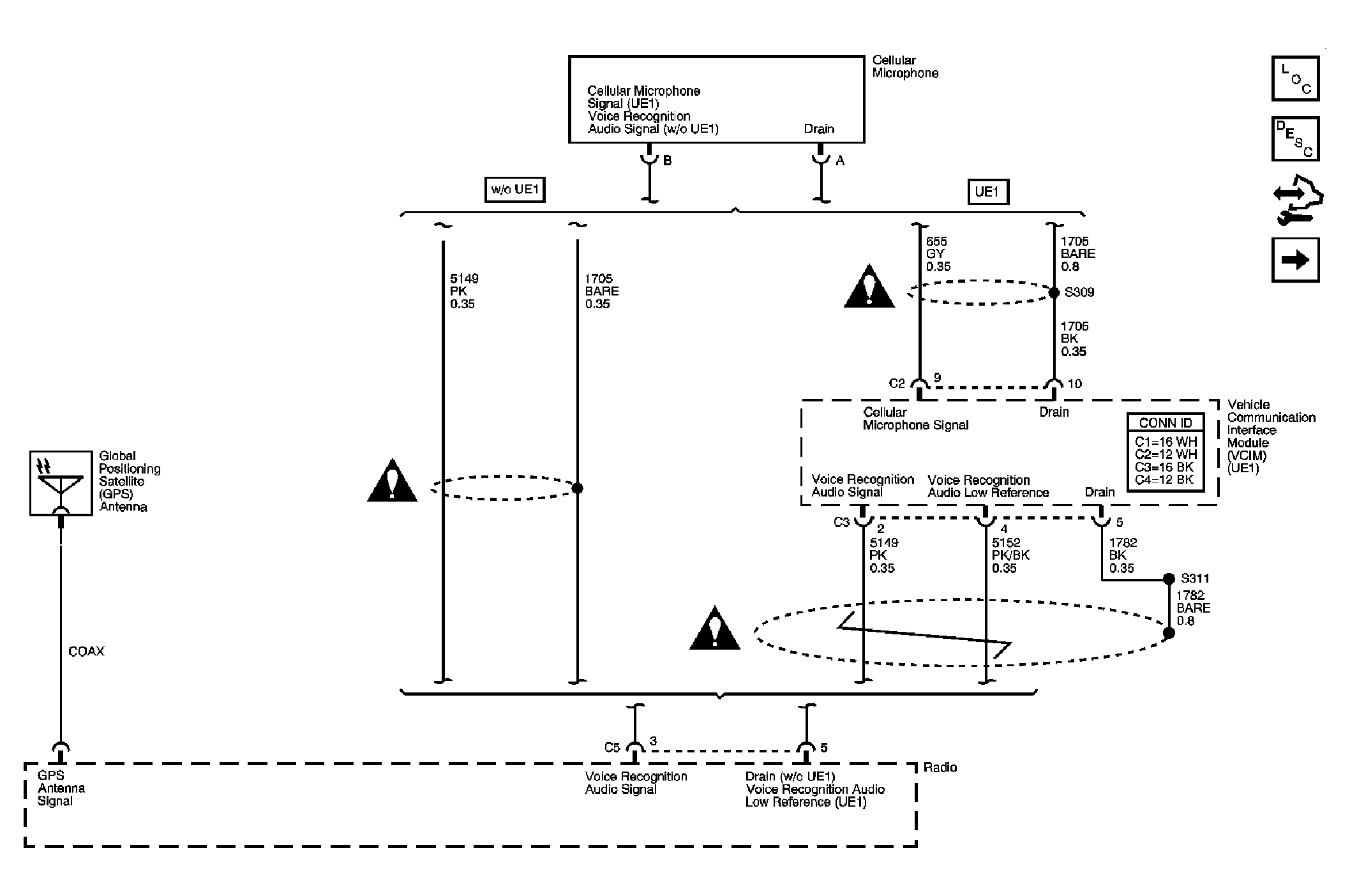
Fig 3: Power, Ground, DLC, Audio Amplifier, Radio, Audio Signals and Front Speakers (U65) Schematic
GM1460210Courtesy of GENERAL MOTORS CORP.
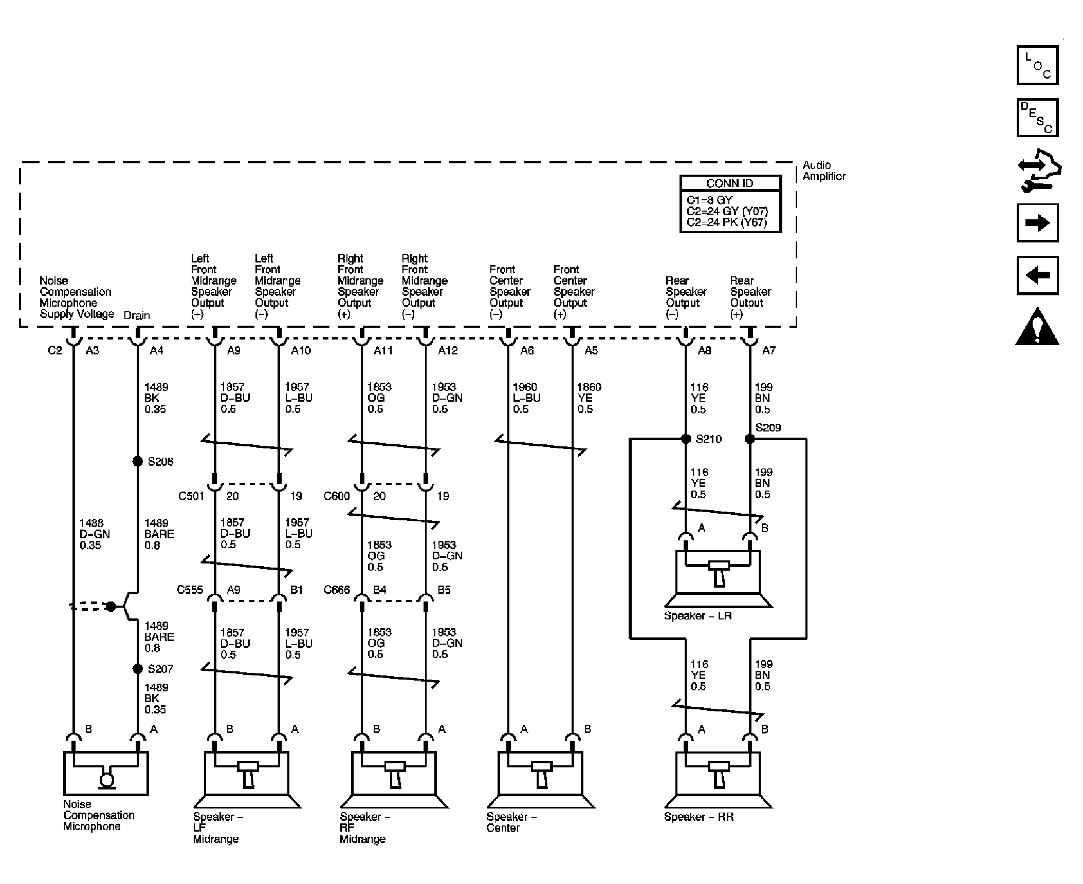
Fig 4: Speakers and Noise Compensation Microphone (U65) Schematic
GM1455974Courtesy of GENERAL MOTORS CORP.
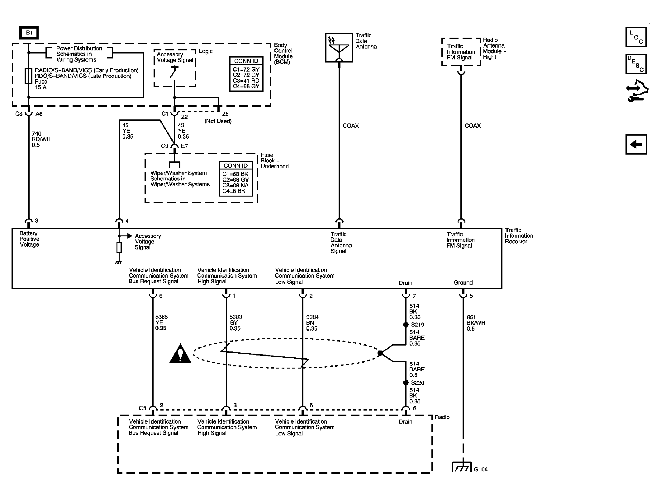
Fig 5: Antennas except U2K, References to Navigation and Onstar Schematic
GM1459749Courtesy of GENERAL MOTORS CORP.
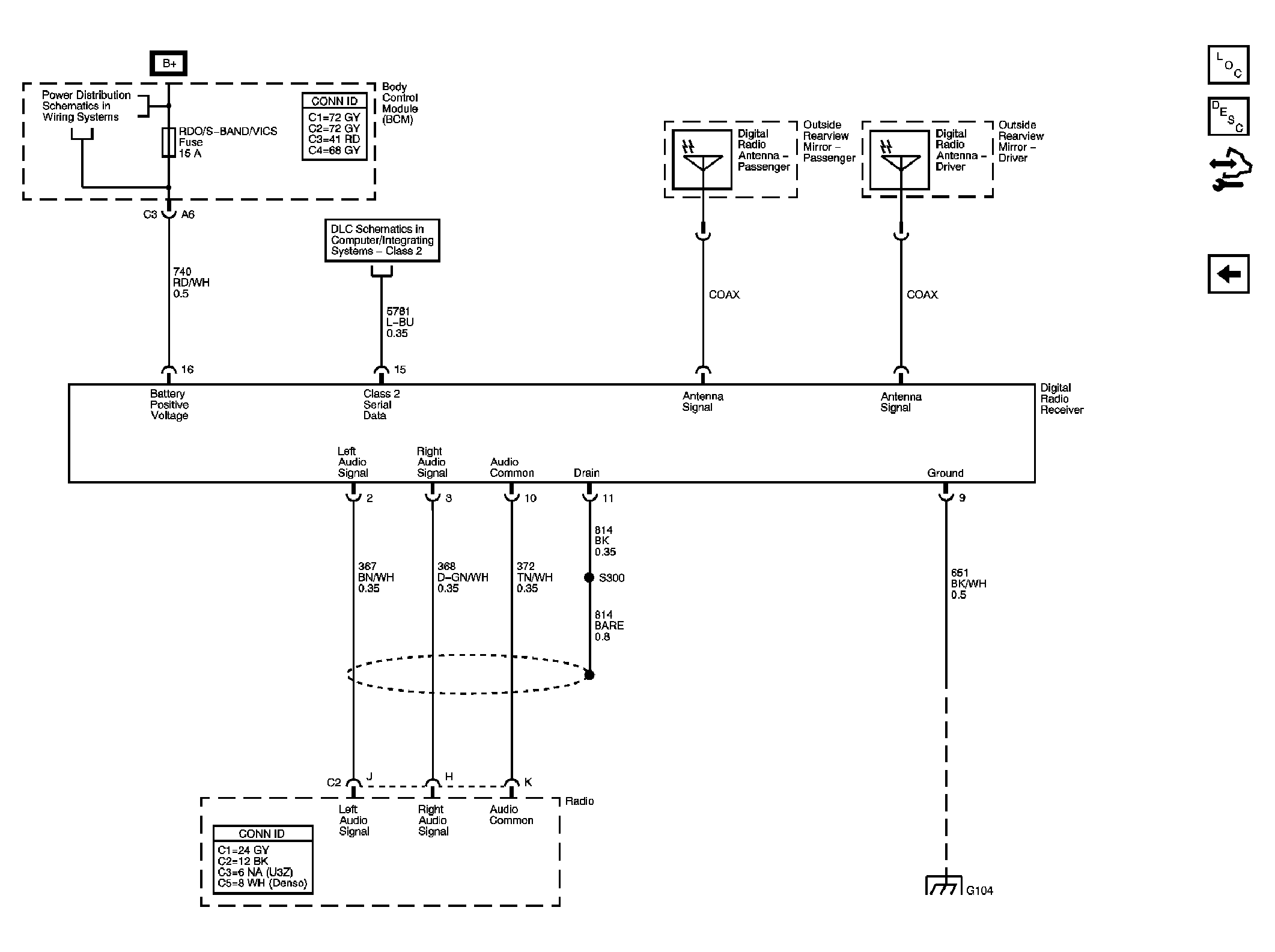
Fig 6: Digital Radio Receiver (U2K) Schematic
GM1699636Courtesy of GENERAL MOTORS CORP.
Fig 7: Schematics - Wiring Diagram (Except Japan) Schematic
GM1410677Courtesy of GENERAL MOTORS CORP.
Fig 8: Schematics - Wiring Diagram (Japan (UZD)) Schematic
GM1410682Courtesy of GENERAL MOTORS CORP.