LEMON Manuals: Even more car manuals for everyone: 1960-2025
Home >> Cadillac >> 2007 >> CTS V6-2.8L >> Repair and Diagnosis >> Power and Ground Distribution >> Fuse Block >> Locations >> SIR Component Views
April 5, 2026: LEMON Manuals is launched! Read the announcement.

SIR Component Views



SIR Component Views

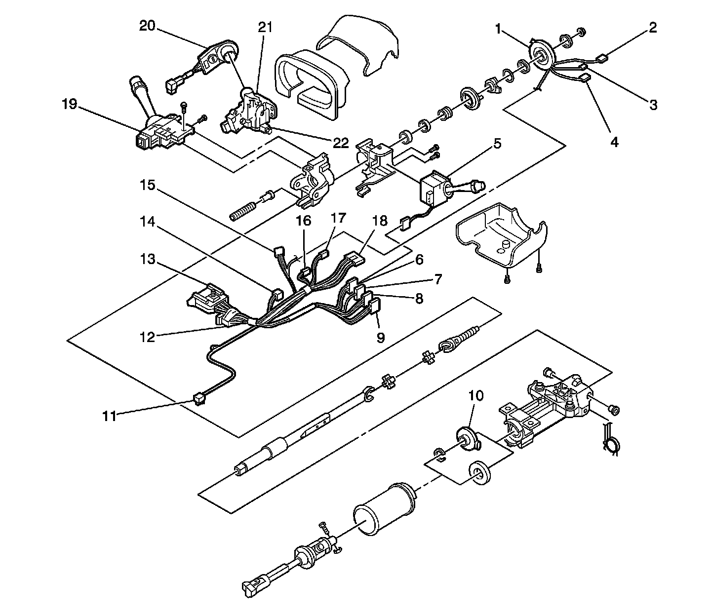
Steering Column Components

Steering Column Components:




1 - Inflatable Restraint Steering Wheel Module Coil
2 - C208
3 - Inflatable Restraint Steering Wheel Module Connector C1
4 - Inflatable Restraint Steering Wheel Module Connector C2
5 - Turn Signal/Multifunction Switch
6 - Turn Signal/Multifunction Switch Connector C4 (LP1/LY7)
7 - Turn Signal/Multifunction Switch Connector C3
8 - Turn Signal/Multifunction Switch Connector C2
9 - Turn Signal/Multifunction Switch Connector C1
10 - Steering Wheel Position Sensor
11 - C203
12 - Fuse Block - Steering Column
13 - C202
14 - Theft Deterrent Control Module Connector
15 - Ignition Lock Cylinder Control Actuator Connector
16 - Ignition Switch Connector
17 - Ignition Key Alarm Switch (Part of steering column harness)
18 - Windshield Wiper/Washer Switch Connector
19 - Windshield Wiper/Washer Switch
20 - Theft Deterrent Control Module
21 - Ignition Switch (Hidden) and Ignition Lock Cylinder Case
22 - Ignition Lock Cylinder Control Actuator (M82)