LEMON Manuals: Even more car manuals for everyone: 1960-2025
Home >> Cadillac >> 2007 >> DTS V8-4.6L >> Repair and Diagnosis >> Powertrain Management >> Computers and Control Systems >> Engine Control Module >> Locations
April 5, 2026: LEMON Manuals is launched! Read the announcement.

Engine Control Module: Locations



Engine Controls Component Views

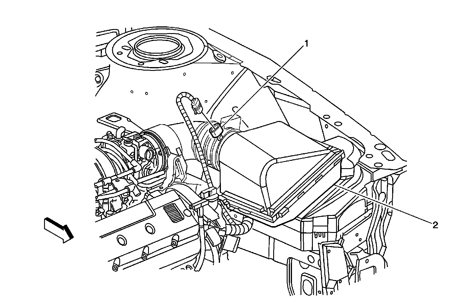
Left Front Corner of the Engine Compartment




1 - Mass Air Flow (MAF) / Intake Air Temperature (IAT) Sensor
2 - Powertrain Control Module (PCM), Under the Air Cleaner Assembly

Left Side of Engine Compartment




1 - Air Cleaner-Filter
2 - Engine Control Module (ECM)
3 - Windshield