LEMON Manuals: Even more car manuals for everyone: 1960-2025
Home >> Cadillac >> 2007 >> Escalade EXT AWD V8-6.2L >> Repair and Diagnosis >> Powertrain Management >> Transmission Control Systems >> Relays and Modules - Transmission and Drivetrain >> Relays and Modules - A/T >> Control Module >> Locations
April 5, 2026: LEMON Manuals is launched! Read the announcement.

Control Module: Locations



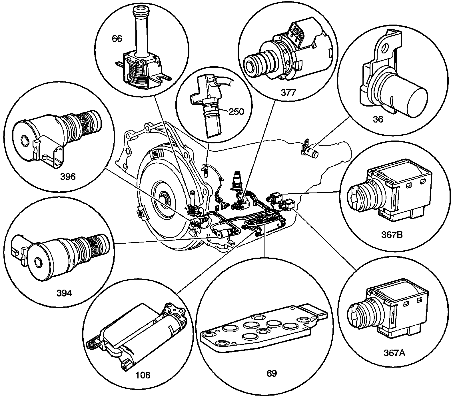
Automatic Transmission Electronic Component Views

Electronic Components

Electronic Components:




36 - Vehicle Speed Sensor (VSS) - Model Dependent
66 - Torque Converter Clutch (TCC) Solenoid Valve
69 - Automatic Transmission Fluid Pressure (TFP) Manual Valve Position Switch
250 - Input Speed Sensor (ISS) Assembly - Model Dependent
367a - 1-2 Shift Solenoid (SS) Valve
367b - 2-3 Shift Solenoid (SS) Valve
377 - Pressure Control (PC) Solenoid Valve
394 - 3-2 Shift Solenoid (SS) Valve Assembly
396 - Torque Converter Clutch Pulse Width Modulation (TCC PWM) Solenoid Valve

Park Neutral Position (PNP) Switch

Park Neutral Position (PNP) Switch:




1 - Automatic Transmission 4L60-E/4L65-E/4L70
2 - Park/Neutral Position (PNP) Switch

C175

C175:




1 - Automatic Transmission
2 - C175

Vehicle Speed Sensor (VSS)

Vehicle Speed Sensor (VSS):




1 - VSS Sensor
2 - Transfer Case

Transmission Control Module (TCM)

Transmission Control Module (TCM):




1 - Engine Harness
2 - Transmission Control Module (TCM)
3 - Transmission Control Module (TCM) Connector Harness