LEMON Manuals: Even more car manuals for everyone: 1960-2025
Home >> Cadillac >> 2007 >> Escalade EXT >> Repair and Diagnosis (Single Page) >> Accessories & Equipment >> Collision/Avoidance >> Object Detection System >> Schematic and Routing Diagrams >> Object Detection Schematics
April 5, 2026: LEMON Manuals is launched! Read the announcement.

Object Detection Schematics

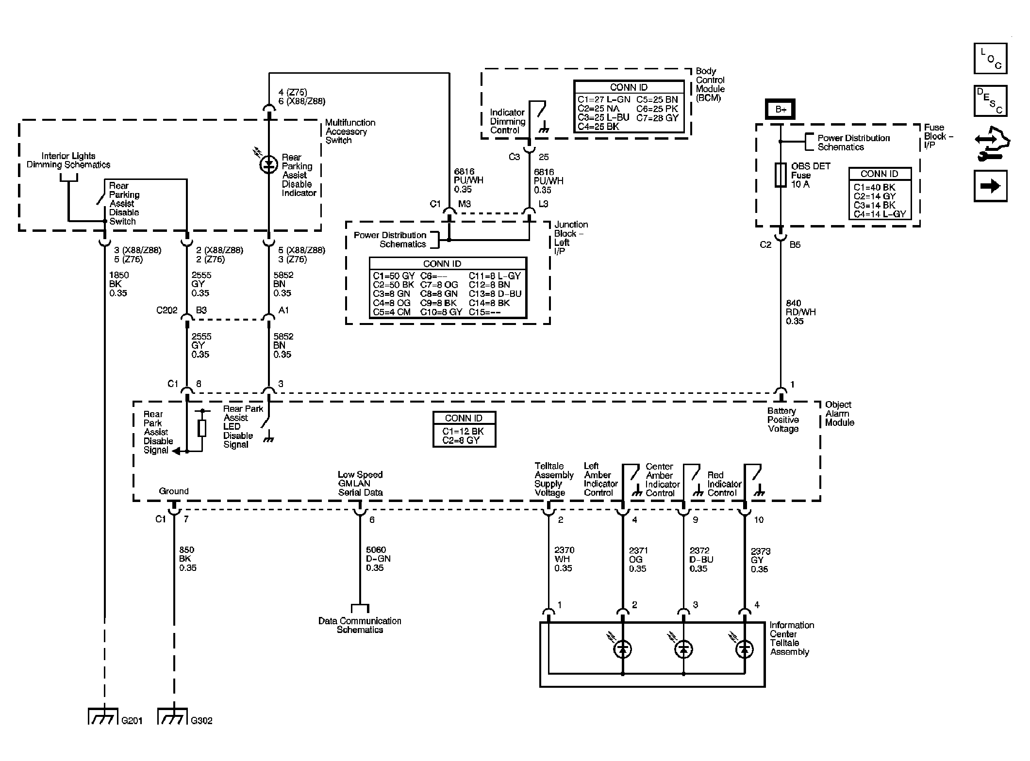
Fig 1: Object Alarm Module Power, Ground, and Serial Data Schematic
GM1703554Courtesy of GENERAL MOTORS CORP.
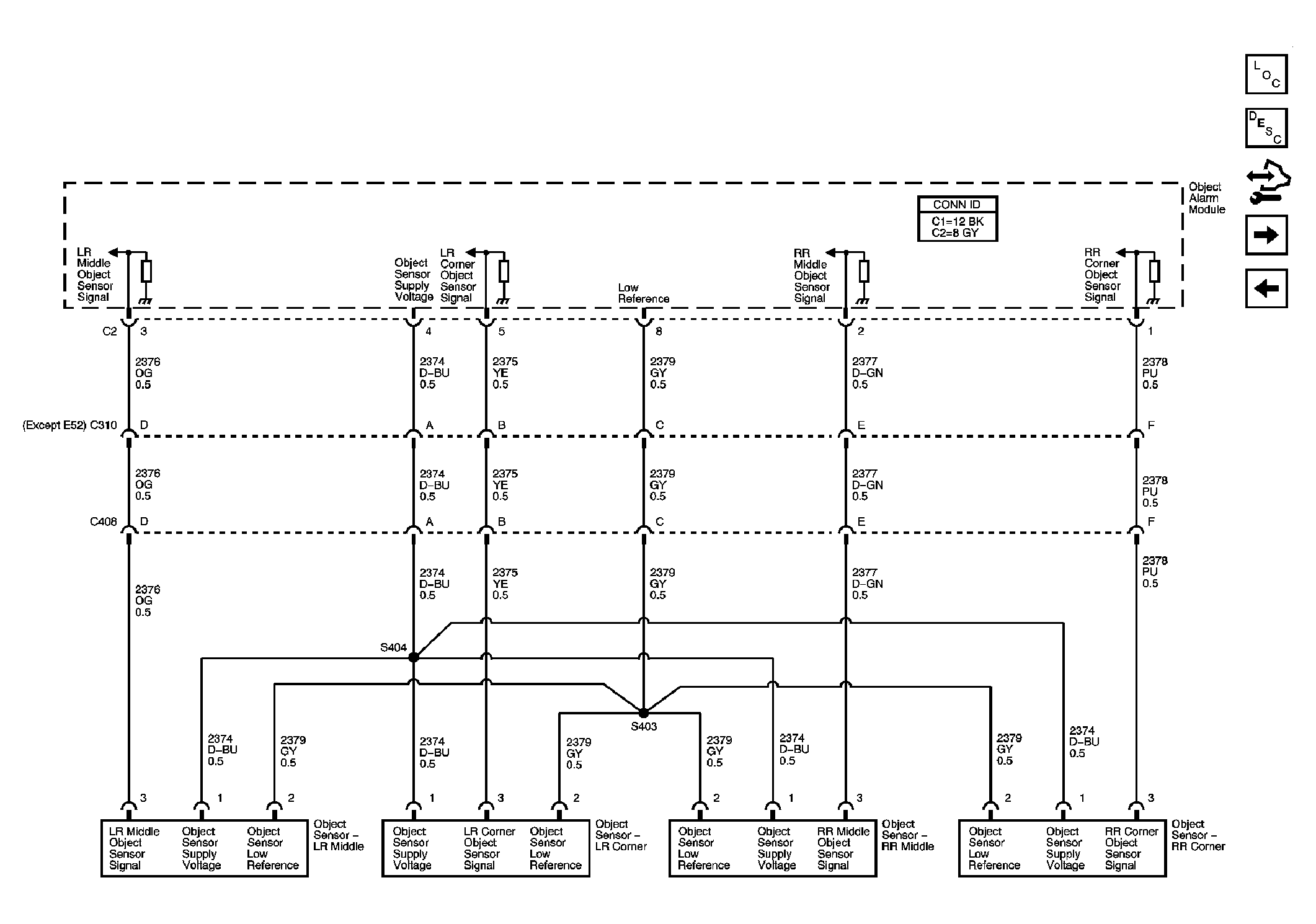
Fig 2: Rear Object Sensors Schematic (UD7)
GM1818897Courtesy of GENERAL MOTORS CORP.
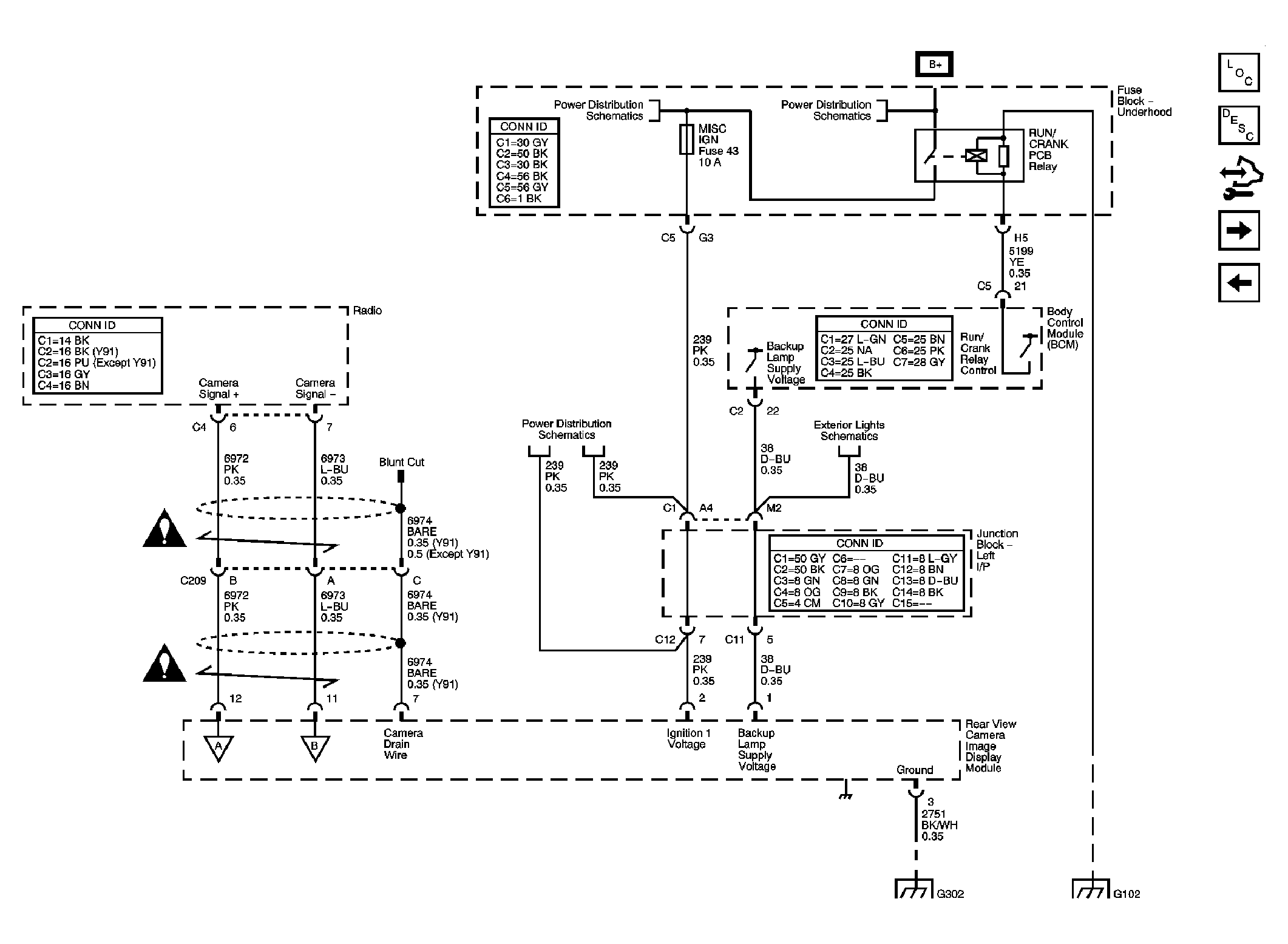
Fig 3: Rear Video Camera Schematic 1 of 2 (UVC)
GM1703560Courtesy of GENERAL MOTORS CORP.
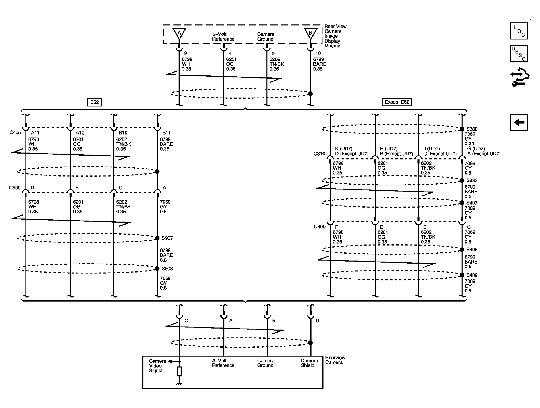
Fig 4: Rear Video Camera 2 of 2 Schematic (UVC)
GM1703563Courtesy of GENERAL MOTORS CORP.