LEMON Manuals: Even more car manuals for everyone: 1960-2025
Home >> Cadillac >> 2007 >> Escalade EXT >> Repair and Diagnosis (Single Page) >> Accessories & Equipment >> Entertainment Systems >> Cellular System, Entertainment System, And Navigation System >> Schematic and Routing Diagrams >> Video System Schematics
April 5, 2026: LEMON Manuals is launched! Read the announcement.

Video System Schematics

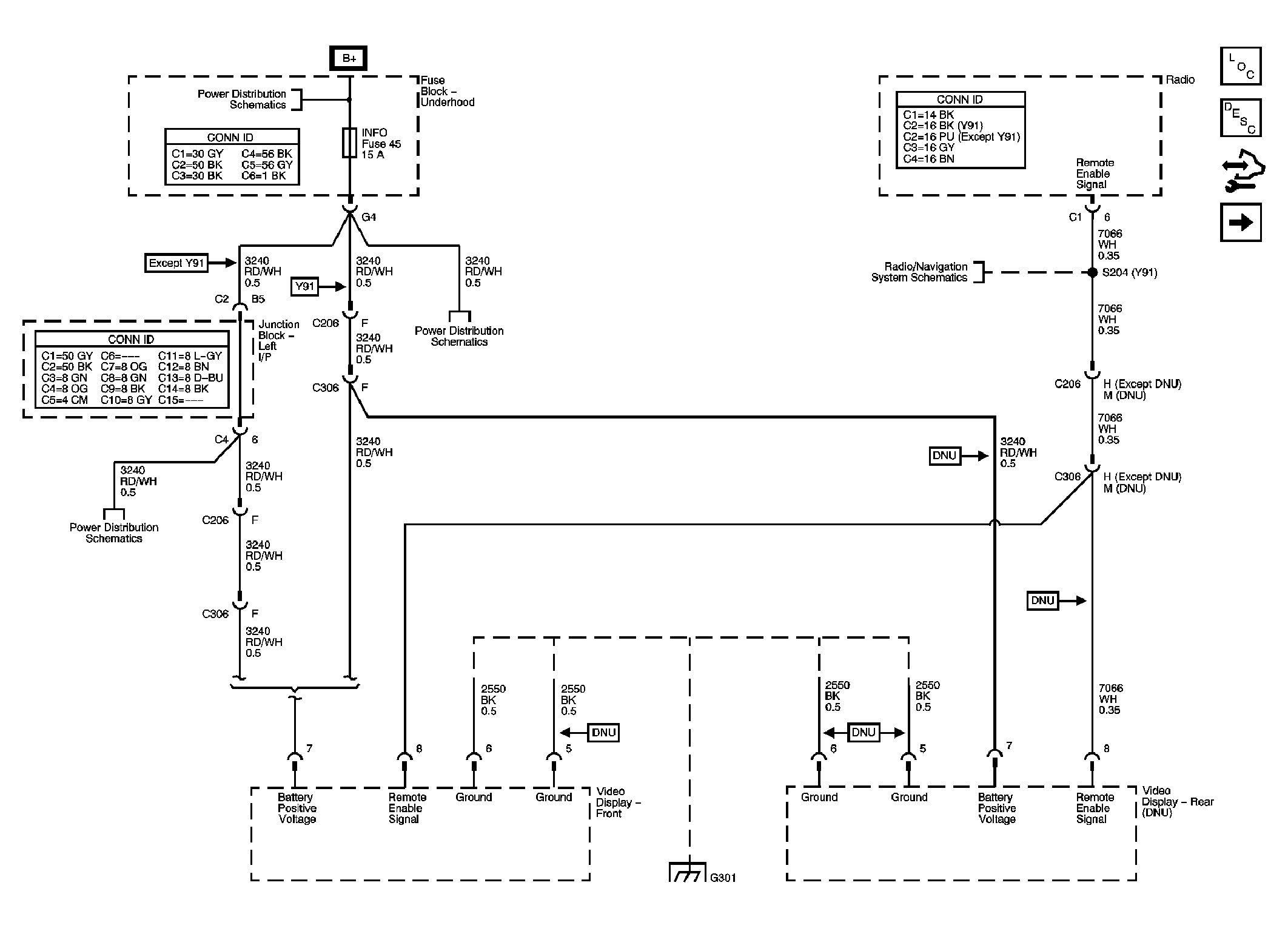
Fig 1: Display Power & Ground Schematic
GM1706134Courtesy of GENERAL MOTORS CORP.
Fig 2: Video Signals Schematic
GM1706137Courtesy of GENERAL MOTORS CORP.
Fig 3: Audio Signals Schematic
GM1706140Courtesy of GENERAL MOTORS CORP.