LEMON Manuals: Even more car manuals for everyone: 1960-2025
Home >> Cadillac >> 2007 >> Escalade EXT >> Repair and Diagnosis (Single Page) >> Engine Performance >> System >> Engine Control System & Fuel - 4.8L, 5.3L, 6.0L And 6.2L - Introduction (2 Of 2) >> Schematic and Routing Diagrams >> Engine Controls Schematics
April 5, 2026: LEMON Manuals is launched! Read the announcement.

Engine Controls Schematics

Fig 1: Module Power, Ground, Serial Data, & MIL Schematic
GM1694214Courtesy of GENERAL MOTORS CORP.
Fig 2: Engine Data Sensors - 5-Volt & Low Reference Schematic
GM1804768Courtesy of GENERAL MOTORS CORP.
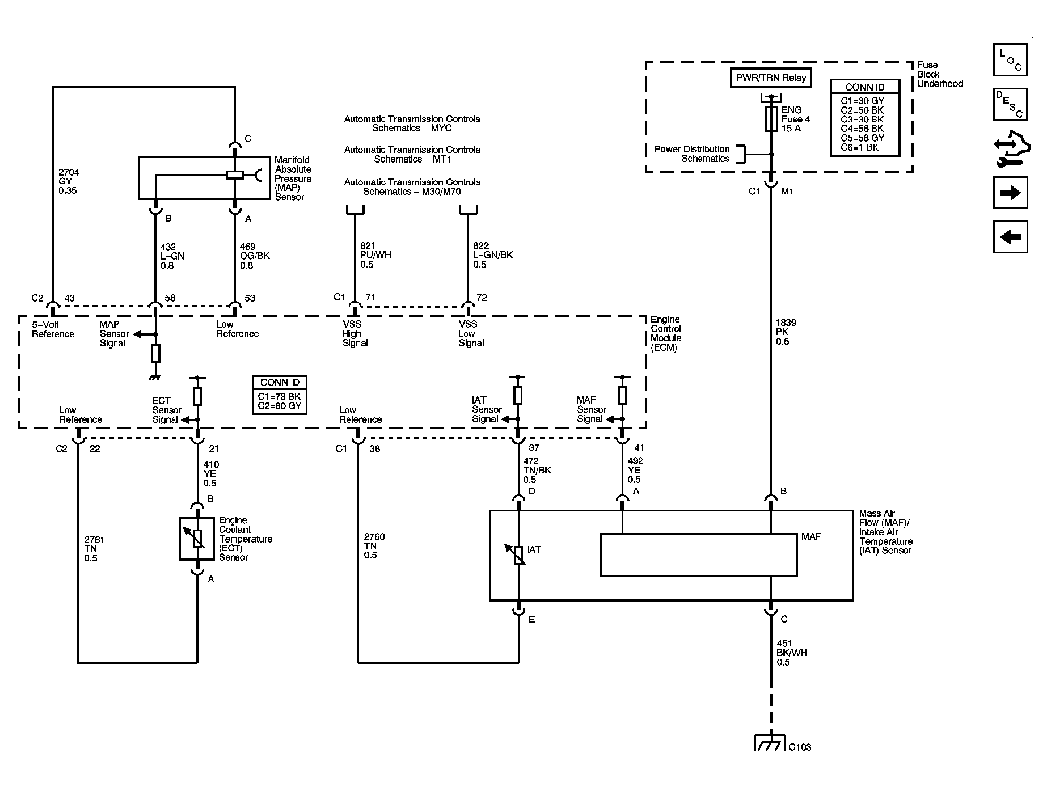
Fig 3: Engine Data Sensors - Pressure & Temperature Schematic
GM1694216Courtesy of GENERAL MOTORS CORP.
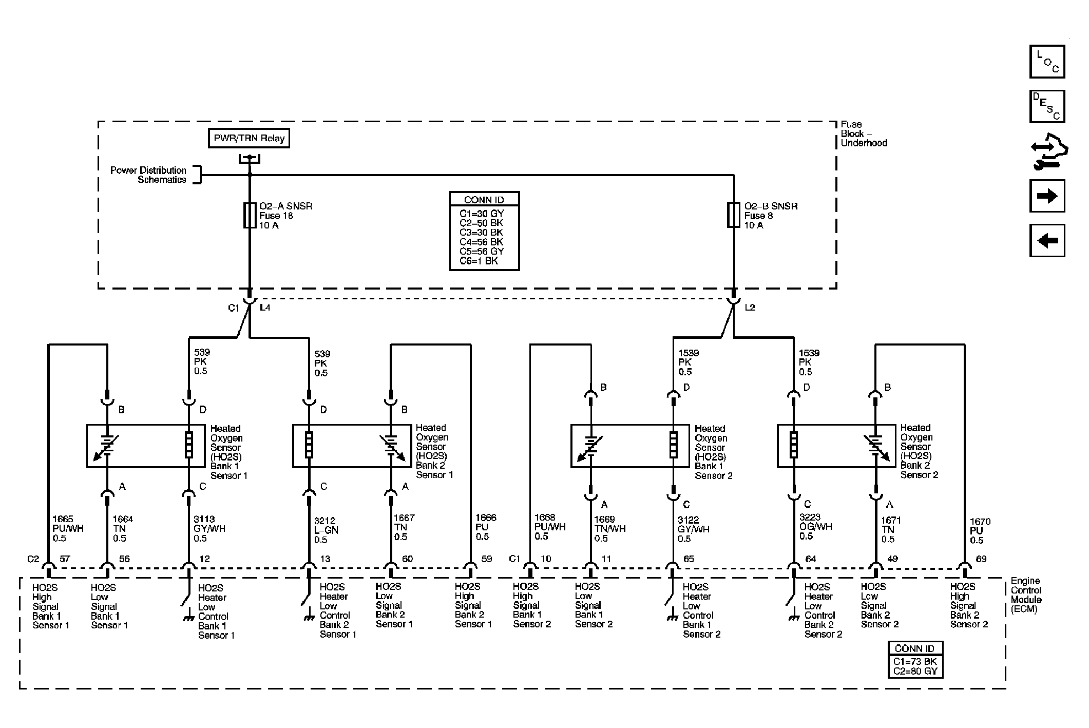
Fig 4: Engine Data Sensors - Oxygen Sensors Schematic
GM1694218Courtesy of GENERAL MOTORS CORP.
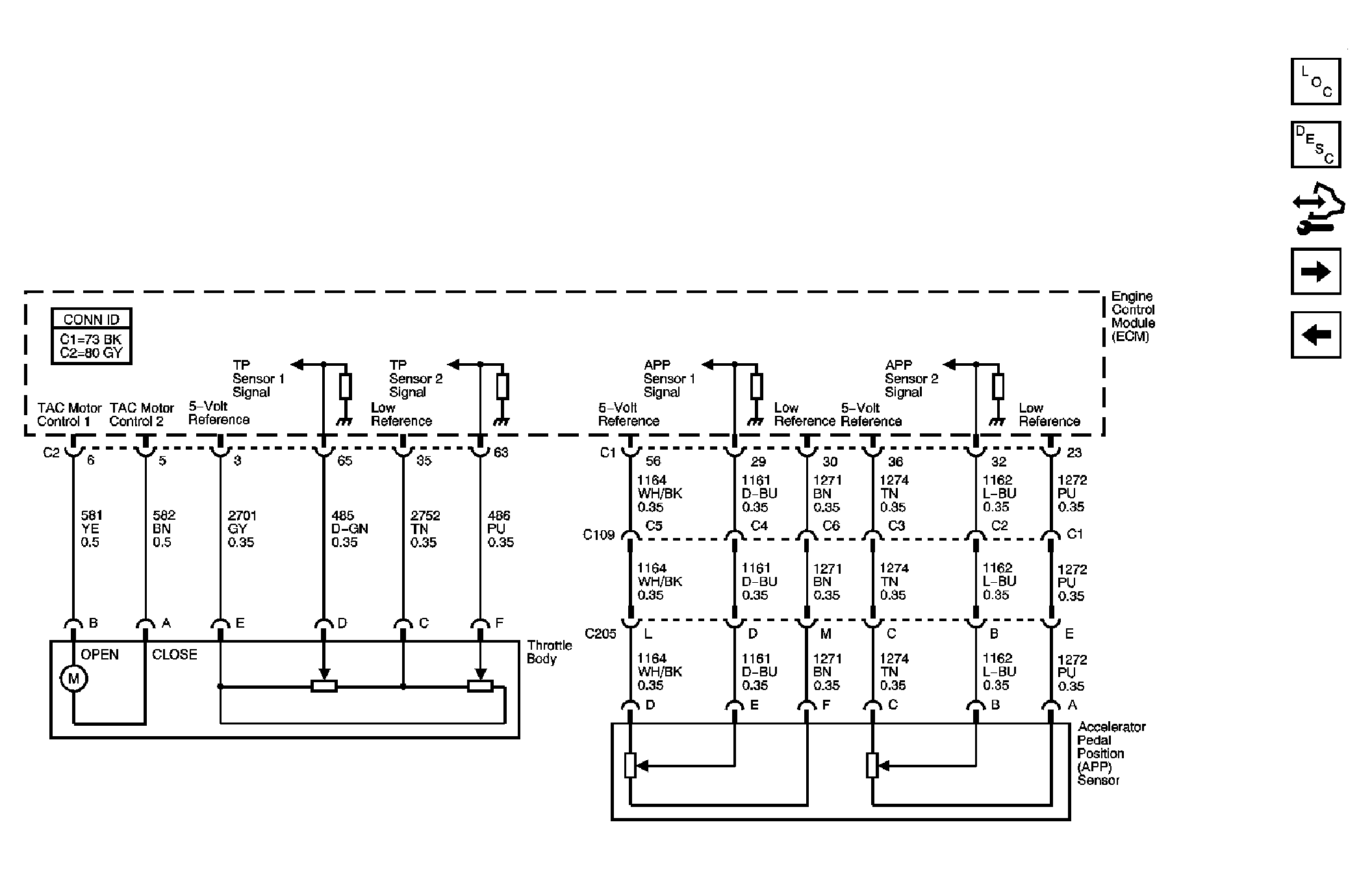
Fig 5: Engine Data Sensors - Throttle Controls Schematic
GM1694219Courtesy of GENERAL MOTORS CORP.
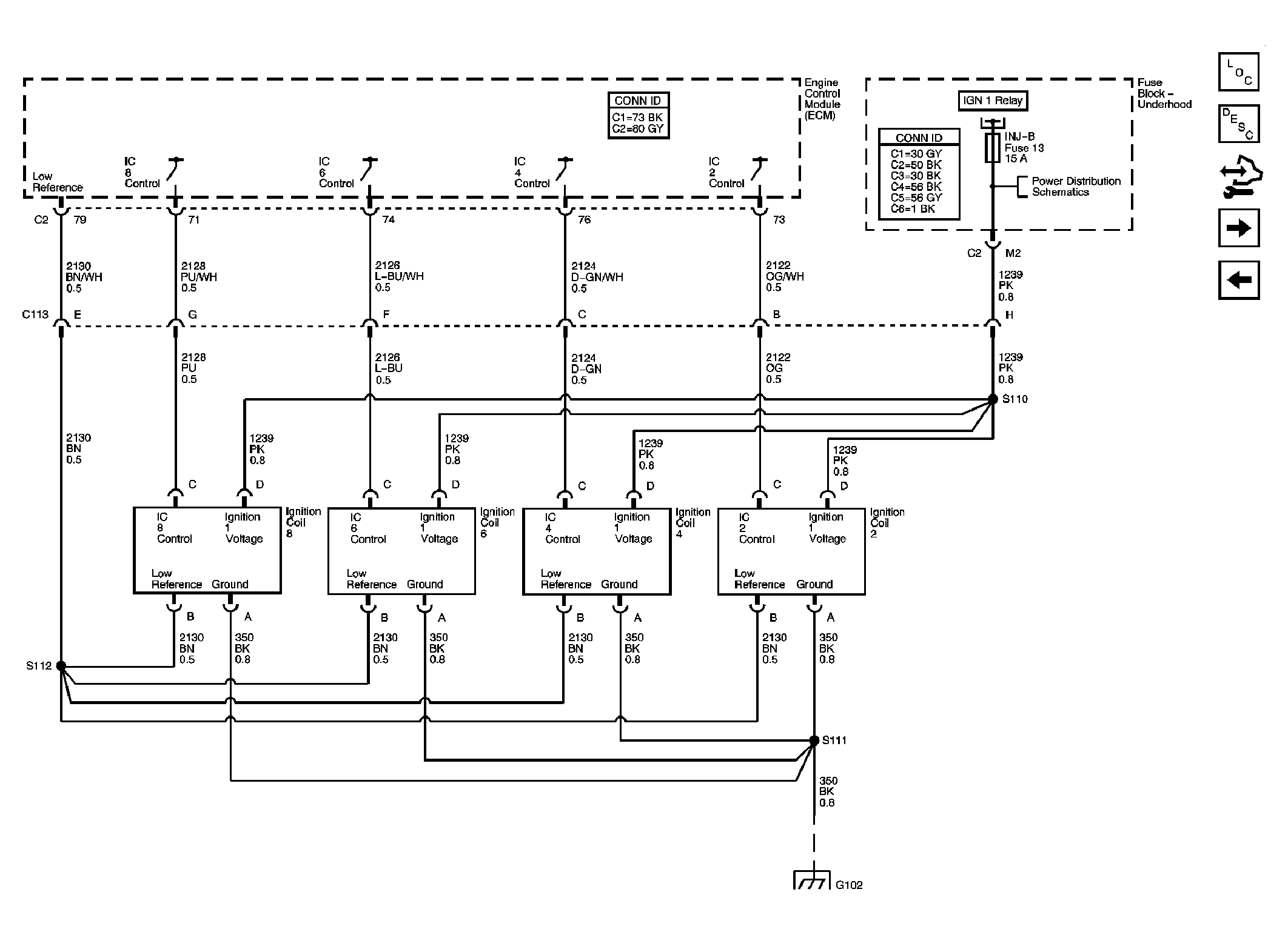
Fig 6: Ignition Controls - Ignition System Coils 1, 3, 5, & 7 Schematic
GM1694221Courtesy of GENERAL MOTORS CORP.
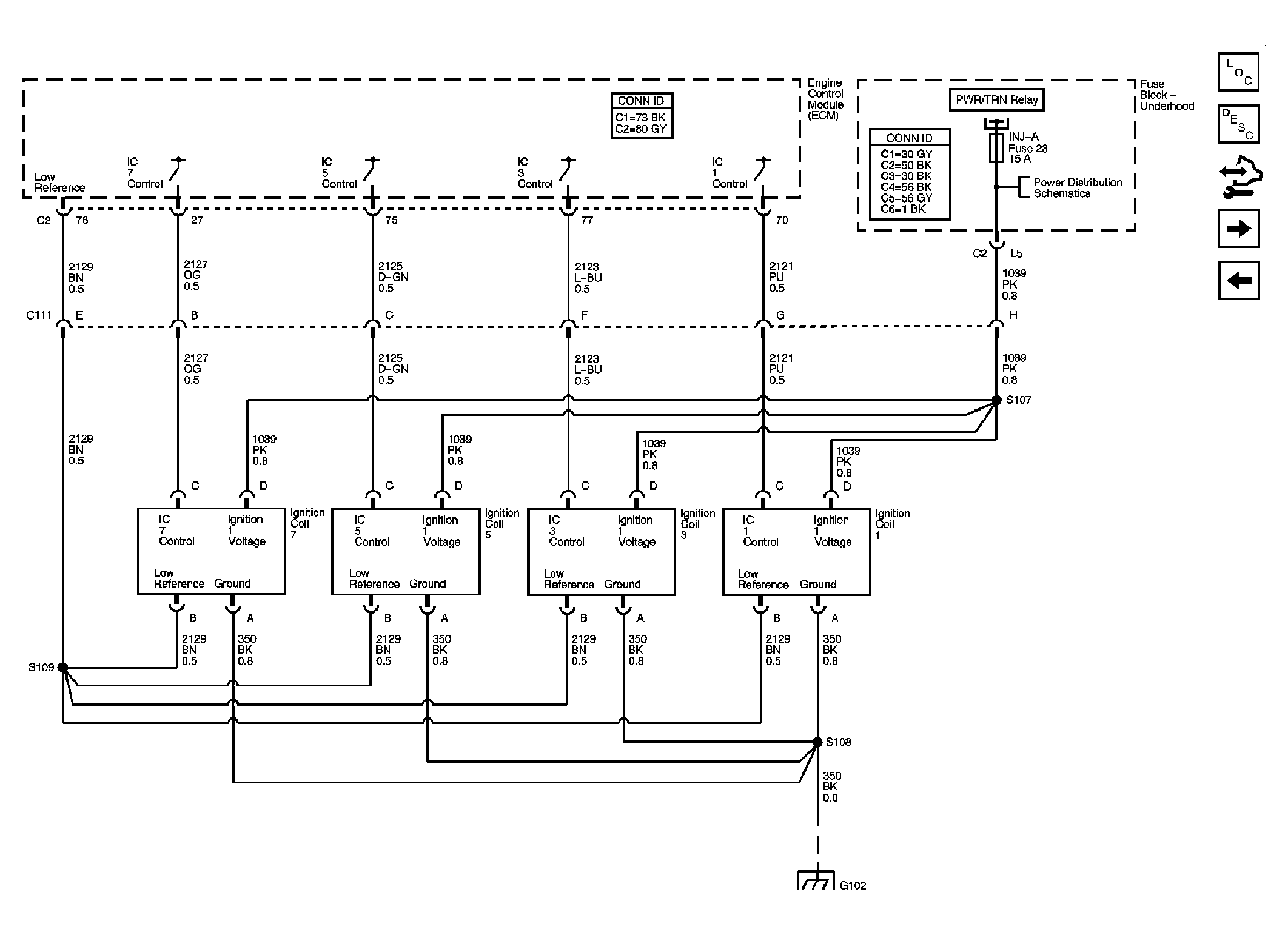
Fig 7: Ignition Controls - Ignition System Coils 2, 4, 6, & 8 Schematic
GM1694222Courtesy of GENERAL MOTORS CORP.
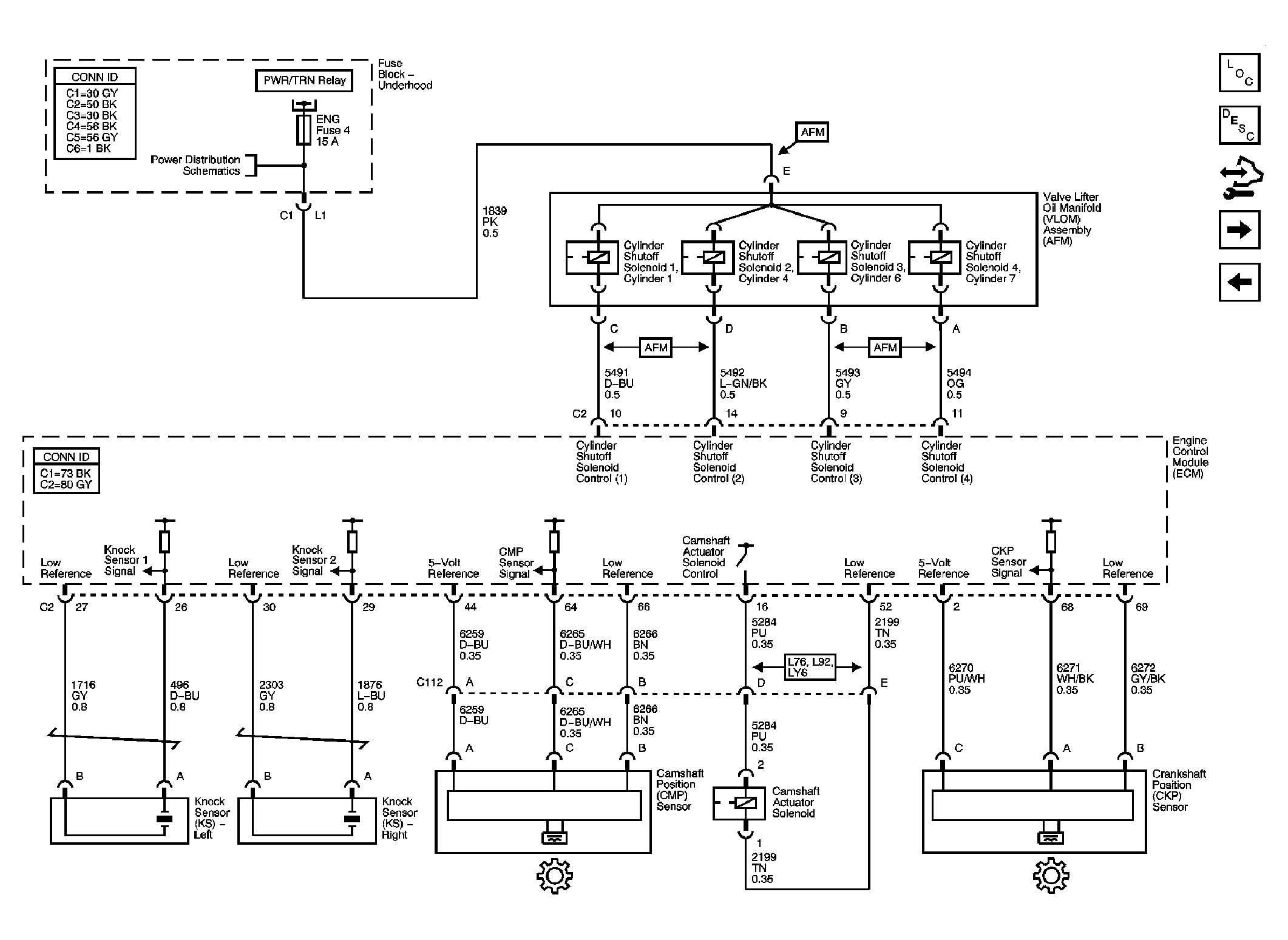
Fig 8: Ignition Controls - Sensors and Active Fuel Management (AFM) Controls Schematic
GM1694223Courtesy of GENERAL MOTORS CORP.
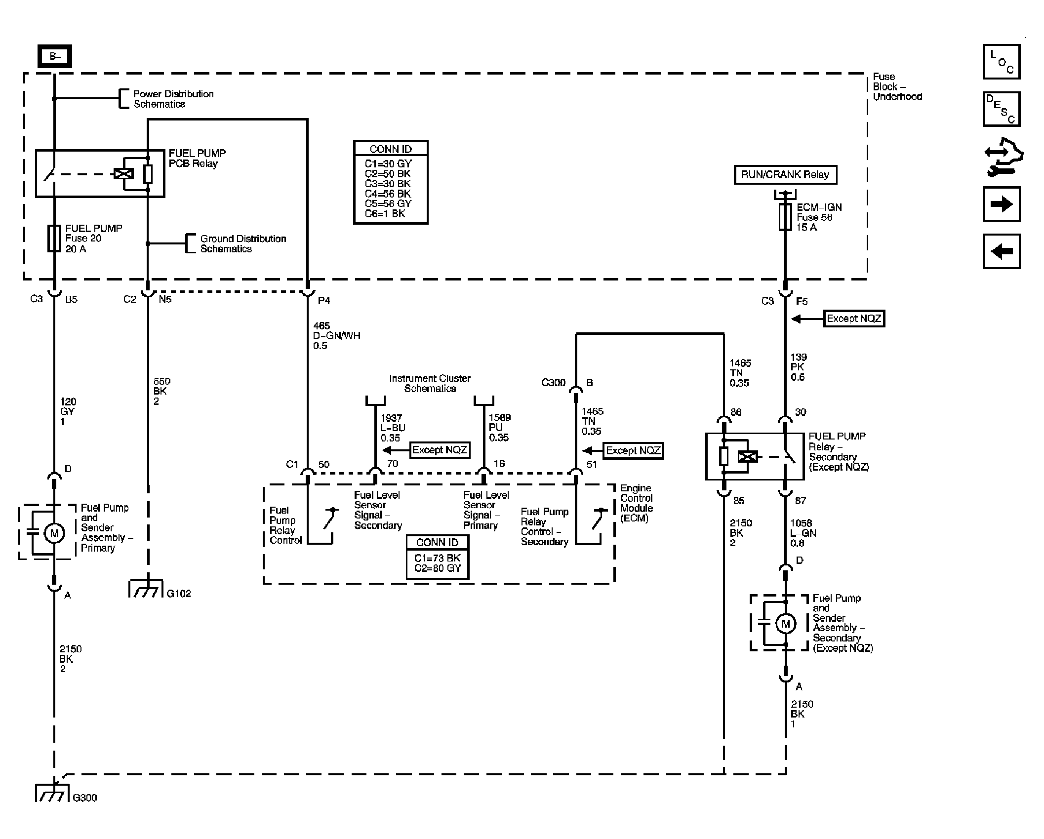
Fig 9: Fuel Controls - Fuel Pump Controls Schematic
GM1694224Courtesy of GENERAL MOTORS CORP.
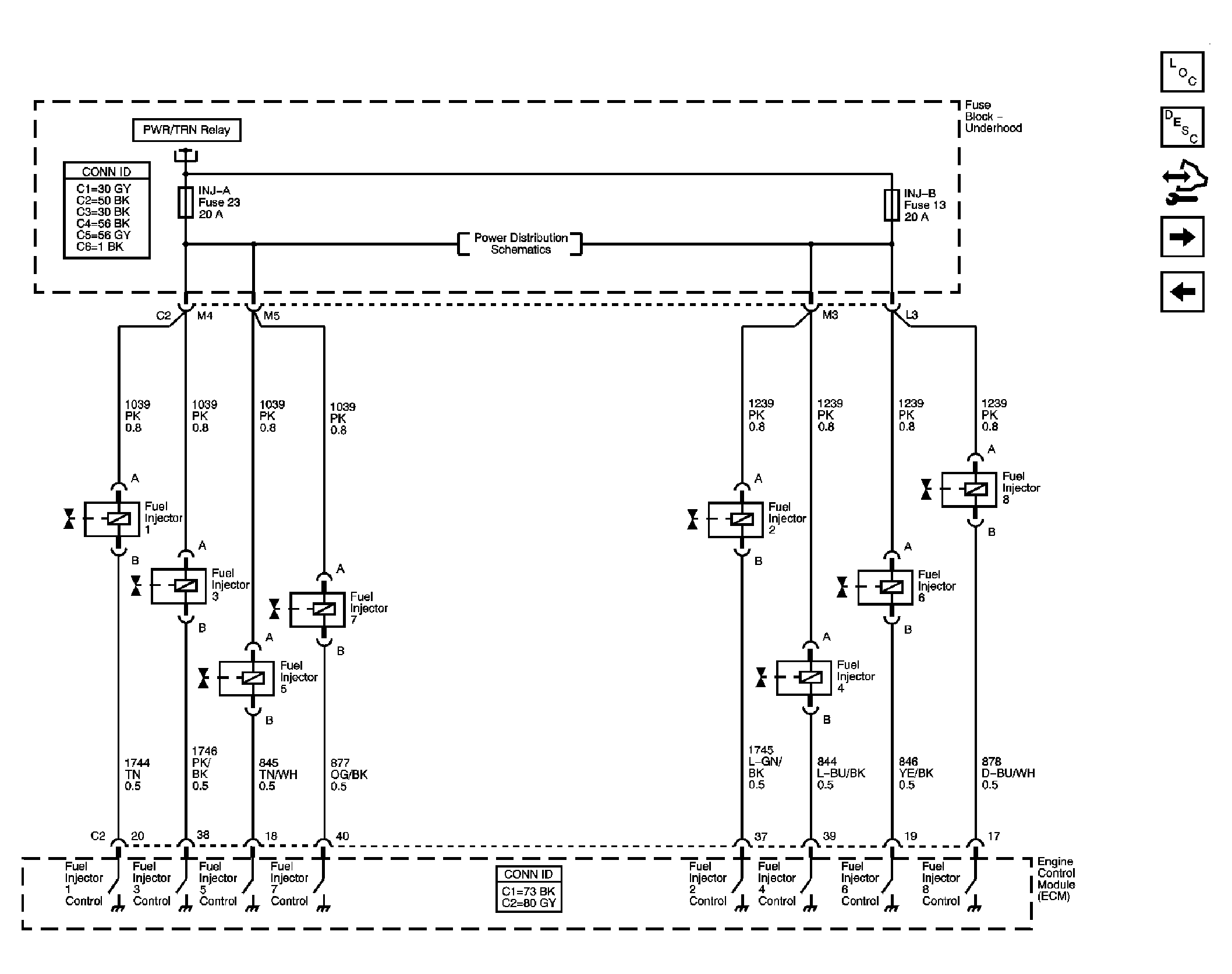
Fig 10: Fuel Controls - Fuel Injectors Schematic
GM1694226Courtesy of GENERAL MOTORS CORP.
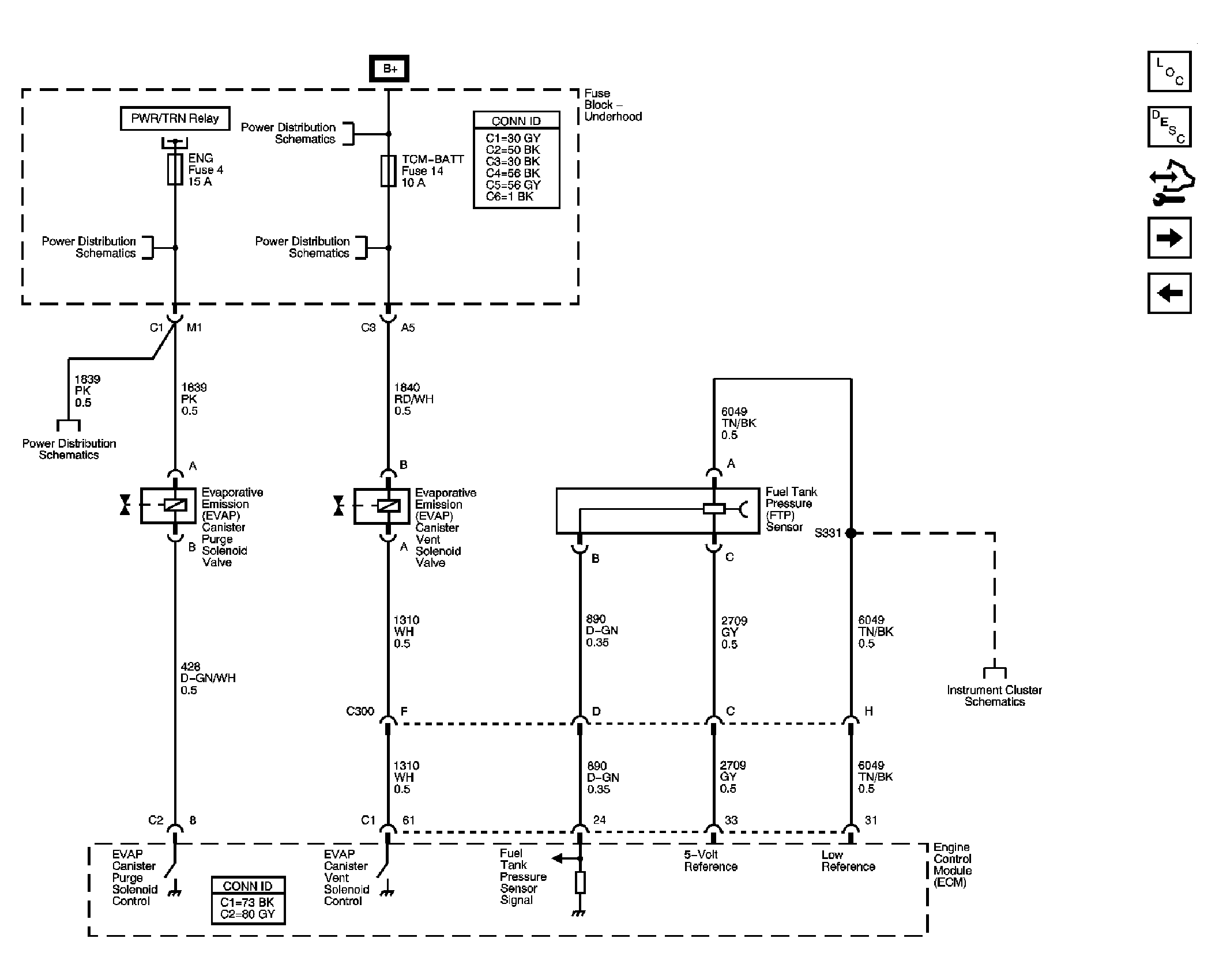
Fig 11: Fuel Controls - EVAP Controls Schematic
GM1694228Courtesy of GENERAL MOTORS CORP.
Fig 12: Controlled/Monitored Subsystem References Schematic
GM1694229Courtesy of GENERAL MOTORS CORP.