LEMON Manuals: Even more car manuals for everyone: 1960-2025
Home >> Cadillac >> 2007 >> Escalade EXT >> Repair and Diagnosis (Single Page) >> External Pages >> Different car >> Section 1157 (Object Detection System) >> Schematic and Routing Diagrams >> Object Detection Schematics
April 5, 2026: LEMON Manuals is launched! Read the announcement.

Object Detection Schematics

WARNING: This page is about a different car, the 2008 Cadillac CTS. However, it is still accessible from the selected car via links, so may be relevant.
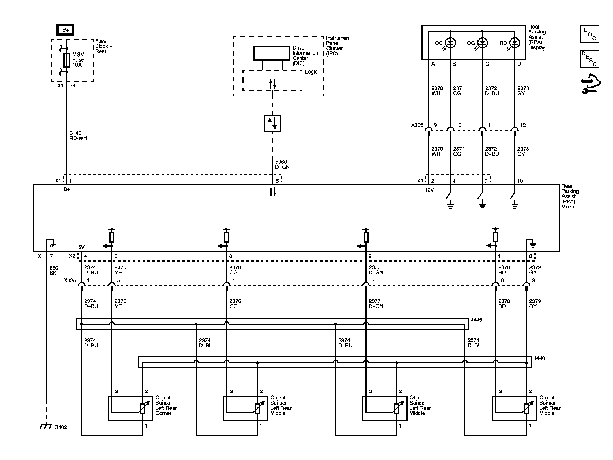
Fig 1: Object Detection Schematic
GM1923241Courtesy of GENERAL MOTORS CORP.
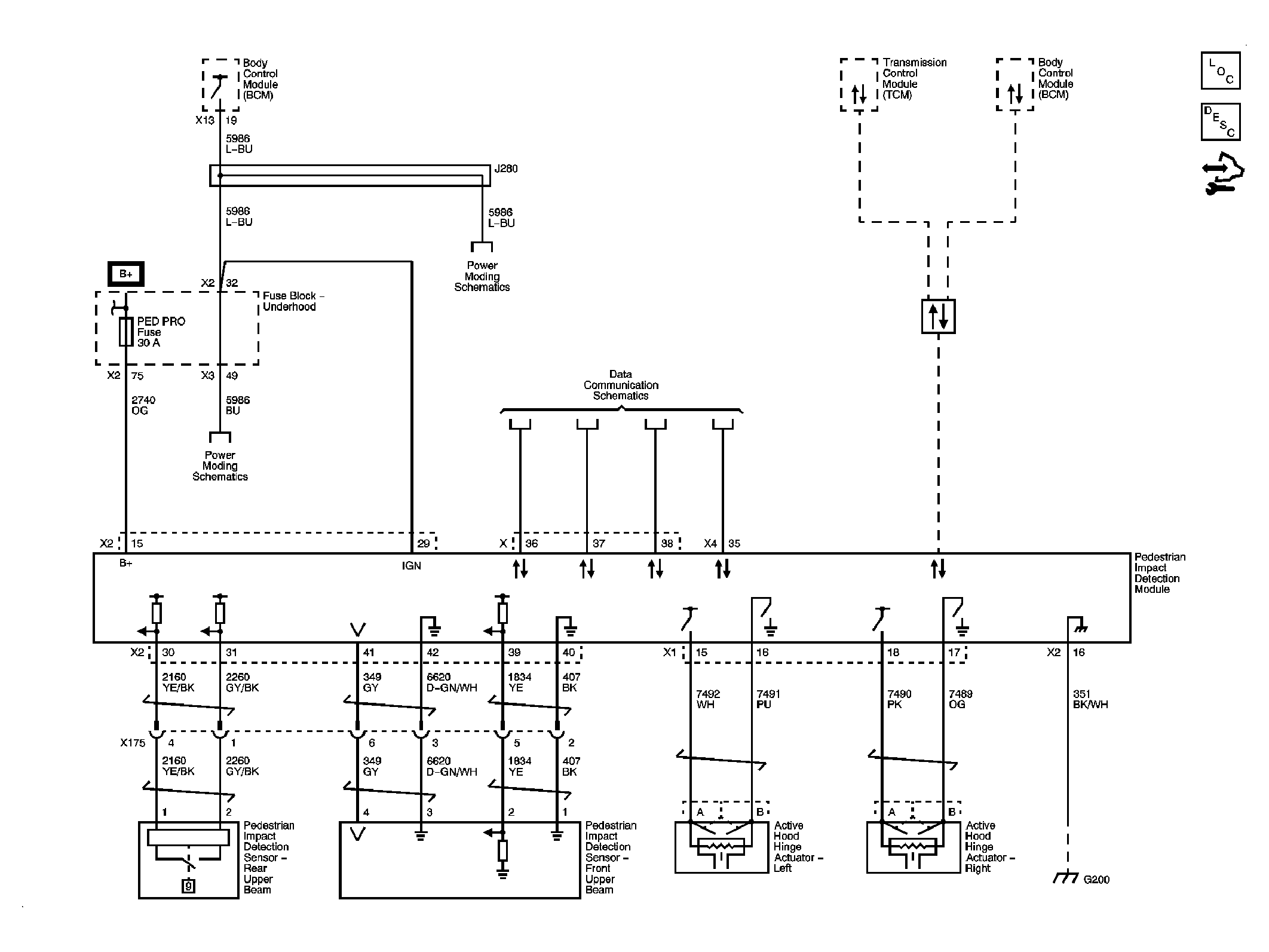
Fig 2: Pedestrian Impact Detection Schematic
GM1925975Courtesy of GENERAL MOTORS CORP.