LEMON Manuals: Even more car manuals for everyone: 1960-2025
Home >> Cadillac >> 2007 >> Escalade EXT >> Repair and Diagnosis (Single Page) >> External Pages >> Different car >> Section 1600 (Cellular Systems, Entertainment Systems & Navigation Systems) >> Schematic and Routing Diagrams >> Video System Schematics
April 5, 2026: LEMON Manuals is launched! Read the announcement.

Video System Schematics

WARNING: This page is about a different car, the 2010 GMC Sierra, 2010 GMC Cab & Chassis Sierra, 2010 Chevrolet Silverado, and 2010 Chevrolet Cab & Chassis Silverado. However, it is still accessible from the selected car via links, so may be relevant.
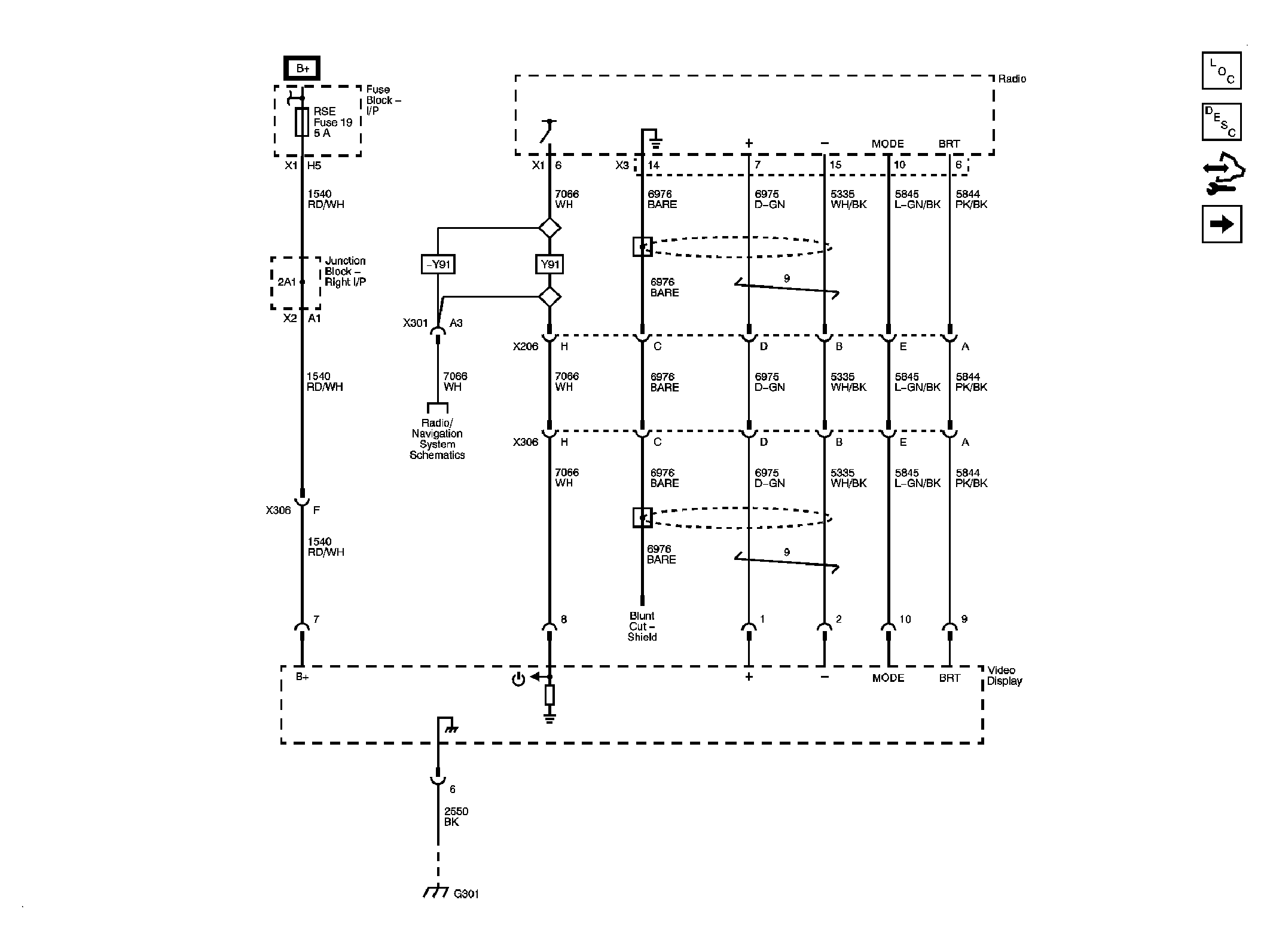
Fig 1: Display Power, Ground, and Video Signals
GM2224064Courtesy of GENERAL MOTORS CORP.
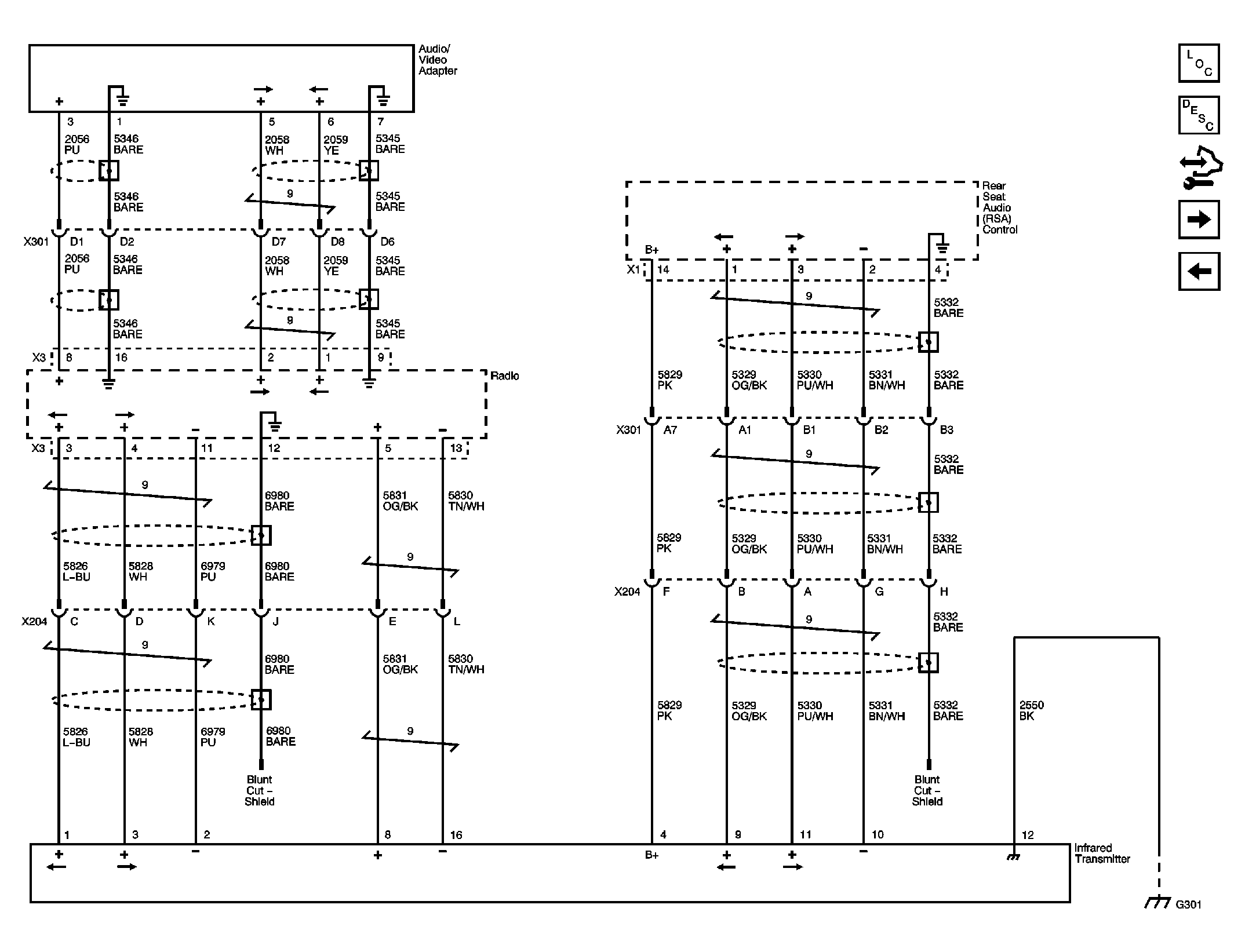
Fig 2: Audio Signals
GM2224065Courtesy of GENERAL MOTORS CORP.
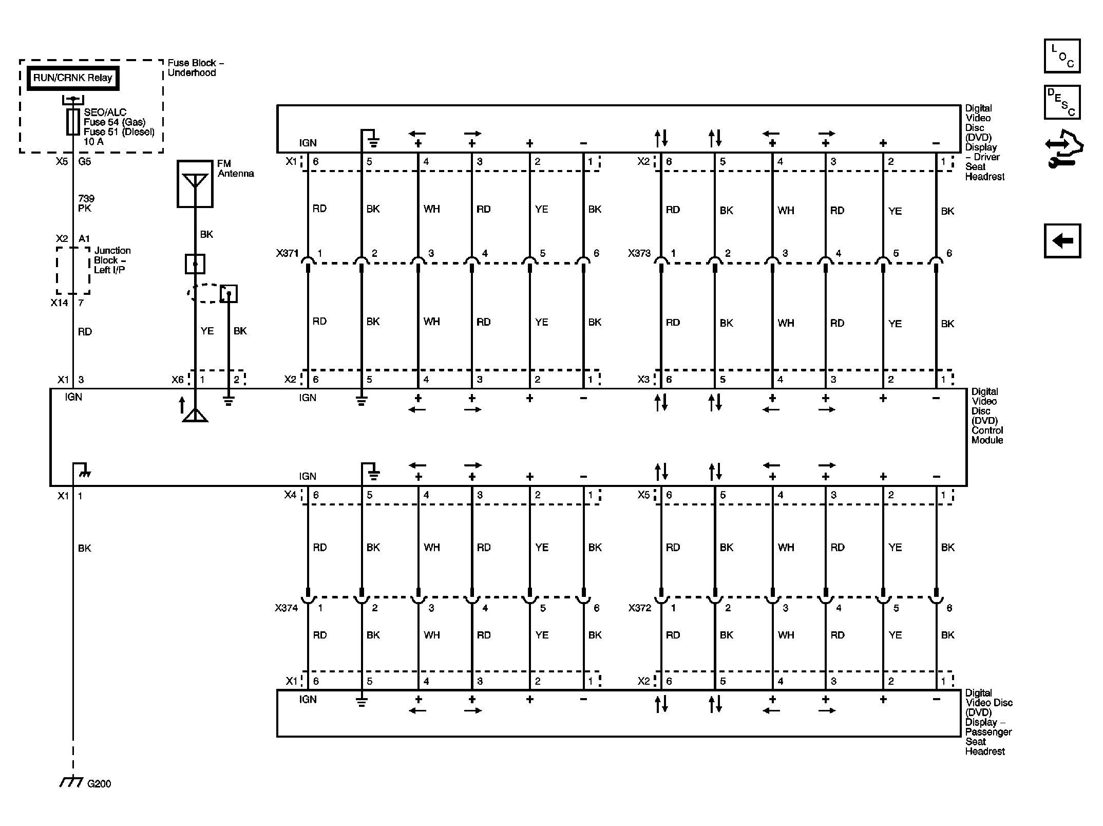
Fig 3: Dual DVD Headrest System (SPO DVD)
GM2334464Courtesy of GENERAL MOTORS CORP.