LEMON Manuals: Even more car manuals for everyone: 1960-2025
Home >> Cadillac >> 2007 >> Escalade EXT >> Repair and Diagnosis >> Body & Frame >> Ignition Switch/Steering Lock >> Wiring Systems And Power Management - Introduction >> Schematic and Routing Diagrams >> Ground Distribution Schematics
April 5, 2026: LEMON Manuals is launched! Read the announcement.

Ground Distribution Schematics

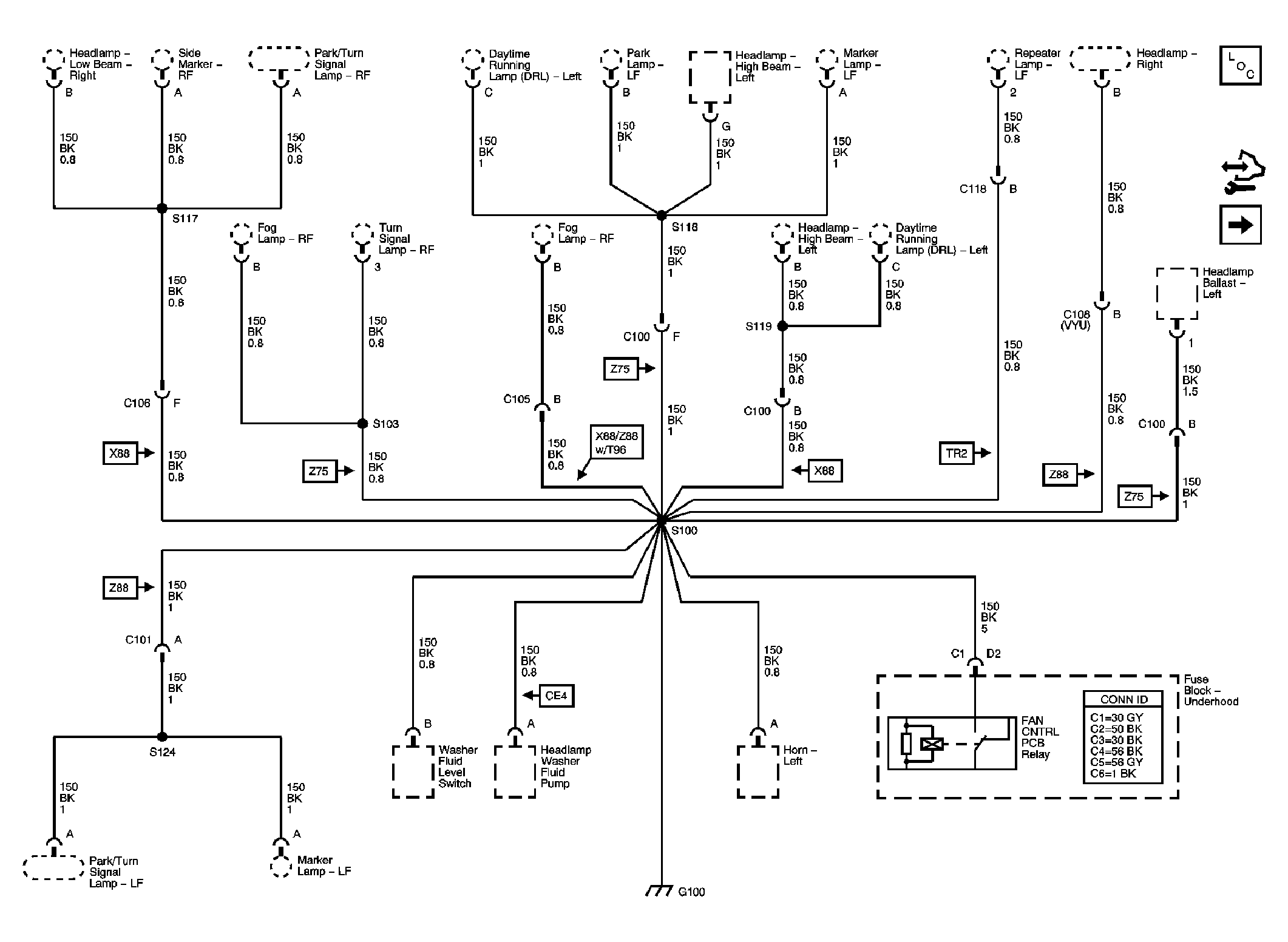
Fig 1: G100 Schematic
GM1699366Courtesy of GENERAL MOTORS CORP.
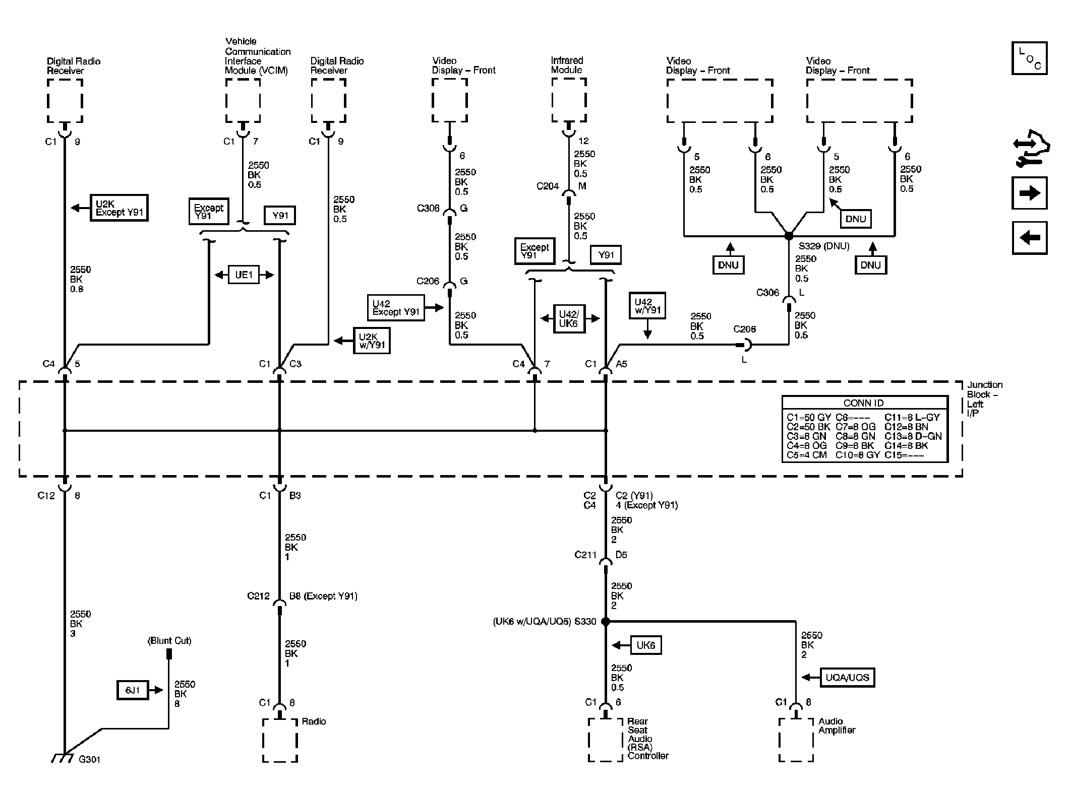
Fig 2: G101 Schematic
GM1699367Courtesy of GENERAL MOTORS CORP.
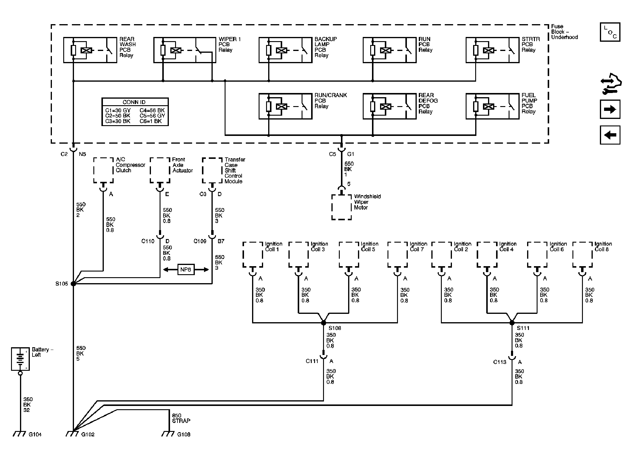
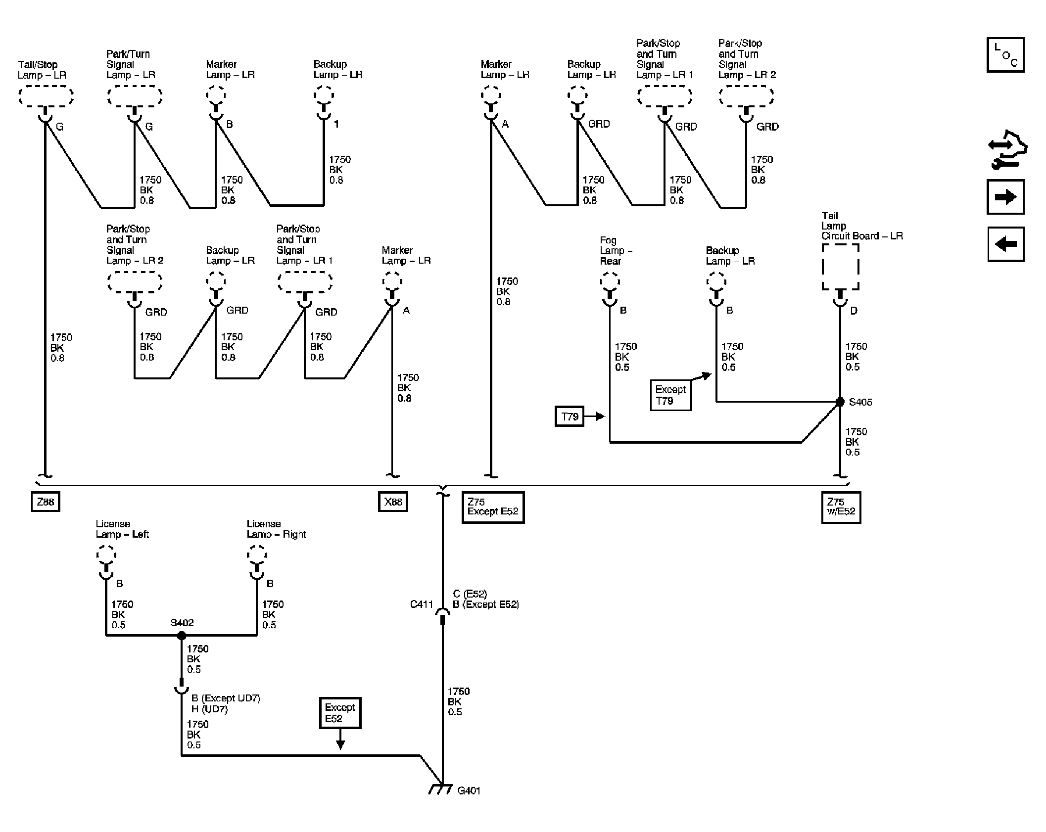
Fig 3: G102 & G108 Schematic
GM1699368Courtesy of GENERAL MOTORS CORP.
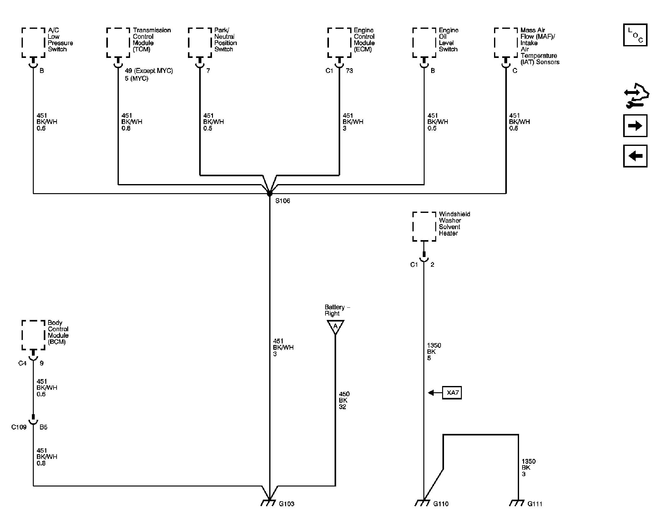
Fig 4: G103, G110, & G111 Schematic
GM1699369Courtesy of GENERAL MOTORS CORP.
Fig 5: G200 - 1 of 2 Schematic
GM1699371Courtesy of GENERAL MOTORS CORP.
Fig 6: G200 - 2 of 2 Schematic
GM1699372Courtesy of GENERAL MOTORS CORP.
Fig 7: G201 Schematic
GM1699373Courtesy of GENERAL MOTORS CORP.
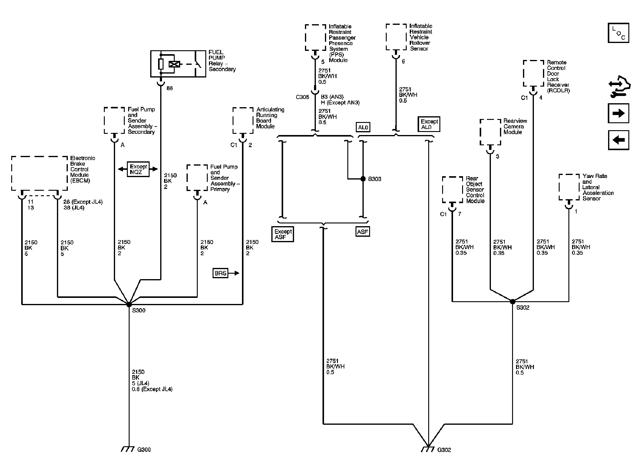
Fig 8: G300 & G302 Schematic
GM1699375Courtesy of GENERAL MOTORS CORP.
Fig 9: G301 Schematic
GM1699378Courtesy of GENERAL MOTORS CORP.
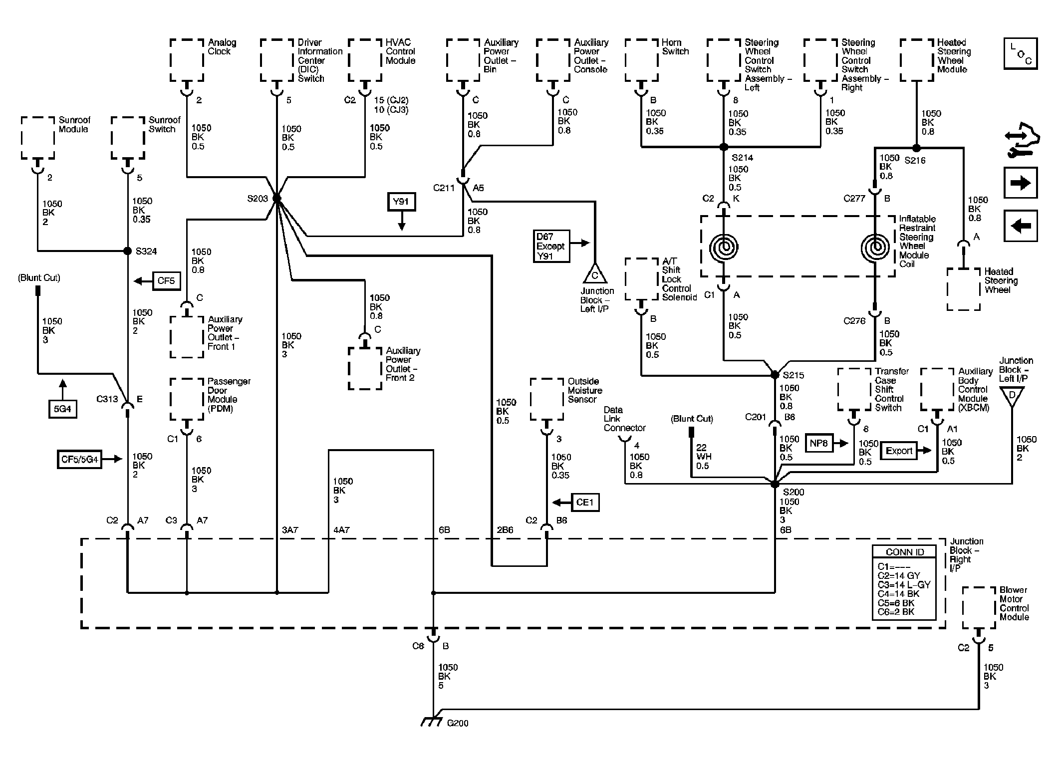
Fig 10: G303, G304, & G305 Schematic
GM1699379Courtesy of GENERAL MOTORS CORP.
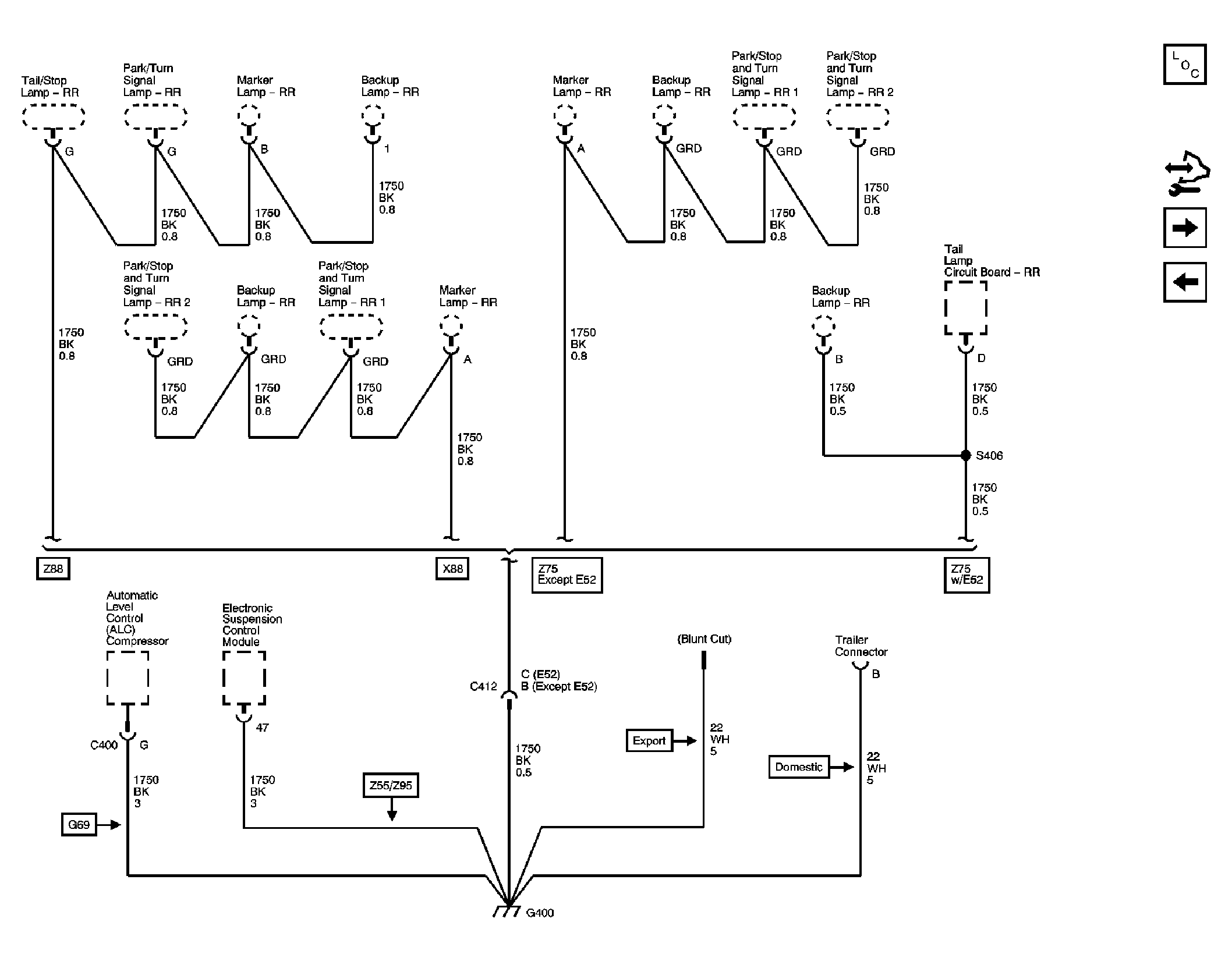
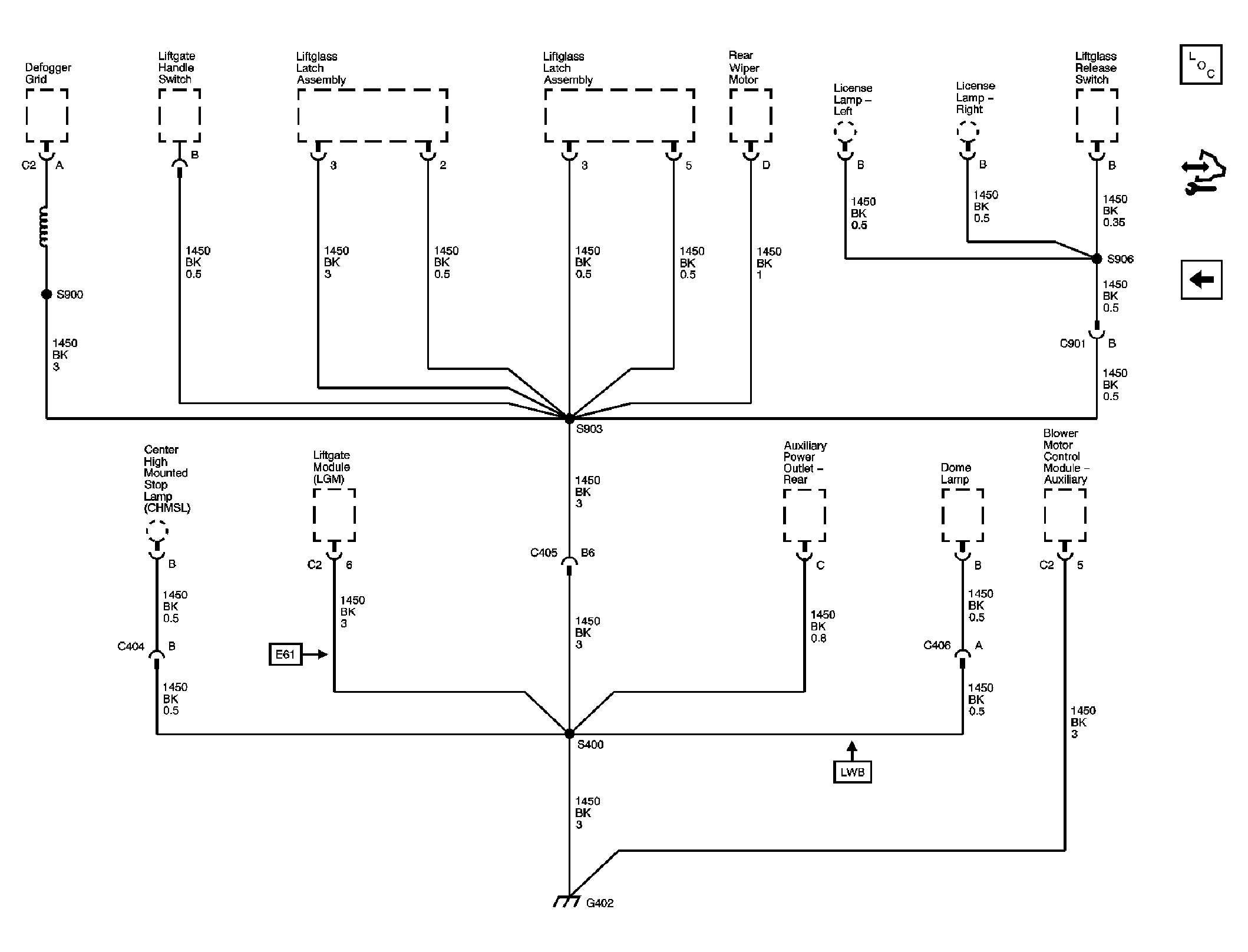
Fig 11: G400 Schematic
GM1699382Courtesy of GENERAL MOTORS CORP.
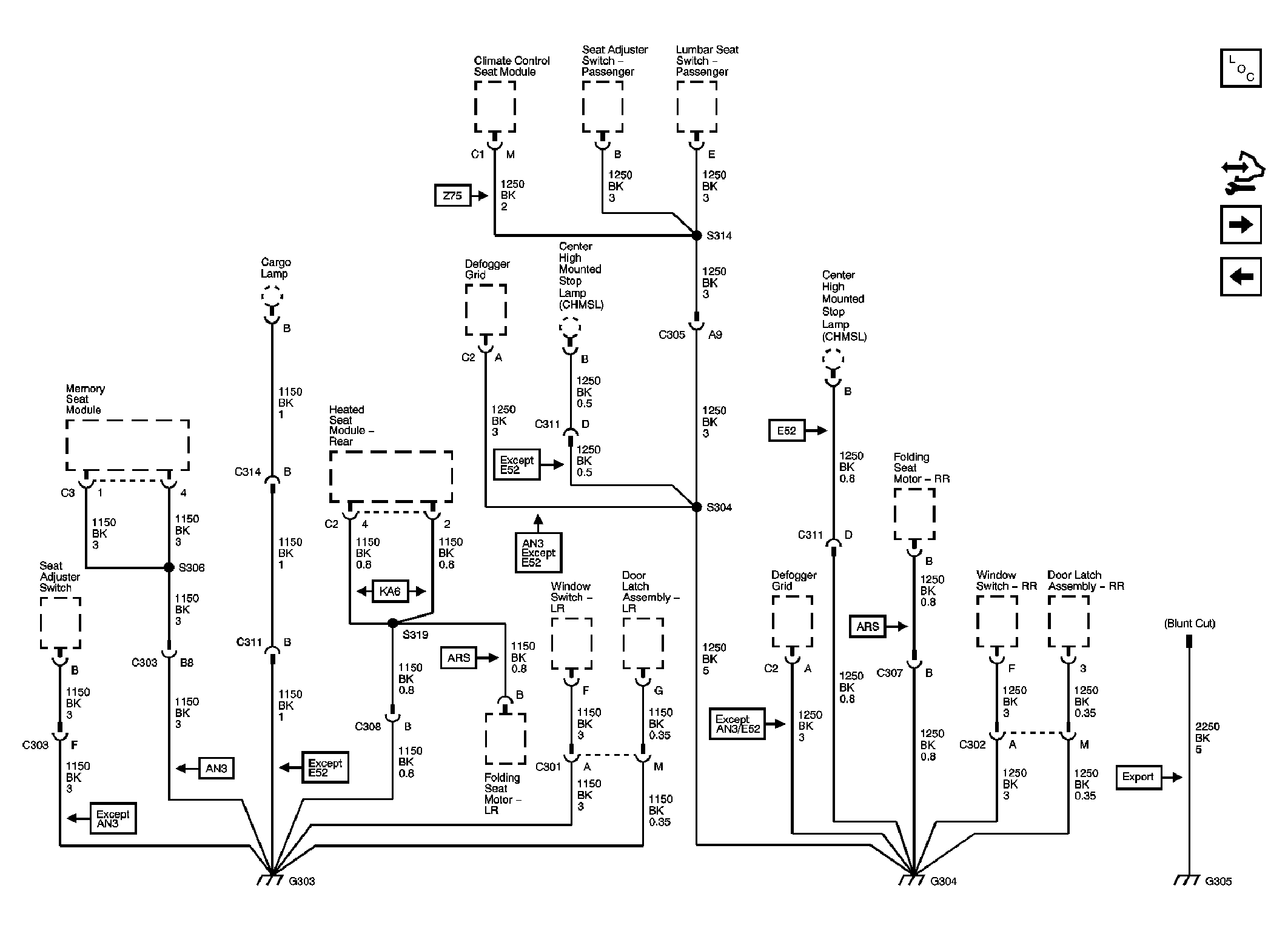
Fig 12: G401 Schematic
GM1699384Courtesy of GENERAL MOTORS CORP.
Fig 13: G402 - E52 Schematic
GM1699387Courtesy of GENERAL MOTORS CORP.