LEMON Manuals: Even more car manuals for everyone: 1960-2025
Home >> Cadillac >> 2007 >> Escalade EXT >> Repair and Diagnosis >> Body & Frame >> Ignition Switch/Steering Lock >> Wiring Systems And Power Management - Introduction >> Schematic and Routing Diagrams >> Power Distribution Schematics
April 5, 2026: LEMON Manuals is launched! Read the announcement.

Power Distribution Schematics

Fig 1: B+ Bus - 1 of 3 Schematic
GM1689677Courtesy of GENERAL MOTORS CORP.
Fig 2: B+ Bus - 2 of 3 Schematic
GM1689680Courtesy of GENERAL MOTORS CORP.
Fig 3: B+ Bus - 3 of 3 Schematic
GM1689681Courtesy of GENERAL MOTORS CORP.
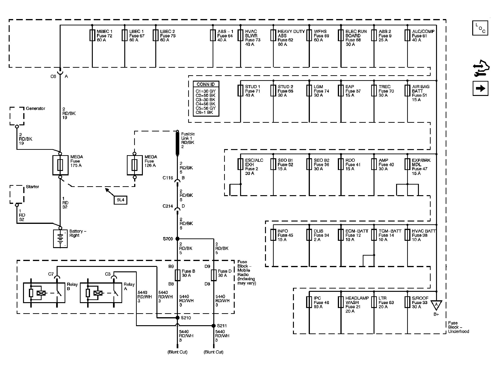
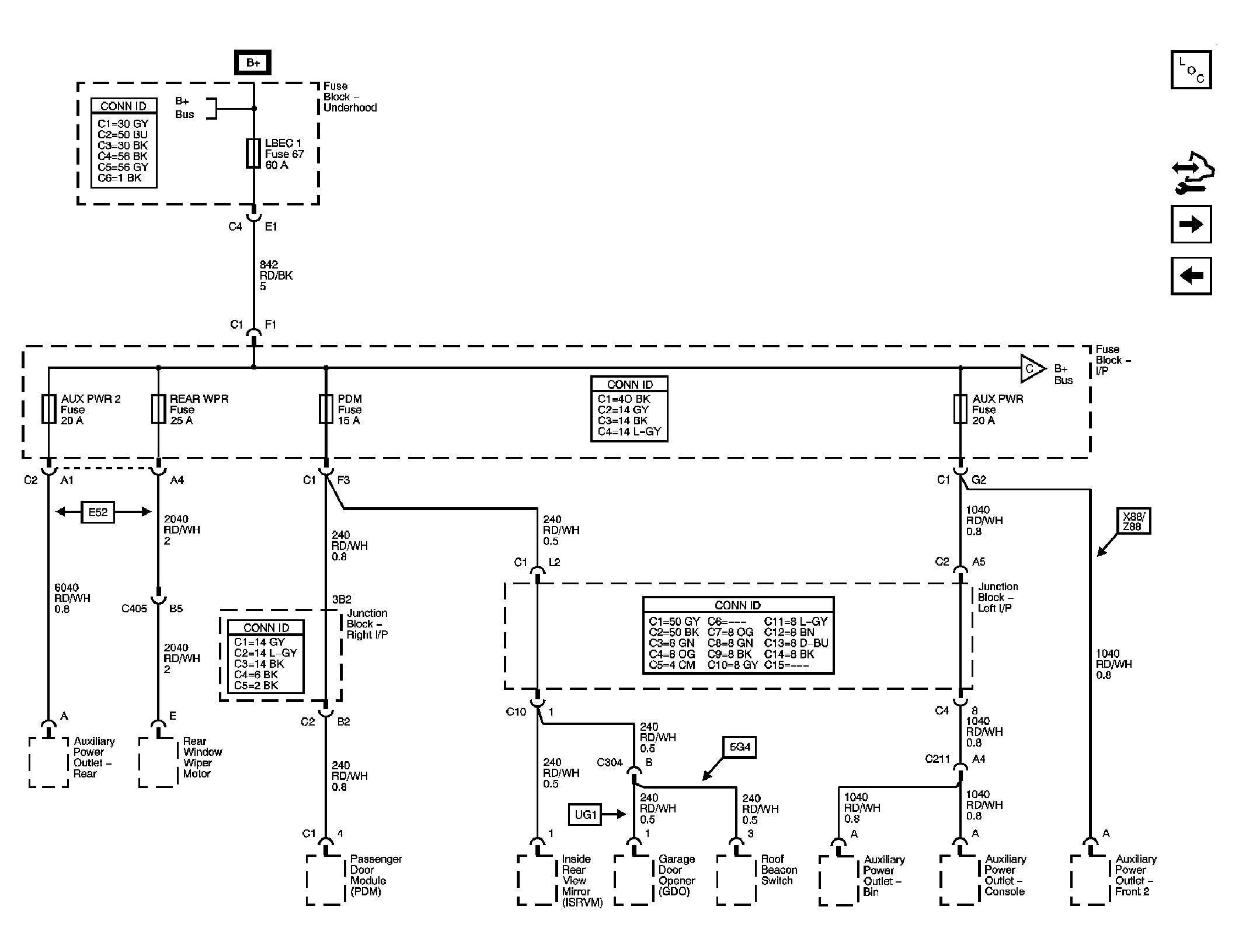
Fig 4: AUX PWR, AUX PWR 2, LBEC 1, PDM, & REAR WPR Fuses Schematic
GM1689682Courtesy of GENERAL MOTORS CORP.
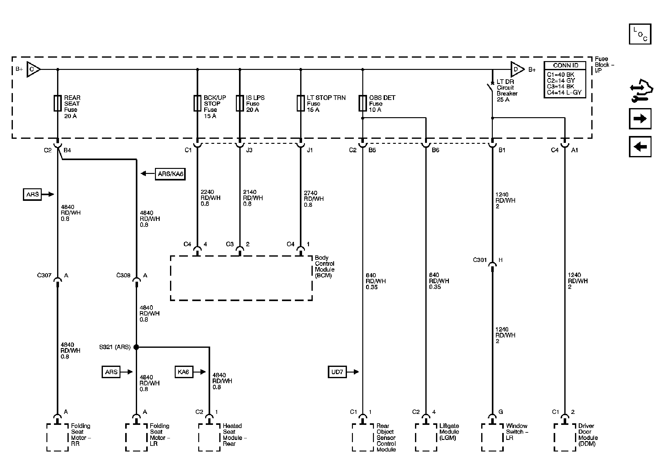
Fig 5: BCK/UP STOP, IS LPS, LT STOP TRN, OBS DET, & REAR SEAT Fuses & LT DR Circuit Breaker Schematic
GM1689684Courtesy of GENERAL MOTORS CORP.
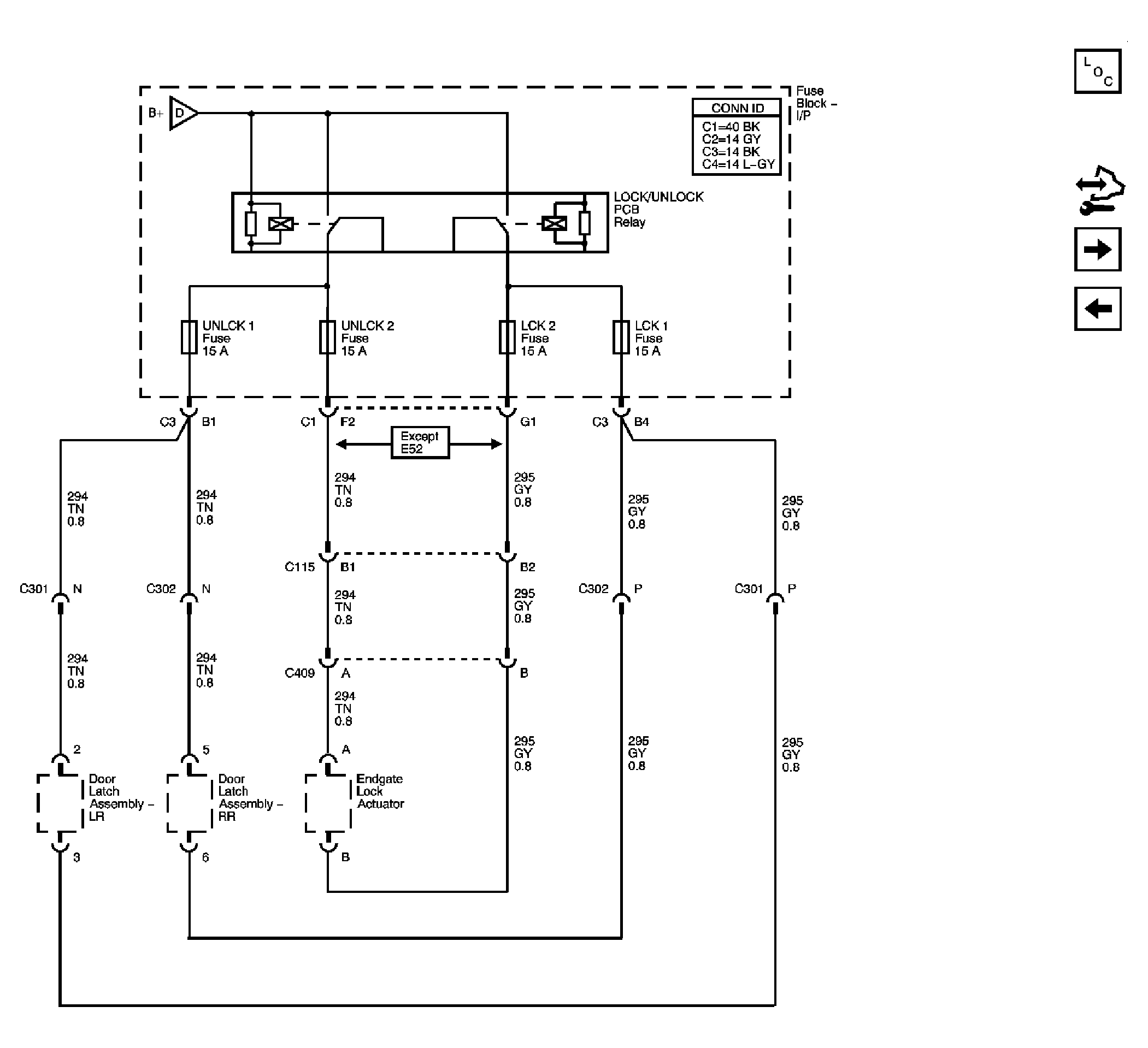
Fig 6: LCK 1, LCK2, UNLCK 1, & UNLCK2 Fuses Schematic
GM1689686Courtesy of GENERAL MOTORS CORP.
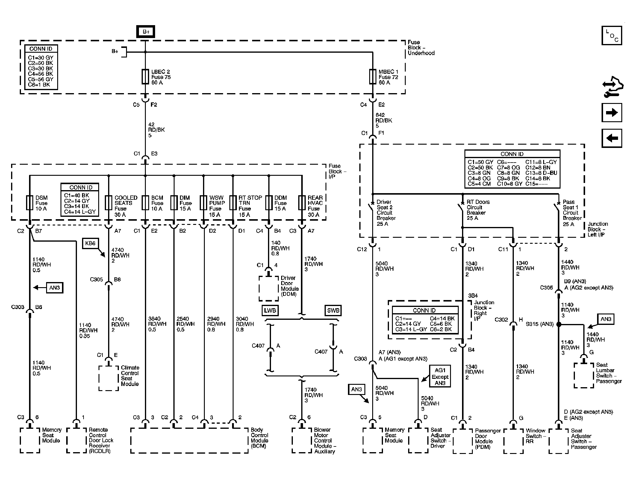
Fig 7: BCM, COOLED SEATS, DDM, DIM, DSM, LBEC 2, MBEC 1, REAR HVAC, RT STOP TRN, & WSW PUMP Fuses & DRIVER SEAT 2, PASS SEAT 1, & RT DOORS Circuit Breakers Schematic
GM1689688Courtesy of GENERAL MOTORS CORP.
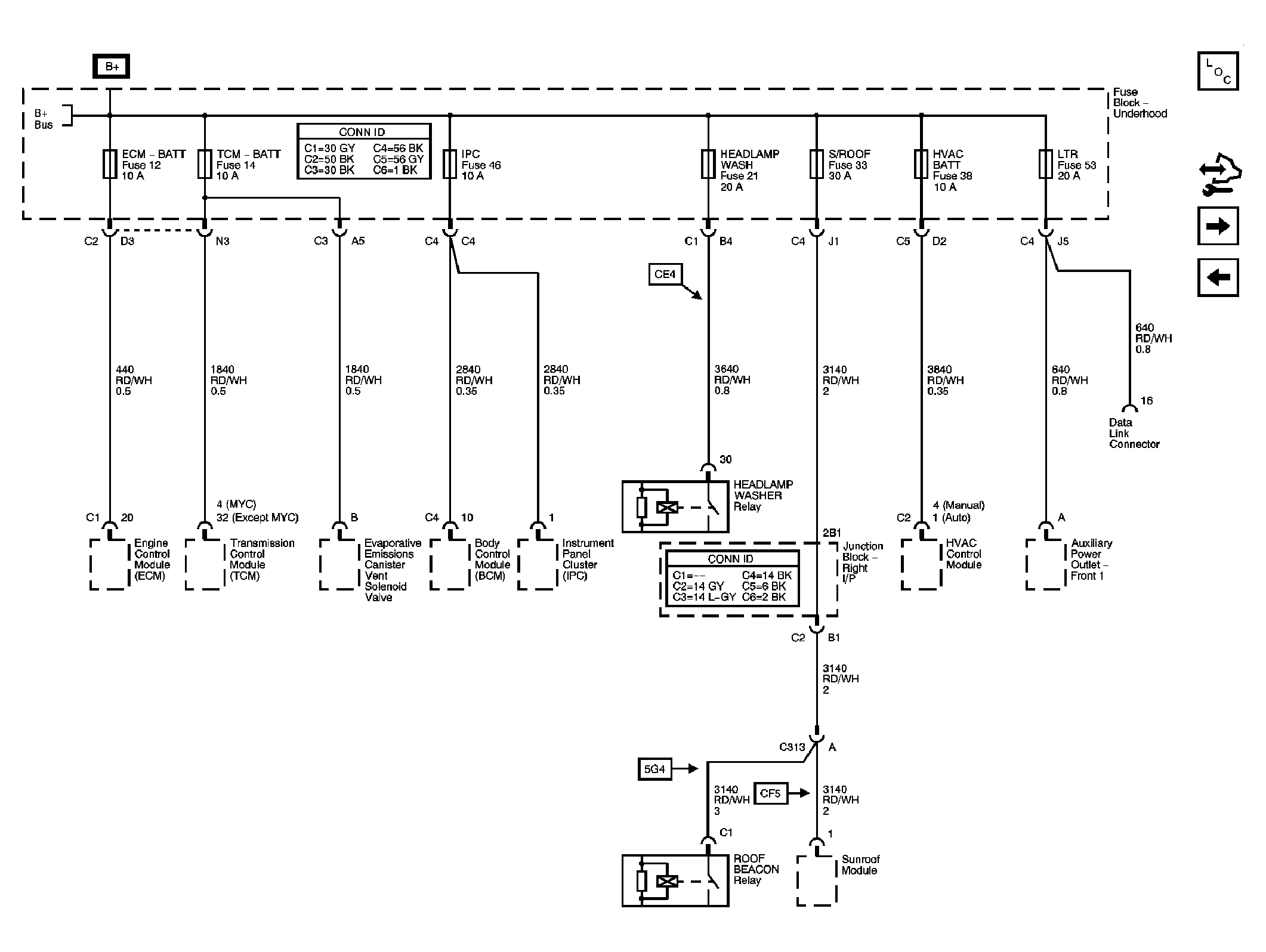
Fig 8: ECM-BATT, HEADLAMP WASH, HVAC BATT, IPC, LTR, S/ROOF, & TCM-BATT Fuses Schematic
GM1689691Courtesy of GENERAL MOTORS CORP.
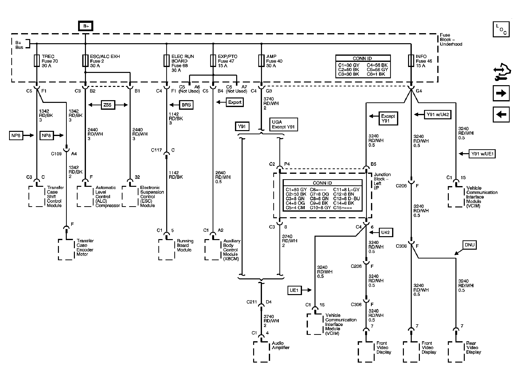
Fig 9: AMP, ELEC RUN BOARD, ESC/ALC EXH, EXP/BRK MDL, INFO, & TREC Fuses Schematic
GM1689694Courtesy of GENERAL MOTORS CORP.
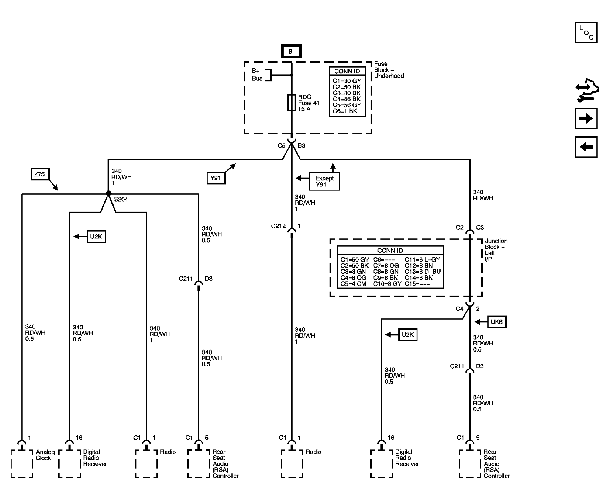
Fig 10: RDO Fuse Schematic
GM1689696Courtesy of GENERAL MOTORS CORP.
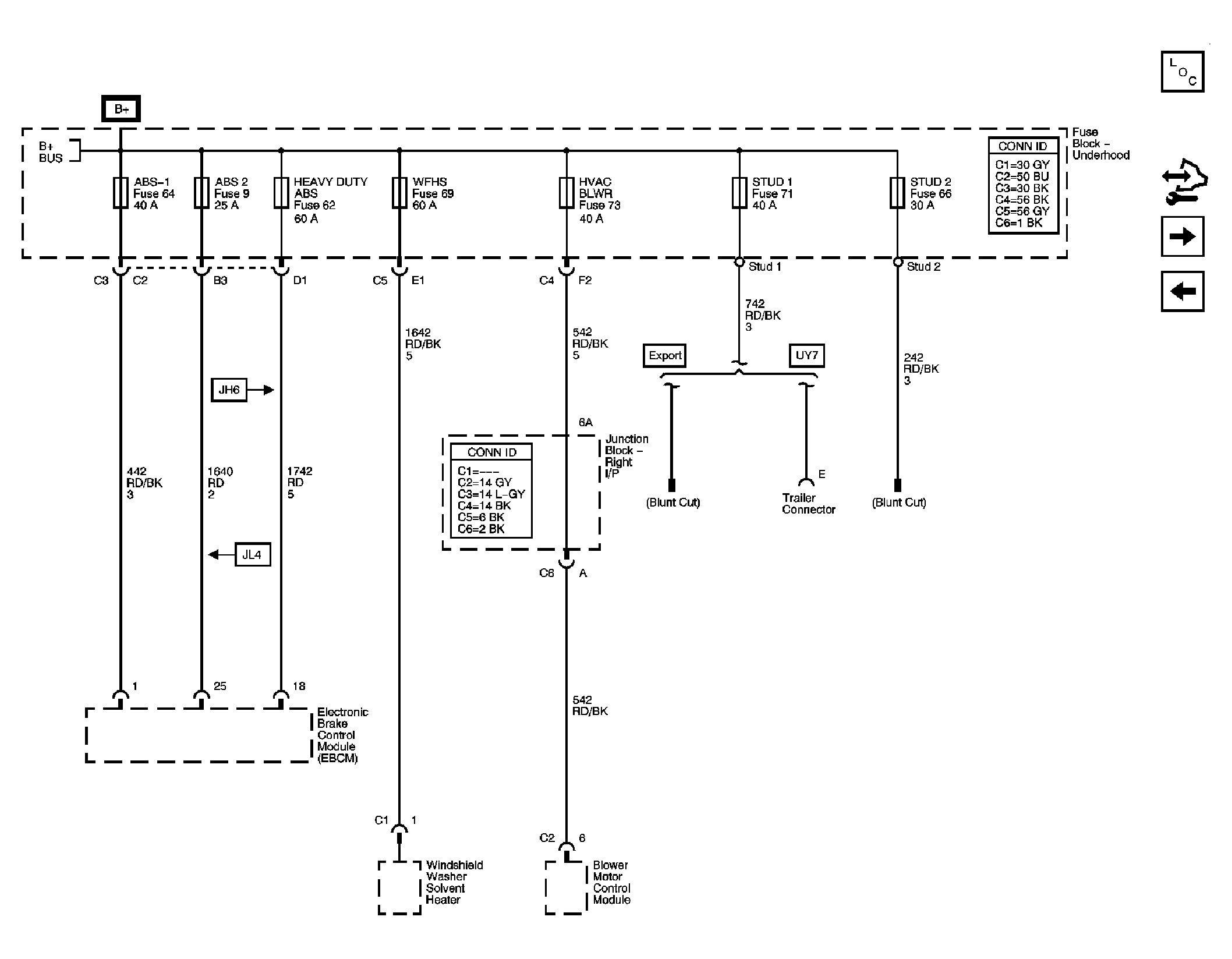
Fig 11: ABS-1, ABS 2, HEAVY DUTY ABS, HVAC BLWR, STUD 1, STUD 2, & WFHS Fuses Schematic
GM1689698Courtesy of GENERAL MOTORS CORP.
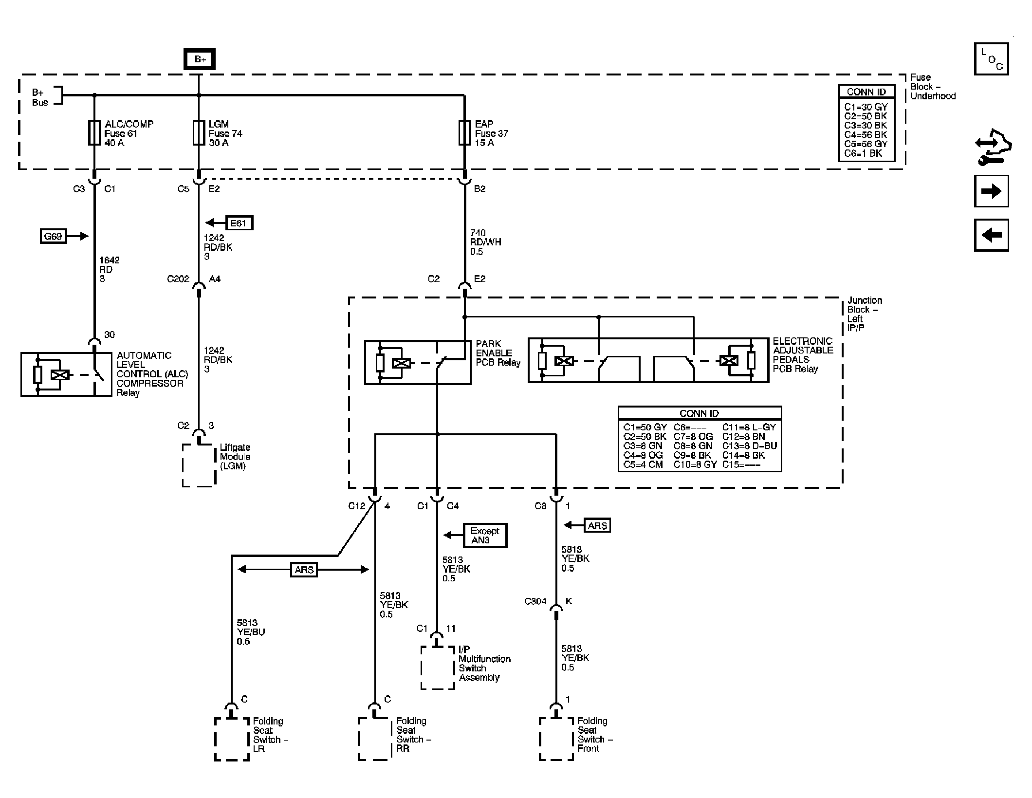
Fig 12: ALC/COMP, EAP, & LGM Fuses Schematic
GM1689701Courtesy of GENERAL MOTORS CORP.
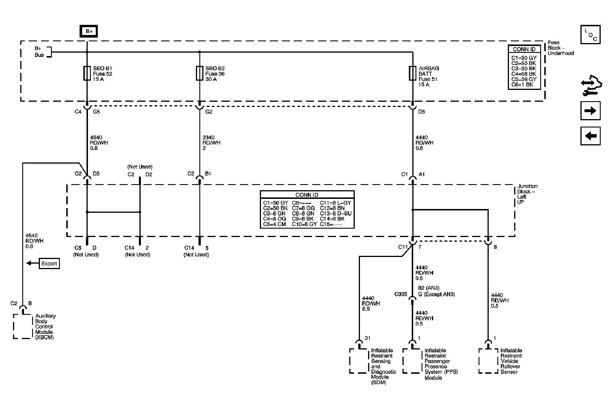
Fig 13: AIRBAG, SEO B1, & SEO B2 Fuses Schematic
GM1689704Courtesy of GENERAL MOTORS CORP.
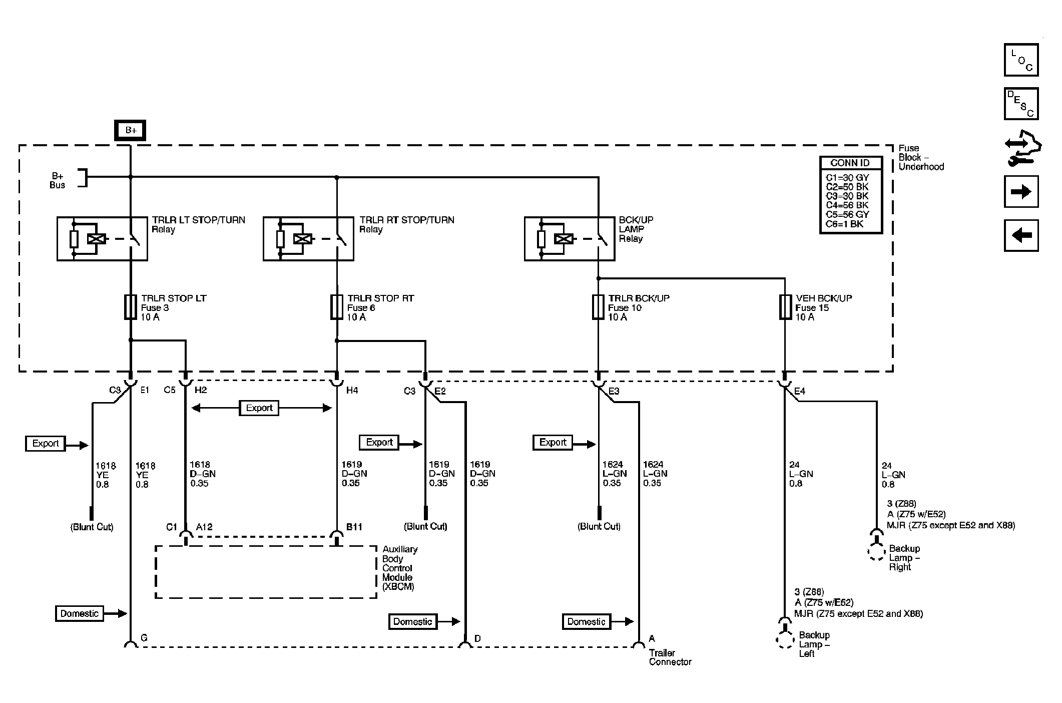
Fig 14: TRLR BCK/UP, TRLR STOP LT, TRAILER STOP RT, & VEH BCK/UP Fuses Schematic
GM1689721Courtesy of GENERAL MOTORS CORP.
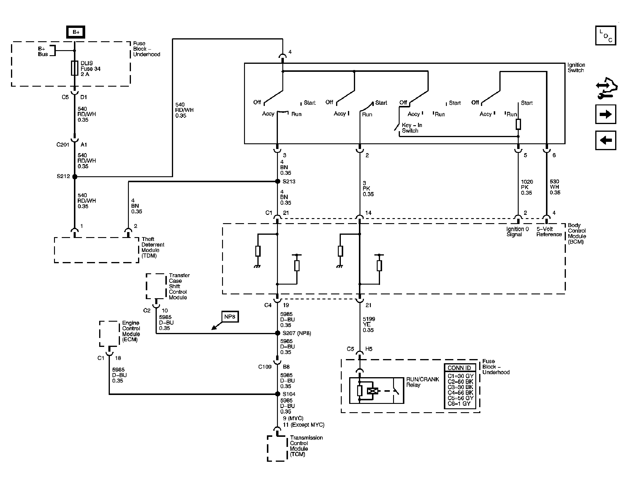
Fig 15: DLIS Fuse & Ignition Switch Schematic
GM1689706Courtesy of GENERAL MOTORS CORP.
Fig 16: PWR/TRN Bus - ECM/THROT, ENG, O2-A SNSR, & O2-B SNSR Fuses Schematic
GM1689725Courtesy of GENERAL MOTORS CORP.
Fig 17: PWR/TRN Bus - INJ- A & INJ-B Fuses Schematic
GM1689728Courtesy of GENERAL MOTORS CORP.
Fig 18: RUN/CRANK Bus - AIRBAG IGN, MISC IGN, & SEO/ALC Fuses Schematic
GM1689730Courtesy of GENERAL MOTORS CORP.
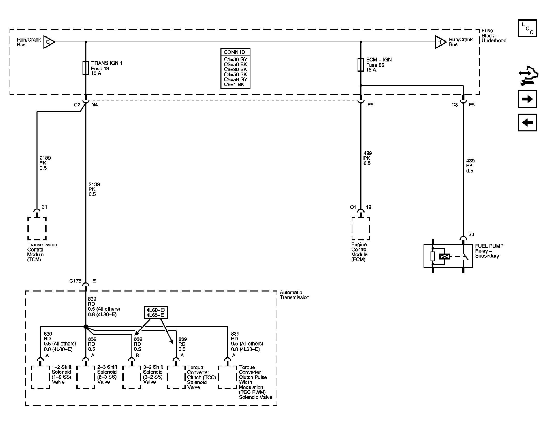
Fig 19: RUN/CRANK Bus - ECM-IGN AND TRANS IGN 1 Fuses Schematic
GM1689731Courtesy of GENERAL MOTORS CORP.
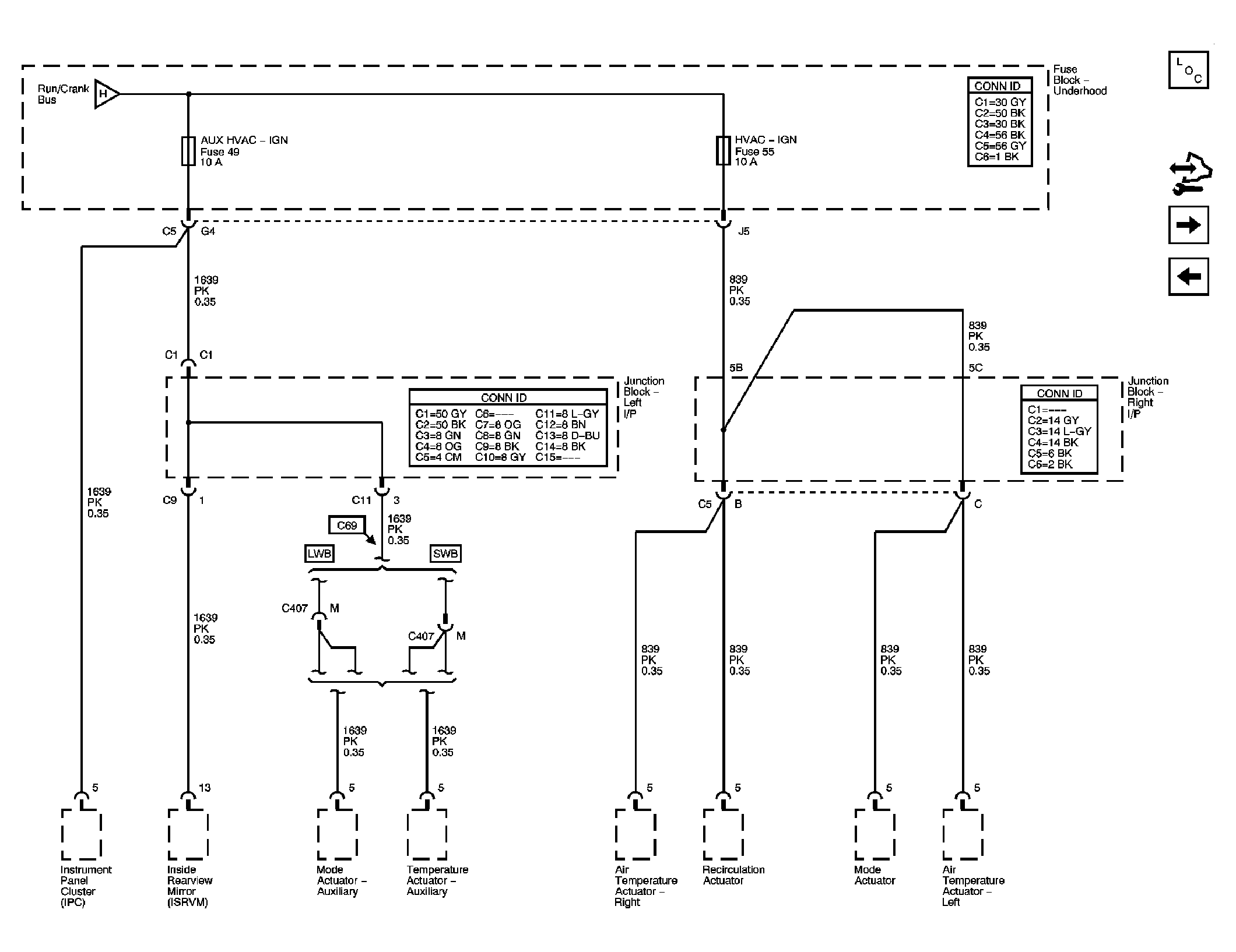
Fig 20: RUN/CRANK Bus - AUX HVAC - IGN, & HVAC - IGN Fuses Schematic
GM1689734Courtesy of GENERAL MOTORS CORP.
Fig 21: FWD & HTD STR/WHL Fuses Schematic
GM1689736Courtesy of GENERAL MOTORS CORP.
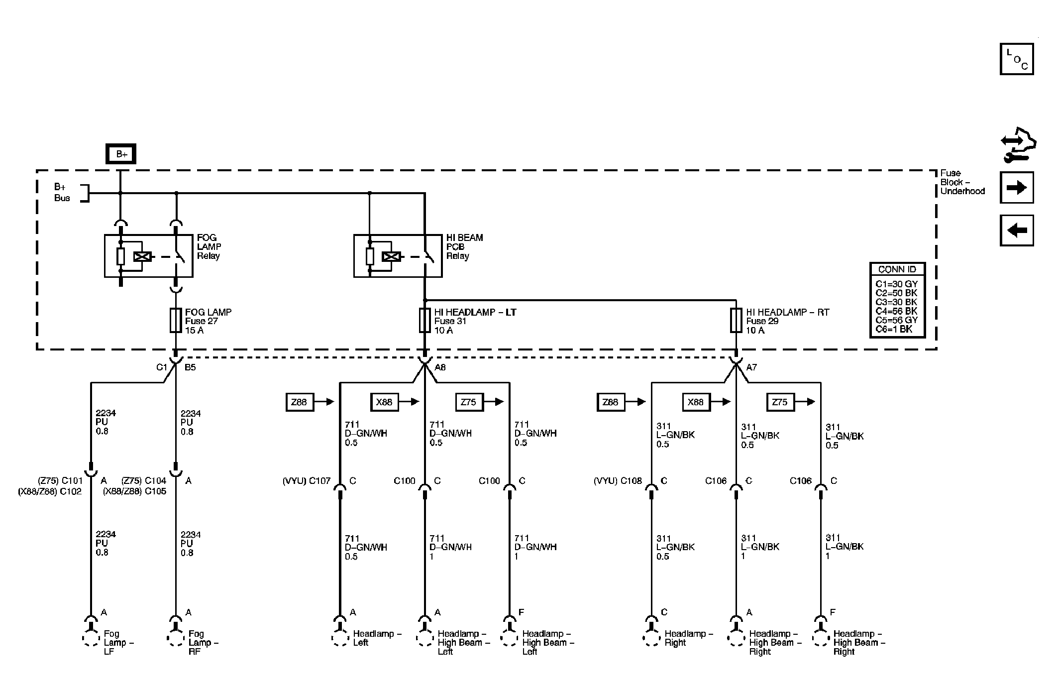
Fig 22: FOG LAMP, HI HEADLAMP - LT, & HI HEADLAMP - RT Fuses Schematic
GM1689707Courtesy of GENERAL MOTORS CORP.
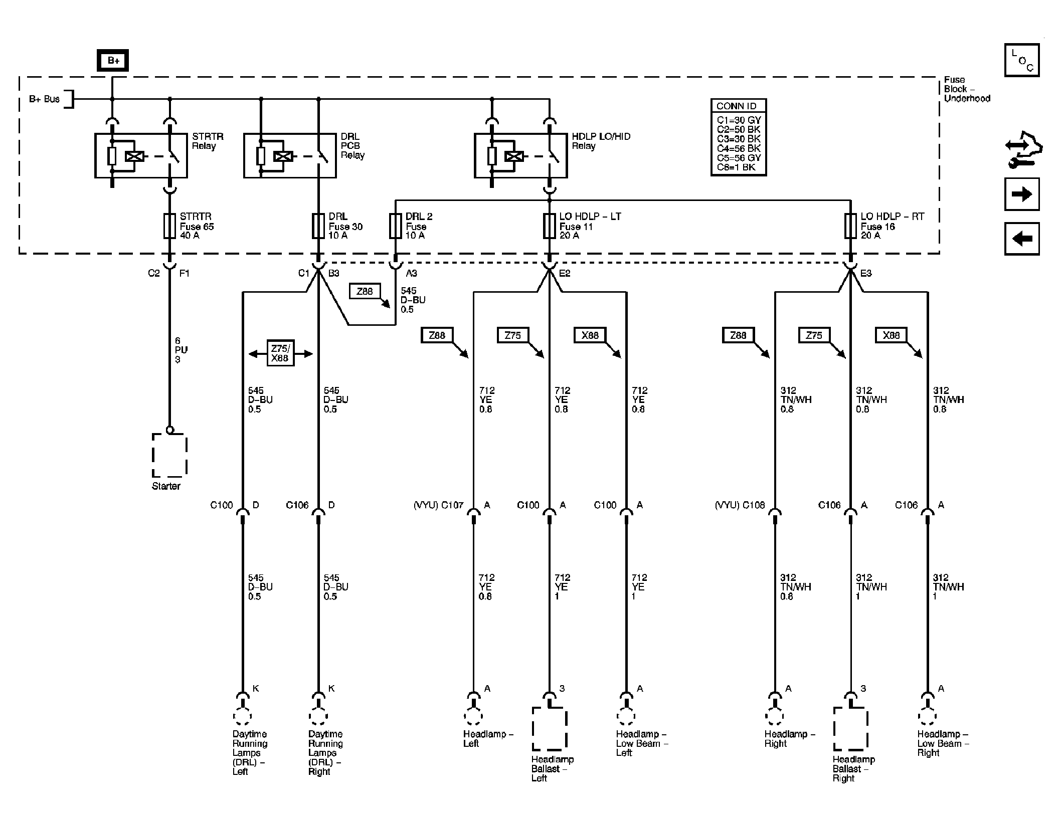
Fig 23: DRL, DRL 2, LO HDLP-LT, LO HDLP-RT, & STRTR Fuses Schematic
GM1689709Courtesy of GENERAL MOTORS CORP.
Fig 24: LT PRK Fuse Schematic
GM1689715Courtesy of GENERAL MOTORS CORP.
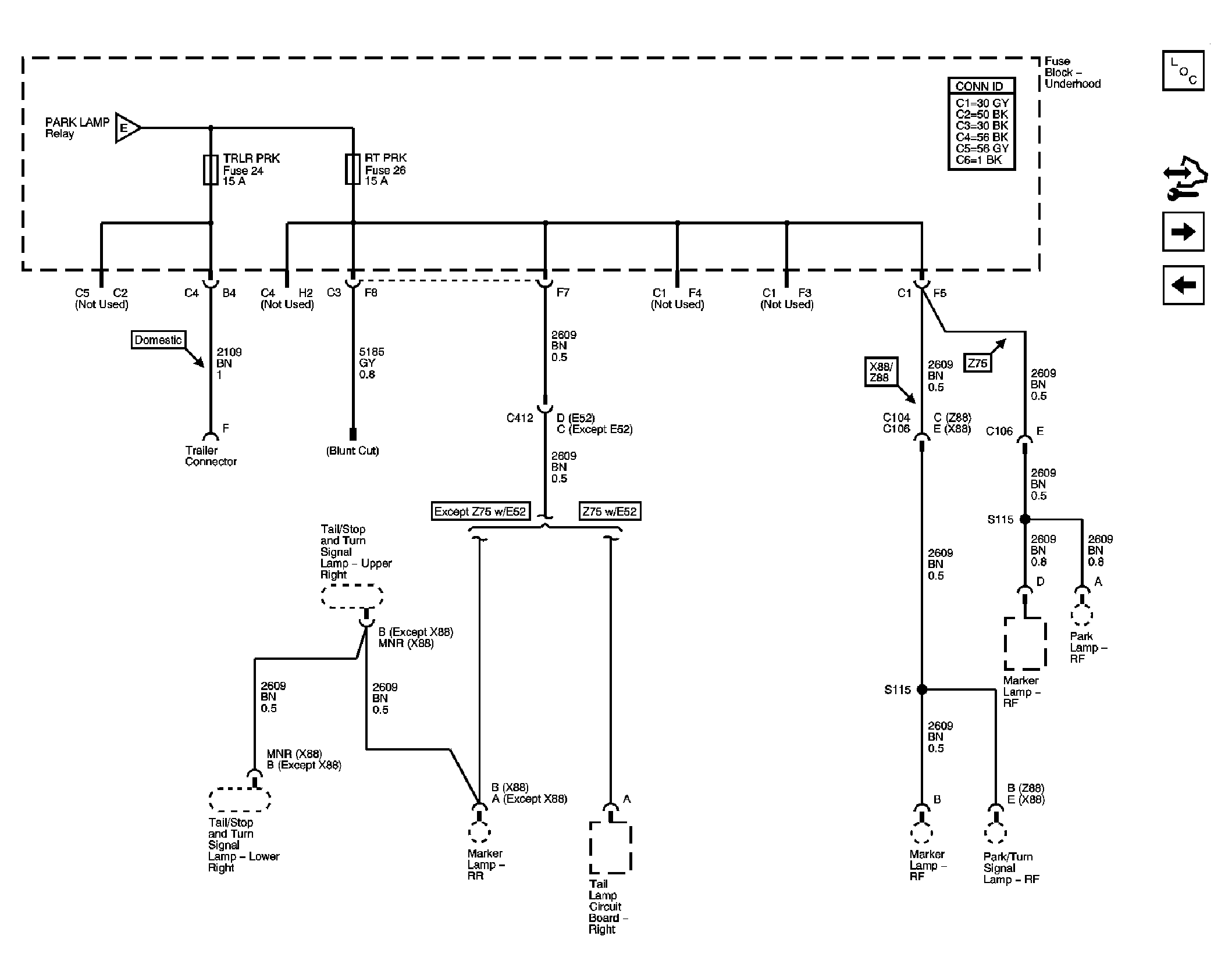
Fig 25: RT PRK AND TRLR PRK Fuses Schematic
GM1689718Courtesy of GENERAL MOTORS CORP.
Fig 26: A/C CMPRSR, FRT WASH FUEL PUMP, HORN, REAR DEFOG, & REAR WASH Fuses Schematic
GM1689723Courtesy of GENERAL MOTORS CORP.