LEMON Manuals: Even more car manuals for everyone: 1960-2025
Home >> Cadillac >> 2007 >> Escalade EXT >> Repair and Diagnosis >> External Pages >> Different car >> Section 1061 (Anti-Lock Brake System, Traction Control System & Stability Control System) >> Schematic Wiring Diagrams >> Antilock Brake System Wiring Schematics
April 5, 2026: LEMON Manuals is launched! Read the announcement.

Antilock Brake System Wiring Schematics

WARNING: This page is about a different car, the 2008 GMC Sierra, 2008 GMC Cab & Chassis Sierra, 2008 Chevrolet Silverado, and 2008 Chevrolet Cab & Chassis Silverado. However, it is still accessible from the selected car via links, so may be relevant.
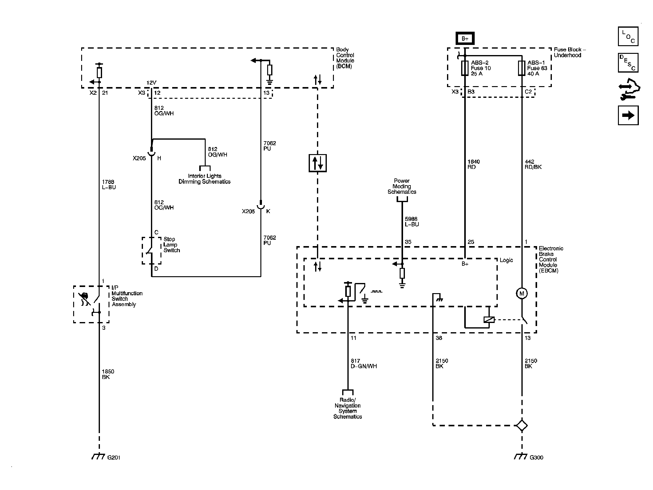
Fig 1: Module Power, Ground, Serial Data, Pump Motor and Brake Switch (JL4 VSES)
GM1915117Courtesy of GENERAL MOTORS CORP.
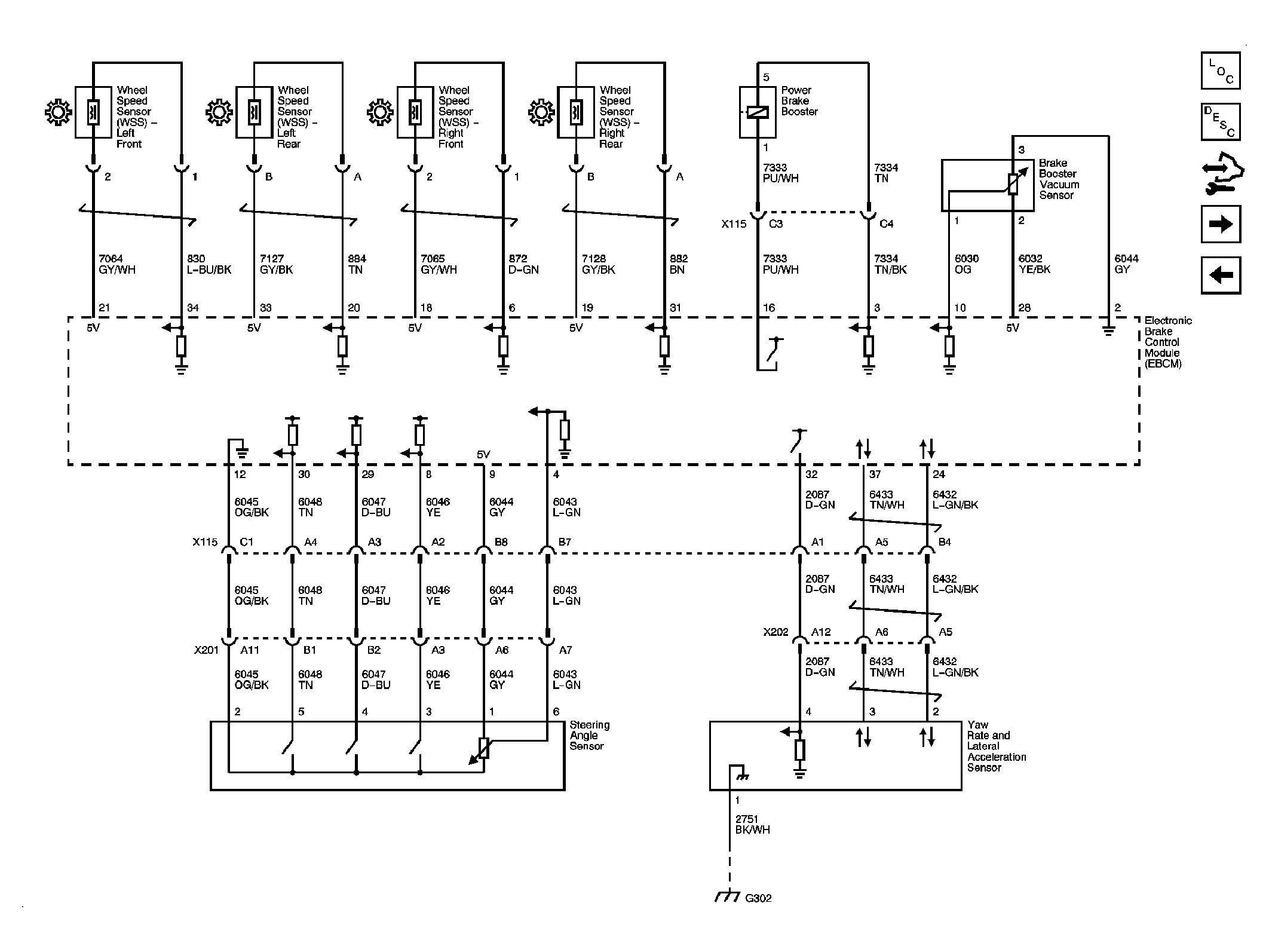
Fig 2: Sensors (JL4 VSES)
GM1915121Courtesy of GENERAL MOTORS CORP.
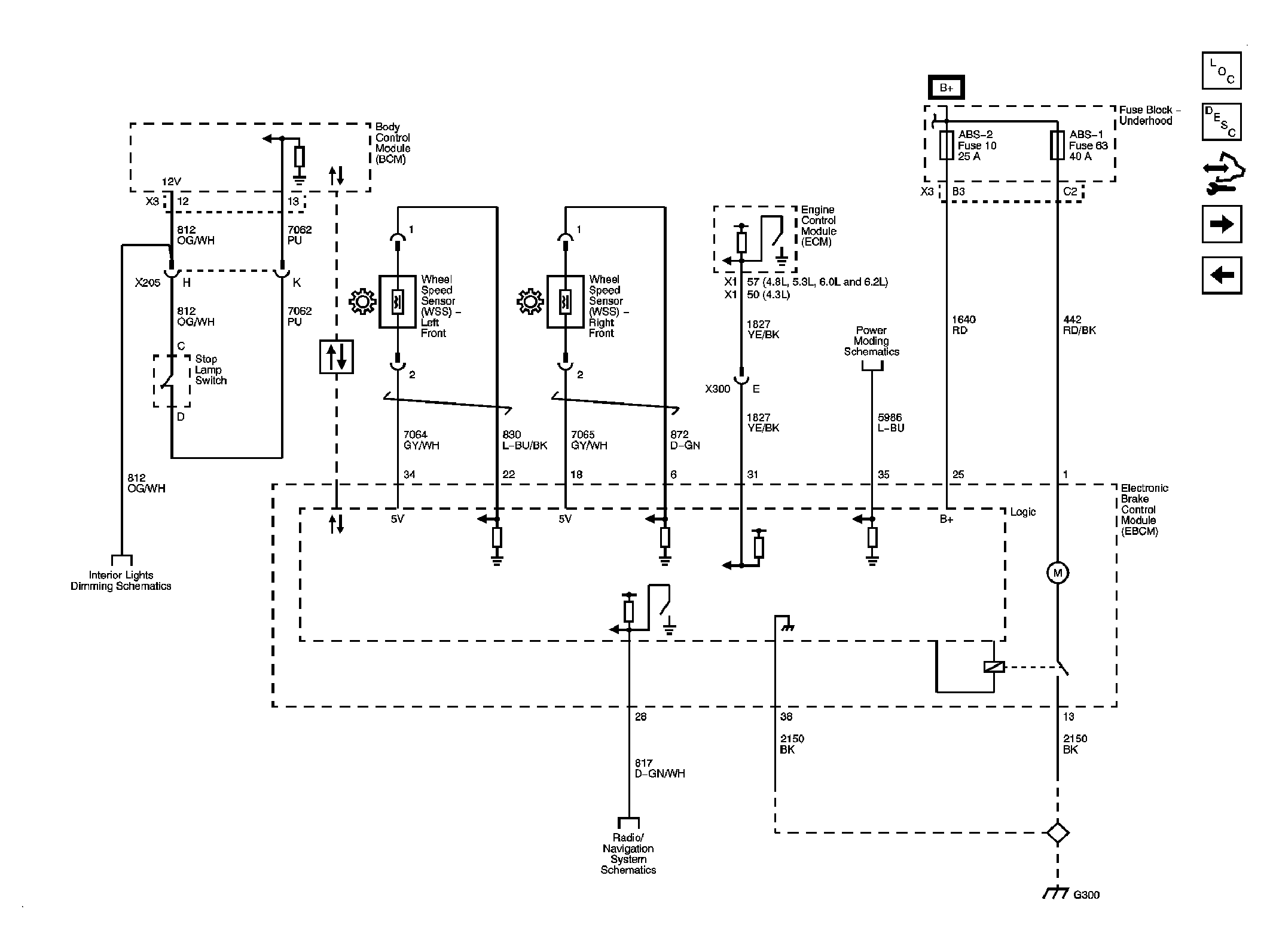
Fig 3: JF3/JF7
GM1915128Courtesy of GENERAL MOTORS CORP.
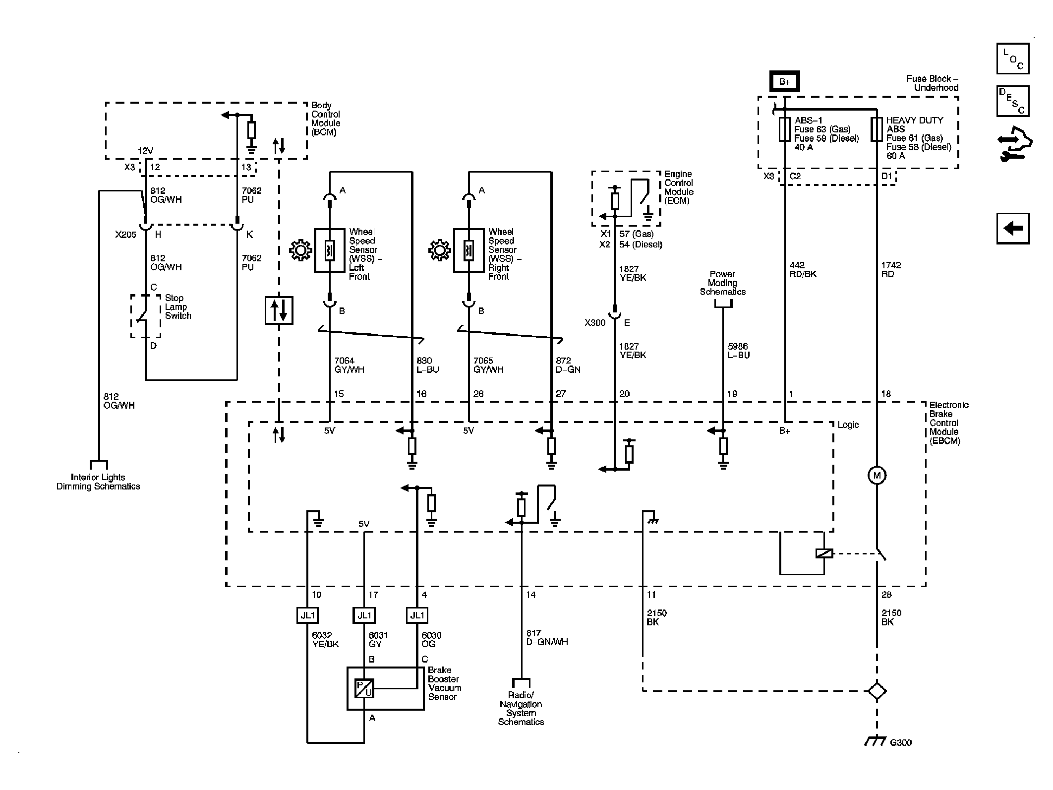
Fig 4: JH6/JH7
GM1915132Courtesy of GENERAL MOTORS CORP.