LEMON Manuals: Even more car manuals for everyone: 1960-2025
Home >> Cadillac >> 2007 >> Escalade EXT >> Repair and Diagnosis >> External Pages >> Different car >> Section 1522 (Engine Controls And Fuel - 2.4L - Introduction) >> Schematic and Routing Diagrams >> Engine Controls Schematics
April 5, 2026: LEMON Manuals is launched! Read the announcement.

Engine Controls Schematics

WARNING: This page is about a different car, the 2009 Saturn Vue. However, it is still accessible from the selected car via links, so may be relevant.
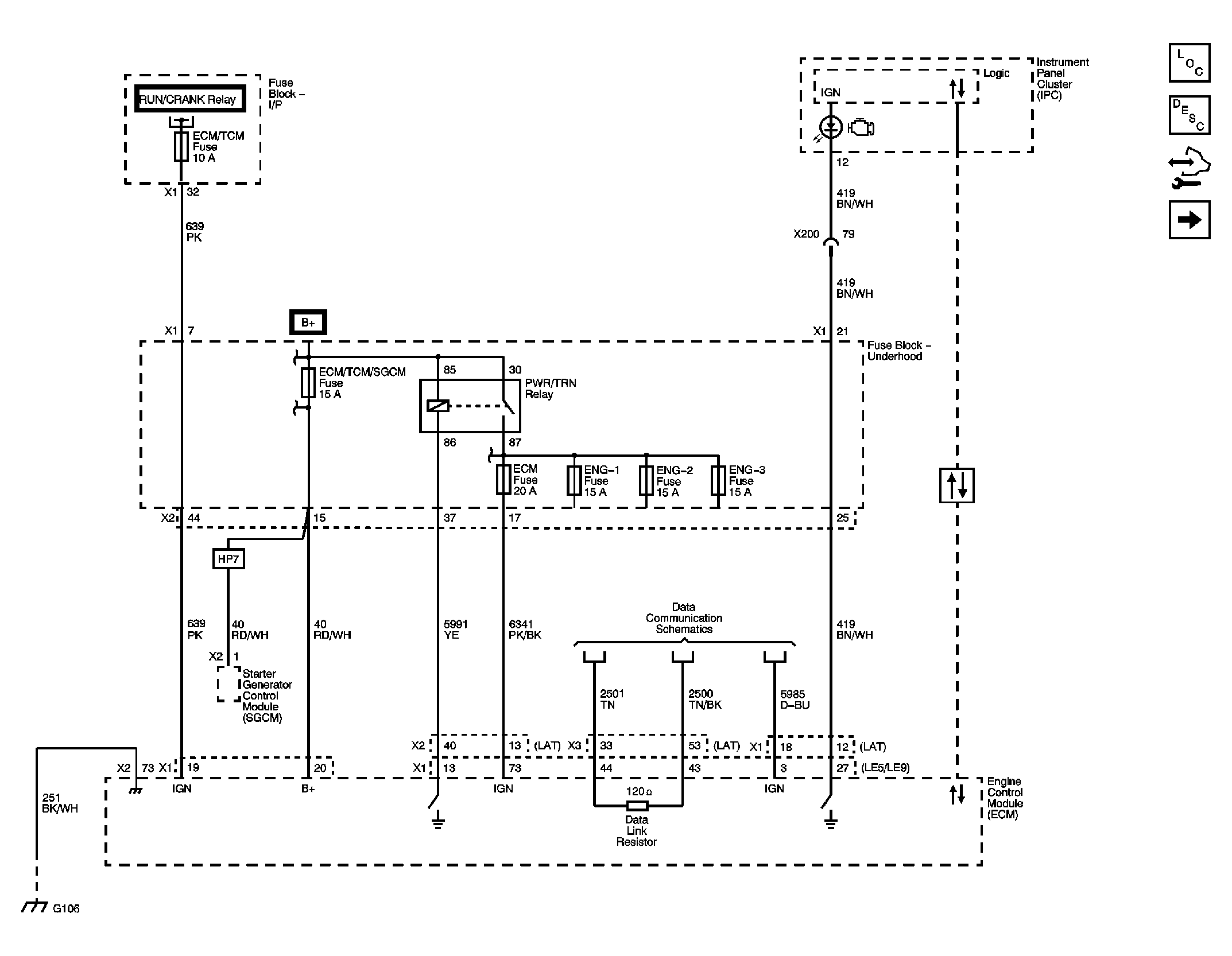
Fig 1: Power, Ground, Serial Data and MIL (LAT/LE5/LE9)
GM2079711Courtesy of GENERAL MOTORS CORP.
Fig 2: Engine Data Sensors - 5-Volt and Low Reference (LAT/LE5/LE9)
GM2079714Courtesy of GENERAL MOTORS CORP.
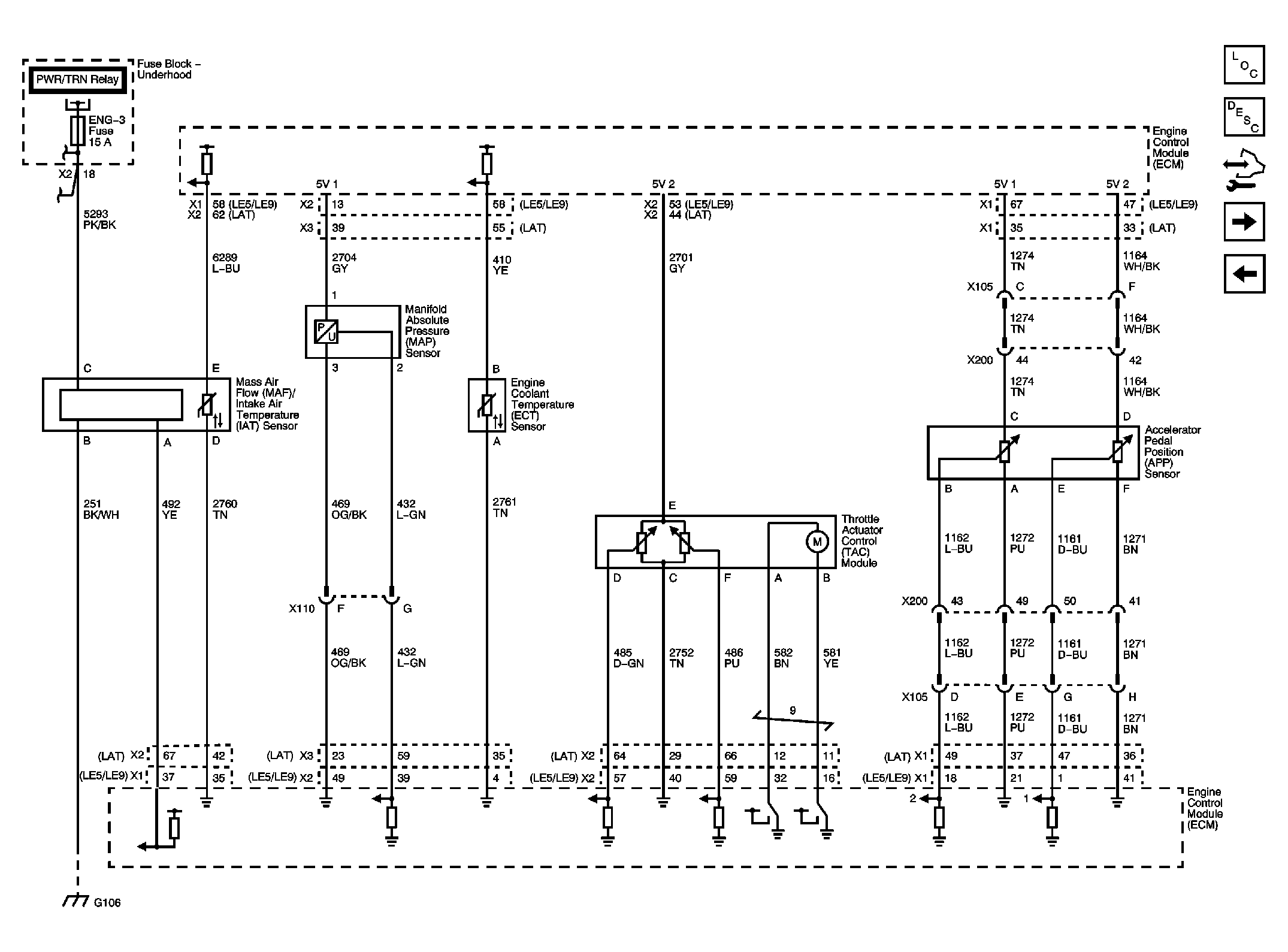
Fig 3: Engine Data Sensors - Pressure, Temperature and MAF/IAT (LAT/LE5/LE9)
GM2079716Courtesy of GENERAL MOTORS CORP.
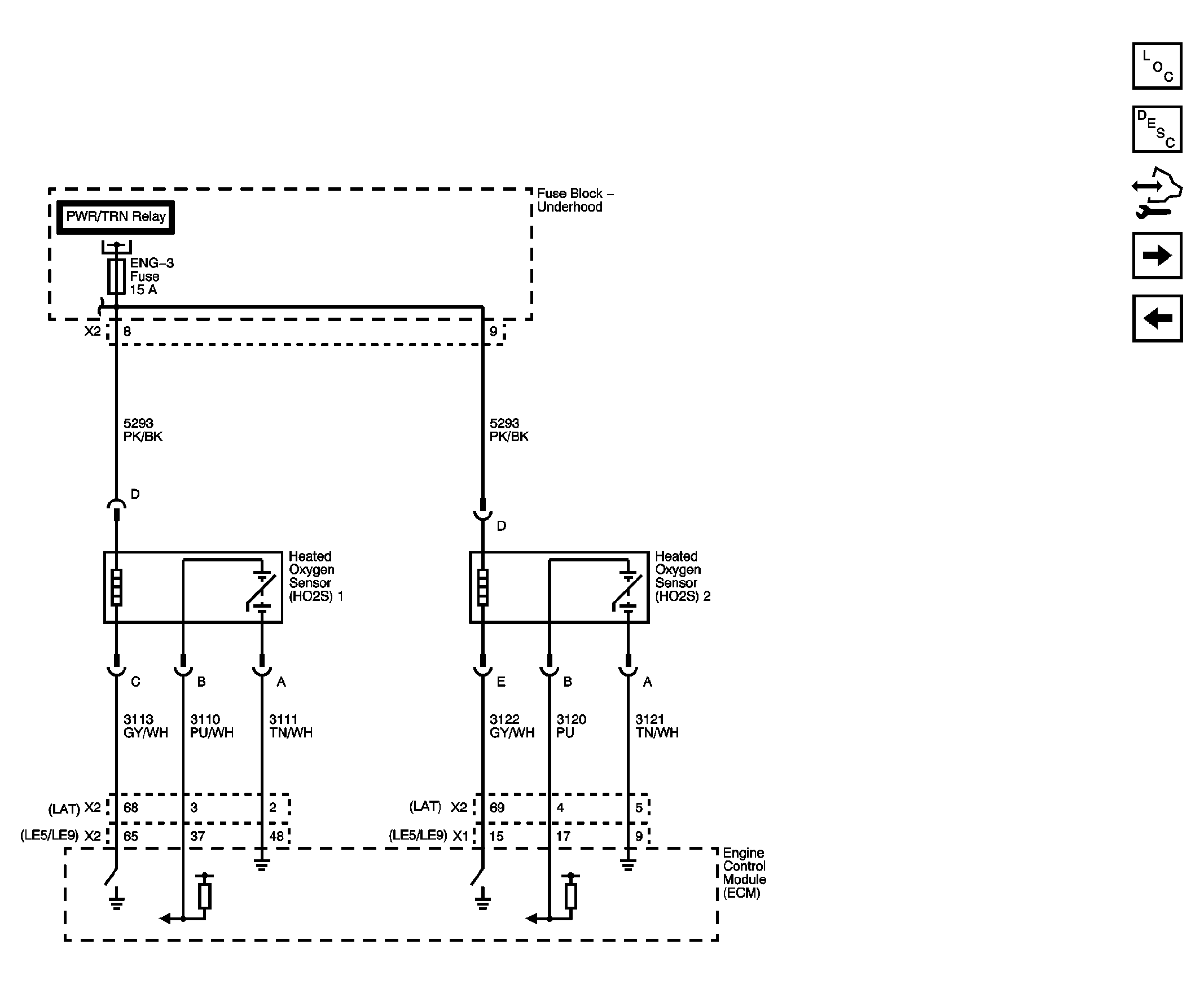
Fig 4: Engine Data Sensors - Heated Oxygen Sensors (HO2S) (LAT/LE5/LE9)
GM2079718Courtesy of GENERAL MOTORS CORP.
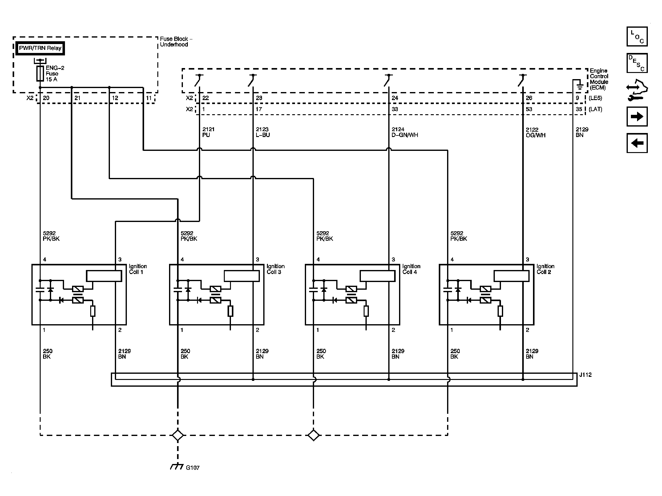
Fig 5: Ignition Controls - Ignition System (LAT/LE5/LE9)
GM1877897Courtesy of GENERAL MOTORS CORP.
Fig 6: Ignition Controls - Camshaft (CMP), Crankshaft (CKP) and Knock (KS) Sensors (LAT/LE5/LE9)
GM2079726Courtesy of GENERAL MOTORS CORP.
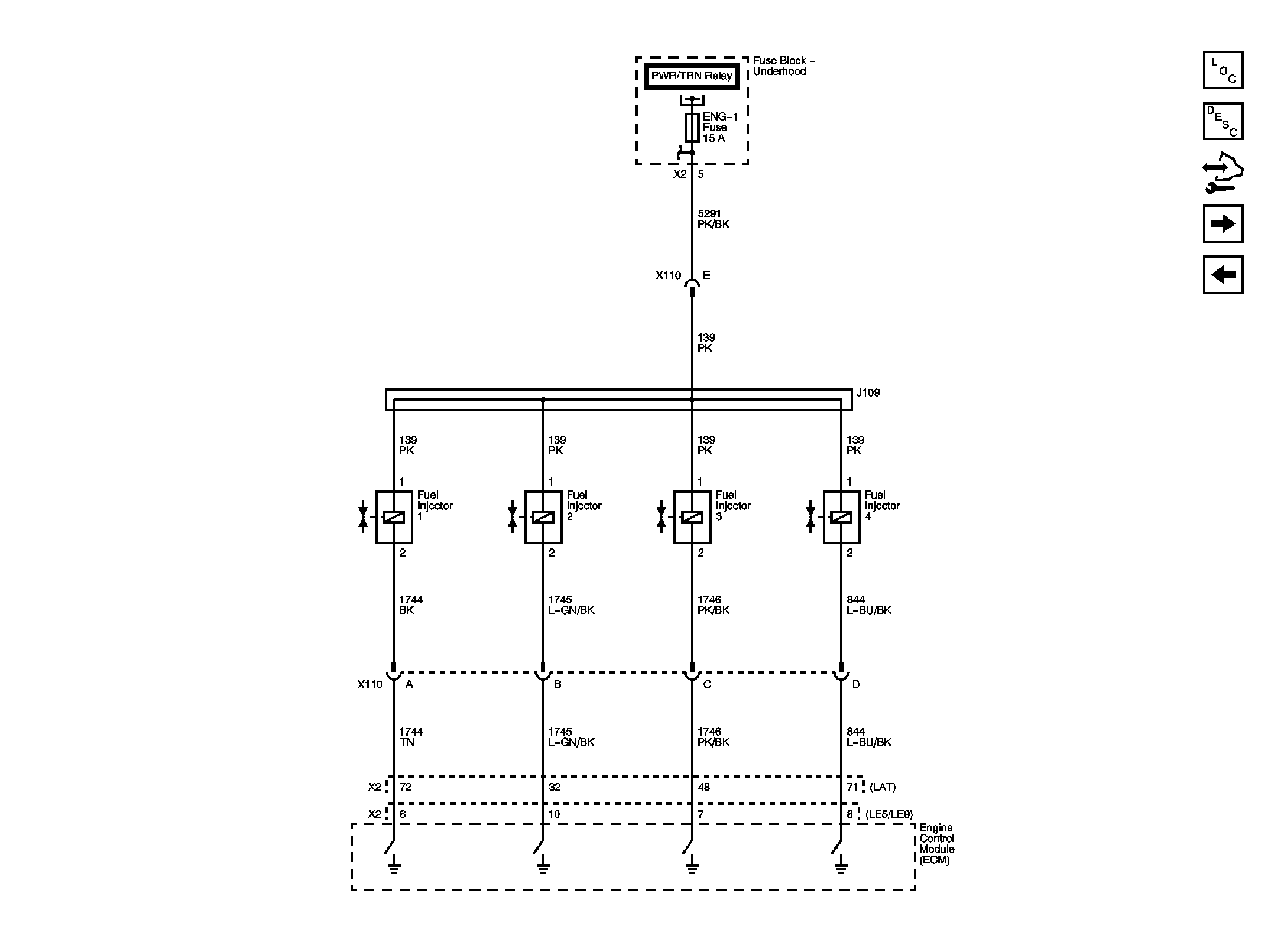
Fig 7: Fuel Controls - Fuel Injectors (LAT/LE5/LE9)
GM2079730Courtesy of GENERAL MOTORS CORP.
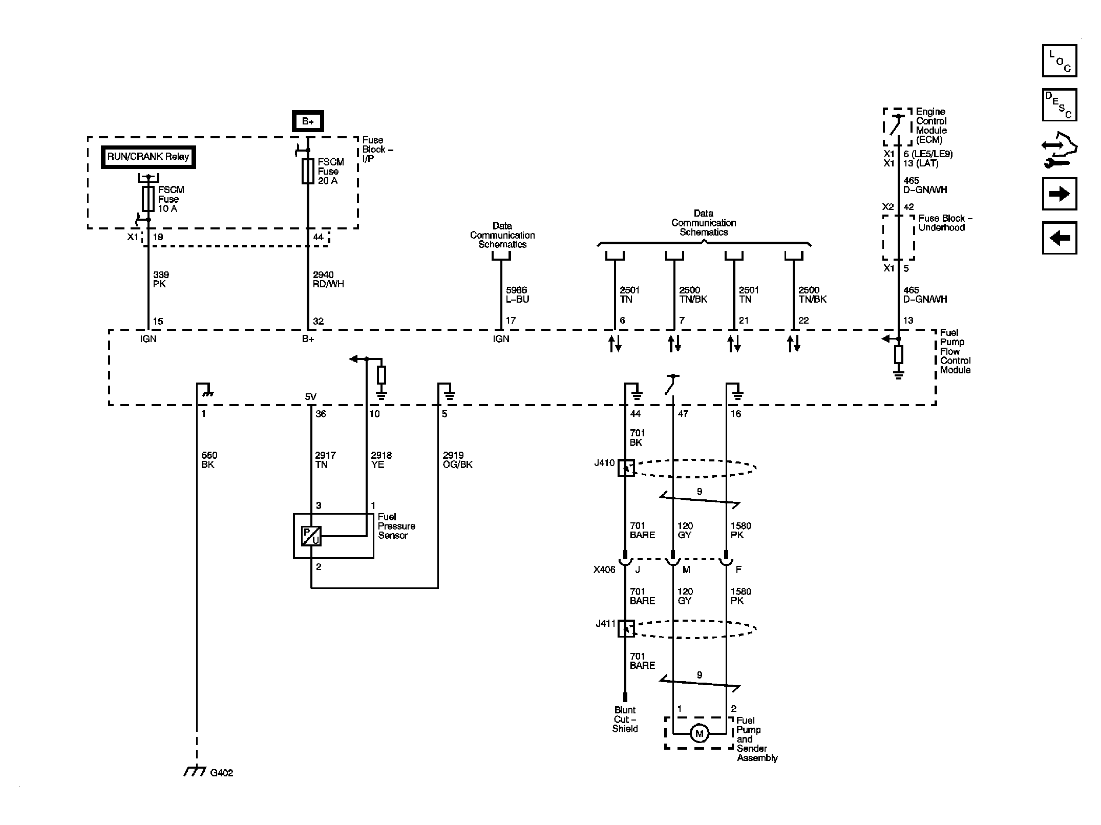
Fig 8: Fuel Controls - Fuel Pump Control Module (LAT/LE5/LE9)
GM2079732Courtesy of GENERAL MOTORS CORP.
Fig 9: Fuel Controls - Evaporative Emissions (EVAP) Controls (LAT/LE5/LE9)
GM2079736Courtesy of GENERAL MOTORS CORP.
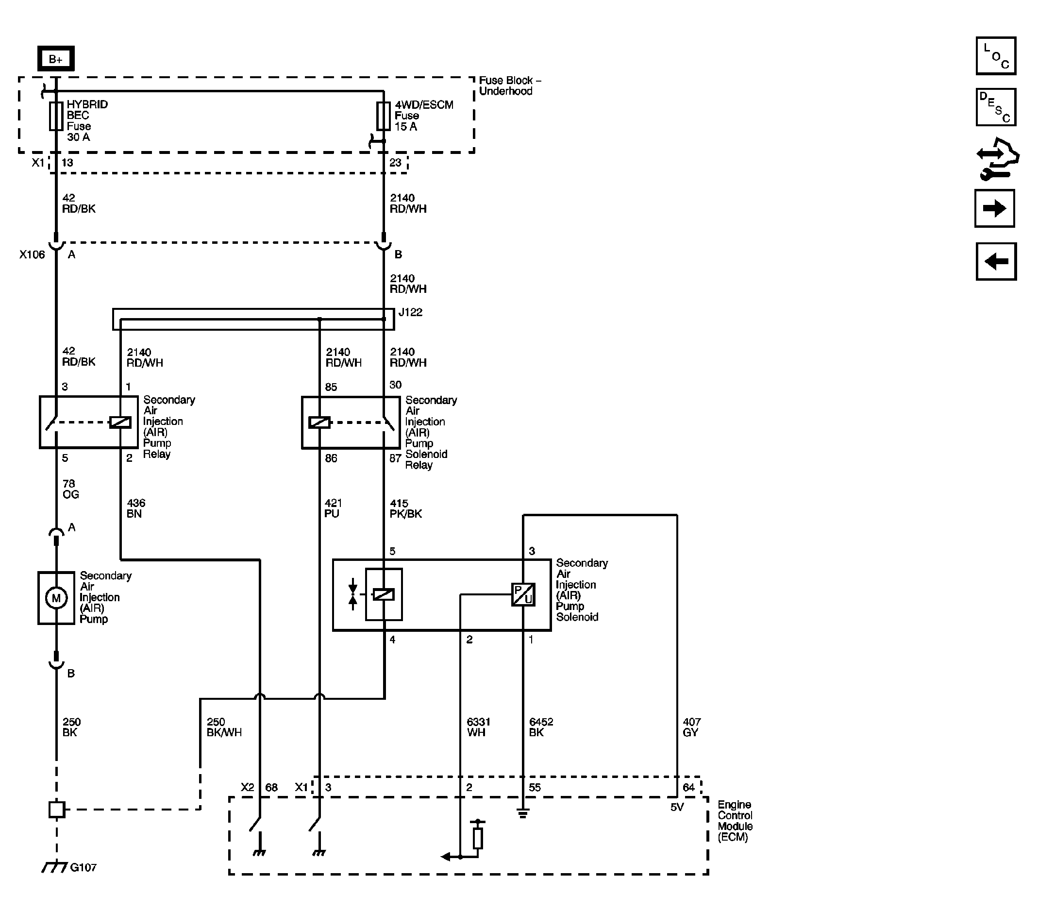
Fig 10: Secondary Air Injection (AIR) Pump (LE5/LE9 with NU6)
GM2102922Courtesy of GENERAL MOTORS CORP.
Fig 11: Controlled/Monitored Subsystem References (LAT/LE5/LE9)
GM2079738Courtesy of GENERAL MOTORS CORP.