LEMON Manuals: Even more car manuals for everyone: 1960-2025
Home >> Cadillac >> 2007 >> Escalade EXT >> Repair and Diagnosis >> External Pages >> Different car >> Section 1529 (Automatic Transmission - 2MT70 - Removal & Installation, Service, Overhaul, Troubleshooting & Diagnosis) >> Off-Vehicle Repair Instructions >> Control Solenoid Valve and Transmission Control Module Assembly Removal
April 5, 2026: LEMON Manuals is launched! Read the announcement.

Control Solenoid Valve and Transmission Control Module Assembly Removal

WARNING: This page is about a different car, the 2009 Saturn Vue. However, it is still accessible from the selected car via links, so may be relevant.
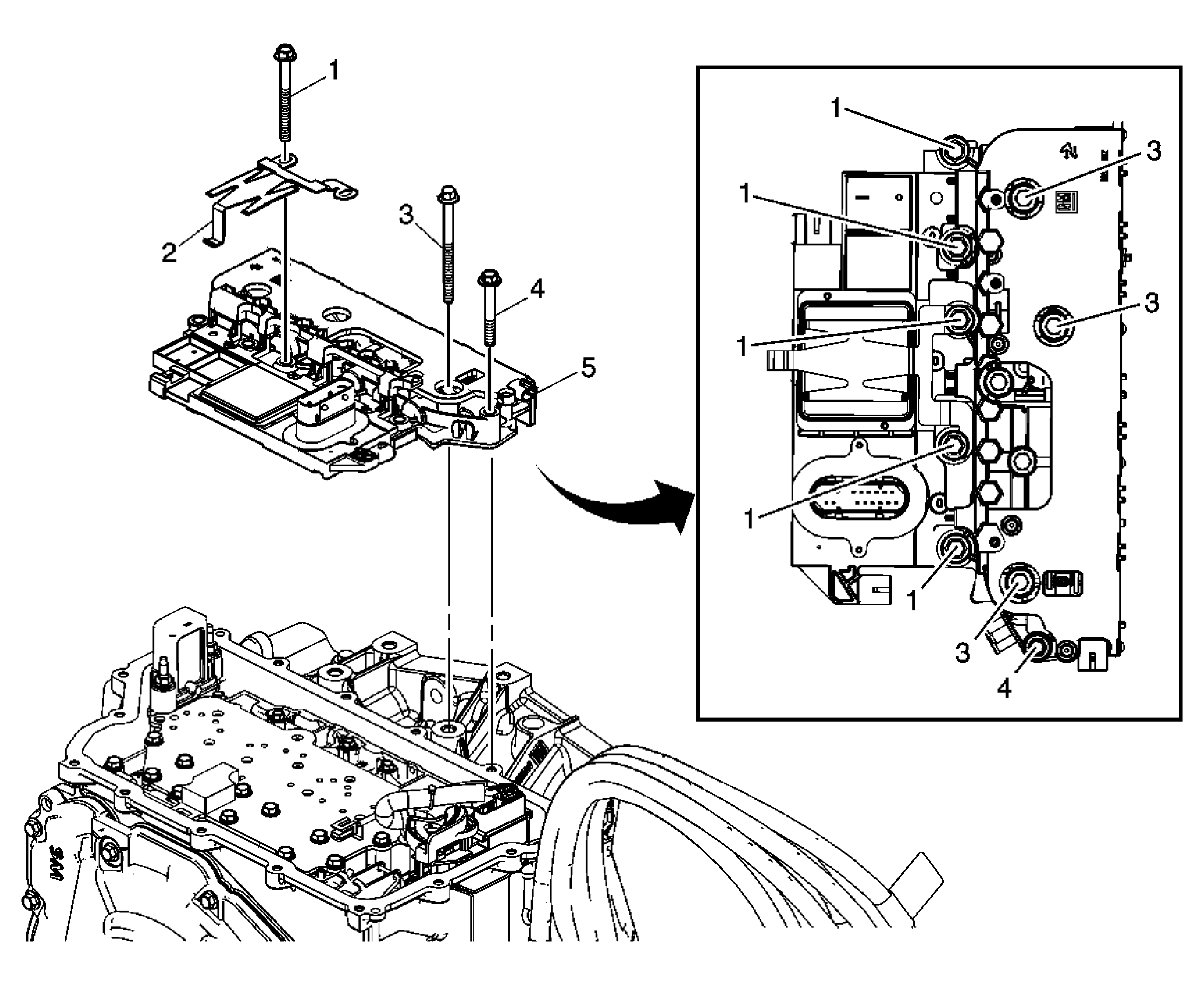
Fig 1: Control Solenoid Valve and Transmission Control Module Assembly
GM2047262Courtesy of GENERAL MOTORS CORP.
Callout Component Name
1 Control Valve Body Bolt M6 x 65 mm (Qty: 5)
2 Control Solenoid Valve Spring
3 Control Valve Body Bolt M6 x 75 mm (Qty: 3)
4 Control Valve Body Bolt M6 x 42 mm (Qty: 1)
5 Control Solenoid (w/Body and TCM) TEHCM Valve Assembly