LEMON Manuals: Even more car manuals for everyone: 1960-2025
Home >> Cadillac >> 2007 >> Escalade EXT >> Repair and Diagnosis >> External Pages >> Different car >> Section 1532 (Engine Controls And Fuel - 3.6L (LCS) - Introduction) >> Schematic and Routing Diagrams >> Engine Controls Schematics
April 5, 2026: LEMON Manuals is launched! Read the announcement.

Engine Controls Schematics

WARNING: This page is about a different car, the 2009 Saturn Vue. However, it is still accessible from the selected car via links, so may be relevant.
Fig 1: Module Power, Ground, Serial Data and MIL
GM2079625Courtesy of GENERAL MOTORS CORP.
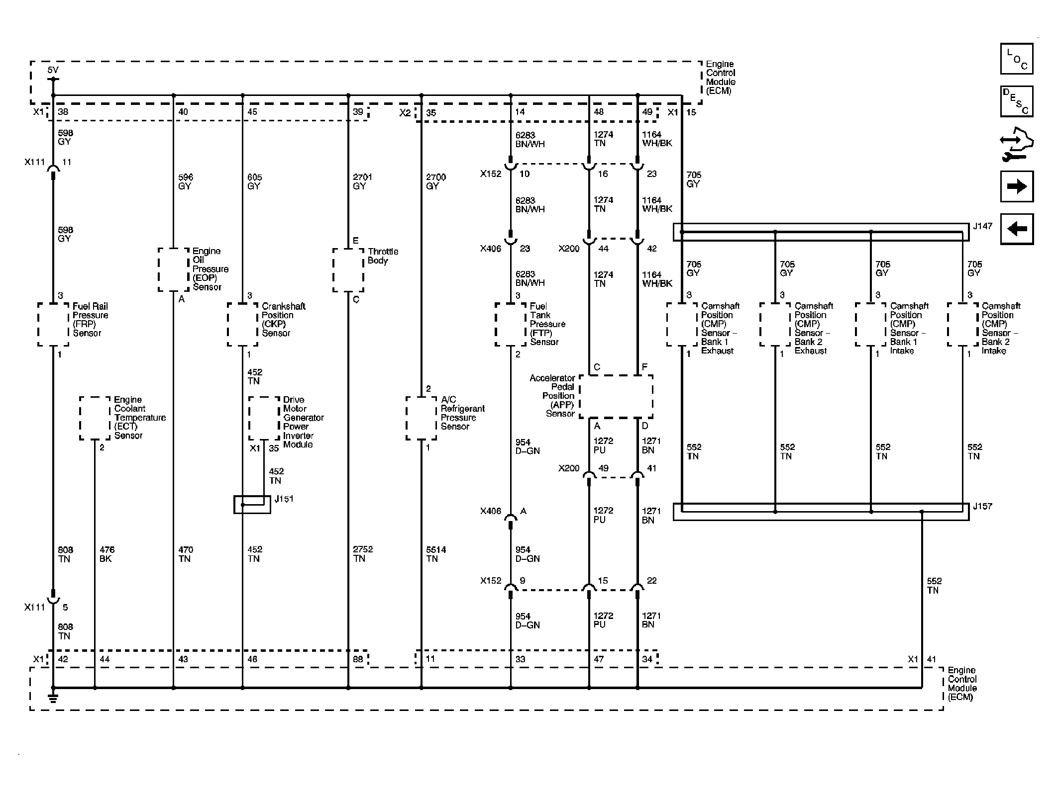
Fig 2: Engine Data Sensors - 5-Volt and Low References
GM2079630Courtesy of GENERAL MOTORS CORP.
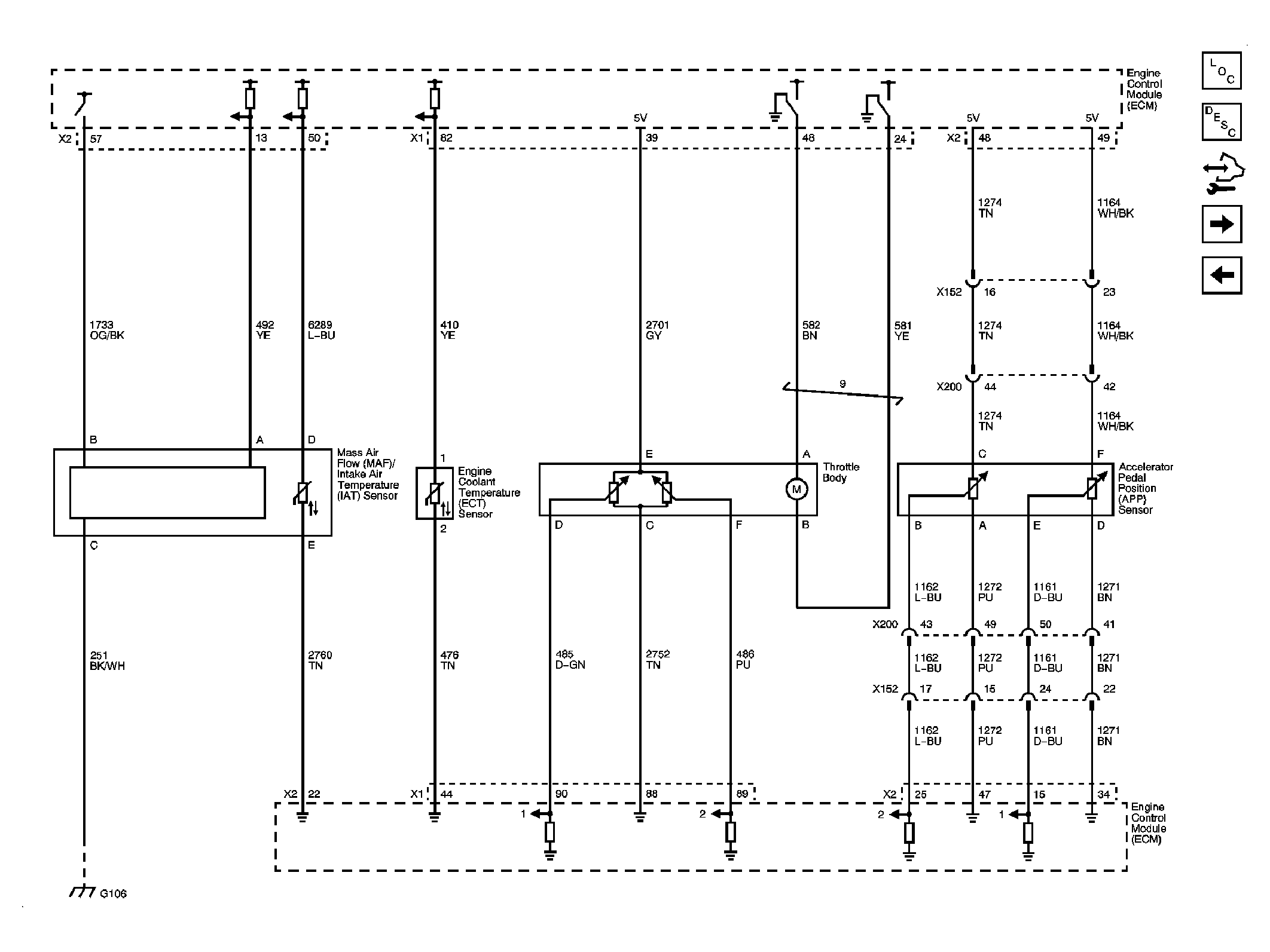
Fig 3: Engine Data Sensors - Temperature, MAF/IAT, APP and TAC
GM2079634Courtesy of GENERAL MOTORS CORP.
Fig 4: Engine Data Sensors - Heated Oxygen Sensors (HO2S)
GM2079641Courtesy of GENERAL MOTORS CORP.
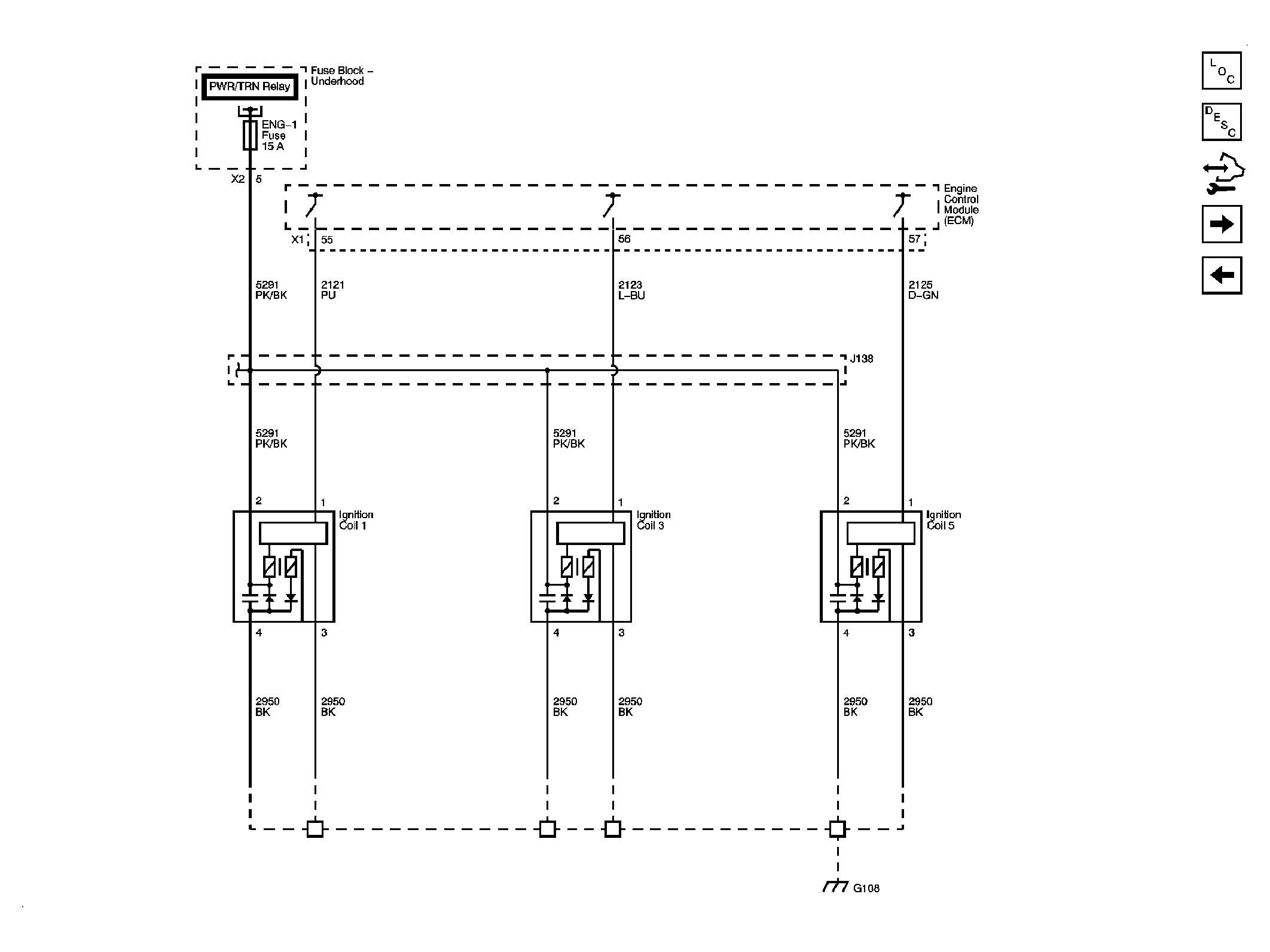
Fig 5: Ignition System - Ignition Coil 1, Ignition Coil 3, Ignition Coil 5
GM2079646Courtesy of GENERAL MOTORS CORP.
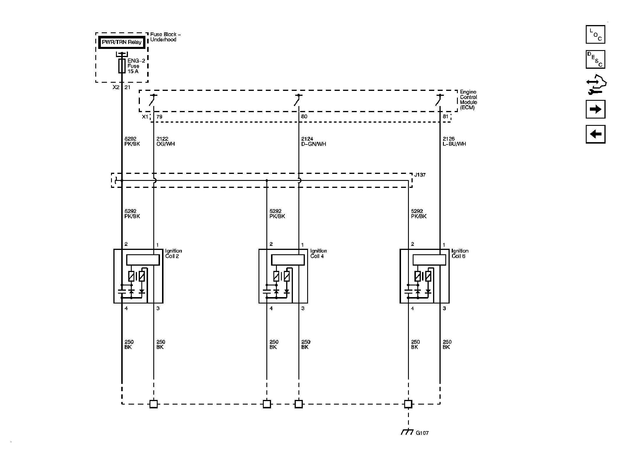
Fig 6: Ignition System - Ignition Coil 2, Ignition Coil 4, Ignition Coil 6
GM2079650Courtesy of GENERAL MOTORS CORP.
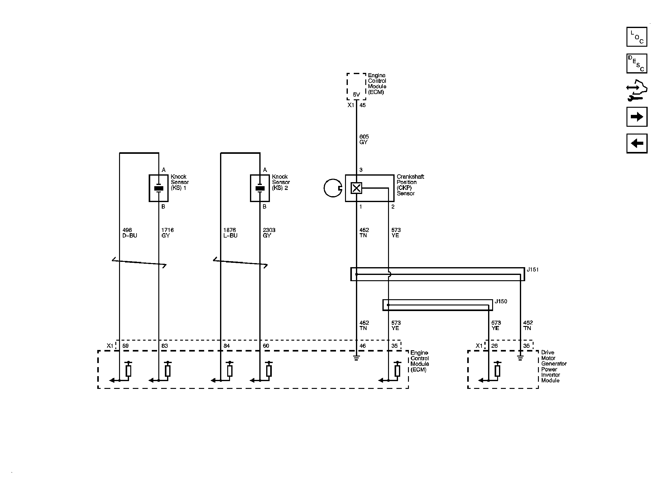
Fig 7: Ignition Controls - Crankshaft Position (CMP) and Knock Sensors
GM2079653Courtesy of GENERAL MOTORS CORP.
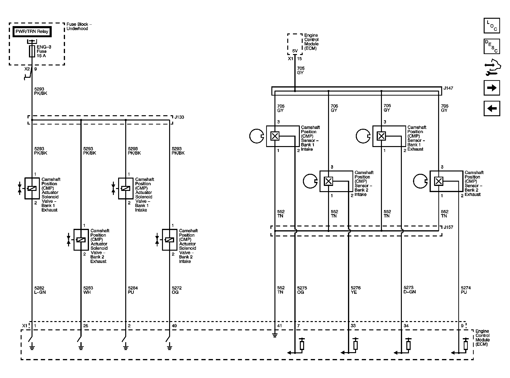
Fig 8: Ignition Controls - Camshaft Sensors and Actuators
GM2149091Courtesy of GENERAL MOTORS CORP.
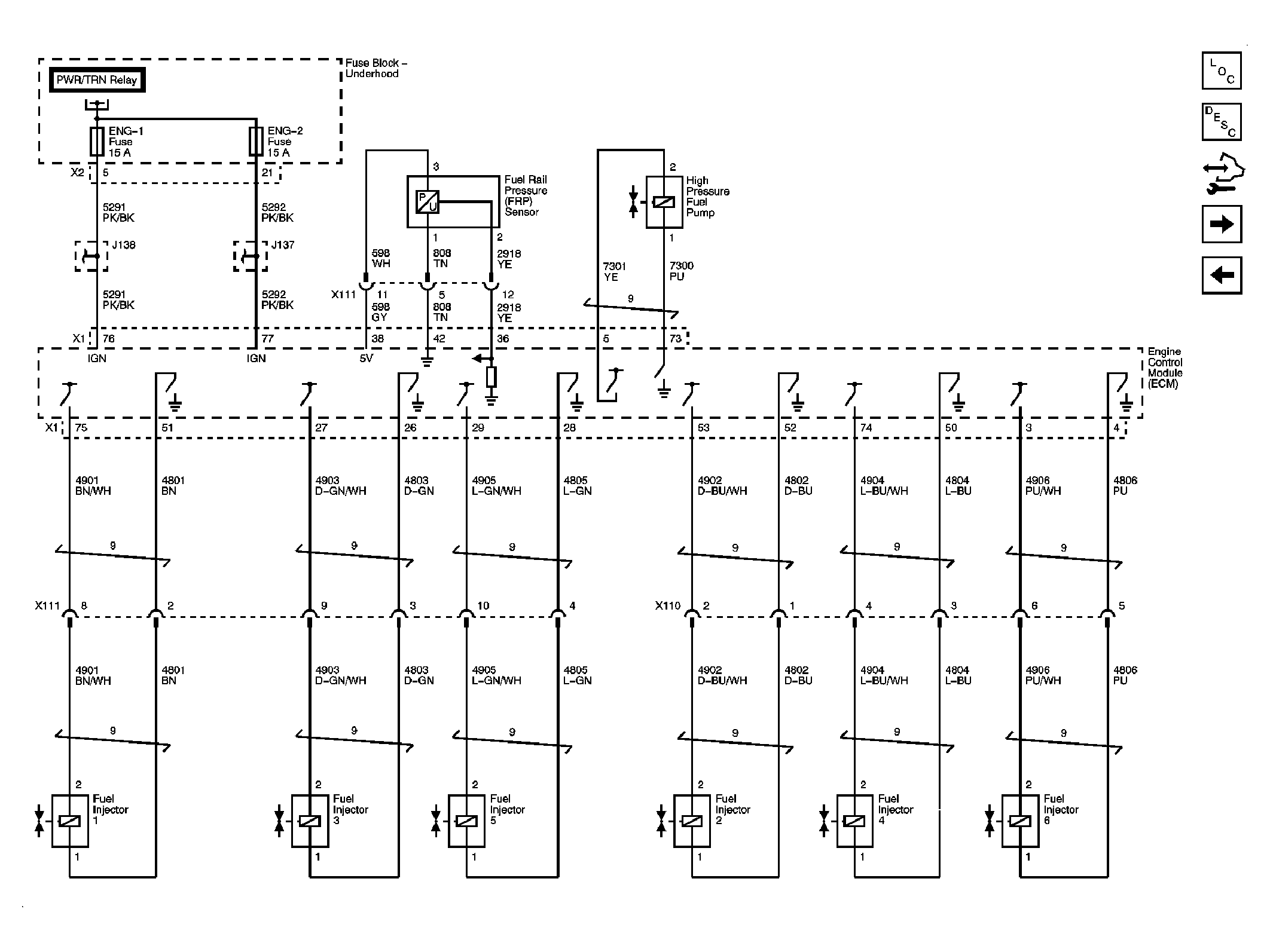
Fig 9: Fuel Controls - Fuel Injectors, High Pressure Fuel Pump and Pressure Sensor
GM2079658Courtesy of GENERAL MOTORS CORP.
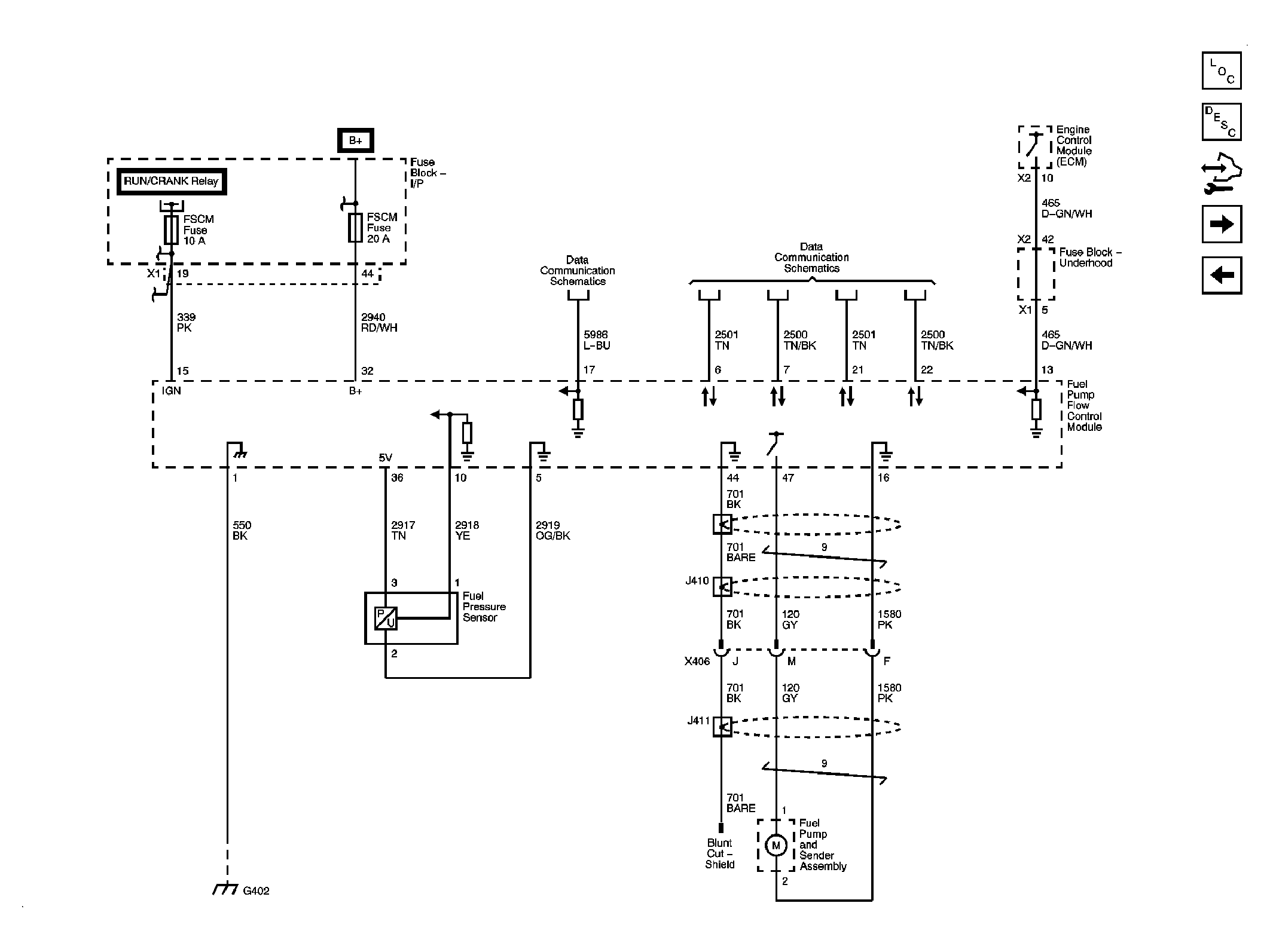
Fig 10: Fuel Controls - Fuel Pump Controls
GM2079662Courtesy of GENERAL MOTORS CORP.
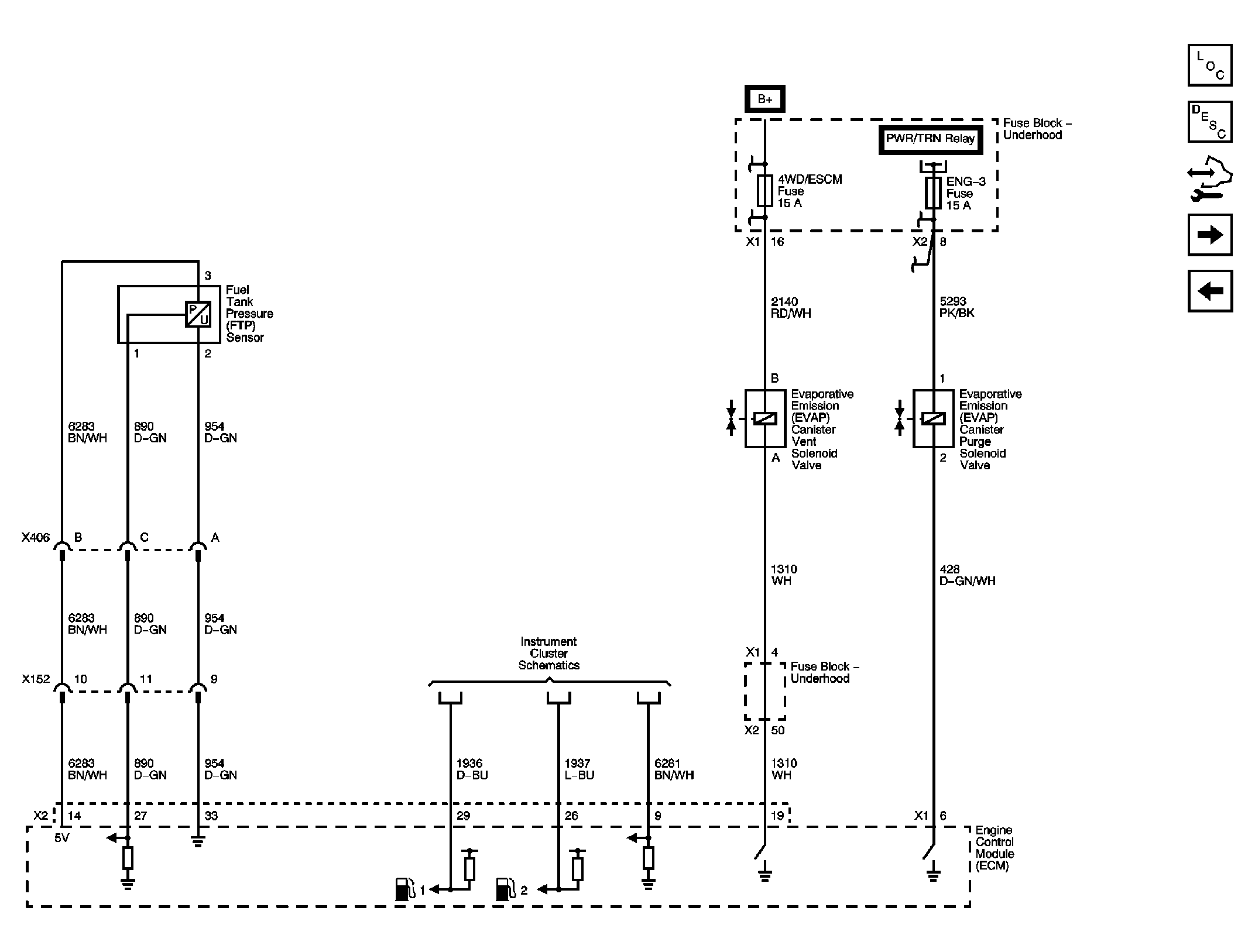
Fig 11: Fuel Controls - Evaporative Emissions (EVAP) Controls
GM2079674Courtesy of GENERAL MOTORS CORP.
Fig 12: Controlled/Monitored Subsystem References
GM2079680Courtesy of GENERAL MOTORS CORP.