LEMON Manuals: Even more car manuals for everyone: 1960-2025
Home >> Cadillac >> 2007 >> Escalade EXT >> Repair and Diagnosis >> External Pages >> Different car >> Section 1609 (Fixed And MOVEABLE Windows System) >> Schematic and Routing Diagrams >> Moveable Window Schematics
April 5, 2026: LEMON Manuals is launched! Read the announcement.

Moveable Window Schematics

WARNING: This page is about a different car, the 2010 GMC Sierra, 2010 GMC Cab & Chassis Sierra, 2010 Chevrolet Silverado, and 2010 Chevrolet Cab & Chassis Silverado. However, it is still accessible from the selected car via links, so may be relevant.
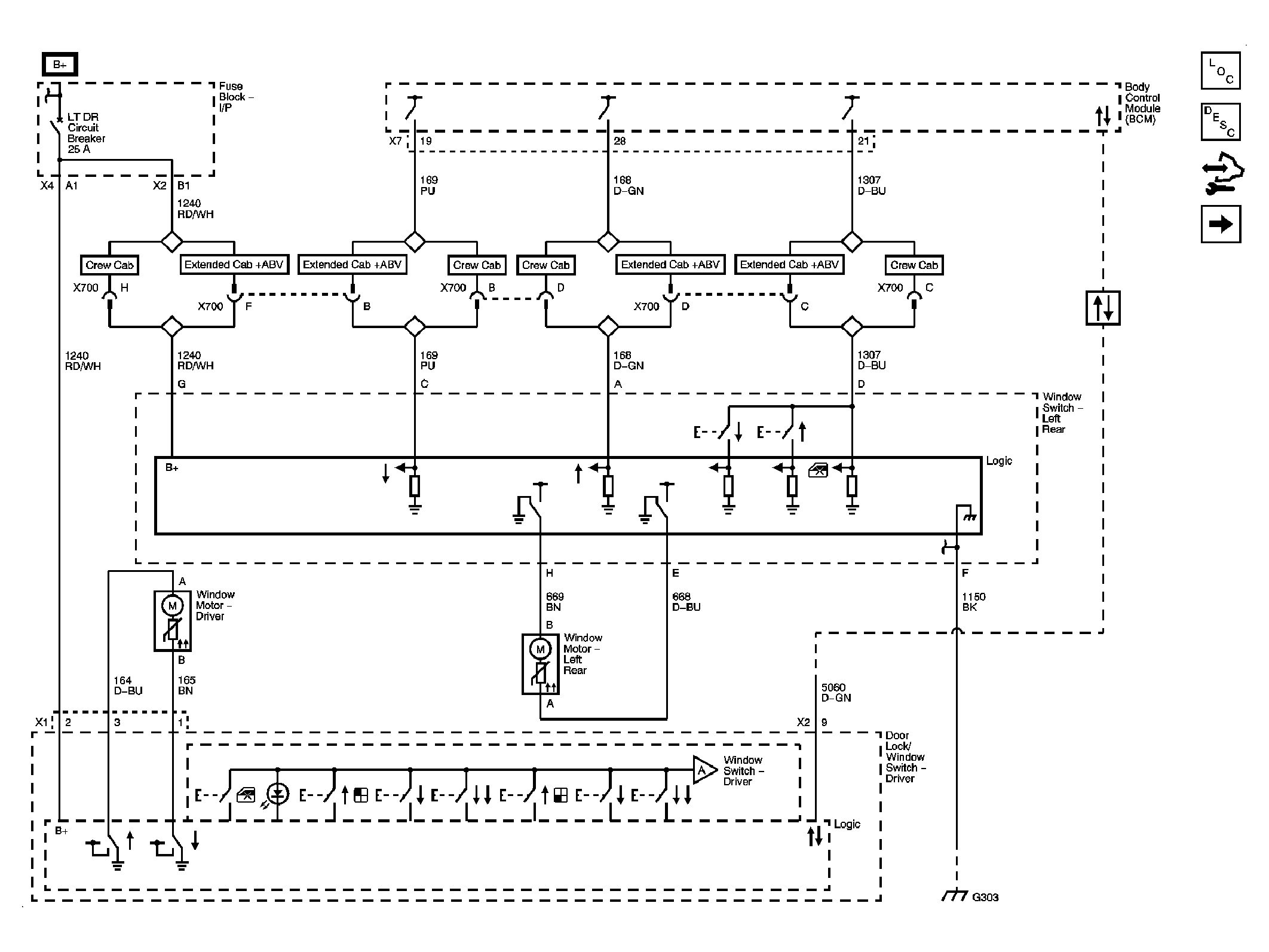
Fig 1: Left Doors (AN3/DL3)
GM2223598Courtesy of GENERAL MOTORS CORP.
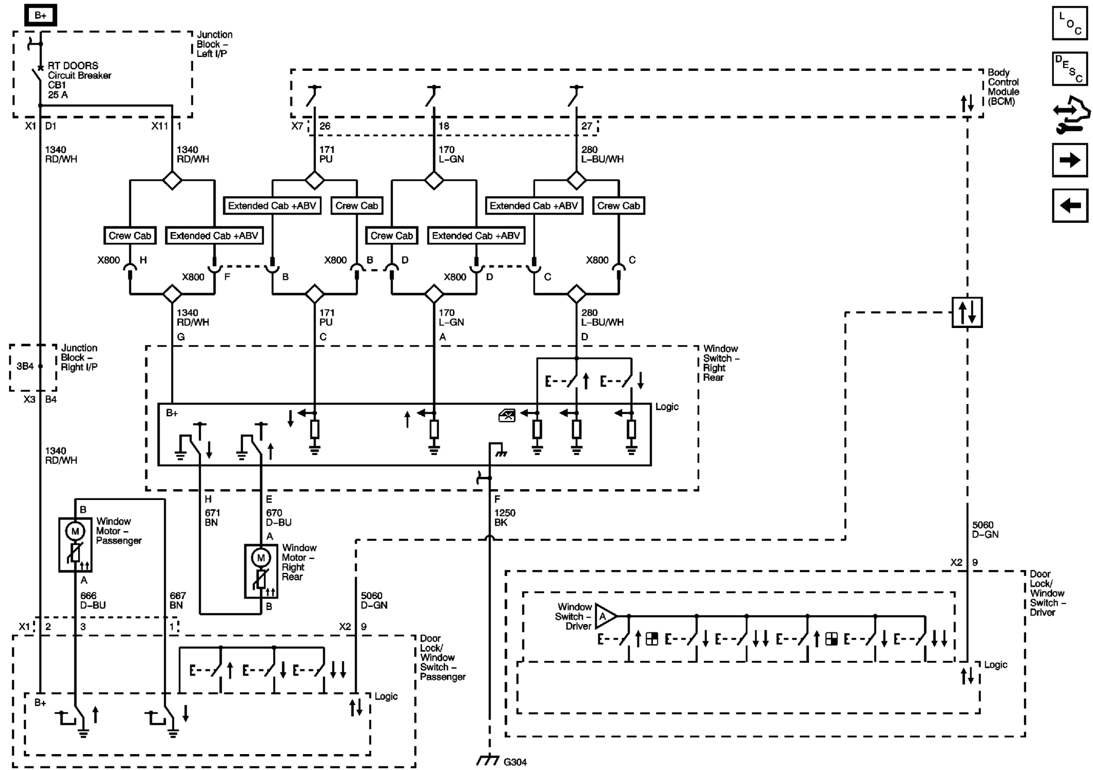
Fig 2: Right Doors (AN3/DL3)
GM2223602Courtesy of GENERAL MOTORS CORP.
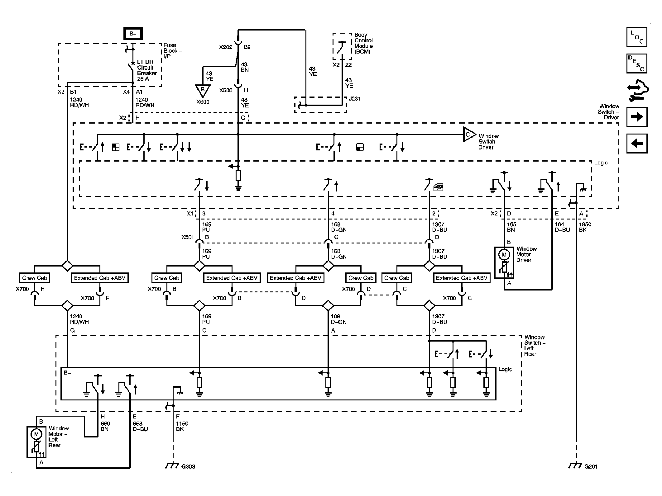
Fig 3: Left Doors (except AN3/DL3)
GM2223604Courtesy of GENERAL MOTORS CORP.
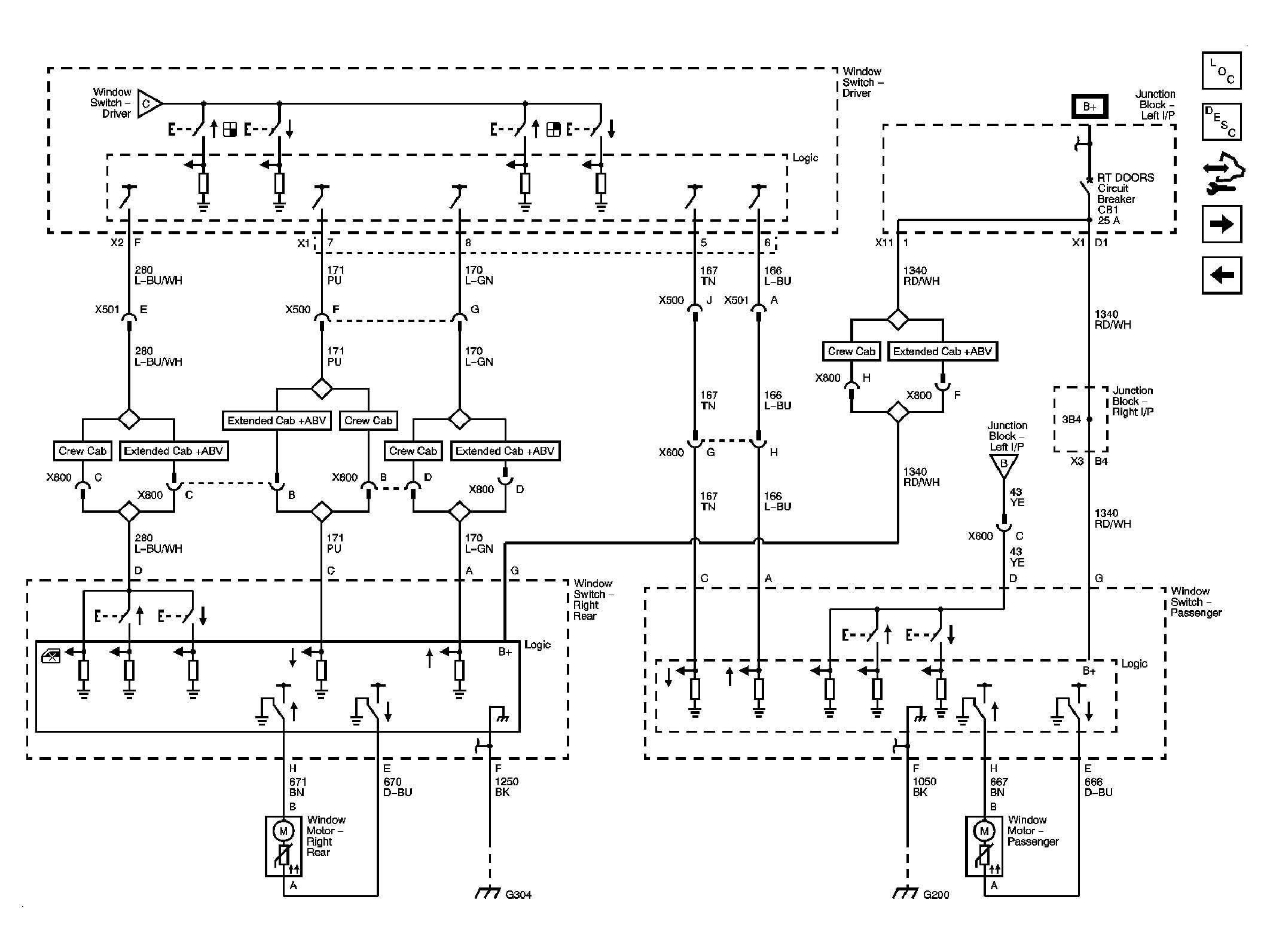
Fig 4: Right Doors (except AN3/DL3)
GM2233149Courtesy of GENERAL MOTORS CORP.
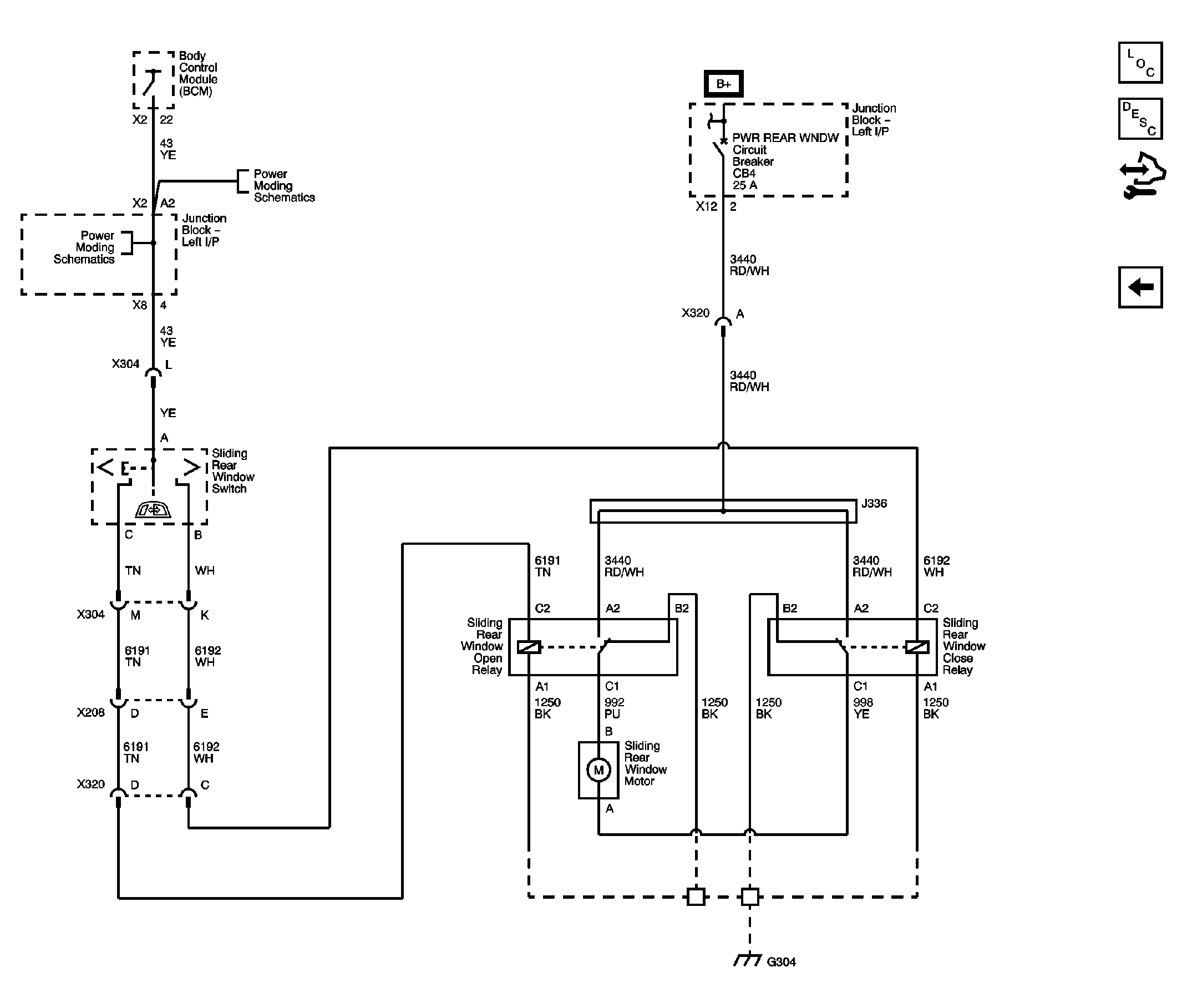
Fig 5: Sliding Rear Window (A48)
GM2223608Courtesy of GENERAL MOTORS CORP.