LEMON Manuals: Even more car manuals for everyone: 1960-2025
Home >> Cadillac >> 2007 >> Escalade EXT >> Repair and Diagnosis >> External Pages >> Different car >> Section 1611 (Engine Control System & Fuel System - 6.6L (LMM) - Repair Instructions) >> Repair Instructions >> Fuel Pressure Regulator Replacement >> Installation Procedure
April 5, 2026: LEMON Manuals is launched! Read the announcement.

Installation Procedure

WARNING: This page is about a different car, the 2010 GMC Sierra, 2010 GMC Cab & Chassis Sierra, 2010 Chevrolet Silverado, and 2010 Chevrolet Cab & Chassis Silverado. However, it is still accessible from the selected car via links, so may be relevant.
NOTE: If the pressure regulator is being re-used, check the O-rings for damage. If the O-rings are damaged, install NEW O-rings.
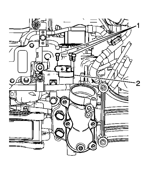
    Fig 1: View Of Fuel Pressure Regulator & Screws
    GM1872934Courtesy of GENERAL MOTORS CORP.
  1. Lubricate and install NEW O-rings onto the regulator. Lubricate the O-rings with clean, NEW engine oil.
  2. NOTE: If the regulator is installed at an angle the O-rings may be damaged, resulting in possible fuel leakage.
  3. Install the fuel pressure regulator (2).
  4. CAUTION: Refer to Fastener Caution .
  5. Install the 3 fuel pressure regulator screws (1) using a T25 TORX®.

    Tighten: 

    • Tighten the screws a first pass to 4 N.m (35 lb in).
    • Tighten the screws a final pass to 7 N.m (62 lb in).

  6. Fig 2: View Of Fuel Filter Hoses & Clamps
    GM1872011Courtesy of GENERAL MOTORS CORP.
  7. Install the fuel hose (4) to the fuel injection fuel feed manifold and injection pump.
  8. Position the fuel hose clamp (3) at the fuel injection pump.
  9. Fig 3: View Of Fuel Hose Clamps
    GM1872010Courtesy of GENERAL MOTORS CORP.
  10. Position the fuel hose clamp (2) at the fuel injection fuel feed manifold.
  11. Fig 4: View Of Wiring Harness Extension Electrical Connector
    GM1872933Courtesy of GENERAL MOTORS CORP.
  12. Connect the wiring harness extension electrical connector (1) to the fuel pressure regulator.
  13. Fig 5: View Of Engine Coolant Temperature Sensor Connectors
    GM1870783Courtesy of GENERAL MOTORS CORP.
  14. Position the engine wiring harness branches to the ECT sensors and connect the ECT sensor electrical connectors (1).
  15. Position and install the A/C compressor. Refer to Air Conditioning Compressor Replacement (LLY/LMM) or Air Conditioning Compressor Replacement (LU3) or Air Conditioning Compressor Replacement (LY2, LY5, LH6, L76, L92 and LMG) or Air Conditioning Compressor Replacement (HP2) .
  16. Install the water outlet tube. Refer to Water Outlet Tube Replacement (LU3) or Water Outlet Tube Replacement (LMM) .
  17. Install the intake manifold tube. Refer to Intake Manifold Tube Replacement .
  18. Install the generator. Refer to Generator Replacement (V6) or Generator Replacement (V8) or Generator Replacement (6.6L) .
  19. Prime the fuel system. Refer to Fuel System Priming .
  20. Start the engine. If the engine stalls, repeat the above step.
  21. Once the engine starts, inspect for fuel leaks.