LEMON Manuals: Even more car manuals for everyone: 1960-2025
Home >> Cadillac >> 2007 >> Escalade EXT >> Repair and Diagnosis >> External Pages >> Different car >> Section 1819 (Cellular System, Entertainment System, And Navigation System) >> Wiring Schematics >> Radio/Navigation System Wiring Schematics >> Front Speakers (UQA or UQS)
April 5, 2026: LEMON Manuals is launched! Read the announcement.

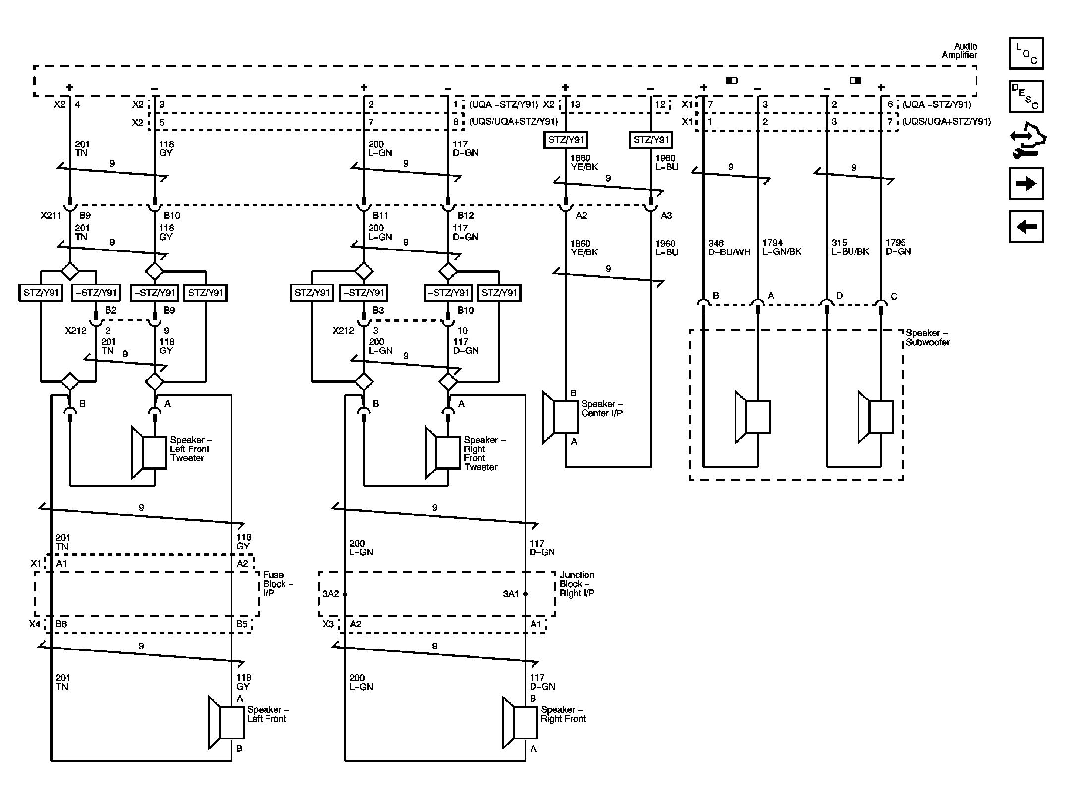
Front Speakers (UQA or UQS)

WARNING: This page does not describe the selected car, but rather 8 other vehicles, including the 2011 GMC Yukon XL, 2011 GMC Yukon, 2011 Chevrolet Tahoe, 2011 Chevrolet Suburban, and 2011 Chevrolet Avalanche. However, it is still accessible from the selected car via links, so may be relevant.
Fig 1: Front Speakers (UQA or UQS) Wiring Schematic
GM2399389Courtesy of GENERAL MOTORS CORP.