LEMON Manuals: Even more car manuals for everyone: 1960-2025
Home >> Cadillac >> 2007 >> Escalade EXT >> Repair and Diagnosis >> External Pages >> Different car >> Section 1831 (Power Door Lock System And Release Systems) >> Wiring Schematics >> Liftgate Schematics >> Liftgate Motor Controls (E61)
April 5, 2026: LEMON Manuals is launched! Read the announcement.

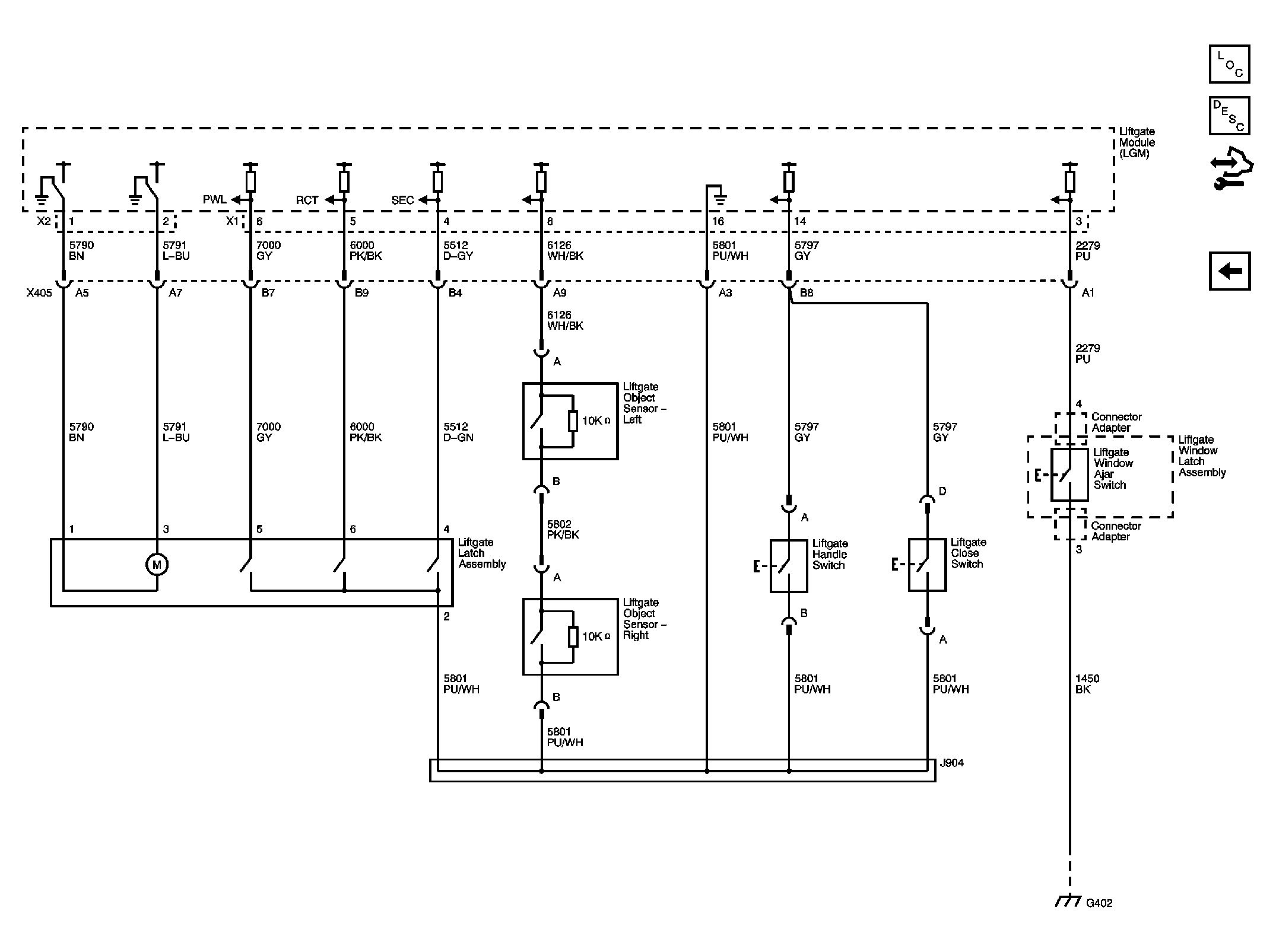
Liftgate Motor Controls (E61)

WARNING: This page does not describe the selected car, but rather 8 other vehicles, including the 2011 GMC Yukon XL, 2011 GMC Yukon, 2011 Chevrolet Tahoe, 2011 Chevrolet Suburban, and 2011 Chevrolet Avalanche. However, it is still accessible from the selected car via links, so may be relevant.
Fig 1: Liftgate Motor Controls (E61) Wiring Schematic
GM2399841Courtesy of GENERAL MOTORS CORP.