LEMON Manuals: Even more car manuals for everyone: 1960-2025
Home >> Cadillac >> 2007 >> Escalade EXT >> Repair and Diagnosis >> External Pages >> Different car >> Section 32 (Engine Controls - Basic Diagnostic Procedures) >> Ignition Systems >> Distributor Ignition System >> Diagnostic Procedures
April 5, 2026: LEMON Manuals is launched! Read the announcement.

Diagnostic Procedures

WARNING: This page is about a different car, the 2003 GMC Savana and 2003 Chevrolet Chevy Express. However, it is still accessible from the selected car via links, so may be relevant.
  1. Perform diagnostic system check. See DIAGNOSTIC SYSTEM CHECK - ENGINE CONTROLS under SELF-DIAGNOSTIC SYSTEM in SELF-DIAGNOSTICS - 4.3L CHEVY EXPRESS & SAVANA article. After performing diagnostic system check, go to next step.
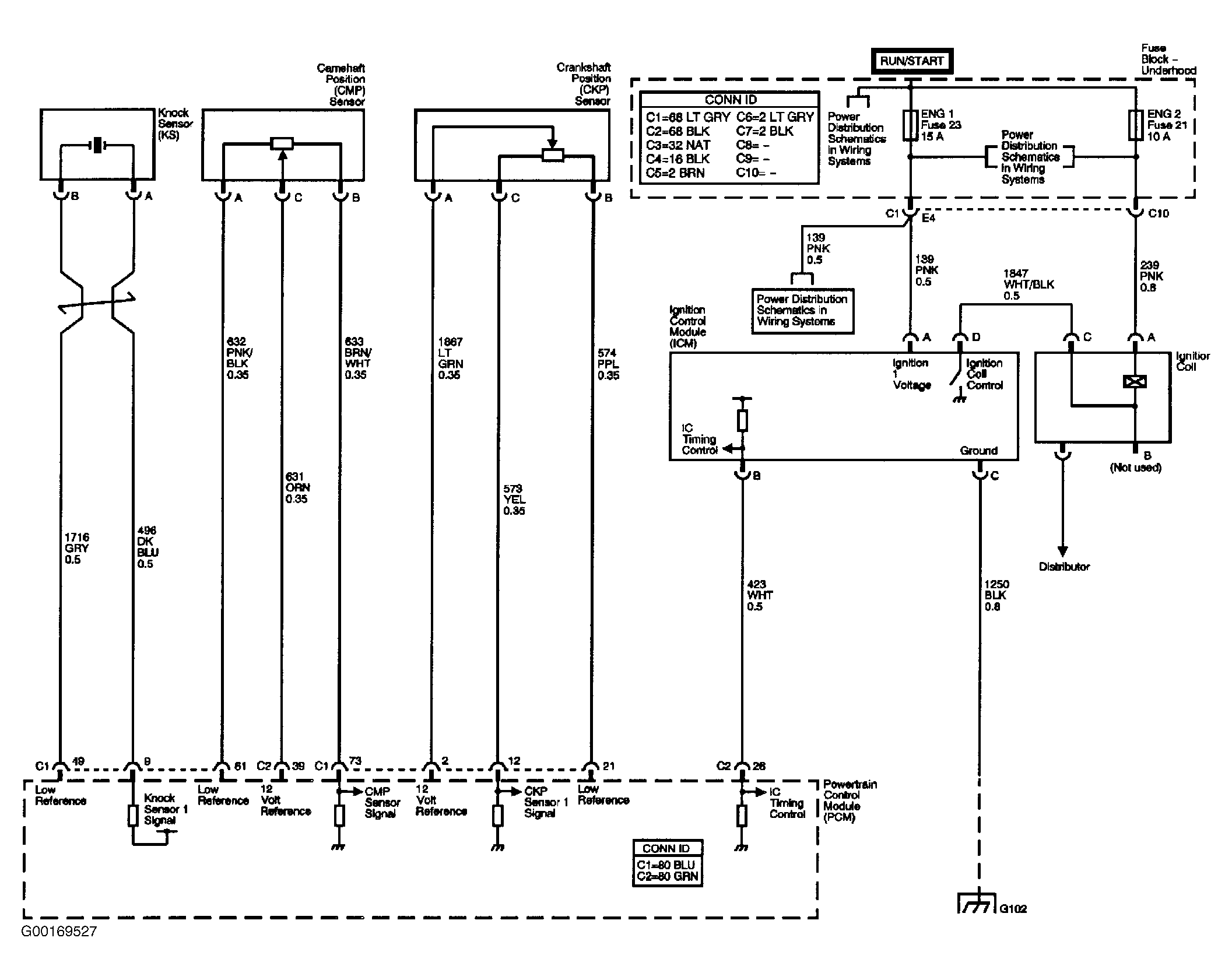
  2. Test fuse which supplies ignition 1 voltage to ignition coil assembly and Ignition Control Module (ICM). See Figure . Is fuse open? If yes, go to step  32 . If no, go to next step.
  3. Observe engine speed parameter with a scan tool. Crank engine. Is engine speed parameter more than 125 RPM? If yes, go to step  9 . If no, go to next step.
  4. Turn ignition off. Disconnect CMP sensor electrical connector. CMP sensor is located inside distributor. Attempt to start engine. Does engine start and continue to run? If yes, go to step  26 . If no, go to next step.
  5. Turn ignition on, with engine off. Measure voltage of 12-volt reference circuit of CMP sensor to a good ground with a DVOM. See Figure . Is battery voltage present? If yes, go to next step. If no, go to step  8 .
  6. Turn ignition off. Disconnect CKP sensor electrical connector. CKP sensor is located behind harmonic balancer. Turn ignition on, with engine off. Measure voltage from 12-volt reference circuit of CKP sensor to a good ground with a DVOM. See Figure . Is battery voltage present? If yes, go to step  27 . If no, go to next step.
  7. Turn ignition off. Test CKP 12-volt reference circuit for an open or short to ground. Did you find and correct condition? If yes, go to step  50 . If no, go to next step.
  8. Turn ignition off. Test CMP 12-volt reference circuit for an open or a short to ground. Did you find and correct condition? If yes, go to step  50 . If no, go to step  30 .
  9. Turn ignition off. Disconnect a spark plug wire from a spark plug. Install Spark Tester (J-26792) into spark plug wire end. A few sparks then nothing is considered no spark. Observe spark tester. Crank engine. If there is no spark on one wire, test a second wire. Does multiple spark events occur on both spark plug wires? If yes, go to step  31 . If no, go to next step.
  10. Disconnect ignition coil wire from distributor cap. Install spark tester into ignition coil wire end. Observe spark tester. Crank engine. Does multiple spark events occur? If yes, go to step  21 . If no, go to next step.
  11. Disconnect ignition coil wire from ignition coil. Measure ignition coil wire resistance. Is resistance less than 1000 ohms per foot? If yes, go to next step. If no, go to step  44 .
  12. Turn ignition off. Disconnect ignition coil electrical connector. Probe ignition coil control circuit of ignition coil with a test light that is connected to battery voltage. Crank engine. Does test light flash while cranking engine? If yes, go to step  15 . If no, go to next step.
  13. Turn ignition off. Probe ignition coil control circuit of ignition coil with a test light connected to battery voltage. Does test light illuminate? If yes, go to next step. If no, go to step  16 .
  14. Turn ignition off. Disconnect ignition control module electrical connector. Probe ignition coil control circuit of ignition coil with a test light connected to battery voltage. Does test light illuminate? If yes, go to step  40 . If no, go to step  47 .
  15. Turn ignition on, with engine off. Measure voltage from ignition 1 voltage circuit of ignition coil to a good ground with a DVOM. Is voltage more than 10 volts? If yes, go to step  29 . If no, go to step  33 .
  16. Turn ignition off. Disconnect ignition control module electrical connector. Turn ignition on, with engine off. Probe ignition coil control circuit of ignition control module with a test light that is connected to a good ground. Does test light illuminate? If yes, go to step  39 . If no, go to next step.
  17. Turn ignition off. Test ignition coil control circuit between ignition coil and ignition module for an open or a high resistance. Did you find and correct condition? If yes, go to step  50 . If no, go to next step.
  18. Turn ignition on, with engine off. Measure voltage from ignition 1 voltage circuit of ignition control module to a good ground with a DVOM. Is voltage more 10 volts? If yes, go to next step. If no, go to step  34 .
  19. Probe ground circuit of ignition control module with a test light that is connected to battery voltage. Does test light illuminate? If yes, go to next step. If no, go to step  35 .
  20. Measure voltage from IC timing control circuit of ignition control module to a good ground with a DVOM. Observe voltage on DVOM. Crank engine. Is voltage within 1-4 volts? If yes, go to step  28 . If no, go to step  23 .
  21. Remove distributor cap. Inspect inside distributor cap for damage or contamination. Did you find a condition? If yes, go to step  46 . If no, go to next step.
  22. Observe distributor rotor. Crank engine. Does distributor rotor rotate when engine cranks? If yes, go to step  45 . If no, see DIAGNOSTIC AIDS  .
  23. Turn ignition off. Disconnect PCM electrical connectors. PCM is located on left front of engine compartment. Test IC timing control circuit for an open or a high resistance. Did you find and correct condition? If yes, go to step  50 . If no, go to next step.
  24. Probe IC timing control circuit of PCM with a test light connected to battery voltage. Does test light illuminate? If yes, go to step  37 . If no, go to next step.
  25. Turn ignition on, with engine off. Probe IC timing control circuit of PCM with a test light connected to a good ground. Does test light illuminate? If yes, go to step  38 . If no, go to step  30 .
  26. Test for an intermittent and for a poor connection at CMP sensor. Did you find and correct condition? If yes, go to step  50 . If no, go to step  41 .
  27. Test for an intermittent and for a poor connection at CKP sensor. Did you find and correct condition? If yes, go to step  50 . If no, go to step  42 .
  28. Test for an intermittent and for a poor connection at ignition control module. Did you find and correct condition? If yes, go to step  50 . If no, go to step  47 .
  29. Test for an intermittent and for a poor connection at ignition coil. Did you find and correct condition? If yes, go to step  50 . If no, go to step  43 .
  30. Test for an intermittent and for a poor connection at PCM. Did you find and correct condition? If yes, go to step  50 . If no, go to step  48 .
  31. Inspect spark plugs for damage or contamination. Did you find and correct condition? If yes, go to step  50 . If no, problem is intermittent.
  32. Repair short to ground in ignition 1 voltage circuit. After repairs, go to step  49 .
  33. Repair open or high resistance in ignition 1 voltage circuit between underhood fuse/relay block and ignition coil. After repairs, go to step  50 .
  34. Repair open or high resistance in ignition 1 voltage circuit between underhood fuse/relay block and ignition control module. After repairs, go to step  50 .
  35. Repair open or high resistance in ground circuit of ignition control module. After repairs, go to step  50 .
  36. Repair open or high resistance in IC timing control circuit. After repairs, go to step  50 .
  37. Repair short to ground in IC timing control circuit. After repairs, go to step  50 .
  38. Repair short to voltage in IC timing control circuit. After repairs, go to step  50 .
  39. voltage in ignition coil control circuit. After repairs, go to step  50 .
  40. Repair short to ground in ignition coil control circuit. After repairs, go to step  50 .
  41. Replace CMP sensor. After replacing sensor, go to step  50 .
  42. Replace CKP sensor. After replacing sensor, go to step  50 .
  43. Replace ignition coil. After replacing ignition coil, go to step  50 .
  44. Replace ignition coil wire. After replacing coil wire, go to step  50 .
  45. Replace distributor rotor. After replacing rotor, go to step  50 .
  46. Replace distributor cap. After replacing distributor cap, go to step  50 .
  47. Replace ignition control module. After replacing ignition control module, go to step  50 .
  48. Replace PCM. See appropriate REMOVAL & INSTALLATION - CHEVY EXPRESS & SAVANA - GASOLINE article. After replacing PCM, go to step  50 .
  49. Replace fuse. After replacing fuse, go to next step.
  50. Clear DTCs with a scan tool. Turn ignition off for 30 seconds. Start engine. Let engine reach operating temperature. Are re any DTCs that have not been diagnosed? If yes, diagnose affected DTC(s). See DIAGNOSTIC TROUBLE CODE DEFINITIONS in SELF-DIAGNOSTICS - 4.3L CHEVY EXPRESS & SAVANA article. If no DTC(s) are set, system is okay.