LEMON Manuals: Even more car manuals for everyone: 1960-2025
Home >> Cadillac >> 2007 >> Escalade EXT >> Repair and Diagnosis >> External Pages >> Different car >> Section 351 (Cellular Communication System) >> Schematic and Routing Diagrams >> OnStar Schematics
April 5, 2026: LEMON Manuals is launched! Read the announcement.

OnStar Schematics

WARNING: This page is about a different car, the 2004 GMC Sierra, 2004 GMC Cab & Chassis Sierra, 2004 Chevrolet Silverado, and 2004 Chevrolet Cab & Chassis Silverado. However, it is still accessible from the selected car via links, so may be relevant.
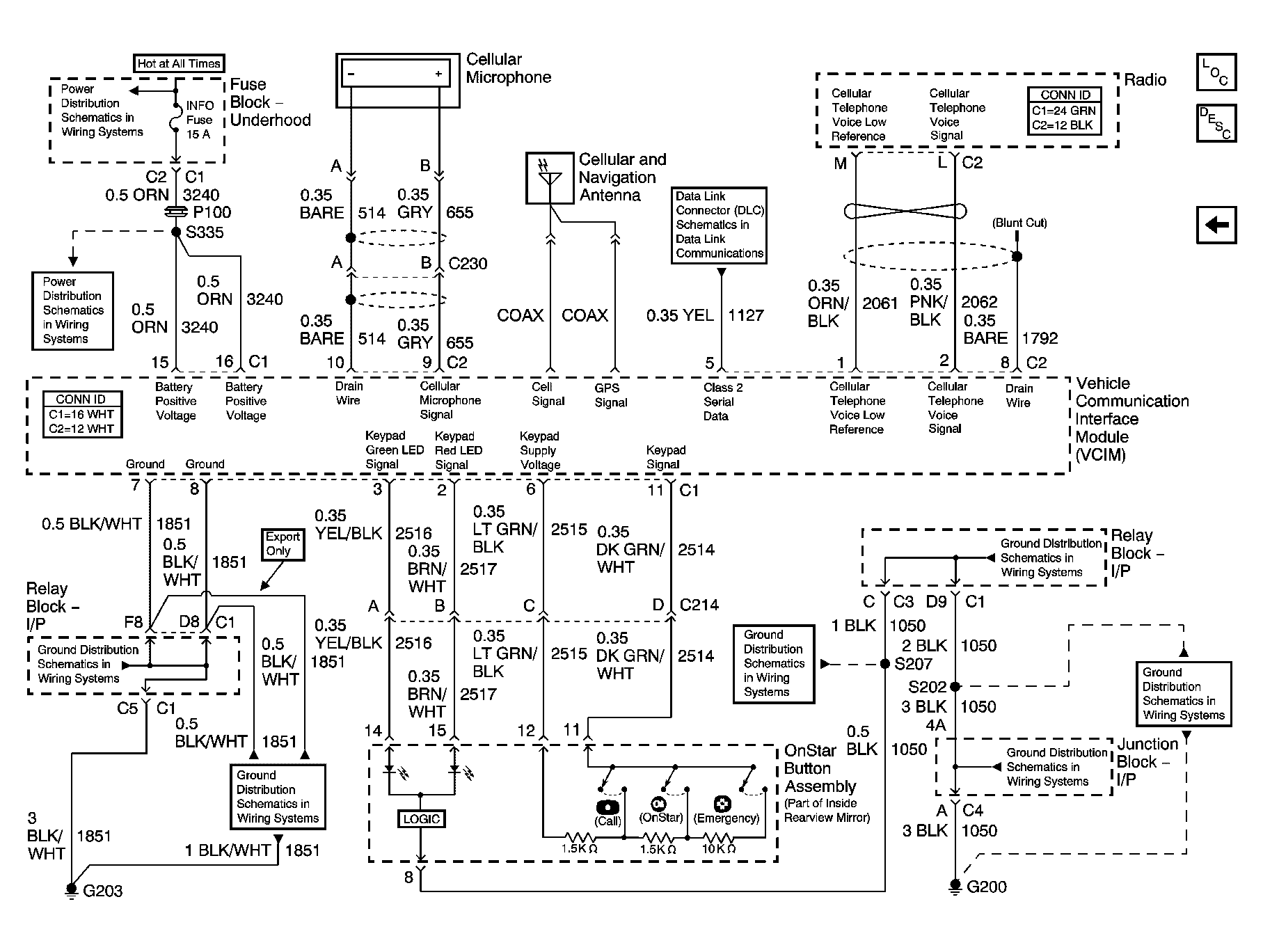
Fig 1: Vehicle Communication Interface Module Circuit Schematic (Except Y91)
GM1242741Courtesy of GENERAL MOTORS CORP.
Fig 2: Vehicle Communication Interface Module Circuit Schematic (Y91)
GM1242742Courtesy of GENERAL MOTORS CORP.