LEMON Manuals: Even more car manuals for everyone: 1960-2025
Home >> Cadillac >> 2007 >> Escalade EXT >> Repair and Diagnosis >> External Pages >> Different car >> Section 380 (Engine Controls - 6.6L (Lb7) (Introduction)) >> Schematic and Routing Diagrams >> Engine Controls Schematics
April 5, 2026: LEMON Manuals is launched! Read the announcement.

Engine Controls Schematics

WARNING: This page is about a different car, the 2004 GMC Sierra, 2004 GMC Cab & Chassis Sierra, 2004 Chevrolet Silverado, and 2004 Chevrolet Cab & Chassis Silverado. However, it is still accessible from the selected car via links, so may be relevant.
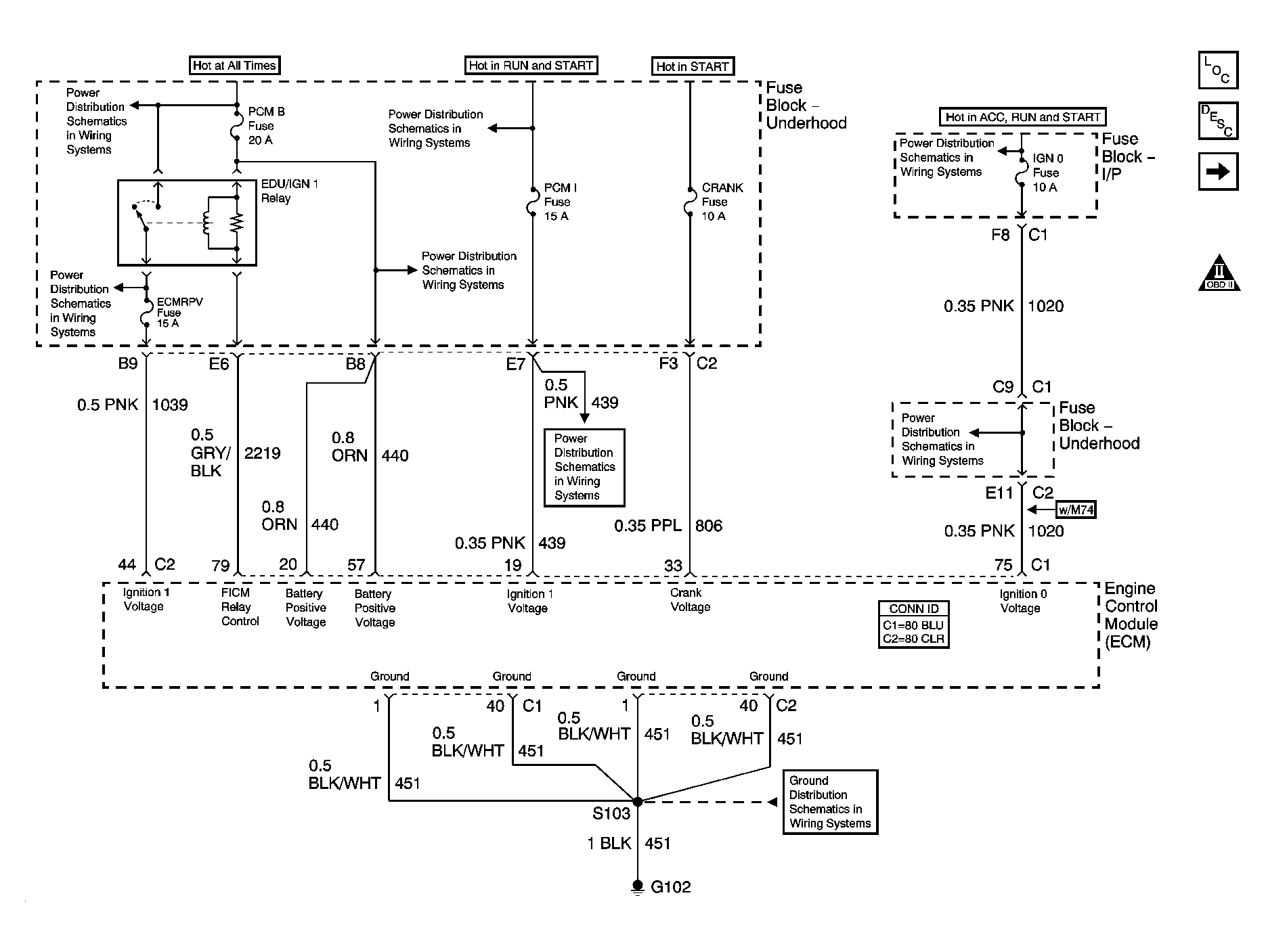
Fig 1: Power And Ground Schematic
GM1237529Courtesy of GENERAL MOTORS CORP.
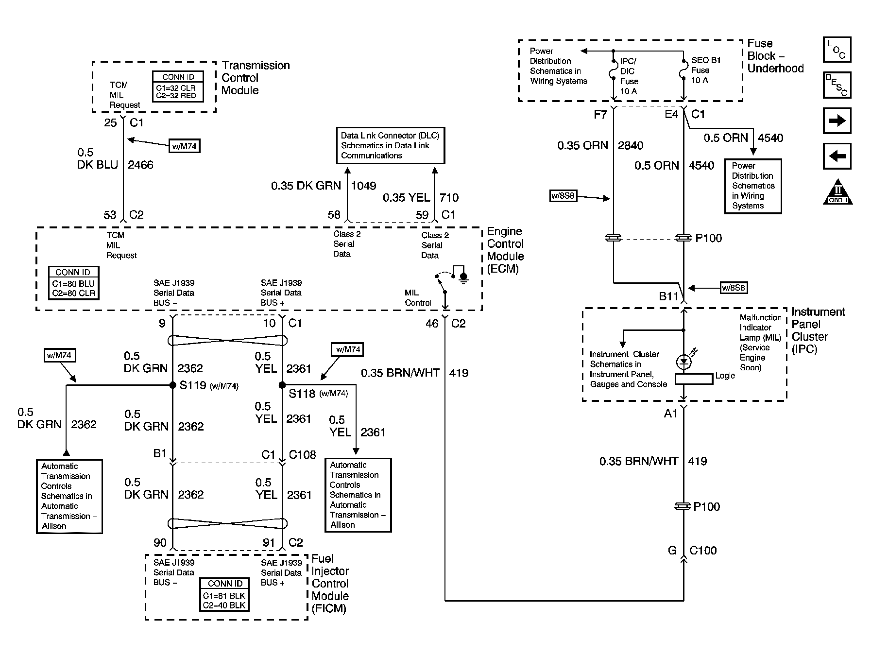
Fig 2: MIL Control And Serial Data Schematic
GM1237530Courtesy of GENERAL MOTORS CORP.
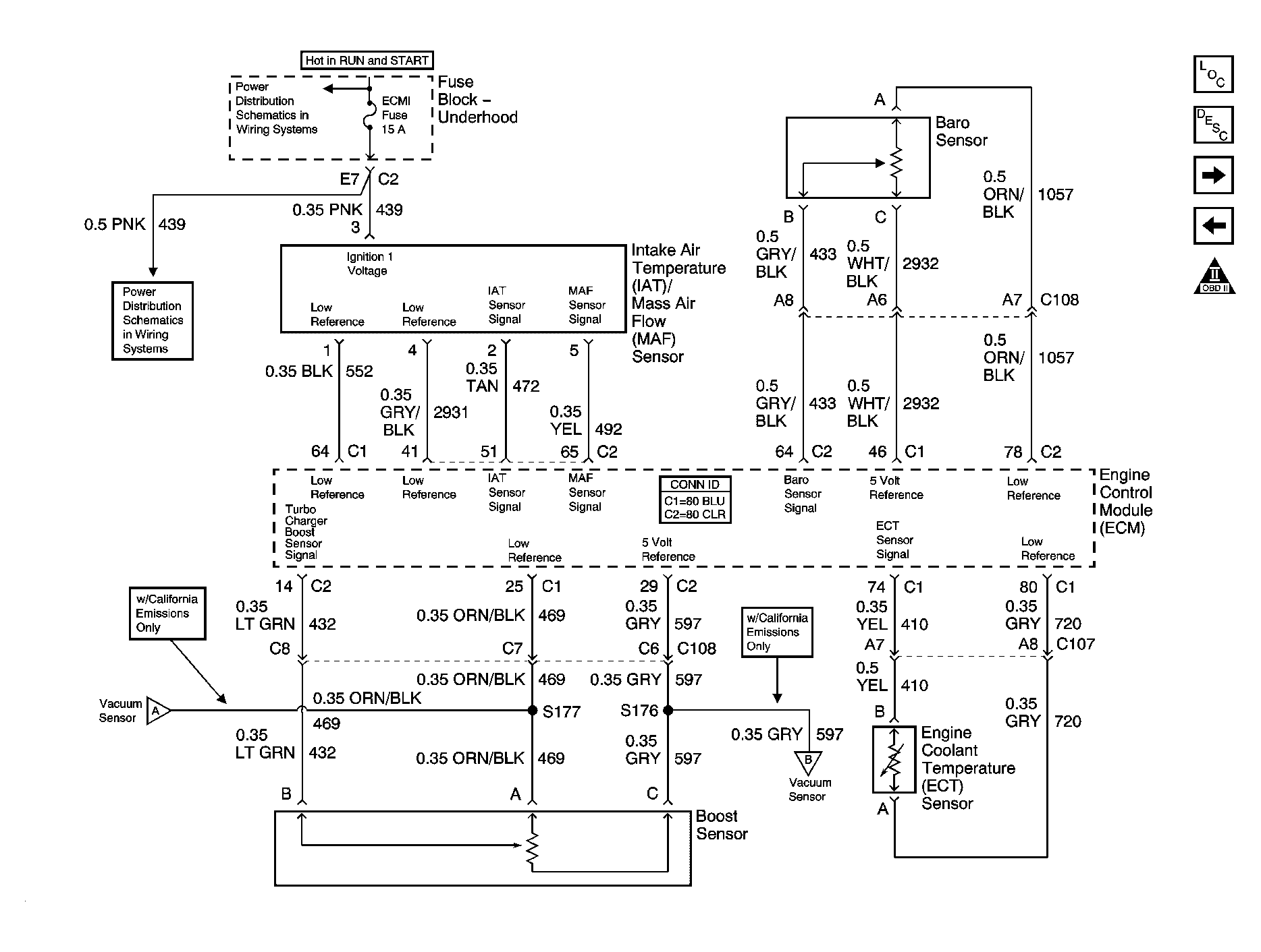
Fig 3: Engine Data Sensors Schematic - Pressure And Temperature
GM1237531Courtesy of GENERAL MOTORS CORP.
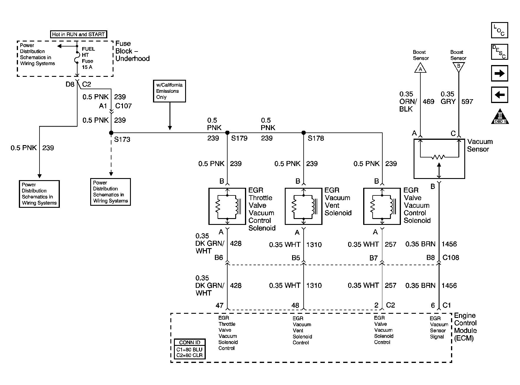
Fig 4: Engine Data Sensors Schematic - EGR And Vacuum
GM1237532Courtesy of GENERAL MOTORS CORP.
Fig 5: Engine Data Sensors Schematic - Pedal Position
GM1237534Courtesy of GENERAL MOTORS CORP.
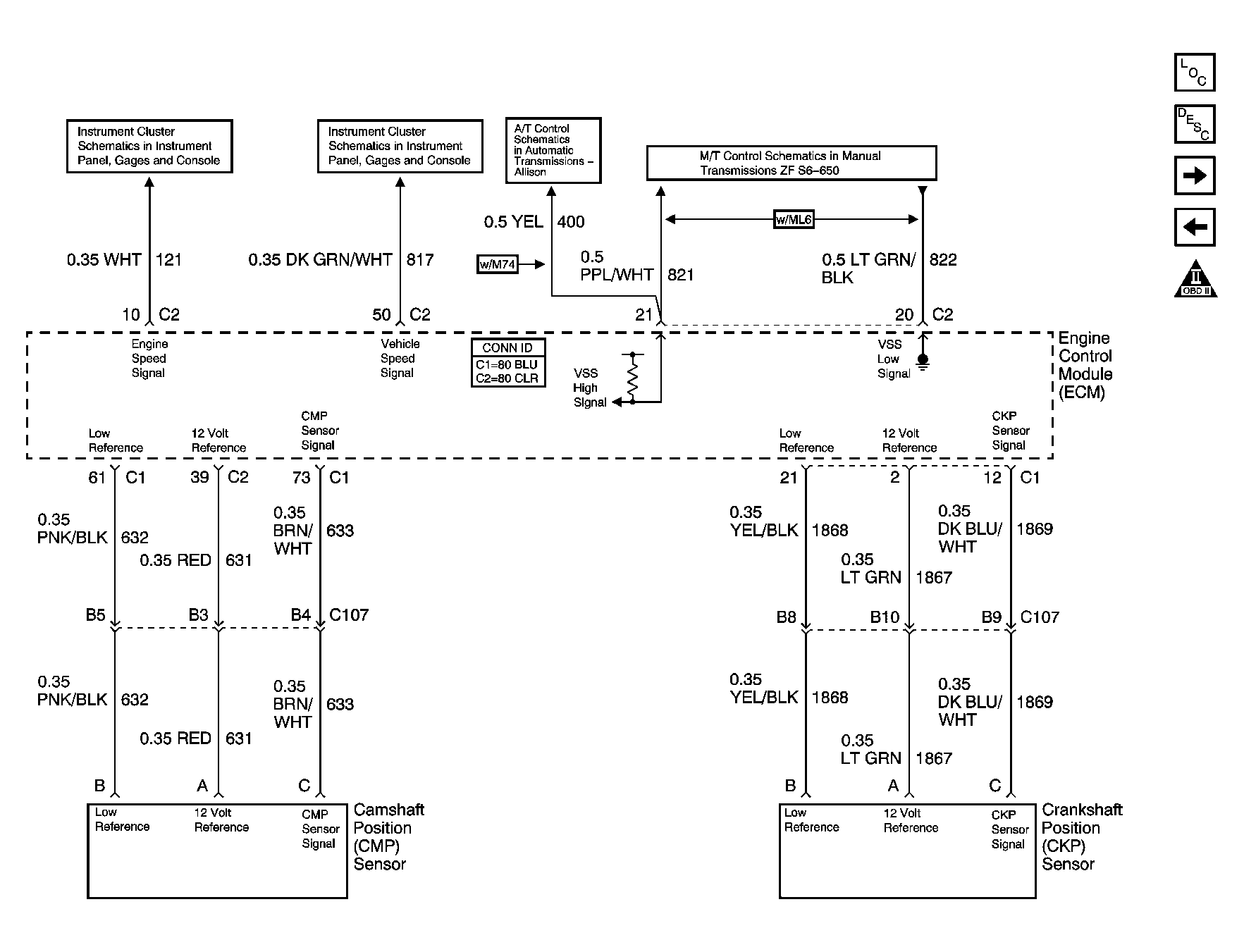
Fig 6: Engine Data Sensors Schematic - VSS And Injection Timing Controls
GM1237535Courtesy of GENERAL MOTORS CORP.
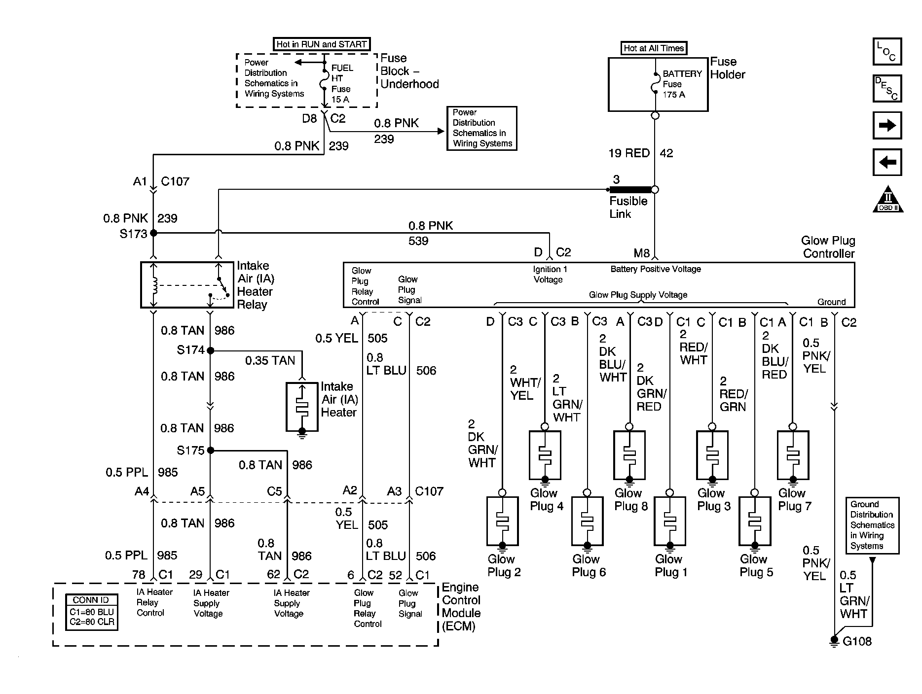
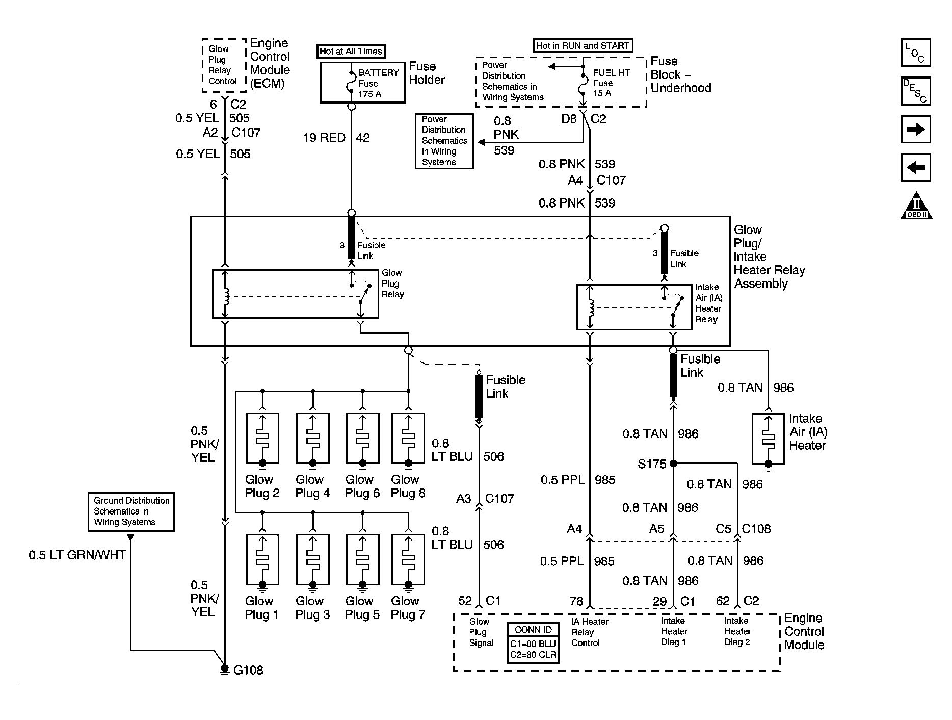
Fig 7: Engine Data Sensors Schematic - Glow Plug Controls - Except California Emissions
GM1237536Courtesy of GENERAL MOTORS CORP.
Fig 8: Engine Data Sensors Schematic - Glow Plug Controls - California Emissions
GM1237537Courtesy of GENERAL MOTORS CORP.
Fig 9: Fuel Controls Schematic - Fuel Pump Controls
GM1237538Courtesy of GENERAL MOTORS CORP.
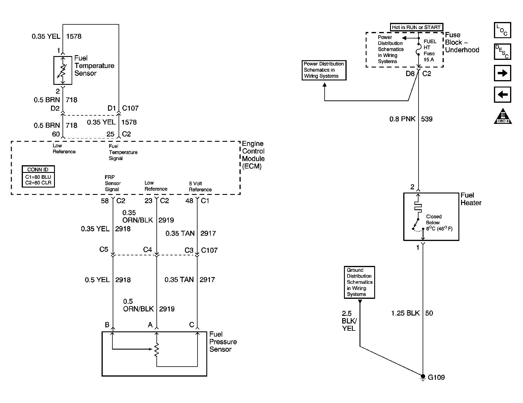
Fig 10: Fuel Controls Schematic - Fuel Temperature Sensor, Fuel Pressure Sensor, And Fuel Heater
GM1237539Courtesy of GENERAL MOTORS CORP.
Fig 11: Fuel Controls Schematic - Injector And Pressure Controls
GM1237540Courtesy of GENERAL MOTORS CORP.
Fig 12: Fuel Controls Schematic - Fuel Injectors
GM1237541Courtesy of GENERAL MOTORS CORP.
Fig 13: Controlled/Monitored Subsystem References Schematic
GM1237542Courtesy of GENERAL MOTORS CORP.
Fig 14: Transmission Controls Schematic - A/T
GM1237543Courtesy of GENERAL MOTORS CORP.