LEMON Manuals: Even more car manuals for everyone: 1960-2025
Home >> Cadillac >> 2007 >> Escalade EXT >> Repair and Diagnosis >> External Pages >> Different car >> Section 386 (Wiring Systems (Component Locator)) >> Component Locator >> Power and Grounding Component Views
April 5, 2026: LEMON Manuals is launched! Read the announcement.

Power and Grounding Component Views

WARNING: This page is about a different car, the 2004 GMC Sierra, 2004 GMC Cab & Chassis Sierra, 2004 Chevrolet Silverado, and 2004 Chevrolet Cab & Chassis Silverado. However, it is still accessible from the selected car via links, so may be relevant.
Fig 1: Lower LF Of The Radiator Support Components
GM310809Courtesy of GENERAL MOTORS CORP.
Callout Component Name
1 LH Lower Radiator Support
2 Forward Lamp Harness
3 Negative Battery Cable (G100)
4 Frame
5 Ground 100 (G100)
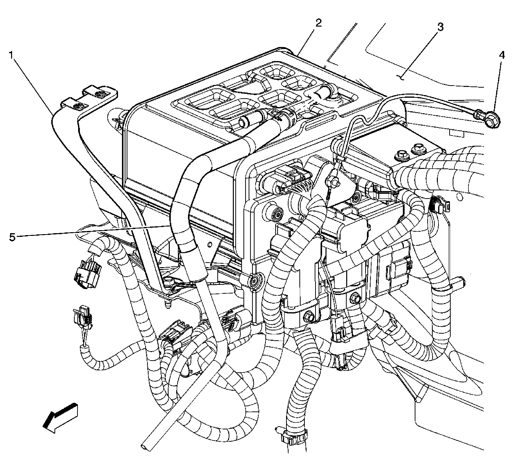
Fig 2: Fuse Block-Underhood Component View
GM310806Courtesy of GENERAL MOTORS CORP.
Callout Component Name
1 Fuse Block-Underhood Bracket
2 I/P Harness
3 Radiator Support
4 Inline Connector C103 or C104-I/P Harness Side
5 Inline Connector C103 or C104-Forward Lamp Harness Side
6 LH Battery Tray
7 Fuse Block-Underhood Bracket
8 Fuse Block-Underhood Bracket
Fig 3: G102 Component View (4.3L)
GM1373404Courtesy of GENERAL MOTORS CORP.
Callout Component Name
1 Starter
2 G102
3 Crankshaft Position (CKP) Sensor Connector
4 Negative Battery Cable
Fig 4: G103 & G104 (4.3L) Component View
GM1373403Courtesy of GENERAL MOTORS CORP.
Callout Component Name
1 Camshaft Position (CMP) Sensor Connector
2 Engine Oil Pressure (EOP) Sensor Connector
3 G103
4 G104
5 Ground Strap
6 Knock Sensor (KS) Connector
Fig 5: G103 & G104 Component View (4.8L, 5.3L, & 6.0L)
GM1373407Courtesy of GENERAL MOTORS CORP.
Callout Component Name
1 Engine Oil Pressure (EOP) Sensor Connector
2 G103
3 Camshaft Position (CMP) Sensor Connector
4 G104
Fig 6: G102 Component View (4.8L, 5.3L, & 6.0L)
GM1373408Courtesy of GENERAL MOTORS CORP.
Callout Component Name
1 Engine Coolant Temperature (ECT) Sensor Connector
2 G102
3 Negative Battery Cable
Fig 7: Lower Right Side Of The Engine Component View (6.6L)
GM1217665Courtesy of GENERAL MOTORS CORP.
Callout Component Name
1 G103
2 Engine Block
3 G102
4 G109
Fig 8: Lower Left Side Of The Engine Component View (6.6L)
GM1217662Courtesy of GENERAL MOTORS CORP.
Callout Component Name
1 Engine Block
2 G108
3 G104
Fig 9: G102 Component View - 8.1L
GM656528Courtesy of GENERAL MOTORS CORP.
Callout Component Name
1 Engine-8.1L
2 Engine Knock Sensor (KS) - 2
3 Engine Knock Sensor (KS) - 2 Connector
4 Engine Harness
5 G102-Engine Harness Ground
Fig 10: G103 & G104 Component View - 8.1L
GM1373405Courtesy of GENERAL MOTORS CORP.
Callout Component Name
1 G104
2 Engine
3 Engine Oil Pressure (EOP) Sensor Connector
4 Ground Strap
5 Crankshaft Position (CKP) Sensor Connector
6 G103
Fig 11: G106 Component View (Gas W/TP2 Or 8Y9 & Diesel)
GM1459002Courtesy of GENERAL MOTORS CORP.
Callout Component Name
1 G106 (Engine Harness)
2 G106 (Battery Cable)
3 Back of Engine Block
Fig 12: G120 Component View (HP2)
GM1395890Courtesy of GENERAL MOTORS CORP.
Callout Component Name
1 Starter/Generator Control Module Bracket
2 Starter/Generator Control Module
3 Dash Panel
4 G120
5 Starter/Generator Control Module Coolant Hose
Fig 13: G121 Component View (HP2)
GM1395897Courtesy of GENERAL MOTORS CORP.
Callout Component Name
1 Engine Block
2 G121
3 Electro Hydraulic Power Steering (EHPS) 42V Harness
Fig 14: G122 Component View (HP2)
GM1395896Courtesy of GENERAL MOTORS CORP.
Callout Component Name
1 Electro Hydraulic Power Steering (EHPS) Module Assembly
2 G122
3 Water Pump
Fig 15: G200 Component View
GM403970Courtesy of GENERAL MOTORS CORP.
Callout Component Name
1 Instrument Panel
2 G200
3 Ground Stud
Fig 16: Junction Block Component View - I/P
GM310167Courtesy of GENERAL MOTORS CORP.
Callout Component Name
1 Junction Block - I/P
2 Instrument Panel
Fig 17: C210 & Relay Block Component View - I/P, C4
GM814939Courtesy of GENERAL MOTORS CORP.
Callout Component Name
1 Relay Block - I/P
2 Relay Block - I/P - C4
3 C210 - Roof Beacon Relay Inline
Fig 18: Body Control Module (BCM) Component View
GM886494Courtesy of GENERAL MOTORS CORP.
Callout Component Name
1 Fuse Block - Left I/P
2 Instrument Panel
3 Body Control Module (BCM)
4 Body Harness to Body Control Module (BCM)
Fig 19: Steering Wheel and Column Sub-System Component Views
GM856748Courtesy of GENERAL MOTORS CORP.
Callout Component Name
1 Steering Wheel Audio Controls - Left
2 Passlock Sensor Connector
3 Ignition Key Alarm Switch
4 Ignition Lock Cylinder Control Actuator
5 Ignition Lock Cylinder Control Actuator Connector
6 Ignition Switch
7 Ignition Key Cylinder
8 Steering Wheel Audio Controls - Right
9 Horn Switch
10 Steering Wheel Driver Information (DIC) Controls - Right
11 C277
12 Steering Wheel Driver Information Center (DIC) Controls - Left
13 Turn Signal/Multifunction Switch
Fig 20: G203 Component View
GM1373386Courtesy of GENERAL MOTORS CORP.
Callout Component Name
1 Upper Plenum
2 G203
Fig 21: G110 & G302 Component View
GM1373402Courtesy of GENERAL MOTORS CORP.
Callout Component Name
1 Left Front Body Mount
2 G110
3 G302 (10 Series)
Fig 22: G302 (HVY) Component View
GM1393697Courtesy of GENERAL MOTORS CORP.
Callout Component Name
1 Fuel Pump and Sender Assembly
2 Fuel Tank
3 Frame
4 G302
5 Evaporative Emission (EVAP) Canister Purge Solenoid
Fig 23: G304 & G306 Component View
GM1373409Courtesy of GENERAL MOTORS CORP.
Callout Component Name
1 C396 (Crew Cab)
2 G306
3 G304
4 C399
5 RH B-Pillar
Fig 24: G305 Component View (Crew Cab)
GM1373410Courtesy of GENERAL MOTORS CORP.
Callout Component Name
1 G305
2 LH B-Pillar
3 C305
4 Inflatable Restraint Sensing and Diagnostic Module (SDM)
Fig 25: Energy Storage Box Component View (HP2)
GM1395899Courtesy of GENERAL MOTORS CORP.
Callout Component Name
1 Energy Storage Control Module (ESCM)
2 400A Fuse Holder
3 Energy Storage Box (ESB) Cooling Fan
4 Battery Cut Off
5 Voltage Sensor - 1
6 Temperature Sensor - Battery 1
7 C340
8 Battery 1
9 Voltage Sensor - 2
10 Temperature Sensor - Battery 2
11 Battery 2
12 Current Sensor
13 Auxiliary Power Outlet
14 Voltage Sensor - 3
15 Temperature Sensor - Battery 3
16 Battery 3
17 Voltage Sensor - 4
18 Auxiliary Power Outlet Connector
19 C341
20 Service Disconnect Switch
21 G311
22 G310
Fig 26: G401 Component View
GM1373411Courtesy of GENERAL MOTORS CORP.
Callout Component Name
1 Frame
2 Fuel Tank
3 Rear Differential
4 G401
Fig 27: G403 Component View (Chassis Cab, 853 Or 5Y0)
GM1393698Courtesy of GENERAL MOTORS CORP.
Callout Component Name
1 Electronic Brake Control Module (EBCM)
2 Chassis Harness
3 G403
Fig 28: G405 Component View (HP2)
GM1395898Courtesy of GENERAL MOTORS CORP.
Callout Component Name
1 Spare Tire Carrier Bracket
2 Rear EPTO Outlet Connector
3 G405
4 Frame