LEMON Manuals: Even more car manuals for everyone: 1960-2025
Home >> Cadillac >> 2007 >> Escalade EXT >> Repair and Diagnosis >> External Pages >> Different car >> Section 403 (Automatic Transmission - ALLISON (Introduction, Service & Replacement)) >> Schematic and Routing Diagrams >> Automatic Transmission Controls Schematics
April 5, 2026: LEMON Manuals is launched! Read the announcement.

Automatic Transmission Controls Schematics

WARNING: This page is about a different car, the 2004 GMC Sierra, 2004 GMC Cab & Chassis Sierra, 2004 Chevrolet Silverado, and 2004 Chevrolet Cab & Chassis Silverado. However, it is still accessible from the selected car via links, so may be relevant.
Fig 1: Power, Ground and Brake Switch Schematic
GM1239762Courtesy of GENERAL MOTORS CORP.
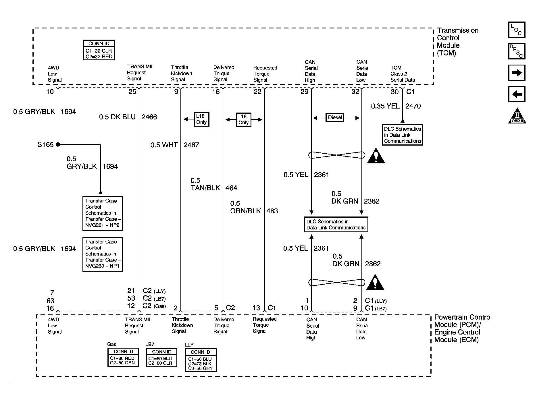
Fig 2: MIL Control, Serial Data and Torque Signals Schematic
GM1239763Courtesy of GENERAL MOTORS CORP.
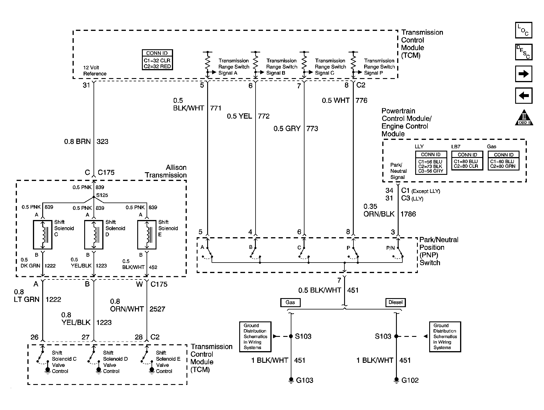
Fig 3: Shift Solenoids and PNP Signals Schematic
GM1239764Courtesy of GENERAL MOTORS CORP.
Fig 4: Pressure Switches and Fluid Temperature Schematic
GM1239766Courtesy of GENERAL MOTORS CORP.
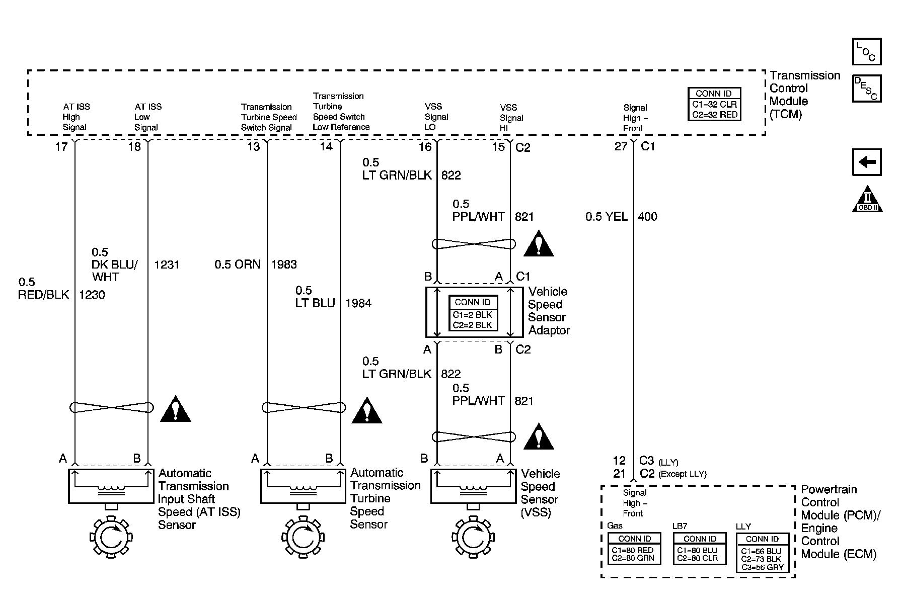
Fig 5: Speed Sensors Schematic
GM1239765Courtesy of GENERAL MOTORS CORP.