LEMON Manuals: Even more car manuals for everyone: 1960-2025
Home >> Cadillac >> 2007 >> Escalade EXT >> Repair and Diagnosis >> External Pages >> Different car >> Section 511 (Data Link Communication System) >> Schematic and Routing Diagrams
April 5, 2026: LEMON Manuals is launched! Read the announcement.

Schematic and Routing Diagrams

WARNING: This page is about a different car, the 2003 Chevrolet Corvette. However, it is still accessible from the selected car via links, so may be relevant.
Fig 1: Data Link Communications Schematic Icons
G01453094Courtesy of GENERAL MOTORS CORP.
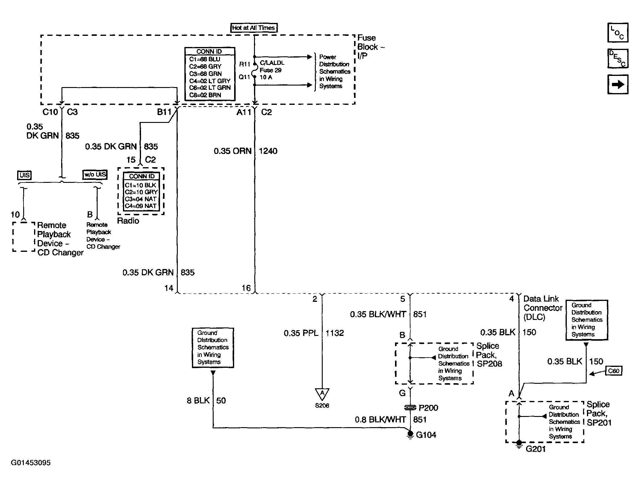
Fig 2: Data Link Connector (DLC) Schematics (Power & Ground)
G01453095Courtesy of GENERAL MOTORS CORP.
Fig 3: Data Link Connector (DLC) Schematics (Star Connectors)
G01453096Courtesy of GENERAL MOTORS CORP.