LEMON Manuals: Even more car manuals for everyone: 1960-2025
Home >> Cadillac >> 2007 >> Escalade EXT >> Repair and Diagnosis >> External Pages >> Different car >> Section 630 (Lighting Systems) >> Schematic and Routing Diagrams >> Headlight Leveling Schematics
April 5, 2026: LEMON Manuals is launched! Read the announcement.

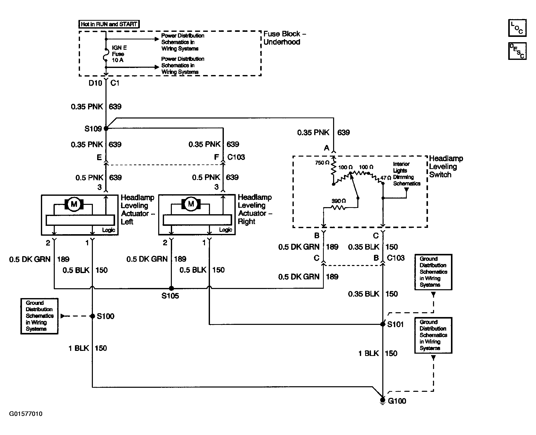
Headlight Leveling Schematics

WARNING: This page is about a different car, the 2003 GMC Sierra, 2003 GMC Cab & Chassis Sierra, 2003 Chevrolet Silverado, and 2003 Chevrolet Cab & Chassis Silverado. However, it is still accessible from the selected car via links, so may be relevant.
Fig 1: Headlight Leveling Schematics
G01577010Courtesy of GENERAL MOTORS CORP.