LEMON Manuals: Even more car manuals for everyone: 1960-2025
Home >> Cadillac >> 2007 >> Escalade EXT >> Repair and Diagnosis >> External Pages >> Different car >> Section 682 (Battery, Charging System And Starting System - Introduction) >> Repair Instructions >> Starter/Generator Control Module (SGCM) Replacement (5.3L Engine w/RPO HP2) >> Installation Procedure
April 5, 2026: LEMON Manuals is launched! Read the announcement.

Installation Procedure

WARNING: This page is about a different car, the 2006 GMC Sierra, 2006 GMC Cab & Chassis Sierra, 2006 Chevrolet Silverado, and 2006 Chevrolet Cab & Chassis Silverado. However, it is still accessible from the selected car via links, so may be relevant.
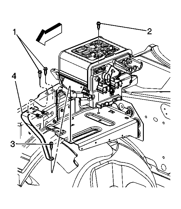
  1. Install the SGCM.
  2. Install the brace (4).
    Fig 1: View Of SGCM, Brace & Bolts
    GM1237056Courtesy of GENERAL MOTORS CORP.
  3. Install the SGCM front bolt (3).
  4. NOTE: Refer to Fastener Notice in Cautions and Notices.
  5. Install the SGCM rear bolt (2).

    Tighten:  Tighten the bolts to 20 N.m (15 lb ft).

  6. Connect the 42-volt jumper ground wire connector (2).
    Fig 2: View Of 42-Volt Positive/Negative Battery Cable & Jumper Ground Wire Connector (5.3L Engine w/RPO HP2)
    GM1237049Courtesy of GENERAL MOTORS CORP.
  7. Connect the 42-volt positive/negative battery cable.
  8. Install the red CPA retainer.
  9. Tighten the 42-volt positive/negative battery cable bolt (1).

    Tighten:  Tighten the bolt to 9 N.m (80 lb in).

  10. Connect the 14-volt positive/negative battery cable.
    Fig 3: View Of 14V Positive/Negative Battery Cable Bolt (5.3L Engine w/RPO HP2)
    GM1237045Courtesy of GENERAL MOTORS CORP.
  11. Install the red CPA retainer.
  12. Tighten the 14-volt positive/negative battery cable bolt (1).

    Tighten:  Tighten the bolt to 9 N.m (80 lb in).

  13. Install the SGCM coolant outlet hose (1).
    Fig 4: View Of SGCM Coolant Outlet Hose & Clamp (5.3L Engine w/RPO HP2)
    GM1480439Courtesy of GENERAL MOTORS CORP.
  14. Position the SGCM coolant outlet hose clamp (2).
  15. Connect the accessory power receptacle electrical connector to the SGCM.
    Fig 5: View Of SGCM Accessory Power Receptacle Electrical Connector (5.3L Engine w/RPO HP2)
    GM1257479Courtesy of GENERAL MOTORS CORP.
  16. Connect the engine harness electrical connector.
  17. Install the CPA retainer on the engine harness electrical connector.
    Fig 6: View Of CPA Retainer On Engine Harness Electrical Connector (5.3L Engine w/RPO HP2)
    GM1480429Courtesy of GENERAL MOTORS CORP.
  18. Install the 3-phase cable to the SGCM.
    Fig 7: View Of SGCM, Cover & Bolts
    GM1237061Courtesy of GENERAL MOTORS CORP.
  19. Install the 3-phase cable nuts to the SGCM.

    Tighten:  Tighten the nuts to 15 N.m (11 lb ft).

  20. Install the SGCM cover and bolts.

    Tighten:  Tighten the bolts to 9 N.m (80 lb in).

  21. Install the SGCM coolant tank. Refer to Coolant Tank - Starter/Generator Control Module Replacement in Engine Cooling.
  22. Install the surge tank. Refer to Surge Tank Replacement in Engine Cooling.
  23. Install the air cleaner assembly. Refer to Air Cleaner Assembly Replacement in Engine Controls - 4.8L, 5.3L, and 6.0L.
  24. Connect the ESB. Refer to Energy Storage Box (ESB) Service Disconnect/Connect (5.3L Engine w/RPO HP2) .
  25. Program the SGCM. Refer to Service Programming System (SPS) in Programming and Setup.