LEMON Manuals: Even more car manuals for everyone: 1960-2025
Home >> Cadillac >> 2007 >> Escalade EXT >> Repair and Diagnosis >> External Pages >> Different car >> Section 802 (Wipers System And Washer System) >> Schematic and Routing Diagrams >> Wiper/Washer Schematics
April 5, 2026: LEMON Manuals is launched! Read the announcement.

Wiper/Washer Schematics

WARNING: This page is about a different car, the 2007 Saturn Vue. However, it is still accessible from the selected car via links, so may be relevant.
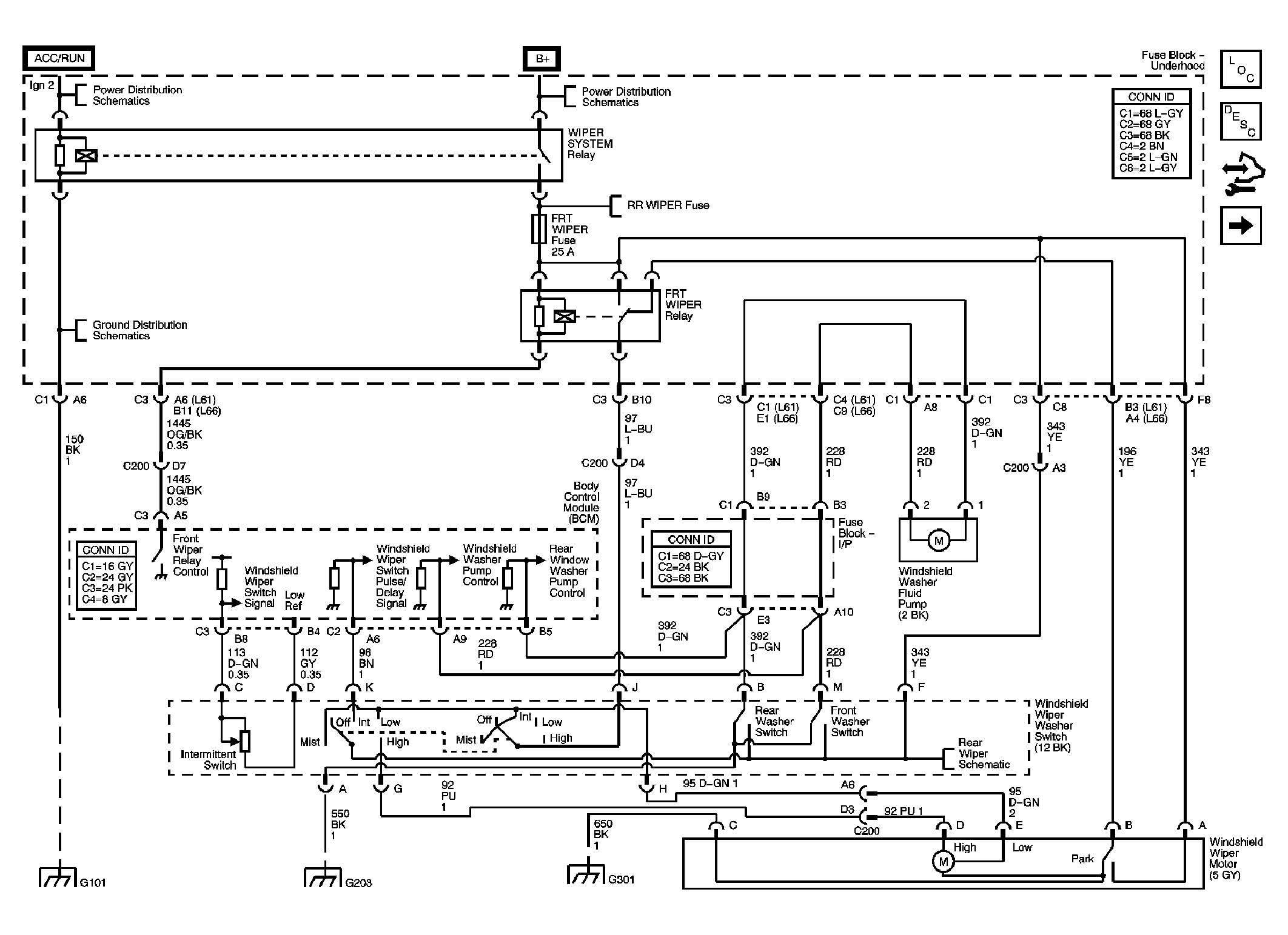
Fig 1: Front Wiper/Washer
GM1798661Courtesy of GENERAL MOTORS CORP.
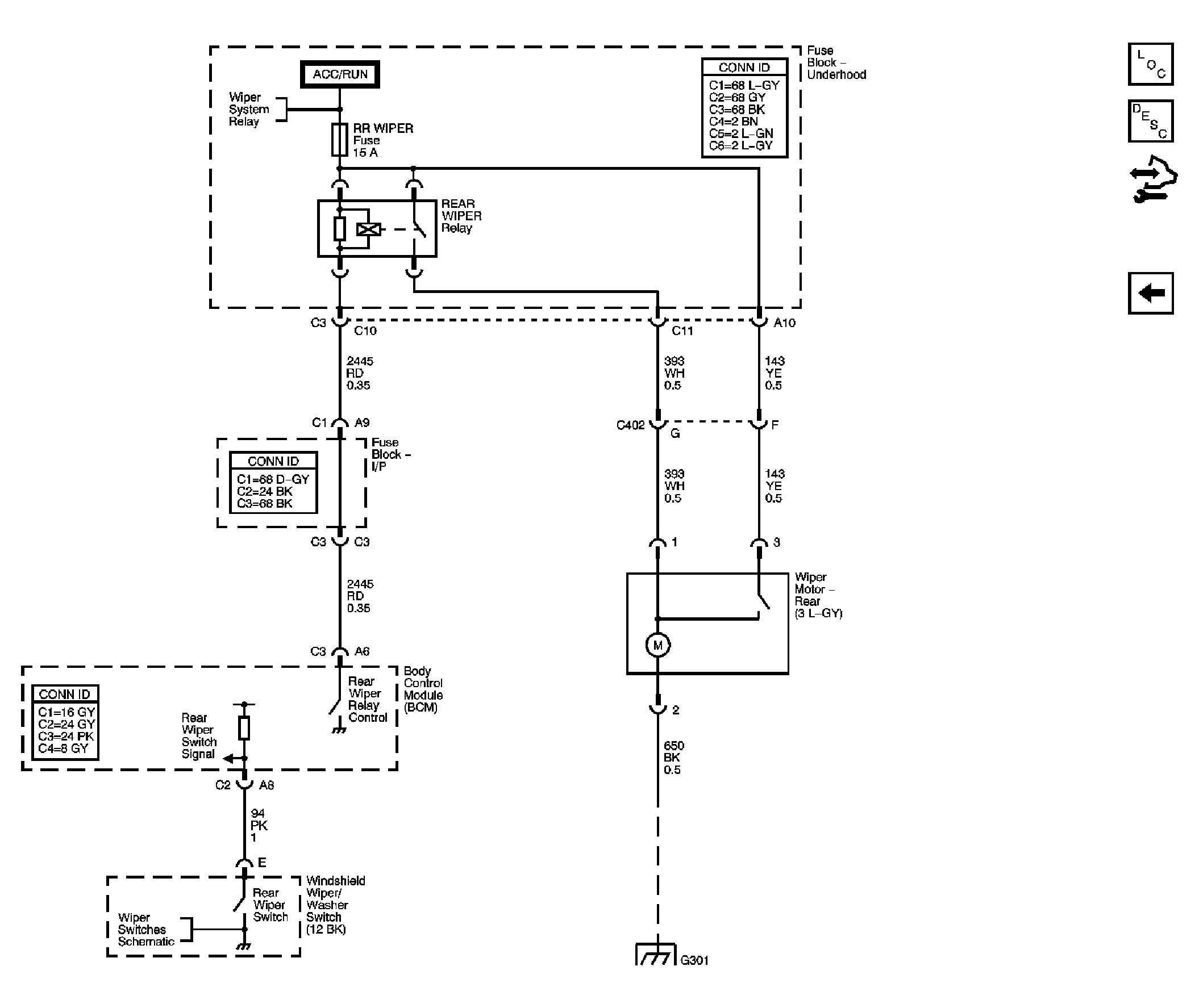
Fig 2: Rear Wiper/Washer
GM1798663Courtesy of GENERAL MOTORS CORP.