LEMON Manuals: Even more car manuals for everyone: 1960-2025
Home >> Cadillac >> 2007 >> Escalade EXT >> Repair and Diagnosis >> External Pages >> Different car >> Section 831 (Data Communication System) >> Schematic and Routing Diagrams >> Data Communication Schematics
April 5, 2026: LEMON Manuals is launched! Read the announcement.

Data Communication Schematics

WARNING: This page is about a different car, the 2007 Saturn Vue. However, it is still accessible from the selected car via links, so may be relevant.
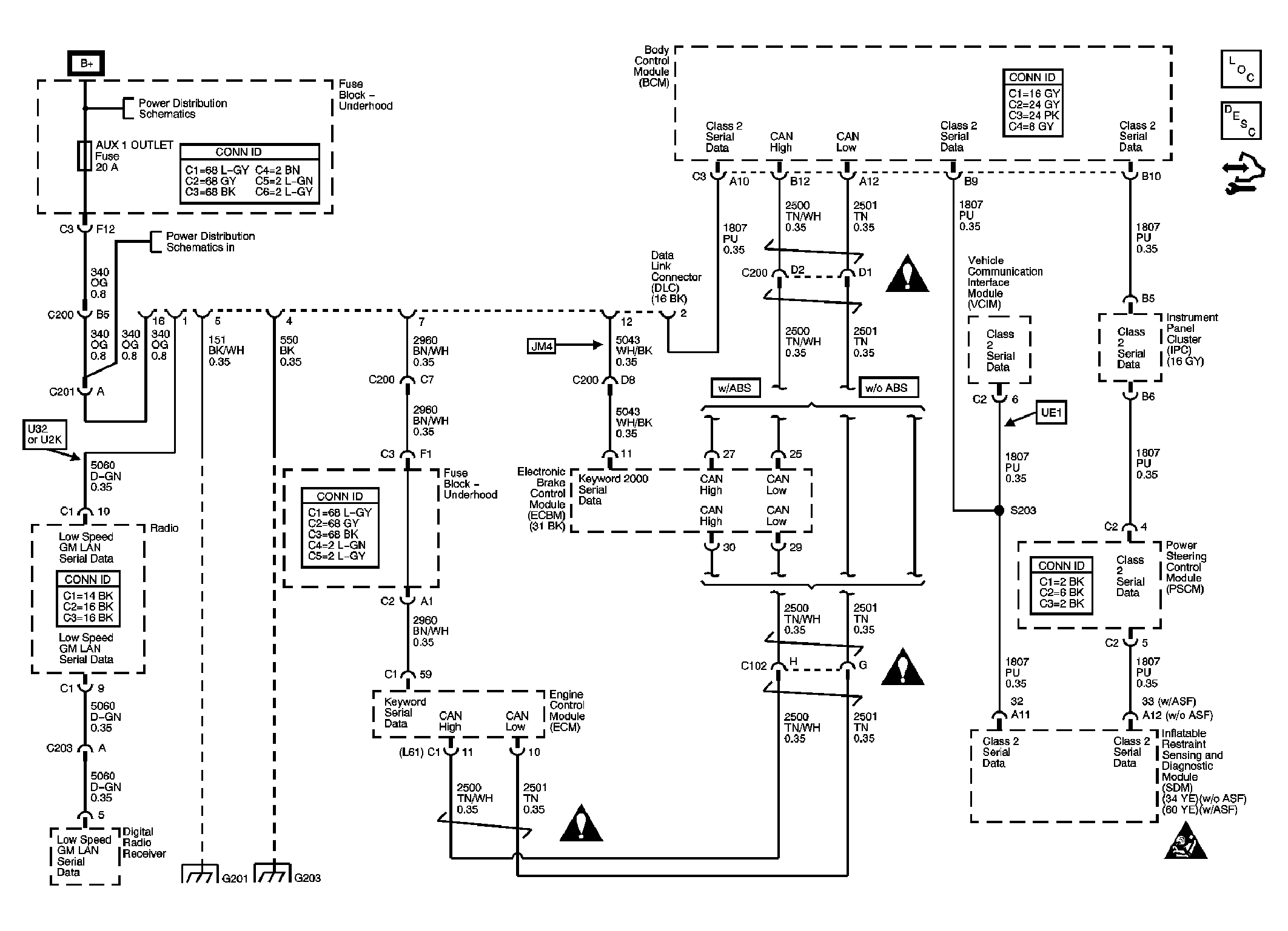
Fig 1: Automatic Transmission
GM1798731Courtesy of GENERAL MOTORS CORP.
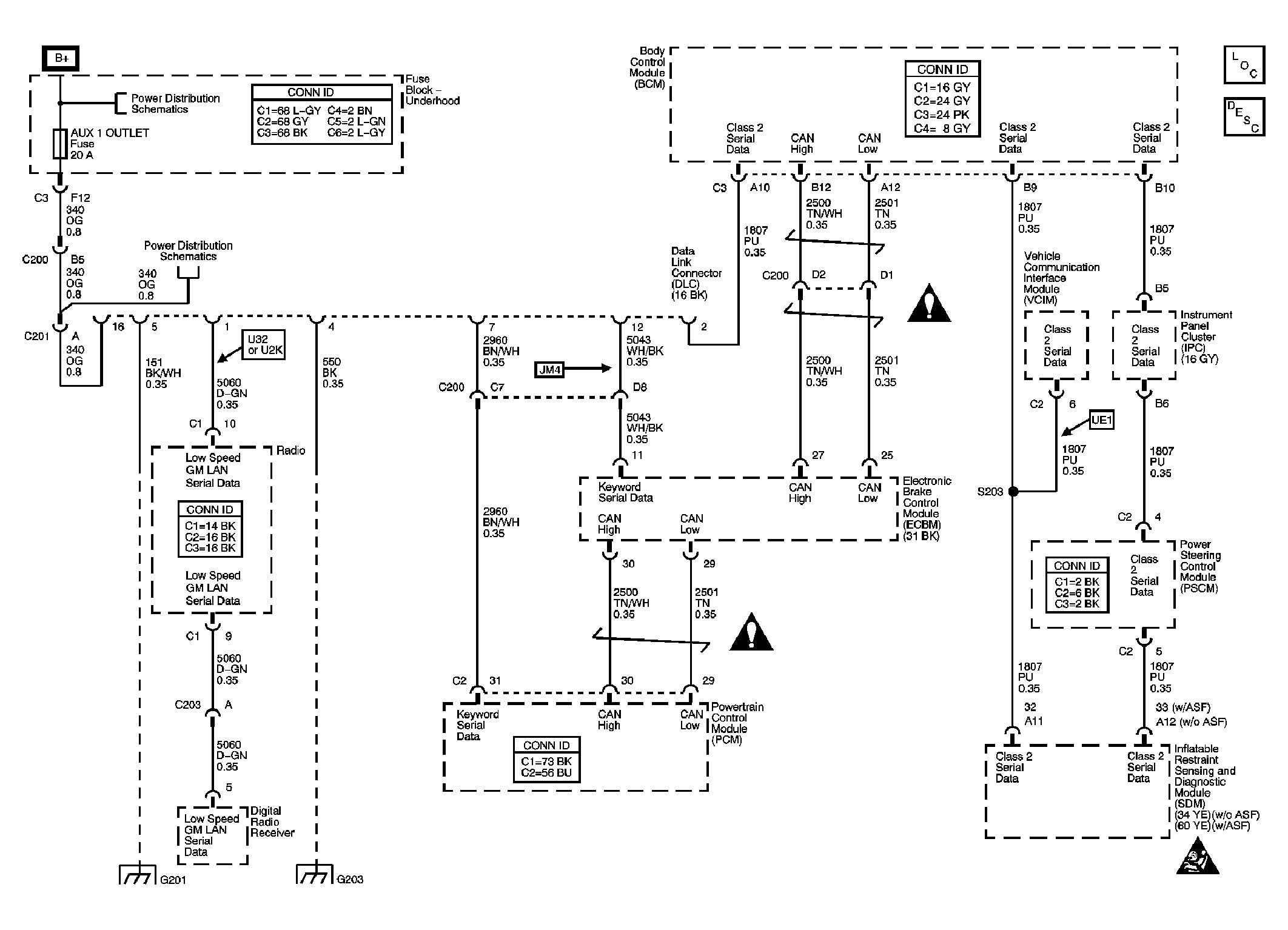
Fig 2: Manual Transmission
GM1798748Courtesy of GENERAL MOTORS CORP.
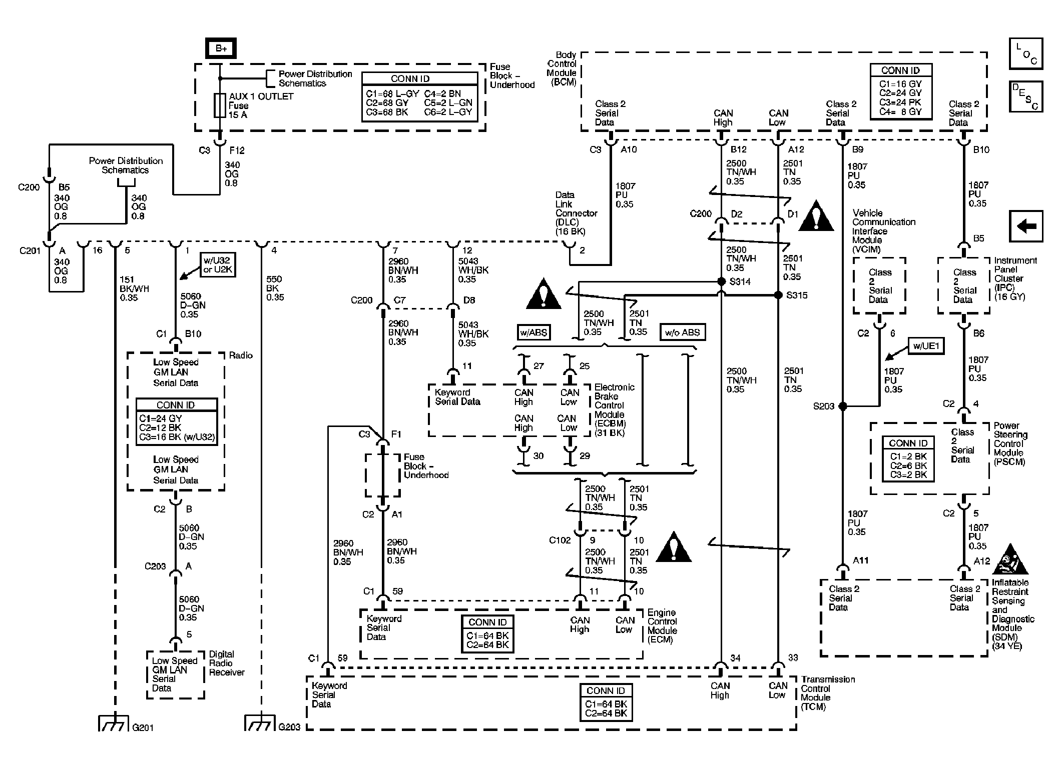
Fig 3: Data Link (L61)
GM1848592Courtesy of GENERAL MOTORS CORP.
Fig 4: Data Link (LAT)
GM1848594Courtesy of GENERAL MOTORS CORP.