LEMON Manuals: Even more car manuals for everyone: 1960-2025
Home >> Cadillac >> 2007 >> Escalade EXT >> Repair and Diagnosis >> External Pages >> Different car >> Section 922 (Data Communication System) >> Schematic & Routing Diagrams >> Data Communication Schematics
April 5, 2026: LEMON Manuals is launched! Read the announcement.

Data Communication Schematics

WARNING: This page is about a different car, the 2007 GMC Sierra and 2007 Chevrolet Silverado. However, it is still accessible from the selected car via links, so may be relevant.
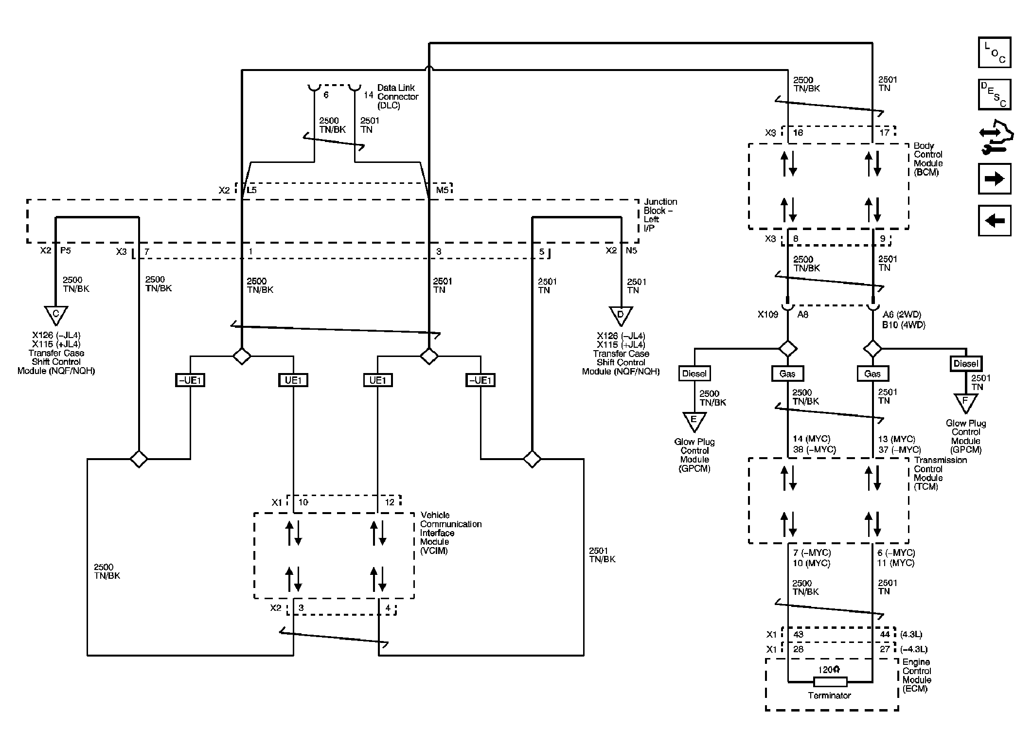
Fig 1: Low Speed Bus - 1 of 3 Schematic
GM1847942Courtesy of GENERAL MOTORS CORP.
Fig 2: Low Speed Bus - 2 of 3 Schematic
GM1847944Courtesy of GENERAL MOTORS CORP.
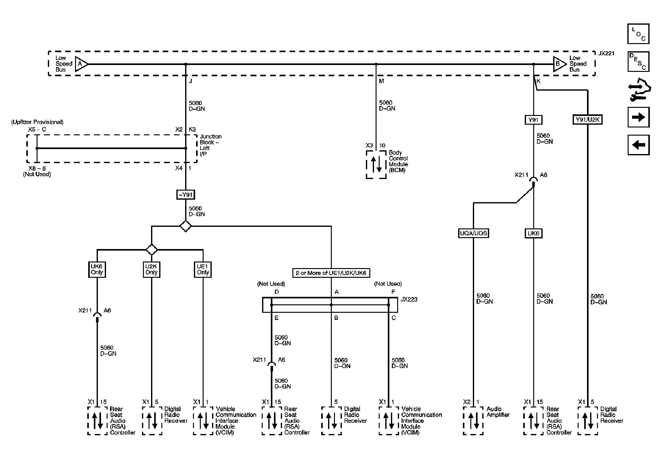
Fig 3: Low Speed Bus - 3 of 3 Schematic
GM1847945Courtesy of GENERAL MOTORS CORP.
Fig 4: High Speed Bus - 1 of 3 Schematic
GM1847947Courtesy of GENERAL MOTORS CORP.
Fig 5: High Speed Bus - 2 of 3 Schematic
GM1847948Courtesy of GENERAL MOTORS CORP.
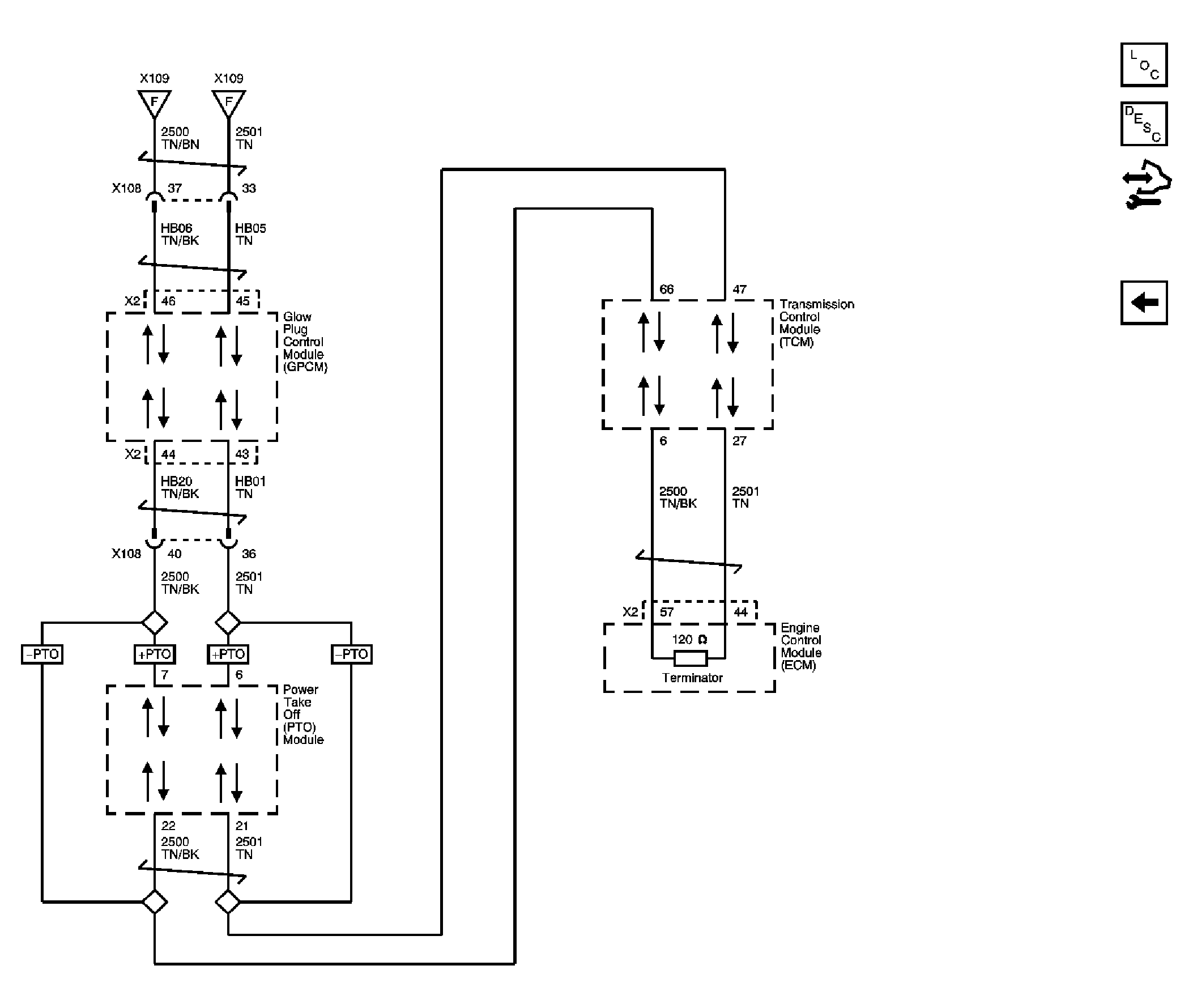
Fig 6: High Speed Bus - 3 of 3 (Diesel) Schematic
GM1870577Courtesy of GENERAL MOTORS CORP.